Принцип работы ГРМ
Газораспределительный механизм расположен в головке блока цилиндров.

Приводится в действие механизм при помощи распределительных шестерен, передающих вращение распределительному валу от коленчатого вала. Шестерня, установленная на распределительном валу, имеет число зубьев в два раза больше, чем шестерня, укрепленная на коленчатом валу, и поэтому распределительный вал вращается с частотой в 2 раза меньшей, чем частота вращения коленчатого вала.
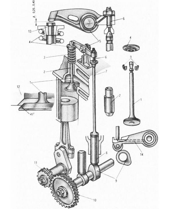
Для того чтобы обеспечить плотное закрытие впускных и выпускных каналов, их входные отверстия – гнезда клапанов выполняют в виде шлифованной фаски под углом 45°.. Такую же фаску делают и на клапане.
При работе двигателя вращение от коленчатого вала через шестерни передается распределительному валу, на котором в определенном порядке установлены кулачки. Когда кулачок займет верхнее положение, он поднимает толкатель. Толкатель при этом поднимет штангу, которая, упираясь в головку болта, повернет коромысло вокруг его оси, и левая, более длинная часть коромысла, нажмет на стержень клапана Клапан опустится и откроет отверстие соответствующего трубопровода, а пружина сожмется. Как только кулачок, вращаясь, сойдет с толкателя, клапан под действием распрямляющейся сжатой пружины поднимется и плотно прижмется к гнезду с большой силой (200…400 Н) и герметически закроет отверстие трубопровода.

1 – клапан- 2 – втулка; 3 – пружина; 4 – тарелка; 5 – коромысло; 6 – регулировочный болт; 7 – штанга; 8, 14 – толкатели; 9 – кулачок; 10, 11 – шестерни; 12 – гнездо клапана; 13 – сухарик.
Находят применение следующие типы ГРМ: 1) с верхним расположением клапанов (двигатели OHV); 2) с нижним расположением клапанов (встречаются редко); 3) размещением распределительного вала на головке блока цилиндров (двигатели ОНС); 4) размещением распределительного вала в блоке цилиндров.
По числу клапанов, приходящихся на один цилиндр двигателя, следует различать газораспределительные системы классической конструкции – с двумя клапанами на цилиндр, и многоклапанные системы, с тремя – шестью клапанами на цилиндр. Для привода многоклапанных систем используются схемы DOHC – двигатели с двумя верхними распределительными валами.
Детали ГРМ для удобства можно объединить в следующие группы: 1). Распределительный вал и детали привода РВ; 2). Детали клапанной группы; 3). Детали привода клапанов и передаточные детали.

Распределительный вал и детали привода распределительного вала.
Распределительный вал (РВ) обеспечивает своевременное открытие и закрытие клапанов. Вал классической конструкции кулачкового типа имеет кулачки управления впускными и выпускными клапанами и опорные шейки. На валу может располагаться шестерёнка привода масляного насоса и распределителя зажигания и эксцентрик привода топливного насоса карбюраторных двигателей. Валы изготавливаются из сталей методом штамповки или отливаются из высокопрочного чугуна, легированного хромом, никелем, молибденом и др. металлами. Шейки и кулачки вала шлифуются и подвергаются закалке отбеливанием или токами высокой частоты. Опорными шейками вал устанавливается в опорах (подшипниках скольжения) и закрепляется крышками. Опоры и крышки опор могут быть объединены между собой в корпус подшипников распределительного вала. От осевого перемещения распределительный вал удерживается упорным подшипником. Смазка опор осуществляется под давлением.

Масло в подшипник поступает по каналам, выполненным в опорах и/или в самом валу. Кулачки смазываются принудительно (под давлением) или разбрызгиванием. Распределительный вал приводится в движение от коленчатого вала двигателя зубчатым ремнём, цепью или зубчатой передачей (шестернями).
Передаточное отношение шестерён (звёздочек) коленчатого и распределительного валов равна двум (т.е. скорость вращения коленчатого вала в два раза выше, чем распределительного). Звёздочки и зубчатые шестерни валов имеют установочные метки, именуемые метками фаз газораспределения. При сборке двигателя валы двигателя должны быть установлены строго по этим меткам.
Цепной и ременный привод РВ имеют систему натяжения цепи (ремня).
Детали клапанной группы.
К деталям клапанной группы относятся впускные и выпускные клапаны, сёдла клапанов, направляющие втулки клапанов со стопорными кольцами и уплотнениями клапана (сальниками клапана), клапанные пружины, тарелки, шайбы и конические разрезные «сухари».
Клапаны. Основными элементами клапана являются головка и стержень. Клапаны изготавливаются из прутковой стали способом её высадки. Для изготовления впускного клапана применяют хромистую или хромокремнистую сталь. Выпускные клапаны работают в условиях высоких температур, и во избежание быстрого выгорания производятся из жаропрочных сильхромовых или хромоникельмарганцовистых сталей. При этом стержень и головка выпускных клапанов может изготавливаться из разных сталей и соединяться между собой сваркой. Стержень выпускного клапана иногда делается полый. Полость заполняется жидким металлическим натрием, который при работе клапана способствует переносу тепла от сильно нагретой головки клапана в стержень. Поверхность стержня шлифуют и иногда хромируют для повышения износоустойчивости. Рабочей поверхностью тарелки (фаской) клапан плотно прилегает к седлу, запрессованному в головку блока цилиндров.
Сёдла клапанов для алюминиевых головок блока выполняются из жаропрочного чугуна (реже стали) и устанавливаются в головку с натягом 0,09 – 0,12 мм с последующей завальцовкой материала головки на седло. Неплотная посадка клапана в седле, является основной причиной его выхода из строя (прогорания) и разгерметизации камеры сгорания.
Направляющие втулки клапанов изготавливаются из чугуна, бронзы или металлокерамики и запрессовываются в головку цилиндров блока (или в блок цилиндров, при нижнем размещении клапанов) с натягом 0,04 – 0,08 мм. Через направляющую втулку проходит стержень клапана. Втулка может иметь посадочный поясок для установки сальника клапана (маслосъёмного колпачка), уплотняющего стержень клапана и предотвращающего попадание излишек масла по стержню клапана в камеру сгорания. При этом для улучшения смазки стержня клапана, по внутренней поверхности направляющей втулки выполняют спиральную канавку («резьбу») с шагом 2 – 3 мм, в которой удерживается масло. Зазор между стержнем клапана и втулкой регламентируется изготовителем и для большинства двигателей устанавливается в пределах 0,04 – 0,08мм у впускных клапанов и 0,06 – 0,12мм у выпускных.
Пружины клапанов возвращают клапан на седло после снятия с него нагрузки от кулачка распределительного вала, удерживают клапан в закрытом положении, обеспечивая его плотную посадку в седле, и предотвращают разрыв кинематической связи между передаточными деталями и клапаном. На один клапан устанавливается одна или две пружины (внутренняя – малая, и наружная – большая). Витки большой и малой пружин имеют противоположную навивку. Пружина надевается на стержень клапана и закрепляется на его конце через опорную тарелку с помощью разрезных конических сухарей.
Более 800 000 книг и аудиокниг! 📚
Получи 2 месяца Литрес Подписки в подарок и наслаждайся неограниченным чтением
ПОЛУЧИТЬ ПОДАРОКДанный текст является ознакомительным фрагментом.
Д. И. Оташехов
Просмотр ограничен
Смотрите доступные для ознакомления главы 👉