3.3.2 Гидравлический привод выключения сцепления с пневмогидроусилителем
Гидропривод обеспечивает более плавное нарастание силы трения между дисками сцепления, а пневмогидроусилитель привода служит для уменьшения усилия на педаль сцепления при выключении.
При нажатии на педаль 1 (рисунок 3.9) при выключении сцепления усилие от ноги водителя через рычаг и шток передается к главному цилиндру 2, откуда жидкость под давлением по трубопроводам 10 поступает в корпус следящего устройства 4, которое при этом обеспечивает пропуск сжатого воздуха, поступающего по воздухопроводу 5 в цилиндр пневмоусилителя 3. Одновременно от главного цилиндра жидкость под давлением поступает в рабочий гидравлический цилиндр 6 усилителя.

а – принципиальная схема соединения элементов привода; б – размещение и крепление элементов привода; 1 – педаль сцепления; 2 – главный цилиндр; 3 – цилиндр пневмоусилителя; 4 – следящее устройство пневмоусилителя; 5 – воздухопровод; 6 – рабочий гидравлический цилиндр; 7 – муфта выключения с подшипником; 8 – рычаг; 9 – шток; 10 – трубопроводы и шланги гидропривода
Рисунок 3.9 – Схема и привод управления сцеплением автомобилей КамАЗ
Следящее устройство, цилиндр пневмоусилителя и рабочий гидравлический цилиндр выполнены в одном агрегате – пневмогидравлическом усилителе.
Пневмогидравлический усилитель, используемый в сцеплении автомобилей КамАЗ, Урал с двигателями КамАЗ (рисунок 3.10), крепится двумя болтами к фланцу картера сцепления с правой стороны силового агрегата.
Корпус усилителя состоит из двух частей. Передняя (правая на рисунке 3.10) часть корпуса 14 выполнена из алюминиевого сплава, а задняя 5 – из чугуна. Между частями корпуса установлена прокладка, которая одновременно является диафрагмой 9 следящего устройства, размещенного над цилиндром пневматического усилителя.

1 – сферическая гайка с контргайкой; 2 – толкатель поршня выключения сцепления; 3 – защитный чехол; 4 – поршень выключения сцепления; 5 – задняя часть корпуса; 6 – комбинированное уплотнение; 7 – следящий поршень; 8 – перепускной клапан с колпачком; 9 – диафрагма следящего устройства; 10 – впускной клапан; 11 – выпускной клапан; 12 – пневматический поршень; 13 – пробка отверстия для слива конденсата; 14 – передняя часть корпуса; А – отверстие для подвода рабочей жидкости; Б – отверстие для подвода сжатого воздуха
Рисунок 3.10 – Пневмогидравлический усилитель
Следящее устройство обеспечивает автоматическое изменение давления воздуха на пневматический поршень 12 в зависимости от усилия нажатия на педаль сцепления. К основным частям следящего устройства относятся следящий поршень 7 с уплотнительной манжетой, впускной 10 и выпускной 11 клапаны, диафрагма 9 и пружины.
Когда педаль сцепления отпущена (сцепление включено), пневматический поршень 12 и поршень 4 выключения сцепления находятся в крайнем правом (переднем) положении (пневматический поршень занимает это положение под воздействием возвратной пружины). Давление в полости перед поршнем и за поршнем соответствует атмосферному. Положение поршня 4 выключения сцепления определяется упором его толкателя в днище пневматического поршня. В следящем устройстве при этом выпускной клапан 11 открыт, а впускной 10 закрыт.
При нажатии на педаль сцепления рабочая жидкость поступает под давлением к отверстию А, создавая давление в полости цилиндра выключения сцепления и у торца следящего поршня 7. Под давлением рабочей жидкости следящий поршень воздействует на клапанное устройство таким образом, что выпускной клапан 11 закрывается, а впускной 10 открывается, пропуская сжатый воздух, поступающий по трубопроводам к отверстию Б в корпусе пневмогидравлического усилителя. Под давлением сжатого воздуха пневматический поршень 12 перемещается, воздействуя на шток поршня. В результате на толкатель 2 поршня выключения сцепления 4 действует суммарное усилие, которое передаётся на вилку 10 (рисунок 3.6), вилка перемещает муфту 9. Подшипник муфты через упорное кольцо 11 давит на рычаги выключения 8 и нажимной диск 4 отходит от заднего ведомого диска 3. Одновременно средний ведущий диск 2 с помощью рычажного автоматического механизма, смонтированного на диске, занимает среднее положение. В результате этого передача крутящего момента от двигателя на первичный вал коробки передач или делителя прекращается.
При опускании педали давление перед следящим поршнем 7 падает, в результате в следящем устройстве перекрывается впускной и открывается выпускной клапан. Сжатый воздух из полости за пневматическим поршнем постепенно выходит в атмосферу, воздействие поршня на шток уменьшается и осуществляется плавное включение сцепления.
При отсутствии сжатого воздуха в пневматической системе сохраняется возможность управления сцеплением, так как выключение сцепления может быть осуществлено за счет давления только в гидравлической части усилителя. При этом усилие на педали, создаваемое водителем, должно быть около 600 Н (60 кгс).
Сцепление автомобиля Урал по общему устройству и работе аналогично сцеплению автомобиля КамАЗ, однако имеет некоторые конструктивные особенности.
Картер сцепления передней привалочной поверхностью соединяется с картером маховика, а к задней его части крепится картер коробки передач.
Для обеспечения возможности преодоления автомобилем брода глубиной до 1,5 м полость картера сцепления герметизируется. В нижней его части имеется крышка, в которой предусмотрено дренажное отверстие, перекрываемое пробкой при преодолении брода.
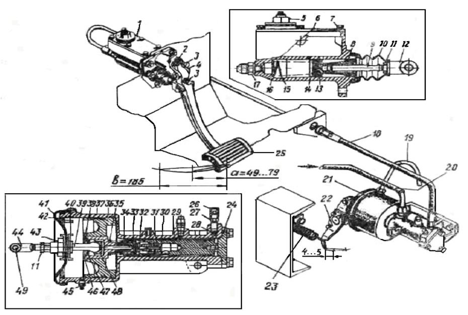
На автомобилях КрАЗ главный гидроцилиндр и пневмогидравлический усилитель имеют несколько иную конструкцию (рисунок 3.11).
При нажатии на педаль 25 давление жидкости, создаваемое поршнем 13, через трубопровод 18 передается к гидропоршню 30 и перемещает его. Впускной воздушный клапан 33, помещённый в гидропоршне 30, перемещается вместе с ним, упирается в хвостовик пневмопоршня 36, перекрывая атмосферное отверстие, и отжимает клапан 33 от седла 34. Сжатый воздух через зазоры между хвостовиком пневмопоршня 36 и седлом 34 поступает в полость пневмопоршня 36, перемещает его и через вилку 44 и рычаг 22 выключает сцепление. В исходное положение педаль 25 возвращается под действием пружины 2, а поршни – под действием нажимных пружин сцепления и возвратных пружин 15, 23 и 35. Сжатый воздух выходит в атмосферу через хвостовик поршня 36 и сапун 19.
В случае отсутствия воздуха в пневмосистеме привод будет чисто гидравлическим, но при этом значительно возрастает усилие на педали.

1 – главный цилиндр; 2 – оттяжная пружина педали; 3 – регулировочные болты; 4 – ось педали; 5 – пробка наливного отверстия; 6 – крышка; 7 – болт; 8 – манжета поршня; 9 – толкатель поршня; 10 – защитный колпак; 11 – контргайка; 12 – вилка толкателя; 13 – поршень главного цилиндра; 14 – манжета главного цилиндра; 15 – пружина возвратная; 16 – картер главного цилиндра; 17 – штуцер; 18 – гидропровод; 19 – сапун; 20 – воздухопровод; 21 – рабочий цилиндр; 22 – рычаг вала вилки выключения сцепления; 23 – возвратная пружина пневмопоршня; 24 – крышка рабочего цилиндра; 25 – педаль сцепления; 26 – защитный колпачок; 27 – клапан перепускной; 28 – шарик-клапан; 29 – кольцо уплотнительное; 30 – гидропоршень рабочего цилиндра; 31 – втулка направляющая впускного клапана; 32 – пружина впускного клапана; 33 – впускной клапан; 34 – седло впускного клапана; 35 – пружина возвратная гидропоршня; 36 – пневмопоршень рабочего цилиндра; 37 – корпус рабочего цилиндра; 38 – стопорное кольцо; 39 – шток пневмопоршня; 40 – шайба; 41 – защитный колпак; 42 – кольцо ограничительное; 43 – гайка крепления защитного колпака; 44 – вилка штока; 45 – маслёнка; 46 – втулка пневмопоршня; 47 – сухарь штока; 48 – опора штока; 49 – палец; а – свободный ход педали сцепления; в – полный ход педали сцепления
Рисунок 3.11 – Привод выключения сцепления автомобилей КрАЗ
Более 800 000 книг и аудиокниг! 📚
Получи 2 месяца Литрес Подписки в подарок и наслаждайся неограниченным чтением
ПОЛУЧИТЬ ПОДАРОКДанный текст является ознакомительным фрагментом.