2.1.2 Конвективный способ сушки
В пищеконцентратной промышленности для сушки продуктов конвективным способом, в основном, используют сушилки трех типов: конвейерные ленточные, «Эврика» и ВИС-42Д.
Конвейерные ленточные сушилки выпускают нескольких размеров, определяемых рабочей поверхностью транспортных лент, которая может быть 15, 30, 45 и 90 м2. Ширина лент первых двух типов сушилок 1250 мм, ширина лент двух последних типов – 2000 мм. Количество лент в каждой сушилке 4–5, причем при пяти лентах последняя не оборудована калориферами и предназначена для охлаждения высушенного продукта. Пятиленточная конвейерная сушилка СПК-4Г-45 (рисунок 1) состоит из 5 ленточных транспортеров, оборудованных специальными плетеными лентами из нержавеющей стальной проволоки.

1 – привод сушилки; 2 – каркас; 3 – паропровод к калориферам; 4 – наклонный транспортер; 5 – вытяжное устройство
Рисунок 1 – Пятиленточная конвейерная сушилка СПК-4Г-45
Транспортеры расположены один над другим, так что с верхнего продукт может быть пересыпан на нижележащий. Между верхней и нижней лентами транспортера вставлены ребристые трубы (калориферы), служащие для нагревания воздуха, идущего снизу вверх. Устройство нагревательных калориферов внутри самой сушильной камеры и возможность нагрева воздуха перед каждой лентой выгодно отличает эти сушилки от других конструкций.
Однако такое расположение калориферов создает некоторые неудобства при эксплуатации сушилок. Продукт, находящийся на ленте, частично просыпается через нее и засоряет калориферы. Попадая на калориферы, продукт, особенно мучель, спекается в пленку, что понижает отдачу тепла калориферами. Для предохранения калориферов от загрязнения над ними устраивают козырьки, но это нарушает движение воздушных потоков, что также отражается на производительности сушилки.
Установленные одна над другой транспортерные ленты с калориферами заключены в общую металлическую камеру, так что воздух, подаваемый под последнюю ленту, может подняться, только пронизав поочередно все ленты от нижней до верхней. Если такое движение воздуха нарушается, сушилка будет работать ненормально, со значительным снижением к.п.д.
Постепенно насыщаясь влагой, воздух перед каждой лентой подогревается, проходя ряд калориферов, что снижает его относительную влажность и делает более качественным как сушильный агент. Это также является выгодной особенностью данных сушилок.
Воздух в сушилку подают под последнюю ленту специальным вентилятором. Нагретый за счет охлаждаемого продукта на пятой ленте, он, проходя через ребристые калориферы, нагревается еще и пронизывает продукт, находящийся на четвертой ленте, и т.д., до прохода через первую ленту, после чего его собирают в зонт над сушилкой и специальным вентилятором выбрасывают наружу.
В некоторых случаях целесообразно часть воздуха возвращать под первую или вторую ленты (так называемая работа с рециркуляцией воздуха). Во время работы продукт, находящийся на первой ленте, при ее движении все время ссыпается на вторую ленту, со второй – на третью, с третьей – на четвертую и с четвертой – на пятую.
Высушенный и охлажденный продукт с пятой ленты поступает на сборный транспортер, который направляет его на следующий процесс. При работе сушилки необходимо следить за равномерной укладкой (ровным слоем) продукта на ленты. Свободные от продукта места на ленте являются зонами «холостого» прохода воздуха, что резко снижает к.п.д. сушилки. Производительность ленточных сушилок при сушке крупы может быть принята следующей: тридцатиметровой (СПК-30) – 150 кг, сорокапятиметровой (СПК-45) – 225 кг, девяностометровой (СПК-90) – 450 кг напаренной влаги в час. Расход пара на 1 кг испаренной влаги от 2,1 до 2,2 кг. Расход электроэнергии 80 Вт.
Вареные крупы и зернобобовые сушат также на сушилках «Эврика» шахтного типа. Сушилка «Эврика» (рисунок 2) выполнена из двух цилиндров различного диаметра, вставленных один в другой.
Внутренний цилиндр изготавливают из перфорированной листовой нержавеющей стали, с отверстиями размером менее диаметра отдельных крупинок высушиваемого продукта. Внешний цилиндр образуется набором жалюзи, изготовленных из конусных колец шириной 175 мм, выполненных из нержавеющей стали. Образующееся между цилиндрами пространство от 50 до 75 мм представляет собой сушильную камеру, в которой продукт движется сверху вниз. Высота сушилки 9,5 м, наружный диаметр 1,2 м.
Продукт по пути движения пронизывается нагретым в отдельно стоящем калорифере воздухом, поступающим во внутренний цилиндр, и в нижней части сушилки выгружается специальным устройством. Отработавший воздух из сушилки выбрасывается в помещение, где установлена сушилка, и оттуда удаляется в атмосферу вентилятором.

Рисунок 2 – Схема сушилки «Эврика»
Сушилка типа «Эврика» является экономичным аппаратом. Расход пара на 1 кг испаренной влаги составляет в ней от 1,8 до 2,0 кг. Температура воздуха, поступающего в сушилку, от 75 °C до 80 °C, потребная мощность для устройства выгрузки около 0,6 кВт. Производительность сушилки 350 кг сушеной крупы в час.
Однако сушилка имеет ряд недостатков, которые препятствуют ее широкому распространению. К этим недостаткам относится зависание продукта в сушильной шахте вследствие образования комков и налипания материала на жалюзи, что требует периодической очистки таких участков. Из-за этого, невозможно заключить сушилку в специальный корпус и осуществить организованное удаление из нее влажного воздуха. Кроме того, продолжительность сушки вареных круп в этой сушилке в 3-4 раза больше, чем в ленточных конвейерных сушилках. Выше и трудоемкость ее обслуживания.
Для сушки вареных круп и сухого картофельного пюре используют шахтные сушилки ВИС-42Д (рисунок 3).
Шахтная сушилка состоит из каркаса, образующего камеру сушилки, на котором закреплены 20 полок. Полка представляет собой 16 пластин, каждая из них соединена общей тягой. При помощи тяг полки поворачиваются на угол до 90 °. При повороте пластин продукт перемещается с одной полки на другую.
В верхней части шахты для загрузки продукта установлены загрузочная течка, ленточный дозатор и загрузочная каретка.
Все процессы загрузки, перемещения и выгрузки продукта в сушилке ВИС-42Д производятся автоматически.
С торцовых сторон камеры шахты проходят воздушные каналы. Для подогрева и нагнетания воздуха сушилка оборудована вентилятором и калорифером. Сушильная камера термоизолирована. Процесс работы на сушилке ВИС42Д заключается в следующем. Продукт через загрузочную воронку при помощи ленточного дозатора попадает на загрузочную каретку, которая равномерно распределяет его по верхней полке. В процессе сушки крупа последовательно передается с одной полки на другую, и по мере ее продвижения сверху вниз снижается ее влажность.
Сушка продукта производится нагретым воздухом, проходящим из канала вдоль полок.
Высушенная крупа с нижней полки ссыпается в выгрузочную воронку, а оттуда транспортными механизмами передается на следующий процесс.

1 – правая коробка; 2 – левая коробка; 3 – рама с пластинами; 4 – приводная станция; 5 – колонка приводной станции; 6 – рамка разгрузочная; 7 – загрузочная каретка; 8 – загрузочный аппарат; 9 – выгрузочная колонка; 10 – узел подачи воздуха; 11 – торцевые двери; 12 – площадка с лестницей
Рисунок 3 – Сушилка ВИС-42Д
В настоящее время в сушильной практике наметилась тенденция отказа от использования для круп ленточных конвейерных сушилок, сушилок «Эврика» и ВИС-42Д, сушка на которых является классическим примером конвективного способа, и внедрения в практику сушки вареных круп в псевдоожиженном слое, виброкипящем слое, вихревой сушки, так как эти способы дают возможность полнее использовать преимущества конвективного способа сушки.
Исследованиями Г. Я. Маслобоева и П. В. Серегина на примере сушки гречневой крупы было установлено, что оптимальная температура сушильного агента должна быть не более 150 °C, так как более высокая температура вызывает побурение продукта. Получаемая крупа отличалась высоким качеством, так коэффициент ее набухаемости был равен 2,5 вместо 2,3 для крупы, высушенной в сушилке «Эврика», длительность разваривания – 12 минут вместо 20 минут. Расход тепла на 1 кг испаренной влаги составил от 4168 до 5360 кДж, в то время как расход тепла в сушилке «Эврика» составляет 6126 кДж.
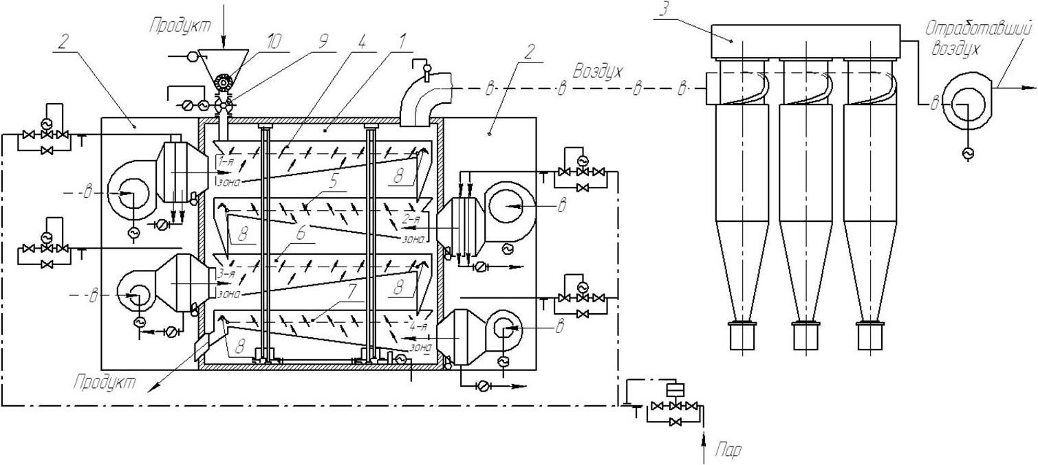
Для сушки круп в виброкипящем слое используют установку А1-КВР (рисунок 4) которая состоит из сушильной камеры 1, двух вентиляционнокалориферных станций 2 и батареи циклонов 3. Сушильная камера конструктивно представляет собой прямоугольный металлический каркас с теплоизоляционными и звукоизоляционными панелями и дверями, в которых смонтированы смотровые окна.
В сушильной камере горизонтально расположены четыре металлических короба, попарно (4 и 6, 5 и 7) смонтированных на вертикальных рамах, кинематически связанных с виброприводом. Рамы подвесок колеблются в вертикальной плоскости с амплитудой 8 мм (размах 16 мм) и частотой 450 колебаний в минуту. Поворачивая эксцентриковые втулки и меняя шкив на электродвигателе, амплитуду колебаний можно изменить в пределах от 3 до 8 мм, а частоту – от 450 до 570 колебаний в минуту.
Сушильные короба имеют перфорированные решета, поворотные щитки, при помощи которых регулируется распределение подогретого воздуха под решетами. Высота слоя продукта на решете не должна превышать 100 мм. Регулируется высота поворотным порогом 8, который установлен в коробе в конце решета. Изменение скорости движения продукта вдоль решета достигается путем перемены угла наклона порога.
На сушильной камере смонтирован роторный барабанный питатель 9, обеспечивающий равномерную загрузку сушилки сырым продуктом и регулировку подачи. В бункере питателя установлен ворошитель типа «беличье колесо» 10. Передача от электродвигателя на питатель и ворошитель осуществляется через вариатор и червячный редуктор.
Для улавливания мелких частиц продукта, уносимых в атмосферу отработавшим воздухом, на сушильных коробах на шарнирах установлены сетчатые крышки, очистка воздуха осуществляется также и в батарее циклонов.
Вентиляционно-калориферные станции смонтированы в торцах сушильной камеры и предназначены для подогрева и подачи горячего воздуха. Каждая из них имеет вентиляторы, калориферы, пароводоконденсатопроводную аппаратуру. Одна станция обеспечивает 1-ю и 3-ю зоны, вторая – 2-ю и 4-ю зоны сушки. Необходимое количество холодного воздуха, подаваемого в калориферы для подогрева, регулируется шлюзами с ручным приводом, установленными на всасывающих патрубках вентиляторов.
Для поглощения вибрации весь сушильный комплекс установлен на 12 виброизолирующих опорах марки ОВ-31.
Контроль технологического процесса сушки и управление им осуществляются автоматически контрольно-измерительными приборами и регулирующей аппаратурой по следующей схеме:
1) контроль и автоматическое регулирование температуры воздуха, подаваемого в каждую зону, и контроль температуры отработавшего воздуха;
2) контроль давления пара, подаваемого в калориферы каждой зоны, и контроль давления отработавшего пара;

1 – сушильная камера; 2 – вентиляционно-калориферная станция; 3 – батарея циклонов; 4, 5, 6, 7 – металлические короба; 8 – поворотный порог; 9 – роторный барабанный питатель; 10 – ворошитель типа «беличье колесо»
Рисунок 4 – Схема сушилки А1-КВР
3) сигнализация верхнего уровня продукта в загрузочном бункере;
4) дистанционный контроль частоты вращения питателя;
5) дистанционное управление приводом вентиляторов, вибратора и питателя;
6) автоматическое регулирование давления пара;
7) контроль и регулирование температуры воздуха, подаваемого в сушилку и температуры отработавшего воздуха.
Общий расход пара составляет 1725 кг/ч, а удельный расход воздуха на испарение влаги 107 кг/ч. Производительность по испаренной влаге до 500 кг/ч. Техническая последовательность работы сушилки А1-КВР. Сырой продукт поступает в сушилку через загрузочный питатель. После накопления продукта на первом решете крупа, подталкиваемая следующим потоком, перемещается вдоль решетки и, достигнув заданного уровня, через течку пересыпается на второе решето (сито), затем – на третье и четвертое.
Воздушный поток одновременно с вертикальными вибрациями доводят продукт до псевдоожиженного состояния. Частицы крупы в виброкипящем слое перемешиваются и равномерно омываются сушильным агентом (горячим воздухом). Благодаря этому интенсифицируется процесс сушки.
Производительность и время нахождения продукта в сушильной камере регулируются изменением частоты вращения питателя и высоты порогов.
Через порог четвертого решета продукт поступает на вибролоток и им выводится из сушильной камеры.
Для передачи крупы на плющение после предварительной сушки в 1-й зоне в переходном патрубке сушильного короба имеется направляющая заслонка; при повороте ее крупа с короба 1-й зоны поступает в вибролоток, а им выводится из камеры. В верхней части сушильной камеры установлен лоток для приема крупы от плющильной машины и подачи ее на 2-ю зону сушки.
Для сушки отваров круп и экстракта кофе в пищеконцентратной промышленности используют распылительные сушилки.
Процесс сушки на распылительных сушилках легко автоматизируется, поэтому такие сушилки не требуют большого числа обслуживающих. Процесс протекает очень быстро, что способствует сохранению исходных свойств продукта. При этом следует иметь в виду, что при высокой температуре сушильного агента (от 150 °C до 220 °C) продукт при испарении влаги имеет температуру, близкую к температуре испарения воды, и после сушки, транспортируясь из камеры, не успевает нагреваться.
По своему характеру процесс сушки продукта в распылительной сушилке является конвективным, при котором используются значительно большие количества воздуха, чем в сушилках, описанных выше, а продукт благодаря распылению имеет огромную площадь испарения, что сильно интенсифицирует процесс сушки.
Распылительная установка, как правило, состоит из сушильной камеры, распылительного механизма, воздушного фильтра, калорифера для нагрева воздуха, очистителей отработавшего воздуха и системы нагнетательных и отсасывающих вентиляторов.
Различают распылительные сушилки, работающие с пневматическим и центробежным распылителем продукта. По способу подачи воздуха они бывают параллельные, противоточные и комбинированные, по типу очистителей воздуха – с мешочными фильтрами и с циклонами.
Камера сушилок при центробежном распылении обычно цилиндрическая, при пневматическом – с коническим основанием. Центробежная распылительная сушилка типа «Нема» (рисунок 5) представляет собой сушильную цилиндрическую башню 1 диаметром 4500 мм, высотой 4500 мм. Наружная и внутренняя стенка башни выполнены из металла (внутренняя – из листовой нержавеющей стали). Между стенками имеется теплоизоляционный слой из шлаковой ваты толщиной 70 мм.
Башня имеет два тангенционных ввода 2 для горячего воздуха, расположенных в нижней зоне, и выводное отверстие для отработавшего воздуха в верхнем перекрытии 3. Пол башни обычно выстилают метлахской плиткой. В башне сушильной установки во время работы всегда повышенная температура, а в самом низу и пониженная влажность воздуха. Это приводит к тому, что метлахские плитки, уложенные на цементном растворе, держатся плохо и часто сбиваются с места очистительным механизмом.
В центре пола имеется отверстие для распылительного механизма и прямоугольное отверстие, идущее от центра к периферии, для выгрузки сухого продукта. Внутри башни установлена паровая турбина 4 с распылительным диском 5 и уборочный вращающийся механизм 6, которым высушенный продукт, накапливаемый на полу башни, подается к разгрузочному отверстию. Башня оборудована дверью со смотровым стеклом, через которое наблюдают за процессом сушки.
Мощность установленной паровой турбины 8,09 кВт, частота вращения вала турбины 8000 об/мин при давлении свежего пара на входе в турбину 0,7 МПа и противодавление 0,02 МПа.
Распылительный диск, являющийся основным рабочим механизмом, находится на вертикальном валу турбины на высоте 1850 мм от пола башни. Он изготовлен из нержавеющей стали, имеет верхнее отверстие для подачи продукта и пять расположенных по периферии цилиндрических форсунок с внутренним диаметром 8 мм.
Сверху на башне установлен напорный бачок 7 емкостью 200 л, в который с помощью центробежного насоса подают отвар из сборниковподогревателей. Напорный бачок имеет переливную трубу, соединенную с подогревателем, через которую излишек отвара сливается обратно в сборникподогреватель. На распылительный диск отвар подается из напорного бачка червячным насосом с резиновым статором.
Воздух, используемый для сушки, фильтруется в металлическом фильтре, состоящем из кассет, смазанных висциновым маслом. Коэффициент очистки воздуха от пыли в фильтре от 94 % до 96 % при производительности 14400 м3/ч.

1 – сушильная цилиндрическая башня; 2 – тангенционный ввод; 3 – верхнее перекрытие; 4 – паровая турбина; 5 – распылительный диск; 6 – уборочный вращающийся механизм; 7 – напорный бачок; 8 – рукавный фильтр; 9 – шнек; 10 – сито; 11 – вентилятор
Рисунок 5 – Распылительная сушилка «Нема»
Калориферы для нагрева воздуха состоят из семи последовательно расположенных секций.
Первая секция (по ходу воздуха) обогревается конденсатом, вторая и третья – отработавшим паром после турбины, остальные – паром давлением 0,7 МПа.
Каждый калорифер рассчитан на прохождение 7200 м3 воздуха в час при начальной температуре 15 °C и конечной температуре 140 °C. Общая мощность электродвигателей сушильной установки 22,3 кВт. Проектная производительность сушилки (при сушке молока) 300 кг испаренной влаги в час. Производительность сушильной установки при сушке отвара круп равна 400 кг испаренной влаги в час. Расход воздуха на 1 кг испаренной влаги 3,80 м3.
После запуска сушильной установки, который производится по специальной инструкции, прилагаемой к техническому паспорту, и достижения заданной температуры поступающего в башню воздуха в напорный бачок из сборников-подогревателей подается нагретый до 90 °C жидкий продукт. Необходимо обеспечить постоянство уровня продукта в напорном бачке, что достигается устройством переливной трубы, по которой излишек поступающего продукта возвращается в сборники. Из напорного бачка продукт червячным насосом подается на распыливающий диск, частота вращения которого 8000 об/мин. Под действием центробежной силы продукт непрерывно перемещается к краю диска и через форсунки сбрасывается в виде мелких капель (тумана) в сушильную камеру. Подхватываемый поступающим горячим воздухом туман быстро отдает влагу, и сухие частицы продукта уносятся в фильтр, где оседают. Наиболее крупные высохшие частицы оседают на дно башни, откуда их уборочным механизмом удаляют в приемный шнек 9. Собранный в фильтре 8 продукт попадает в шнек 9 и подается им на охлаждающее сито 10, где помимо охлаждения происходит отделение комочков.
Некоторые частицы продукта, не успев высохнуть, долетают до стен башни, где оседают и высыхают.
Сухой продукт, получаемый на стенках башни, по качеству ниже обычного, и процесс сушки следует вести так, чтобы его было минимальное количество. Это зависит в первую очередь от дисперсности жидкого продукта, поступающего на сушку, его температуры и от работы распылительного диска. Необходимо, чтобы диск вращался без вибрации, внутренняя часть его, соприкасающаяся с продуктом, была гладкой, продукт на диск подавался равномерно. Снижение частоты вращения диска недопустимо. В этом случае жидкость зальет сушильную башню.
Часовой расход пара на нагрев воздуха на сушильной установке «Нема» 1325 кг/ч. Из сушильной башни отработавший воздух направляется в рукавный фильтр 8. Просасывание воздуха через сушильную систему производится с помощью главного вентилятора 11, присоединенного к выходным патрубкам рукавного фильтра.
Для сушки экстракта кофе используют пневматические распылительные сушилки форсуночного типа «Ниро Атомайзер». Сушильная установка (рисунок 6) состоит из сушильной башни 1, воздухонагревателя 2, приточного и вытяжного вентиляторов (на схеме не показаны). Продукт распыляют в башне с помощью форсунки 3, воздух подают в башню сверху параллельно продукту (прямоточный тип подачи воздуха). Сушильная башня выполнена из ряда сварных цилиндрических секций из нержавеющей стали. Нижняя часть башни имеет коническую форму. Корпус сушильной башни термоизолирован и снаружи покрыт листовым алюминием. Башня оборудована люком и смотровыми окнами с подсветом.
Для очистки башни имеется специальная платформа. Она опускается и поднимается тельфером. Горячий воздух получают в прямоточном воздухонагревателе косвенного подогрева, где воздух нагревается сжигаемым в газовых форсунках газом. Горячий воздух смешивается до нужной температуры с холодным воздухом и подается в сушильную башню. На конусной части башни укреплены электромагнитные молотки для облегчения сброса продукта в конус башни. Внизу конус заканчивается виброситом 4 с виброохладителем. Отработавший воздух из башни эвакуируется вытяжным вентилятором через циклон 5, где осаждается захватываемый воздухом мелкий порошок продукта. Производительность по высушенному продукту (влажность 3 %) 125 кг/ч. Расход воздуха на 1 кг испаренной влаги 3,7 м3. Температура воздуха на входе в сушилку 230 °C, на выходе из сушилки – 110 °C. Производительность по испаренной влаге от 270 до 280 кг/ч.

1 – сушильная башня; 2 – воздухонагреватель; 3 – форсунка; 4 – вибросито; 5 – циклон
Рисунок 6 – Распылительная сушильная установка «Ниро Атомайзер»
Более 800 000 книг и аудиокниг! 📚
Получи 2 месяца Литрес Подписки в подарок и наслаждайся неограниченным чтением
ПОЛУЧИТЬ ПОДАРОКДанный текст является ознакомительным фрагментом.