1.5 Методы демографии
Некоторые демографию определяют как вспомогательную общественную науку о закономерностях воспроизводства населения в общественно-исторической обусловленности этого процесса. Правда, в статье о месте демографии среди общественных наук Бродель справедливо замечает, что все общественные науки являются вспомогательными для главного -- всестороннего описания состояния и развития человечества [90]. Но из всех наук об обществе именно демография более всего имеет дело с числами, с количественным описанием населения. Демография представляет нам конкретные данные о числе людей, их распределении по возрасту и полу, статистике рождений и смертей, миграции населения во всех странах. Для расчета роста населения в демографии развиты мощные численные методы, позволяющие в линейном приближении экстраполировать рост на одно -- максимум два поколения вперед. При этом мир разбивается на регионы и страны, следующие определенным сценариям роста. На основе таких расчетов, проведенных ООН, можно выяснить, например, что к 2025 г. в Буркина-Фасо (Верхняя Вольта) будет жить 37000 мужчин старше 80 лет [70]. В 10-й главе нами обсуждены результаты расчетов, а на рис. 10.2 показана реакция роста населения на события истории СССР и России.
Интересную разработку долговременного прогноза населения Земли и ее основных регионов, основанную на различных сценариях развития, предпринял А.В. Акимов, используя комплексный демографический подход [71]. Однако даже при столь детальном подходе такими методами трудно описать развитие человечества за сколько-нибудь длительный срок и на большой территории. Из-за деревьев демографических данных, сведений, доведенных чуть ли не до уровня отдельного человека, не видно леса, панорамы всех людей, населяющих нашу планету.
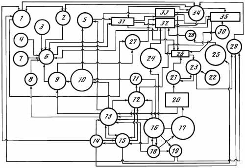
Для обсуждения структуры демографической системы поучительно обратиться к диаграмме, представляющей связи между факторами, от которых зависит рост населения, и их сложную подчиненность и взаимозависимость (рис.1.3).

Рис 1.3 Связи факторов, определяющих рост популяции
1--здравоохранение, 2--длительность жизни, 3--плодовитость, 4--детская смертность, 5--детоубийство, 6--рождаемость, 7--стерильность, 8--брачность, 9--пренатальный контроль рождаемости, 10--оптимальное детское жизненное пространство, 11--женская занятость, 12--групповая мобильность, 13--размер группы, 14--стандарт жизни, 15--социокультурная система и образование, 16--производящая технология, 17--продуктивность, 18--ресурсы, 19--диета, 20--потенциальный максимум популяции, 21--миграция, 22--территория, 23--плотность населения, 24--профессиональная смертность, 25--милитаризм, 26--популяция, 27--материнская смертность, 28--война, 29--болезни и эпидемии, 30--убийство стариков, 31--дорепродуктивная численность, 32--мужчины и 33--женщины репродуктивного возраста, 34--естественная смертность, 35--пострепродуктивная численность
Развитие подобного подхода при построении модели уже для количественных расчетов привело к схеме, показанной на рис. 1.4. На этой сетевой диаграмме введены коэффициенты, описывающие связи между разными факторами, определяющими результирующий рост населения. Коэффициенты определены на основании обследования 216 регионов 51 развивающейся страны [78]. Однако трудно представить, что, введя все эти усредненные параметры в компьютер, можно с достаточной достоверностью предсказать воспроизводство населения. Вопрос не только в репрезентативности -- точность данных не может соответствовать трехзначным цифрам, подразумевающим погрешность не более 1%! Не ставится вопрос ни о шуме, ни об устойчивости и сходимости таких расчетов. Даже в линейном приближении коэффициенты должны быть представлены в виде интегро-дифференциальных операторов, учитывающих влияние скорости и инерции -- последействия и запаздывания в связях.
Первоначально к подобным методам обращались при исследовании динамики механических систем, таких как самолет, полет ракеты в автоматическом режиме или открытые системы химического производства [154]. Опыт показывает, что даже в этих случаях требуются весьма подробные экспериментальные исследования для определения параметров модели и тонкие расчеты, для того чтобы получить результаты, полезные на деле. Но такие системы и по числу параметров, определяющих их поведение, и по сложности процессов и связей представляются элементарными по сравнению с демографической системой.

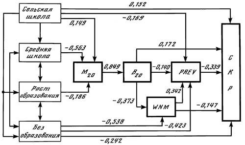
рис 1.4 Сетевая схема, призванная описать факторы, влияющие на рождаемость и рост населения.
СКР -- суммарный коэффициент рождаемости, WNM -- нежелание иметь детей
В случае человечества оказывается трудным, а по существу, невозможным, дать подходящее описание роста путем сведения поведения сложной системы к процессам, происходящим на более элементарном уровне. И уже совершенно невозможно описание нестационарного глобального демографического перехода в рамках редукционистской программы, при последовательном восхождении от элементарного уровня к более сложному. Первоначально такой подход для глобальной динамики был предложен Форрестером [105], а затем развит Медоузом в первом докладе Римского клуба "Пределы роста" [104] См. п. 9.3.
Основную пользу сетевых диаграмм следует видеть в наглядном представлении сложности объекта. Диаграмма также может помочь при обсуждении свойств системы, при выделении главных факторов и выяснении их взаимного подчинения. Так выясняется, что основными факторами, определяющими число детей, оказываются желание женщины и ее образовательный ценз, что, впрочем, представляется понятным и вне контекста схемы. Крайне мало вероятно, что уточнение и дальнейшее развитие такого подхода может привести к модели, описывающей все человечество во все времена.
Это происходит и потому, что такие понятия, как рождаемость и смертность, далеко не элементарны, а на феноменологическом уровене обобщают в вероятностных и статистических показателях множество факторов. Наконец, в сложной системе все связи и взаимодействия большей частью нелинейны и не допускают суммирования и тем самым введения линейных причинно-следственных связей, т.е. непосредственного перехода от частного к общему. Поэтому следует отказаться от описания частностей в поведении демографической системы и перейти на следующий уровень агрегации. Для этого надо принципиально изменить точку зрения и методы исследования.
Более 800 000 книг и аудиокниг! 📚
Получи 2 месяца Литрес Подписки в подарок и наслаждайся неограниченным чтением
ПОЛУЧИТЬ ПОДАРОК