ЗАОЧНАЯ ШКОЛА РАДИОЭЛЕКТРОНИКИ Поверь ушам своим

В том, что стереозвук — это хорошо, убеждать никого не надо. Но по радио он звучит только в УКВ-диапазоне. В области от коротких до длинных волн, у которых немало поклонников, стереофонических передач нет. Магнитные кассеты и CD-диски выпускаются только со стереозаписью, есть еще множество малогабаритных магнитол, которые воспроизводят и записывают лишь моно, и все же…

Вспомним особенности нашего слуха и принцип действия стереофонического устройства. Когда мы слушаем в зале концерт некоего оркестра, звучание инструментов, находящихся левее и правее нас, воспринимается ухом несколько по-разному, что и создает стереофоническую картину. Чтобы повторить такой эффект, на магнитную ленту одновременно записывают звук на две дорожки, но с микрофонов, расположенных у левого и правого крыла группы исполнителей.

Стереоэффект при последующем воспроизведении обеспечивается двухдорожечной магнитной головкой, сигналы с которой поступают раздельно на усилители «левого» и «правого»; каждый из них работает на свою динамическую головку. Они разносятся на некоторое расстояние левее и правее слушателя. Если мы располагаем только одним каналом, на вход которого поступает монофонический сигнал, а на выходе всего одна динамическая головка, второй канал можно создать искусственно, добавив еще одну «облегченную» головку. Электрическая схема такого акустического выхода достаточно проста (рис. 1).

К выходному трансформатору Т1 усилителя звуковых частот А1 присоединена встроенная в аппарат динамическая головка ВА1; параллельно ей через конденсатор С1 подключена выносная головка ВА2. Секрет в том, что головки должны иметь существенно различные частотные характеристики. Так, обычный динамик чаще всего широкополостный, и потому дополнительному следует быть «пищалкой», с диапазоном, смещенным в сторону более высоких частот. Например, типа 0,5ГДШ-26-8. Пусть первый излучатель ВА1 находится от нас слева, а дополнительный ВА2 — справа; тогда при исполнении виртуозной мелодии возникает интересный эффект: кажется, что начало музыкальной фразы берет музыкант слева, а продолжает ее другой музыкант — справа. Впечатление такое, словно исполнители «перекидывают» мелодию, как мячик, от одного к другому.

Конечно, это упрощенный пересказ эффекта, на самом деле он насыщен множеством нюансов. При единственном реальном канале возникает отчетливая стереофоническая картина. Такое явление называют псевдостереофонией.

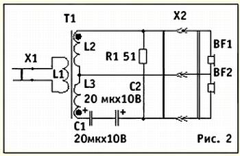
Роль конденсатора С1 в схеме на рисунке 2 — ограничить доступ низких частот в звуковой тракт «пищалки».  Конденсатор желательно взять неполярный, типа К52-8. Указанный на схеме номинал емкости — ориентировочный, его следует подобрать применительно к используемым вами звукоизлучателям.

Тем, кого привлекает прослушивание псевдостереофонии на обычные стереонаушники, можем рекомендовать одну из радиолюбительских разработок, схема которой изображена на рисунке 2.

Приставка включается между гнездом для монофонического телефона, имеющимся у приемника, магнитофона, и стереопарой наушников BF1, BF2. В приставку входит согласующий трансформатор Т1, основой которого служит магнитопровод типа Ш14х16. Каждая из трех обмоток содержит по 150 витков провода ПЭВ-2 0,25, причем вторичные обмотки L2, L3 должны наматываться в одну сторону. Поскольку в стереопаре частотные характеристики телефонов практически одинаковы, для придания более высокочастотных свойств телефону BF2 в его цепь введены два одинаковых электролитических конденсатора С1 и С2, включенных встречно.

Ю. ПРОКОПЦЕВ

ПОПРАВКА

Уважаемые читатели! По техническим причинам схема в материале «…Даже в полной темноте!» («ЮТ» № 5 за 2005 г.) опубликована с ошибками. Приносим извинения и публикуем схему еще раз. Редакция.

* * *

ДОРОГИЕ ДРУЗЬЯ!

В «ЮТ» № 12 за 2004 г. мы объявили совместно с издательством «Аванта +» конкурс «Спорт».

ПОЗДРАВЛЯЕМ первыми приславших обстоятельные и правильные ответы:

Андрея Ткаченко из Новосибирска, Лешу Пенькова из Москвы, Свету Кузнецову из Ярославля, Егора Дегтярева из Перми, Яну Антонову из Хабаровска.

Каждый победитель получает красочно оформленный том энциклопедии «Спорт».

Более 800 000 книг и аудиокниг! 📚

Получи 2 месяца Литрес Подписки в подарок и наслаждайся неограниченным чтением

ПОЛУЧИТЬ ПОДАРОК