МОТОР И ВОЗДУШНЫЙ ВИНТ

Мотор — сердце самолета (рис. 9).

Рис. 9. Установка мотора и воздушного винта на самолете.

От надежности его работы зависит часто не только выполнение полета, но и его безопасность.

Самолетный мотор мало чем отличается по своему устройству от автомобильного мотора, но обыкновенно авиамотор более мощный. Общее устройство мотора видно на рис 10.

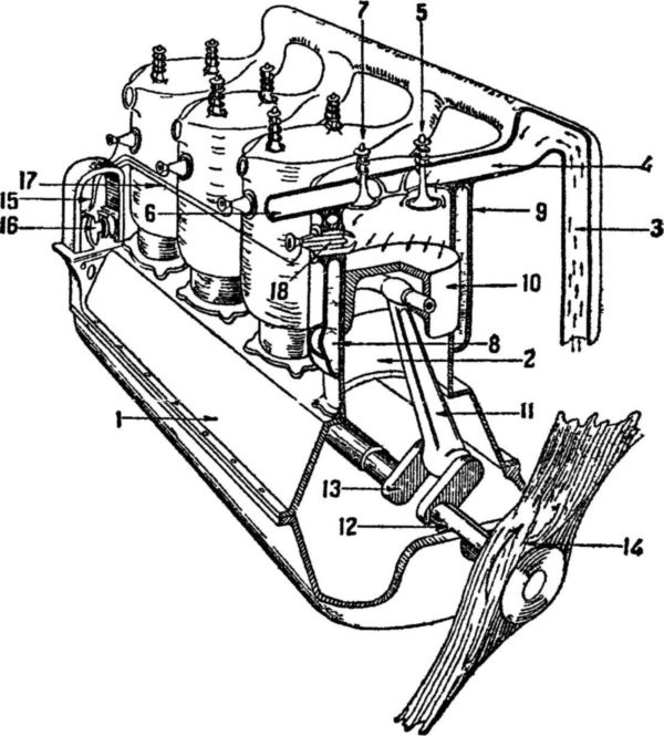
Рис. 10. Схема авиамотора. Для наглядности показаны только главные части и один цилиндр разрезан. 1 Картер. 2 Цилиндр. 3 Впускная труба. 4 Путь горючей смеси. 5 Впускной клапан. 6 Выпускная труба. 7 Выпускной клапан. 8 Вода для охлаждения цилиндра. 9 Водяная рубашка. 10 Поршень. 11 Шатун. 12 Коленчатый вал. 13 Колено вала. 14 Пропеллер. 15 Магнето. 16 Якорь магнето. 17 Электрические провода от магнето к свечам. 18 Свеча.

Главная часть мотора — это цилиндр, цилиндров обычно — несколько. Цилиндр делается из стали, внутри его двигается поршень, который своим шатуном соединен с коленчатым валом мотора. Значит, чтобы заставить вращаться вал, надо заставить двигаться шатун и поршень. Как же это делается?

В верхнем конце цилиндра есть два клапана, впускной и выпускной. Тут же есть особое приспособление для зажигания попадающего в цилиндр бензина (его паров); это приспособление называется зажигательной свечой.

Пусть в цилиндр через впускной клапан попадает смесь бензина с воздухом (горючая смесь). Если теперь заставить поршень двигаться, то он сожмет горючую смесь. Когда смесь достаточно сжата, внутри цилиндра на свече проскакивает электрическая искра. От искры горючая смесь воспламеняется и образуется много раскаленных газов, которые так сильно давят на поршень, что он приходит в движение, поршень своим шатуном толкает коленчатый вал, который приходит от этого во вращательное движение. Отработанные газы выпускаются из цилиндра через выпускной клапан а через впускной поступает новая порция горючей смеси. Она снова воспламеняется снова поршень толкает шатун и т. д. Таким образом и происходит работа мотора.

«А как же мотор начинает работать?» — спросит читатель.

Для того чтобы запустить мотор, надо несколько раз, вращая пропеллер, провернуть вал мотора. От этого поршни в цилиндрах задвигаются, в цилиндры засосется горючая смесь (воздух с бензином), электрическая машинка (магнето), которая соединена шестеренкой с валом мотора, начнет работать и на свече одного из цилиндров проскочит электрическая искра. Он зажжет смесь, а дальше мотор уж сам будет продолжать работу. Все дальше выполняется автоматически. Цилиндры нижними концами (открытыми) укреплены в особой большой металлической коробке, которая называется картером; в нем-то и вращается коленчатый вал. Цилиндры во время работы так сильно нагреваются, что их надо обязательно охлаждать. Это делается или с помощью встречного воздуха — тогда наружная поверхность цилиндров делается ребристой, отчего она скорее охлаждается. Чаще же для охлаждения применяется вода, которая из особого резервуара (радиатора) поступает в так называемые рубашки — особые металлические чехлы, которыми покрыты цилиндры. Смазка мотора производится автоматически с помощью масленой помпы, которая приводится в движение от вала мотора.

Для приготовления горючей смеси устроен особый прибор, называемый карбюратором.

Бензин из бака попадает в этот прибор и здесь автоматически смешивается в нужной пропорции с воздухом и уже в газообразном состоянии попадает в рабочую камеру цилиндров.

На передний, выдающийся из картера, конец коленчатого вала насаживается своей втулкой воздушный винт, или пропеллер.

Воздушный винт делается из дерева, а в последнее время — из металла (рис. 11).

Рис. 11. Металлический воздушный винт (пропеллер).

Будущее конечно — за металлическим винтом. У современных самолетов вал мотора (а следовательно и винт) делает около 1500 оборотов в минуту. Число оборотов, а значит и тягу винта и скорость самолета летчик может регулировать. Действуя левой рукой на маленькие рычажки, идущие от мотора, летчик может уменьшать или увеличивать количество горючей смеси, попадающей в цилиндры, и тем ослаблять или усиливать силу взрывов, получающихся от воспламенения смеси в цилиндре.

Ряд приборов позволяет летчику судить о правильности работы мотора или его недостатках.

Более 800 000 книг и аудиокниг! 📚

Получи 2 месяца Литрес Подписки в подарок и наслаждайся неограниченным чтением

ПОЛУЧИТЬ ПОДАРОК