Глава IV ТЫСЯЧА И ОДНА СХЕМА

Лет десять назад, когда в продаже появились первые серийные транзисторы, многие любители начали строить карманные приемники. К тому времени в журнале «Радио» были опубликованы две-три схемы таких приемников, и именно они послужили основой для развития «приемниковой лихорадки». Причем большинство любителей просто копировало журнальные схемы, не отступая от них ни на шаг и даже в точности повторяя расположение деталей на монтажной плате.

Но вот прошло два-три года, и в журналах, книгах, сборниках появилось множество других схем, чем-то похожих, а чем-то различающихся. И сегодня радиолюбитель, который хочет собрать приемник или усилитель, часто задумывается, какую схему из всего этого множества схем выбрать? Нужно сразу сказать, что, несмотря на большое разнообразие, все простые любительские схемы делятся на сравнительно небольшое число основных групп. В пределах такой группы схемные решения зачастую очень похожи.

К основным группам схем, интересующих начинающего любителя, можно отнести собранные на двух-трех транзисторах приемники с головными телефонами (наушниками), схемы сравнительно простых, но уже на четырех — шести транзисторах приемников прямого усиления для громкоговорящего приема и схемы всеволновых супергетеродинных приемников. Усилители НЧ чаще всего разделяются на такие группы: усилители с выходной мощностью около 0,1 вт (100 мвт) и с маломощными (типа П41) транзисторами в выходном каскаде и усилители с мощными транзисторами (типа П214) и выходной мощностью 1–2 вт. И в той и в другой группе встречаются схемы, где громкоговоритель подключается к выходному каскаду через трансформатор или без него. Начинающие любители проявляют также интерес к простейшим схемам электромузыкальных инструментов и к приборам автоматики.

В этой главе вы найдете схемы, представляющие каждую из названных групп, причем в некоторых случаях принципиальные схемы дополнены монтажными, показывающими один из возможных вариантов (но не единственный!) расположения деталей на монтажной плате. При отборе схем обращалось внимание на такое их качество, которое можно назвать «типичностью». Иными словами, в отобранных схемах используются схемные элементы, которые наиболее часто встречаются в любительской аппаратуре. Кроме того, при отборе схем учитывалась простота их налаживания и сохранение основных параметров при некотором отклонении деталей от указанных на схемах величин.

Все приведенные схемы можно назвать практическими, потому что они были построены в любительских условиях, а некоторые перед* публикацией в книге специально проверялись, дорабатывались или разрабатывались заново. При желании можно в различных вариантах сочетать приведенные схемы (например, пристраивать усилитель НЧ от одного приемника к усилителю ВЧ от другого), менять отдельные схемные элементы (например, в качестве нагрузки включать в усилители ВЧ дроссели, намотанные на ферритовых кольцах вместо предусмотренных схемой резисторов) или даже менять целые схемные узлы (например, включив первый каскад усилителя НЧ по схеме ОК вместо схемы ОЭ). Можно также в некоторых пределах менять данные деталей схемы — уменьшать при необходимости сопротивление нагрузки, увеличивать емкость разделительных конденсаторов, вводить дополнительные развязывающие фильтры и т. п. В результате всех этих «комбинаций» можно получить огромное множество схем, и некоторые из них могут оказаться лучше своих «родителей».

Знания, приобретенные в предыдущих разделах книги, вполне достаточны, чтобы разобрать приведенные в этой главе практические схемы. Однако, прежде чем приступать к описанию конкретных схем, нам нужно сделать еще один и, кстати, очень важный для будущей практической работы шаг. Нам нужно познакомиться с конкретными типами транзисторов.

«…МАМЫ ВСЯКИЕ ВАЖНЫ!»

Если заглянуть в справочник по полупроводниковым приборам, то прежде всего бросается в глаза огромное количество типов транзисторов и диодов — многие десятки диодов с разными названиями, многие десятки разных транзисторов. Нужно ли такое многообразие? Нельзя ли обойтись несколькими основными типами диодов и транзисторов или, может быть, каким-нибудь одним универсальным, пригодным на все случаи жизни прибором? На эти вопросы приходится отвечать уклончиво — и да и нет.

Одним универсальным типом прибора — одним диодом или одним транзистором— обойтись, конечно, нельзя. Потому что нет, в частности, идеального диода, который и большой ток пропускал бы, и высокое обратное напряжение терпел бы (напоминаем о примечании на стр. 26), и малой емкостью обладал бы, и еще ко всему имел бы незначительный обратный ток и слабую зависимость параметров от температуры. Такой диод изготовить невозможно, а по некоторым показателям принципиально невозможно. Вот и приходится создавать разные приборы, принося в одном случае в жертву выпрямленный ток ради уменьшения емкости, в другом случае жертвуя допустимым напряжением ради выпрямленного тока, в третьем случае снижая все предельные параметры для уменьшения габаритов и т. д. Так появляется в наших справочниках несколько типов диодов, каждый из которых имеет свои отличительные особенности и свои области применения.

То же самое можно сказать и о транзисторах. В некоторых случаях приходится жертвовать частотными свойствами триода, мириться со сравнительно низкой предельной частотой усиления ради того, чтобы получить большую мощность. В других случаях конструкторы умышленно разрабатывают приборы с малыми размерами рn-переходов, а значит, со сравнительно небольшой выходной мощностью, пытаясь тем самым уменьшить собственные емкости транзистора и ослабить его влияние на высокочастотные цепи. В третьем случае приходится идти на ухудшение усилительных свойств транзистора, чтобы ослабить влияние температуры на его параметры. Одним словом, при разработке транзисторов, так же как и при разработке диодов, приходится в разных случаях приносить разные жертвы и создавать таким образом различные типы приборов для разных областей применения.

Есть еще два обстоятельства, определяющих ассортимент полупроводниковых приборов, в частности транзисторов. Одно из этих обстоятельств весьма неприятно, так как оно приводит к излишнему расширению ассортимента. Второе обстоятельство, наоборот, позволяет бороться с разбуханием ассортимента транзисторов, помогает создавать полупроводниковые приборы «без жертв», то есть обладающие сразу многими ценными свойствами.

То, что разработчики вынуждены создавать транзисторы нескольких разных типов, это, как говорится, еще полбеды.

Разные типы транзисторов плодятся при самом их производстве, причем у каждого основного типа появляется сразу несколько подтипов. Давайте для примера посмотрим, как и почему размножается семейство простейшего сплавного полупроводникового триода со структурой р-n-р.

Сплавной транзистор с такой структурой получается в результате большого числа сложных и тонких технологических операций, некоторые из них названы на рис. 90.

Рис. 90. Производство транзистора — это большой комплекс сложных технологических операций.

При вытягивании кристалла германия в него вводится донорная примесь, и во всем кристалле создается n-проводимость. Затем кристалл разрезают на плоские пластины, которые тщательно шлифуют и в свою очередь разрезают на мелкие кристаллики. Каждый такой кристаллик — основа транзистора, его будущая база, в которую нужно вплавить эмиттер и коллектор.

Для вплавления эмиттера основной кристаллик с проводимостью р-типа помещают в небольшую металлическую кассету (рис. 91) и туда же укладывают заранее приготовленную микроскопическую крупинку индия. Затем кассету закрывают и устанавливают в печь, температура в которой достигает 500 градусов. В этой печи индий вплавляется в кристаллик германия, и в месте вплавления образуется эмиттерный рn-переход.

Рис. 91. Основные этапы производства сплавных и диффузионных транзисторов.

Затем кассету вынимают, переворачивают и с противоположной стороны вводят вторую крупинку индия, несколько большей величины, чем первая. Еще одна установка в печь, еще одно вплавление индия в германий — и еще один, на этот раз коллекторный pn-переход готов. Мы расчленили весь процесс лишь для наглядности: обычно эмиттер и коллектор вплавляют одновременно, при этом в печь устанавливают сразу большое количество кассет.

Весь процесс вплавления описан нами крайне упрощенно. В действительности подготовка к вплавлению включает в себя ряд ювелирных операций, которые производятся под микроскопом. А само вплавление идет при строгом контроле температуры печи и времени пребывания в ней кристаллов с добавками.

Однако как бы точно ни производилась подготовка к вплавлению и как бы строго операторы ни следили за этим процессом, он, по сути дела, протекает «заочно» — никто не может точно сказать, что в тот или иной момент происходит в той или иной кассете, находящейся в печи. Кристаллики основного полупроводника и вплавляемые в них крупинки индия не бывают абсолютно одинаковыми, и в основном поэтому сам ход процесса при образовании рn-переходов в разных кассетах тоже несколько отличается. В итоге в одной и той же группе кассет образуются транзисторы с разными параметрами.

Например, с разным содержанием неосновных носителей в области базы, а значит, с различными обратными токами коллектора (рис. 17) или с разной толщиной базы, поэтому и с разным коэффициентом усиления по току (рис. 35). Кроме того, транзисторы, у которых получилась более толстая база, работают на более низких частотах, так как одно из препятствий для повышения частоты сигнала — это запаздывание зарядов при диффузии их через базу. Заряды просто не поспевают за быстрым изменением высокочастотного сигнала.

После установки кристаллика с двумя рn-переходами в корпус многие параметры получившегося транзистора измеряют и формируют несколько групп приборов со схожими параметрами. Так и появляется вынужденный широкий ассортимент транзисторов, которые, конечно, вполне могли бы быть одним типом, если бы все технологические процессы шли абсолютно одинаково. В частности, такие транзисторы, как П13, П13А, П13Б, П14, П15, П16, П16А, П16Б, получались в результате единого технологического процесса изготовления сплавных рn-переходов только за счет разброса их параметров.

Если трудности полупроводниковой технологии увеличивают число различных типов транзисторов, то совершенствование технологии, применение новых технологических принципов, позволяет уменьшить излишне богатый ассортимент приборов. Так, например, получение рn-переходов методом диффузии позволяет создавать транзисторы, одинаково хорошо работающие и на низких, и на высоких частотах, вплоть до нескольких сот Мгц.

Сущность диффузионной технологии отражена в самом ее названии. Основой транзистора р-n-р здесь, так же как и в сплавной технологии, служит кристаллик германия, но уже с проводимостью р-типа (рис. 91). Сначала этот кристаллик помещают в пары донора, например мышьяка. В результате диффузии донора в кристалл в нем создается тонкий поверхностный слой с проводимостью n-типа. Затем следует еще одна диффузия примеси — кристалл помещают в пары акцептора, например индия. Теперь в тонком слое с проводимостью n-типа создается еще более тонкий слой с р-проводимостью, и кристалл, точнее, его поверхностная область, приобретает структуру р-n-р. В дальнейшем верхний слой (р) будет эмиттером, средний слой (n) — базой, а сам кристалл (р) — коллектором. Остается лишь добраться до внутренних участков этой структуры, то есть подключить выводы к коллектору и базе будущего транзистора.

В самом упрощенном виде эта операция выполняется так: на один из участков кристалла наносят кислотоупорное покрытие, а затем производят травление кристалла в кислоте. В итоге обе «одежды», появившиеся в результате диффузии, исчезают почти со всей поверхности кристалла и нужная структура остается лишь на небольшом участке. Именно к нему и припаивают выводы эмиттера и базы коллектора.

Мы описали лишь один из нескольких способов производства диффузионных транзисторов, причем описали его очень упрощенно. В действительности диффузионная технология, так же, впрочем, как и любая другая технология производства транзисторов, включает в себя большую серию очень тонких и точных технологических операций. Диффузионная технология хотя и сложнее сплавной, но зато позволяет более точно направлять сам ход процесса и получать транзисторные структуры с меньшим разбросом параметров. При этом сами рn-переходы получаются с ровной, плоской границей между зонами и, что особенно важно, получается ровная и очень тонкая, вплоть до нескольких микронов, база. А чем тоньше база, тем большие частоты может усиливать транзистор (рис. 92).

Рис. 92. Чем тоньше база, тем больше предельная частота, на которой может работать транзистор.

Поэтому в основном все высокочастотные транзисторы изготовляют диффузионным способом.

Обратите внимание на расположение выводов у сплавного и диффузионного транзисторов малой мощности (рис. 91). В первом случае сам кристалл становится базой, а во втором случае — коллектором. Кристалл устанавливают на кристаллодержатель, и он оказывается электрически соединенным с корпусом. Поэтому у большинства сплавных транзисторов средний вывод, соединенный с корпусом, — это вывод базы, а у многих диффузионных транзисторов средний вывод — это вывод коллектора. Чтобы не перепутать эмиттер с базой (это может кончиться трагично, если, например, подключить коллекторную батарею между коллектором и эмиттером и оставить «висящую базу»; см. рис. 89), на самом корпусе возле вывода эмиттера ставят желтую или белую точку.

Если диффузионная технология позволяет получать лучшие транзисторы, работающие не только на низких, но и на высоких частотах, то почему вообще не отказаться от сплавных транзисторов, которые работают только на низких частотах и производство которых порождает ненужное разнообразие типов приборов? Ответ на это наивное «почему» весьма прост: пока еще сплавные транзисторы делать проще и стоят они пока значительно дешевле. Представьте себе, что вы пришли в магазин, чтобы купить маломощный транзистор для усилителя НЧ, и вам предложили на выбор диффузионный триод стоимостью 2 рубля и сплавной — стоимостью 30 копеек. Конечно же, вы купите сплавной транзистор, который в низкочастотном усилителе работает не хуже диффузионного, а стоит во много раз дешевле.

Подобными соображениями руководствуются и разработчики радиоэлектронной аппаратуры, и специалисты, создающие сами полупроводниковые приборы. Задумываясь о том, нужно или не нужно производить какой-либо тип полупроводникового прибора, приходится учитывать не только его электрические характеристики, но и ту цену, которую за эти характеристики нужно заплатить. Потому что в итоге копейки и рубли стоимости транзистора, как, впрочем, любые рубли и копейки, пересчитываются во многие тысячи киловатт-часов электроэнергии, во многие тонны дорогостоящих материалов, во многие миллионы часов бесценного рабочего времени.

Сравнительная простота производства и невысокая стоимость — вот основные достоинства сплавных транзисторов, благодаря которым они остаются вне конкуренции во многих областях применения: в усилителях НЧ, ключевых схемах, генераторах импульсов и др.

Несколько слов еще об одном из многих методов производства транзисторов — о планарной технологии. Это новое направление, которое считается наиболее перспективным, использует для создания pn-переходов диффузию примесей.

Отличительная особенность планарной технологии в том, что все основные процессы создания pn-переходов в кристалле происходят с применением своего рода маски — тонкого защитного покрытия поверхности кристалла. Благодаря этому отпадает ряд трудных операций, а поверхность кристалла оказывается защищенной от всякого рода вредных воздействий. В результате получаются транзисторные структуры более высокого качества, в частности с меньшим поверхностным током, который суммируется с вредным обратным током коллектора Iко. Существует мнение, что применение планарной технологии позволит настолько уменьшить величину Iко, что во многих схемах вообще отпадет необходимость температурной стабилизации режима транзистора.

Еще каких-нибудь десять лет назад, когда транзисторов было очень мало, буквально пять — десять типов, их нетрудно было знать наперечет. Разобраться же в нынешнем ассортименте полупроводниковых приборов уже не так просто. Чтобы облегчить эту задачу, можно прежде всего разделить все транзисторы на три группы малой мощности (наибольшая выходная мощность около 0,1 вт), средней мощности (около 0,5 вт) и большой (более 1,5 вт) мощности (рис. 93). Часто применяют еще более простое деление транзисторов: на мощные (2 вт и более) и маломощные (около 0,1 вт). На эти три или даже две группы можно разделить все многообразие транзисторов широкого применения.

Рис. 93. Все многообразие транзисторов можно разбить на несколько основных групп.

Внутри каждой группы целесообразно разделить транзисторы на низкочастотные (сплавные) и высокочастотные (диффузионные). И, наконец, для порядка следует ввести еще одно разделение транзисторов — в зависимости от их структуры (р-n-р или n-р-n) и исходного материала (германий или кремний). Как видите, получилось сравнительно небольшое число основных групп, и среди них четыре главные группы — маломощные транзисторы ВЧ и НЧ и мощные транзисторы ВЧ и НЧ. Это, конечно, грубое деление, не учитывающее многих важных показателей, однако же внутри каждой из четырех групп даже разные транзисторы очень часто могут заменять друг друга.

О принадлежности транзистора к той или иной основной группе говорит само его название (исключение составляют лишь довольно старые транзисторы, такие, как П4).

В названии транзисторов, разработанных до 1964 года, первая буква «П» происходит от слова «плоскостной» и относится ко всем без исключения транзисторам. Затем следуют цифры, значение которых указано в таблице 8. Пользуясь этой таблицей, можно, например, определить, что П403 — это маломощный германиевый высокочастотный (диффузионный) транзистор, П201 — мощный германиевый низкочастотный (сплавной) транзистор, П501 — маломощный кремниевый высокочастотный транзистор и т. д. Аналогично формируются названия приборов, созданных после 1964 года (таблица 9).

Таблица 8

Обозначения некоторых типов полупроводниковых приборов, выпускавшихся до 1964 года. (Для некоторых приборов, выпускаемых после 1964 года, и по сей день сохраняются старые обозначения.)

Первый элемент обозначения: буква Д — диоды, буква П (или МП) — транзисторы. Второй элемент — цифра, обозначающая конкретный тип прибора. Третий элемент обозначения — буква — разновидность приборов данного типа, имеющая некоторое отличие в параметрах. Ниже приведены значения некоторых цифр во втором элементе обозначения.

Диоды:

Точечные германиевые… от 1 до 100

Точечные кремниевые… от 101 до 200

Плоскостные кремниевые… от 201 до 300

Плоскостные германиевые… от 301 до 400

Стабилитроны… от 801 до 900

Варикапы… от 901 до 1000

Туннельные диоды… от 1001 до 1100

Транзисторы:

Маломощные германиевые низкочастотные… от 1 до 100

Маломощные кремниевые низкочастотные… от 101 до 200

Мощные германиевые низкочастотные… от 201 до 300

Мощные кремниевые низкочастотные… от 301 до 400

Маломощные германиевые высокочастотные… от 401 до 500

Маломощные кремниевые высокочастотные… от 501 до 600

Мощные германиевые высокочастотные… от 601 до 700

Таблица 9

Обозначения некоторых типов полупроводниковых приборов, выпускаемых после 1964 года

Первый элемент обозначения: буква Г (или цифра 1) — германиевый, буква К (или цифра 2) — кремниевый. Второй элемент обозначения: буква Д — диоды, Т — транзисторы, В — варикапы, А — диоды для сверхвысоких частот, Ф — фотоприборы, И — туннельные диоды, С — стабилитроны и т. д. Третий элемент обозначения — цифра — конкретный тип прибора. Четвертый элемент обозначения — буква — разновидность приборов данного типа, имеющая некоторые отличия в параметрах.

Значение некоторых цифр в третьем элементе обозначения:

Для диодов:

от 101 до 399 — выпрямительные диоды

от 401 до 499 — универсальные диоды

Для фотоприборов:

от 101 до 199 — фотодиоды

от 201 до 299 — фототранзисторы

Для туннельных диодов:

от 101 до 199 — усилительные

от 201 до 299 — генераторные

Для стабилитронов:

мощность до 0,3 вт, напряжение стабилизации 0,1–9,9 в — от 101 до 199

мощность до 0,3 вт, напряжение стабилизации 10–99 в — от 201 до 299

мощность до 5 вт, напряжение стабилизации 0,1–9,9 в — от 401 до 499

Для транзисторов:

малая мощность (до 0,3 вт), низкочастотные (до 3 Мгц) — от 101 до 199

малая мощность, среднечастотные (до 30 Мгц) — от 201 до 299

малая мощность, высокочастотные (до 300 Мгц) — от 301 до 399

средняя мощность (до 1,5 вт), низкочастотные — от 401 до 499

средняя мощность, среднечастотные — от 501 до 599

средняя мощность, высокочастотные — от 601 до 699

большая мощность (больше 1,5 вт), низкочастотные — от 701 до 799

большая мощность, среднечастотные — от 801 до 899

большая мощность, высокочастотные — от 901 до 999

Пользуясь приведенными в таблицах 8 и 9 «сотнями», можно по названию определить принадлежность прибора к той или иной основной группе. О различиях приборов внутри группы говорит конкретная цифра в названии прибора и следующая за ней одна из первых букв алфавита (А, Б, В и т. д.).

В названии транзисторов могут встречаться и некоторые еще не знакомые нам буквенные обозначения, характеризующие те или иные конструктивные особенности прибора. Так, например, буква «Э» в конце названия означает, что корпус транзистора сделан из алюминия. Буквы «МП» в начале названия (вместо «П») говорят о том, что соединение верхней части корпуса («колпачка») с его нижней частью («диском») осуществляется методом холодной сварки под давлением.

Корпус транзисторов с обозначением «П» герметизируется менее совершенным способом — электроконтактной сваркой. Никаких отличий в параметрах транзисторов с обозначением «П» и «МП» не существует — транзистор МП41, например, полностью соответствует транзистору П41.

Данные некоторых типов транзисторов приведены в таблице 10. В этой таблице вы найдете предельно допустимые режимы (коллекторный ток Iк, напряжение Uэк между эмиттером и коллектором и мощность рассеивания на коллекторе Рк), которые превышать нельзя. Напряжение на коллекторе указано в таблицах со знаками «+» или «—». Это еще одно напоминание о полярности напряжения и направлении токов в транзисторах с разной структурой (рис. 94).

Рис. 94. Транзисторы разной структуры питаются напряжениями различной полярности.

На коллекторе транзистора р-n-р должен быть «минус», на коллекторе транзистора n-р-n — «плюс»; транзистор р-n-р отпирается «минусом» на базе, а запирается «плюсом»; транзистор n-р-n наоборот — отпирается «плюсом» и запирается «минусом»; в транзисторе р-n-р ток идет от эмиттера через базу к коллектору (именно так движутся дырки), а в транзисторах n-р-n — от коллектора через базу к эмиттеру (не забудьте, речь идет только об условном направлении тока, о том, как нужно «водить пальцем» по схеме; см. стр. 142).

В наши таблицы входят некоторые параметры транзисторов, и прежде всего коэффициент усиления по току β. В официальных таблицах во многих случаях указывают коэффициент усиления по току α в схеме ОБ. Мы же пересчитали его в коэффициент β (рис. 72) и сделали наши таблицы хотя и не похожими на официальные, но зато более удобными.

В таблице 10 приводится величина обратного тока коллектора Iко. Вы, конечно, помните, что всегда желательно, чтобы Iко был как можно меньше. Хотя бы потому, что чем меньше этот ток, тем в меньшей степени режим транзистора зависит от температуры (рис. 88). Приведенная в таблицах величина Iко официально называется наибольшей, фактически Iко бывает меньше, чем указано в таблицах.

В таблицу 10 включена также предельная частота усиления fα. Этот параметр указывает, на какой частоте коэффициент усиления α падает примерно на 30 %. На частотах, больших, чем fα, усиление уменьшается еще резче, и транзистор перестает работать (рис. 92). Граничная частота fα, как и сам коэффициент а, относится лишь к схеме ОБ; для схемы ОЭ граничная частота значительно (примерно в β раз) меньше.

Если внимательно присмотреться к таблицам с данными транзисторов, то можно заметить, что многие разные типы приборов имеют довольно близкие параметры и предельные режимы, в то время как даже в пределах одного и того же типа транзисторов параметры могут заметно различаться. Все это говорит о том, что в случае необходимости можно довольно широко заменять один тип транзистора другим. Так, почти во всех схемах, о которых будет рассказано дальше, вместо транзисторов П13 можно применить любые другие маломощные транзисторы. Лишь в некоторых случаях при этом придется подогнать режим, заменив, например, резистор в цепи базы, через который подается начальное отрицательное смещение.

Точно так же можно заменять высокочастотные транзисторы, например, вместо П416 применить П403, П402 или П401. При замене нужно, конечно, обращать внимание на частоту, которую должен и может усиливать транзистор, и представлять, насколько изменится усиление из-за различии в значении коэффициента β. Нужно также проверить, пригоден ли для нового транзистора существующий режим. Так, например, если транзистор П401 работает в схеме, где коллекторное напряжение составляет 9 в, то его уже нельзя заменить транзистором П411, для которого допустимое коллекторное напряжение составляет 6 в. Кроме того, нужно обязательно по справочнику проверить напряжение, допустимое для эмиттерного перехода.

Чтобы хорошо освоиться с транзисторами, полезно периодически просматривать таблицы их параметров, а также рисунки, где указано расположение выводов эмиттера базы и коллектора (рис. 95). Это, конечно, не самое веселое занятие, но зато оно через некоторое небольшое время даст очень важный результат: вы будете и без справочника знать, что собой представляют важнейшие типы полупроводниковых приборов, а значит, сможете легче разбирать транзисторные схемы.

Рис. 95. Основные типы транзисторов (ЦМ — цветная метка).

И ВСЕ ЖЕ ПРИЕМНИК…

У начинающего радиолюбителя, который выбирает тему для своей первой практической работы и не преследует при этом каких-то определенных целей, есть много разных вариантов «начала». Можно, например, построить несложную радиолу, простейший прибор электронной автоматики, электронный музыкальный инструмент на одном транзисторе или, наконец, самую популярную транзисторную самоделку — миниатюрный приемник.

Правда, в последнее время, когда радиопромышленность буквально завалила магазины транзисторными приемниками — простыми и сложными, дешевыми и дорогими, — интерес любителей к самодельному приемнику заметно уменьшился.

А зря. Во всяком случае, для начинающего любителя, делающего первые шаги, приемник, пожалуй, самый удачный объект самостоятельной практической работы.

Во-первых, приемник легко допускает усложнение — можно постепенно, шаг за шагом, переходить от простых схем к более сложным. Можно, например, собрать приемник на одном транзисторе, затем добавить к нему еще один усилительный каскад, затем еще один и т. д. (рис. 96).

Рис. 96. Приемники прямого усиления прежде всего различаются числом каскадов усиления высокой и низкой частот.

Во-вторых, в приемнике вы встретитесь с многими популярными элементами, в известной мере общими для электронной аппаратуры: усилителем ВЧ, усилителем НЧ, согласующим трансформатором, разнообразными фильтрами, выпрямителем, детектором и др.

И, наконец, в-третьих, делая приемник, вы можете довольно быстро получить «плату за страх». Приняв несколько станций, услышав речь или музыку из своего собственного, своими руками сделанного приемника, вы испытаете неповторимое радостное чувство победителя, и электроника уже не будет казаться вам страшной и недоступной. Уже из-за одного этого — из-за возможности сравнительно быстро и просто получить практический результат и преодолеть чувство страха перед электронными схемами — есть прямой смысл отдать предпочтение простейшему самодельному приемнику и именно с него начинать свой путь в практическую электронику.

С практическими схемами простейших приемников мы уже встречались в начале книги (рис. 43, 44). Но в то время мы знали лишь одну схему усилителя — схему ОБ, — и это, конечно, очень ограничило ассортимент практических схем. Сейчас, используя знания, полученные при знакомстве с абстрактным усилителем, мы можем резко расширить набор практических, схем приемника. Чтобы не повторяться, мы возьмем от старого приемника лишь входной контур (таблица 7) и именно его применим во всех конструкциях, о которых пойдет речь дальше.

Начнем с любопытного варианта приемника на одном транзисторе (рис. 97—1).

рис. 971

Всмотревшись в схему, вы не обнаружите на ней источника питания — приемник питается энергией радиоволн. Дело в том, что вблизи мощных радиостанций напряженность электромагнитного поля настолько велика, что его можно использовать как источник питания. (На расстоянии нескольких сот метров от мощной станции радиоволны могут даже зажечь лампочку, включенную в цепь приемной антенны.) Высокочастотное напряжение из антенной цепи выпрямляется диодом Д1 и подается на коллектор транзистора Т1, включенного по уже знакомой нам схеме триодного детектора (рис. 43—2). Конденсатор С2 — фильтр выпрямителя. Отвод у катушки сделан, как и обычно, от небольшой части витков (стр. 123). Обратите внимание, в каком направлении включен диод, — только при таком включении выпрямленное напряжение будет попадать «минусом» на коллектор. Еще раз напоминаем: приемник, питаемый «свободной энергией», будет работать лишь на близком расстоянии от мощной станции, в пределах нескольких километров.

В качестве нагрузки в коллекторную цепь включен громкоговоритель Гр1. Ни в этом, ни в других приемниках мы не будем указывать конкретный тип громкоговорящего устройства. Это может быть и телефонный капсуль ДМ-4, и известный капсуль ДЭМШ, и, наконец, один из динамических громкоговорителей (таблица 11) с выходным трансформатором (таблица 12). Лучше всего, конечно, использовать динамический громкоговоритель — он весьма эффективно преобразует электрические колебания в звуковые. И в то же время громкоговоритель не создает сильных искажений, как, например, телефонный капсуль ТК-60, который ко всему еще требует немалой мощности для создания более или менее громкого звука.

Примечания:

* Первая цифра в названии громкоговорителя указывает его мощность в ваттах.

** Для круглых громкоговорителей указаны диаметр диффузора (первая цифра) и высота ("толщина"), а для эллиптических громкоговорителей — размеры диффузора по осям эллипса и высота ("толщина").

Вполне вероятно, что для простейших приемников громкоговоритель окажется непригодным — слишком мала будет мощность электрических колебаний, для того чтобы создать мощный звук. В этом случае вместо громкоговорителя, не меняя схемы, можно включить головные телефоны.

Следующий приемник (рис. 97—2) собран по схеме 0—V—1.

рис. 972

Эта сокращенная запись говорит о том, как построен усилительный тракт приемника. Буква «V» — условное обозначение детектора; цифра, которая стоит до буквы «V», указывает, сколько в приемнике каскадов усиления высокой частоты; цифра, стоящая после буквы «V», — сколько каскадов усиления низкой частоты; запись 0—V—2 означает, что в приемнике есть детектор (без него ведь приемника и быть не может!) и двухкаскадный усилитель НЧ, а усилителя ВЧ нет совсем (рис. 96).

Детектор выполнен на триоде Т1, причем детектирование осуществляется в эмиттерной цепи. В коллекторной цепи появляется весь «букет» усиленных составляющих продетектированного сигнала, в том числе высокочастотная и низкочастотная составляющие. Нам, разумеется, нужна только низкочастотная составляющая (рис. 29), и поэтому в схему вводится конденсатор С3, который сразу же замыкает на «землю» высокочастотную составляющую коллекторного тока.

Мы уже подробно разбирали (рис. 79), каким образом многие цепи усилителя встречаются на общем проводе, к которому подключено заземление и который поэтому для краткости называют «землей». В данном случае, замкнув высокочастотную составляющую на «землю», мы сразу же отправили ее на эмиттер транзистора Т1. Коллекторный ток от коллектора в итоге всегда приходит к эмиттеру. Но при этом он должен еще обязательно пройти по сопротивлению нагрузки и поработать там, создавая мощную копию сигнала. Замкнув высокочастотную составляющую прямо на эмиттер, мы не пустили ее в нагрузку R1 и поэтому получим в коллекторной цепи мощную копию одной только низкочастотной составляющей.

С резистора нагрузки R1 через разделительный конденсатор С4 (рис. 78) сигнал поступает на базу усилителя НЧ, собранного на транзисторе Т1 по схеме ОЭ. В этом каскаде используется знакомая нам схема температурной стабилизации. На базу подаются одновременно два напряжения: положительное с резистора R4 и отрицательное с нижней части делителя R2R3. Отрицательное напряжение на 0,2 в больше положительного, и таким образом на базе действует небольшой «минус».

Сейчас уместно обратить внимание на еще одну деталь схемы — полярность включения электролитических конденсаторов С4 и С6. Емкость электролитических конденсаторов определяется не только площадью их обкладок, свернутых в трубочку. Емкость электролитических конденсаторов в основном обусловлена некоторыми физическими процессами в расположенном между обкладками тончайшем слое окислов. Процессы эти возникают, когда через электролитический конденсатор идет постоянный ток определенного направления. При токе иного направления конденсатор может оказаться просто пробитым. В этом отношении электролитический конденсатор чем-то напоминает диод, который по-разному ведет себя при различных направлениях тока.

Вывод из всего сказанного такой: электролитический конденсатор можно включать в цепи, где наряду с переменным током присутствует еще и постоянный, причем включать конденсатор нужно так, чтобы указанный на схеме «плюс» (светлая обкладка) совпадал с обозначением на корпусе конденсатора (рис. 98).

Рис. 98. Электролитический конденсатор обязательно должен находиться под постоянным напряжением, поданным в определенной полярности.

На схемах, как правило, указывают полярность включения электролитического конденсатора. Если же полярность на схеме не указана, то ее нетрудно установить самому, проследив, как попадает к тому или иному участку схемы питающее напряжение. Трудности возникают лишь в том случае, если к обеим обкладкам конденсатора подводится напряжение одного и того же знака. Например, если к обеим обкладкам подводится «минус». Здесь нужно прикинуть, какой из этих «минусов» больше, и именно к нему подключить вывод конденсатора, на котором и стоит значок «минус». Так, например, на нашей схеме конденсатор С4 включен между двумя «минусами», а своим минусовым выводом этот конденсатор подключен к коллектору транзистора Т1, на котором отрицательное напряжение больше, чем на резисторе R3.

Несколько слов для тех, кого удивляет отсутствие смещения на базе транзистора Т1. Дело в том, что этот транзистор работает в режиме детектирования и его эмиттерный переход должен «срезать» половину высокочастотного модулированного напряжения. А для этого на базе не должно быть смещения (рис. 36).

Следующий приемник выполнен по схеме 2—V—0, рассчитан на прием одной станции, работает на головные телефоны и питается от одного гальванического элемента на 1,5 в.

рис. 973

Применить столь низкое питающее напряжение оказалось возможным благодаря тому, что в качестве нагрузки в обоих каскадах используются катушки (L3 и L4). На них почти не теряется постоянное напряжение (рис. 38) и в то же время создается сравнительно большое напряжение усиленного сигнала (Воспоминание № 15).

Детектор выполнен по схеме с удвоением (рис. 27—17). Начальное смещение на базу каждого транзистора устанавливают подбором резисторов R1 и R2 с таким расчетом, чтобы коллекторный ток покоя составлял примерно 1 ма. Резисторы R1 и R2, хотя они и подключены непосредственно к коллектору (рис. 87, листок Б), не являются элементами термостабилизации: на катушках L3 и L4 почти нет постоянного падения напряжения, и постоянное напряжение на коллекторе примерно такое же, как и на «минусе» батареи.

Обратите внимание, что емкость разделительного конденсатора С3 во много раз меньше, чем емкость аналогичного разделительного конденсатора С4 в предыдущей схеме. Как вы уже, очевидно, догадались, разница эта связана с тем, что первый из конденсаторов «работает» в усилителе ВЧ, а второй — в усилителе НЧ (Воспоминание № 13). Конденсатор С2 вводится в схему для того, чтобы катушка L2 не закорачивала входную цепь Т1 (эмиттерный переход) по постоянному току.

В заключение данные деталей. Катушки L3 и L4 намотаны на кольцах из феррита Ф-600 с внешним диаметром 8 мм и внутренним 5 мм. Каждая катушка содержит по 200 витков провода ПЭЛШО 0,12. Данные магнитной антенны: стержень из феррита Ф-600, диаметр 8 мм, длина 45 мм; катушка L1 содержит 220 витков провода ПЭ 0,2, а катушка L2 (она намотана поверх L1) — 10 витков того же провода. Данные эти действительны лишь для фиксированной настройки на станцию «Маяк», работающую на волне 547. м. Если вы захотите настроиться на другую станцию, то придется менять не только данные катушки L1 (или конденсатора C1), но, возможно, еще и данные катушек L3 и L4.

Прежде чем разбирать следующую схему (рис. 97—4), вернёмся к предыдущей (рис. 97—2). Вы, очевидно, помните, что в коллекторной цепи нашего первого каскада — триодного детектора — мы сразу же замкнули на «землю» высокочастотную составляющую продетектированного сигнала. Она оказалась просто отходом производства. Но, как говорится, у хорошего хозяина ничего не пропадает, и этот высокочастотный «отход» тоже можно использовать для дела.

Входным элементом всех наших приемников является колебательный контур, настроенный в резонанс на частоту принимаемой станции. За счет резонанса контур сам повышает напряжение сигнала (Воспоминания №№ 18, 19, 20), причем повышает его тем сильнее, чем выше добротность этого контура. Кроме того, с увеличением добротности становится острее и резонансная кривая, приемник лучше отфильтровывает сигналы соседних мешающих станций.

Существует ряд мер, позволяющих повысить добротность контура, и это прежде всего — уменьшение разного рода потерь. Но можно повысить добротность входного контура и иначе — ввести в него положительную обратную связь (рис. 85, 99).

Рис. 99. Положительная обратная связь компенсирует потери энергии в контуре.

Поддерживая колебания в контуре, положительная обратная связь вносит в него дополнительную энергию и, по сути дела, уменьшает собственные потери в контуре. Результат действия положительной обратной связи удобно представить себе как внесение в контур некоторого отрицательного сопротивления Rвн, которое не отбирает энергию, как обычное (положительное) сопротивление Rк, а, наоборот, отдает ее. Общее сопротивление потерь в контуре определяется суммой своего собственного сопротивления Rк и вносимого отрицательного сопротивления — Rвн. Чем сильнее обратная связь, тем больше отрицательное сопротивление, тем меньше потери в контуре и выше его добротность.

Отрицательное сопротивление — это, разумеется, условность, удобный прием для описания сложного процесса. Для тех, кого эта условность коробит, напоминаем, что введенный в нашу схему резистор Rк— это тоже условность. Никакого резистора в контуре нет, и величина Rк определяется потерями в проводах, в диэлектрике конденсатора, в каркасе катушки, потерями на излучение и т. п.

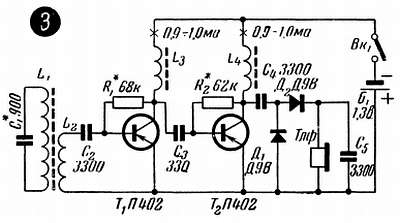
Схема простейшего приемника с положительной обратной связью приведена на рис. 97—4.

рис. 974.

Данные катушки L2 такие же, как и катушки связи в предыдущих приемниках. Расположена она также рядом с контурной катушкой. Эта катушка L2 включена в коллекторную цепь, по ней проходит усиленная высокочастотная составляющая продетектированного сигнала (в коллекторной цепи все составляющие оказываются усиленными), и таким образом часть энергии вводится обратно из коллекторной цепи в цепь базы.

В схеме приемника имеется лишь один незнакомый элемент — цепочка R1C3. Она служит для плавного изменения степени (принято говорить «глубины») обратной связи. Чем выше по схеме движок резистора R1, тем меньше общее сопротивление этой цепочки, тем в большей степени высокочастотная составляющая коллекторного тока замыкается на «землю». В крайнем верхнем положении движка коллектор окончательно заземлен по высокой частоте, и положительной обратной связи вообще нет. Такая регулировка нужна потому, что обратная связь должна быть как можно сильнее, но в то же время не должна быть слишком сильной.

Что скрывается за этим словом «слишком», мы узнаем чуть позже, в разделе «Превращение в генератор». А пока лишь отметим, что при слишком сильной положительной обратной связи приемник вообще перестает принимать и становится источником помех для всех соседних приемников. По этой причине, а также потому, что усилитель с положительной обратной связью не так-то просто наладить, такие каскады не получили распространения. Результаты, которые дает положительная обратная связь, можно получить другими, менее сложными и более спокойными средствами.

Следующий приемник собран по схеме 1—V—3 (рис. 97—7).

рис. 977

Первый каскад (T1) — уже знакомый нам усилитель ВЧ. В его коллекторную цепь включена катушка L3 — первичная обмотка высокочастотного трансформатора. Со вторичной обмотки этого трансформатора сигнал подается на детектор, а он, в свою очередь, включен непосредственно во входную цепь первого каскада усилителя НЧ (Т2).

Схема усилителя НЧ этого приемника еще не знакома нам ни в общем, ни в конкретном виде. Отличительная особенность усилителя в том, что в нем применена непосредственная межкаскадная связь, связь без разделительных конденсаторов (рис. 100).

Рис. 100. В «составном транзисторе» входная цепь второго каскада входит непосредственно в первый каскад в качестве нагрузки.

Первый каскад усилителя (транзистор Т2) собран по схеме с общим коллектором (ОК), а его нагрузкой является входная цепь следующего каскада — эмиттерный переход транзистора Т3. По переменному току как будто все получается неплохо — входное сопротивление транзистора Т3 вполне может служить нагрузкой для Т2. По постоянному току тоже все хорошо: коллекторная цепь транзистора Т2 — это своего рода резистор, через который с «минуса» подается смещение на базу Т3, как оно и подавалось бы через резистор Rб. Кстати, сам второй каскад усилителя (Т3) тоже собран по схеме ОК, и его нагрузкой также является входная цепь следующего, выходного каскада (Т4). И «резистором», через который подается смещение на базу Т4, также служит коллекторная цепь предыдущего транзистора (Т3). Здесь, правда, для подгонки режима вводится еще и резистор Rб.

Подобная схема — ее часто называют составным транзистором — имеет ряд достоинств, и среди них, конечно, минимальное число деталей. Так в нашем приемнике мы явно экономим два конденсатора и четыре резистора. Но у составного транзистора есть и недостатки (вы когда-нибудь видели схему, у которой были бы только достоинства?), и прежде всего — взаимосвязь режимов. Если, например, по каким-нибудь причинам изменится коллекторный ток Т2, то изменится и смещение на базе Т3, а значит и коллекторный ток этого триода, от которого в свою очередь зависит смещение на базе и коллекторный ток транзистора Т4.

В следующей схеме также используется составной транзистор, но только уже из триодов разной проводимости. Здесь приемник выполнен по схеме 1—V—1 (рис. 97—6).

рис. 976

Особенность первого каскада в том, что контур включен последовательно в эмиттерную цепь триода. Мы когда-то отмечали (рис. 84), что если подключаться к контуру параллельно, то нагрузка должна иметь сопротивление побольше, а если включаться в контур последовательно, то сопротивление нагрузки должно быть поменьше. Потому что добротность ухудшает малое параллельное (шунтирующее) сопротивление и большое последовательное сопротивление (Воспоминание № 19). Включение последовательного контура во входную цепь Т1 — это попытка (кстати, не самая удачная) преодолеть трудности, порождаемые низким входным сопротивлением транзистора.

Второй каскад — триодный детектор — собран на транзисторе со структурой n-р-n по схеме с общим эмиттером. Эмиттер, как и должно быть у транзистора n-р-n, соединен непосредственно с «минусом» батареи, а сигнал на базу Т2 подается прямо с коллекторной нагрузки предыдущего каскада, с катушки L2. На этой катушке практически нет постоянного напряжения (рис. 38), во всяком случае оно не превышает нескольких милливольт. Поэтому можно считать, что на базе Т2 нет смещения и эмиттерный переход этого транзистора хорошо справляется с обязанностями детектора.

Нагрузкой служит входная цепь Т3 — эмиттерный переход третьего транзистора включен в коллекторную цепь Т2 так же, как обычно включается резистор нагрузки Rн. Таким образом усиленный сигнал из коллекторной цепи второго каскада попадает непосредственно во входную цепь третьего каскада, а смещение на базу Т3 подается через «резистор» — коллекторную цепь транзистора Т2. Все это очень похоже на непосредственную связь двух триодов в предыдущей схеме.

Но только там для того, чтобы создать непосредственную связь, мы вынуждены были включать первый транзистор «пары» по схеме ОК. Здесь благодаря применению триодов с разным типом проводимости непосредственная связь получается при схеме ОЭ, которая, как известно, дает большее усиление (рис. 74).

Магнитная антенна приемника выполняется так же, как в предыдущих случаях. Катушка L2 намотана на кольце из феррита Ф-1000; внешний диаметр кольца 8 мм, обмотка содержит 100 витков провода ПЭЛШО 0,1. Налаживание приемника сводится к подбору резистора R1, сопротивление которого может быть в пределах 20–80 ком.

Следующие четыре приемника находятся на более высокой ступени: они позволяют без внешней антенны получить громкоговорящий прием сравнительно большого числа станций (рис. 97 — 5, 6, 7; рис. 45). Первый из них (97—5) — давний любительский приемник, собранный по схеме 2—V—3.

рис. 975

Вы, конечно, удивлены — на схеме видно всего четыре транзистора. Как же на них может работать пять усилительных каскадов — два высокочастотных и три низкочастотных? А дело в том, что один из транзисторов работает в так называемой рефлексной схеме — он одновременно усиливает и высокую, и низкую частоту.

Сама возможность двукратного использования транзистора не должна вызывать никаких сомнений. Сначала транзистор усиливает высокочастотный сигнал, затем этот сигнал детектируется, и его низкочастотная составляющая вновь усиливается тем же транзистором (рис. 102).

Рис. 101. В многокаскадный усилитель довольно просто включаются транзисторы разной структуры (разной проводимости).

Рис. 102. Рефлексный каскад сначала усиливает высокочастотный сигнал, а затем низкочастотный сигнал.

Основная трудность состоит в том, чтобы разделить высокочастотные и низкочастотные токи во входной и выходной цепи. Это можно сделать с помощью простейших фильтров, например, с помощью конденсатора С'ф, который замыкает высокочастотный сигнал сразу же после того, как он отработал на высокочастотной нагрузке — катушке, включенной в коллекторную цепь. Для низкочастотного коллекторного тока этих элементов — конденсатора С'ф и катушки — практически не существует, так как емкость С'ф слишком мала, чтобы замкнуть низкую частоту на «землю», а индуктивность катушки слишком мала, чтобы низкочастотный ток создал на ней ощутимое напряжение. Аналогично катушка связи с магнитной антенной, включенная в цепь базы, безболезненно пропускает на вход транзистора низкочастотную составляющую, поступающую с детектора. А конденсатор С''ф замыкает на «землю» только высокочастотный сигнал.

В практической схеме приемника рефлексным является второй каскад (рис. 97—5). С его высокочастотной нагрузки — с катушки L5 —сигнал подается на детектор и прямо с него обратно в цепь базы того же транзистора. Высокочастотные составляющие продетектированного сигнала даже не удаляются из детекторной цепи, и поэтому в этом рефлексном каскаде ко всему еще возможна некоторая обратная связь по высокой частоте. Низкочастотной нагрузкой каскада служит резистор R3.

Два последующих каскада усилителя НЧ выполнены по уже, по-видимому, привычной схеме (рис. 82). Отличительная особенность — подача смещения на базу транзистора Т4 прямо с коллектора транзистора Т3. Благодаря этому осуществляется некоторая термостабилизация (подробнее о ней будет рассказано дальше) обоих каскадов: если при нагревании меняется режим транзистора Т3, то в нужную сторону сдвигается смещение двух последних транзисторов.

Высокочастотные катушки L3, L4, L5 намотаны на восьмимиллиметровых кольцах из феррита НЦ-2000, причем первые две катушки, естественно, намотаны на общем кольце. Катушка L3 содержит 90 витков, L4 — 10 витков и L5 — 200 витков провода ПЭЛШО 0,12.

Схема приемника приведена нами в том виде, в каком она была опубликована в литературе десять лет назад, и при этом в ней сохранены даже не очень «красивые» схемные решения. Так, например, по-видимому, следовало бы разделить высокочастотные токи во входной цепи транзистора рефлексного каскада и устранить таким образом случайную обратную связь. Необходимо было изменить схему детектора, так как в приведенной схеме нет «законного» пути для постоянной составляющей продетектированного сигнала. Возможный вариант схемы детектора (рис. 97—5') следует дополнить конденсатором на 2–3 тыс. пф, включив его параллельно цепочке R'R".

рис. 975'

Следующий приемник (рис. 97—8), собранный по схеме 2—V—2, тоже не молод, но он уже весьма близок к современным любительским приемникам.

рис. 978

Из схемы по возможности исключены и те элементы, которые трудно изготовить, и те, которые затрудняют налаживание приемника. Все четыре усилительных каскада похожи друг на друга как две капли воды — везде (кроме, конечно, последнего каскада) нагрузкой служит резистор, везде смещение на базу подается от коллекторной батареи через резистор Rб (рис. 75). Разница в элементах высокочастотных и низкочастотных каскадов лишь в емкости переходных (разделительных) конденсаторов. Детектор выполнен по очень удобной схеме с удвоением напряжения, которую, кстати, стоило бы ввести в предыдущую схему. Приемник очень прост, легко налаживается и неплохо работает.

Единственный его недостаток — отсутствие термостабилизации.

Этот недостаток устранен в следующей схеме (рис. 97—9), которую, по-видимому, нет смысла подробно разбирать — все элементы нам уже знакомы.

рис. 979

В схему введен регулятор громкости R5. Цепочка R10C8 — это так называемый развязывающий фильтр, который предотвращает паразитную связь между каскадами усилителя. Развязывающий фильтр, кстати, легко ввести в любую схему. Иногда такая мера может прекратить самовозбуждение усилителя, превращение его в генератор.

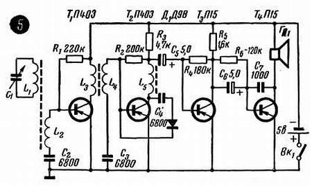
Еще один вариант схемы приведен на рис. 45.

Рис. 45. Двухдиапазонный приемник прямого усиления по схеме 2—V—2.

Здесь отличие в способе термостабилизации некоторых каскадов — стабилизация с помощью делителя хотя и требует нескольких дополнительных деталей, но зато дает лучшие результаты.

Приемник смонтирован на фанерной панели, к которой приклеен громкоговоритель и трансформаторы. На двух боковых брусках закреплена магнитная антенна. Если в вашем распоряжении нет красивой пластмассовой коробочки, то получившуюся жесткую конструкцию можно вставить в футляр, сшитый из заменителя кожи или из плотной материи.

В футляр устанавливаются также две соединенные последовательно батарейки КБС, от которых приемник может непрерывно работать сто — сто двадцать часов.

В приемнике применен еще не знакомый нам двухкаскадный усилитель НЧ, собранный на трех транзисторах. Со схемой этого усилителя, его достоинствами и недостатками мы познакомимся в следующем разделе книги. А пока — несколько общих заключительных замечаний по поводу приемников.

Как вы сами видели, существует большое многообразие схем простейших приемников, и все они во многом похожи. Схемные «фокусы» — положительная обратная связь, составные транзисторы, рефлексное усиление и др. — в простейших приемниках не всегда оправданны. Во всяком случае, начинающему любителю лучше собирать приемник по наиболее простым и надежным схемам без «фокусов». К их числу прежде всего относятся две последние схемы. Они просты в изготовлении и, что особенно важно, в налаживании.

Налаживание транзисторного приемника можно разделить на три части. Прежде всего нужно добиться, чтобы приемник начал «дышать», чтобы он хоть как-нибудь принял любую станцию. Если собранный приемник совсем не работает, то ищите ошибку в монтаже или неисправную деталь. Первую пробу приемника лучше производить, подключив к нему большую антенну, даже если приемник рассчитан только на внутреннюю магнитную антенну.

Следующий этап — подгонка режимов транзисторов. Обычно есть несколько элементов, влияющих на режим транзистора, но проще всего подбирать резистор, включенный в цепь базы и определяющий отрицательное смещение на ней. Иногда для подбора смещения вместо постоянного резистора включают переменный. Тщательно подобрав с его помощью наивыгоднейшее смещение, измеряют сопротивление переменного резистора, при котором такое смещение получилось, а затем включают в цепь базы постоянный резистор соответствующего сопротивления.

Подбор наивыгоднейшего смещения производится по двум показателям — по усилению каскада, которое, разумеется, должно быть как можно больше, и по потребляемому току, который должен быть как можно меньше. Усиление налаживаемого каскада можно оценивать на слух, по громкости звучания, а для контроля за потребляемым током в коллекторную цепь нужно включить миллиамперметр, который имеется в любом авометре. В заключение напоминаем: чем меньше сопротивление в цепи базы, тем больше «минус» на ней, тем больше коллекторный ток транзистора. Что же касается усиления, то от величины коллекторного тока, а значит, и от смещения оно зависит сложным образом. Очень часто, например, увеличение «минуса» на базе приводит к уменьшению усиления из-за того, что увеличивается постоянное напряжение на нагрузке и уменьшается напряжение на коллекторе. С другой стороны, слишком малый «минус» на базе заводит транзистор в область нижнего загиба входной характеристики, и при этом усиление, конечно, падает (см. раздел «Учитесь делать выводы»).

Третий этап налаживания — настройка входного контура. Здесь мы не будем давать конкретные рекомендации — всякий, кто понимает, каким образом резонансная частота контура зависит от его индуктивности и емкости (Воспоминание № 18, рис. 49), легко догадается, когда нужно отматывать витки от контурной катушки, а когда доматывать, чтобы вогнать резонансные частоты контура в желаемый диапазон. Настройку контура удобно проводить, имея рядом хорошо настроенный приемник — по его шкале легко определить, какую станцию принимает ваш налаживаемый транзисторный приемник и насколько вы продвигаетесь «вверх» или «вниз», поворачивая ротор конденсатора настройки.

И, наконец, последнее замечание. При желании вы можете комбинировать схемы, элементы одной из них вводить в другую (рис. 103). В частности, можно ввести в любую из описанных схем экономичный и сравнительно мощный усилитель НЧ из последнего приемника или другой аналогичный усилитель, с которым вы познакомитесь в следующем разделе.

Рис. 103. При конструировании транзисторных приемников можно объединять узлы различных схем.

СКОЛЬКО СТОИТ ВАТТ?

Этот раздел полностью посвящен усилителям низкой частоты, которые входят составным элементом в приемники, а также используются в радиолах, радиоузлах, мегафонах, электронных музыкальных инструментах, магнитофонах и другой аппаратуре.

Для начала — несколько простейших и, если можно так сказать, вспомогательных схем. Первая из них (рис. 104—1) — это усилитель, позволяющий довольно просто построить электрогитару. Основа схемы — кристалл звукоснимателя (его можно купить в магазине в отделе запасных частей к приемникам), прикрепленный к верхней деке гитары с помощью клейкой ленты или простейшего зажима. Учитывая, что кристалл — это довольно нежный элемент, его стоит завернуть в клейкую ленту, выпустив лишь два аккуратно подпаянных к выводам проводничка. Электрический сигнал, возникающий на кристалле под действием механических колебаний деки, усиливается двухкаскадным транзисторным усилителем и подается на вход звукоснимателя какого-либо «большого» приемника или на вход специально построенного транзисторного усилителя НЧ.

рис. 1041

Трудности включения кристалла звукоснимателя в транзисторный усилитель связаны с тем, что этот кристалл имеет очень большое внутреннее сопротивление, обычно несколько мегом. И если к такому высокоомному генератору — кристаллу подключить низкоомную нагрузку, например, входную цепь транзистора, включенного по схеме ОЭ, то на этой нагрузке будет действовать лишь ничтожная часть напряжения, развиваемого кристаллом. Основная часть этого напряжения останется на внутреннем сопротивлении кристалла.

Для согласования кристалла с усилителем его первый каскад (Т1) выполнен по схеме ОК, которая, как вы помните, имеет высокое входное сопротивление. Постоянное напряжение, которое неизбежно появляется на нагрузке R3 первого каскада, служит смещением для второго каскада, собранного по схеме ОЭ. Резистор R4 представляет собой элемент отрицательной обратной связи, которая повышает стабильность второго каскада.

Этот усилитель может быть использован в качестве входного блока транзисторной радиолы. С его помощью, например, можно включить кристаллический звукосниматель ко входу любого транзисторного усилителя НЧ, имеющего низкое входное сопротивление (рис. 104—7).

рис. 1047

Другая схема (рис. 104—5) — это так называемый микшер: простой блок, с помощью которого можно подключить к усилителю НЧ несколько микрофонов и звукосниматель. Микшер позволяет менять уровень сигнала от каждого из этих источников, не влияя на остальные.

рис. 1045

Весьма простой однокаскадный усилитель (рис. 104—4) позволяет подключить динамический микрофон ко входу звукоснимателя сетевого приемника. Если включить микрофон без такого усилителя, то он не обеспечит достаточной громкости звучания. Сигнал от микрофона значительно (обычно в двадцать — пятьдесят раз) меньше, чем сигнал от звукоснимателя, на который рассчитан усилитель НЧ приемника. Особенность схемы — питание коллекторной цепи от выпрямителя, к которому подводится напряжение 6,3 в с накальной обмотки приемника.

рис. 1044

Две другие схемы (рис. 104—2, 3) представляют собой простейшие однокаскадные усилители НЧ, работающие от угольного микрофона. Микрофон включен так, что необходимый для его питания постоянный ток получается прямо от элементов усилительной схемы. В первой схеме необходимую величину этого питающего тока подбирают с помощью резистора R3, во второй схеме — с помощью резистора R3. Каждый из резисторов шунтирует микрофон, и чем меньше такое шунтирующее сопротивление, тем меньшая часть общего тока достается микрофону.

рис. 1042, 3

Чтобы перейти к следующей группе усилителей НЧ — к двухтактным усилителям, — нам придется остановиться на одном недостатке, общем для всех усилителей, с которыми мы встречались раньше. Если пользоваться житейской терминологией, то этот недостаток следовало бы назвать расточительностью.

До сих пор мы не говорили о том, в каких количествах расходуется энергия на создание усиленного сигнала, на создание «мощной копии». У нас, собственно говоря, и не возникало такого вопроса. Еще в самом начале своего пути, когда только искали скульптора, который мог бы вылепить мощный сигнал по образцу слабого, мы договорились, что поставщиком энергии для создания такого усиленного сигнала может быть батарея. При этом считалось очевидным, что батарея обладает большими запасами энергии и жалеть ее нечего — лишь бы создать усиленный сигнал.

Теперь же, когда цель достигнута, когда мы научились с помощью транзистора усиливать слабый сигнал, попробуем выяснить, какую энергию должен отдавать ее поставщик — коллекторная батарея. Попробуем выяснить, сколько стоит ватт усиленного сигнала, сколько ватт мощности постоянного тока должна за него заплатить батарея.

Сделав ряд допущений — предположив, что прямолинейный участок входной характеристики начинается прямо от «нуля», что на выходной характеристике тоже нет загибов, что в качестве коллекторной нагрузки включен элемент (например, трансформатор), на котором не теряется постоянное напряжение, — мы придем к выводу, что в лучшем случае только половина потребляемой от батареи мощности переходит в усиленный сигнал. Об этом можно сказать иначе: к. п. д. (коэффициент полезного действия) транзисторного усилителя не превышает 50 %. За каждый ватт мощности выходного сигнала приходится платить двойную цену — два ватта мощности коллекторной батареи (рис. 105).

Рис. 105. Чем выше коэффициент полезного действия усилителя, тем меньшую мощность он потребляет для создания заданной выходной мощности.

Доказать справедливость этого вывода довольно просто. Чтобы подсчитать мощность, потребляемую от батареи, нужно умножить ее постоянное напряжение Ек на потребляемый ток, то есть на коллекторный ток покоя Iк-п (рис. 106).

Рис. 106. Выходная мощность однотактного усилителя, работающего в классе А, ограничена искажениями, а его к. п. д. не превышает 50 процентов.

С другой стороны, амплитуда переменной составляющей коллекторного тока никак не может быть больше тока покоя, иначе транзистор будет работать с отсечкой. В лучшем случае амплитуда переменной составляющей равна току Iк-п и при этом эффективное значение переменной составляющей коллекторного тока равно Iк~ ~= 0,7·Iк-п.

Точно так же и амплитуда переменного напряжения на нагрузке не может быть больше напряжения батареи, иначе в какие-то моменты на коллекторе будет появляться не «минус», а «плюс». А это в лучшем случае приведет к сильнейшим искажениям. Таким образом, эффективное значение выходного напряжения Uн~ не может превышать 0,7·Ек. Теперь остается только перемножить 0,7·Iк-п на 0,7·Ек и получить, что наибольшая эффективная мощность, которую может отдать усилитель, не превышает 0,5·Iк-п·Ек, то есть не превышает половины потребляемой мощности.

Решение это окончательное, однако оно подлежит обжалованию. Есть возможность ценой определенных жертв повысить коэффициент полезного действия усилителя, перейти рубеж пятидесяти процентов к. п. д.

Чтобы повысить коэффициент полезного действия, нужно, чтобы усилитель создавал более мощный сигнал при той же потребляемой мощности. А для этого нужно, не увеличивая тока покоя Iк-п и постоянного напряжения Ек, повысить переменные составляющие коллекторного тока Iк~ и напряжения на нагрузке Uн~.

Что же мешает нам повысить эти две составляющие? Искажения. Мы можем увеличить и ток Iк~ (для этого достаточно, например, повысить уровень входного сигнала), и напряжение Uн~ (для этого достаточно опять-таки увеличить входной сигнал или увеличить сопротивление нагрузки для переменного тока). Но и в том и в другом случае исказится форма сигнала, окажутся срезанными его отрицательные амплитуды.

И хотя такая жертва кажется недопустимой (кому нужен экономичный усилитель, если он выдает бракованную продукцию?), мы все же пойдем на нее. Во-первых, потому, что возникшие искажения удастся ликвидировать. И, во-вторых, потому, что, допустив искажения (а потом избавившись от них), мы сумеем перевести усилитель в более экономичный режим и поднять его коэффициент полезного действия.

Усиление без искажений, когда амплитуда переменной составляющей коллекторного тока не превышает тока покоя Iк-п, называется классом усиления А. Одиночный усилитель, работающий в классе А, называется однотактным усилителем.

Если при усилении часть сигнала «срезается», если амплитуда переменной составляющей коллекторного тока больше, чем Iк-п, и в коллекторной цепи происходит отсечка тока; то мы получаем один из классов усиления АБ, Б или С. При усилении в классе Б отсечка равна полупериоду, то есть в половине периода в коллекторной цепи есть ток, а в другой половине периода тока нет. Если ток есть больше, чем в половине периода, то мы имеем класс усиления АБ, если меньше — класс С. (Чаще классы усиления обозначают латинскими буквами А, В, С.)

Представьте себе, что у нас есть не один, а два работающих в классе Б одинаковых усилителя: один воспроизводит положительные полупериоды сигнала, другой — отрицательные. Теперь представьте себе, что оба усилителя работают на общую нагрузку. В этом случае мы получим в нагрузке нормальный переменный ток, получим неискаженный сигнал, как бы сшитый из двух половинок (рис. 107).

Рис. 107. Двухтактный каскад — это, по сути дела; два однотактных каскада, работающих на общую нагрузку.

Правда, для получения неискаженного сигнала из двух искаженных нам пришлось создать сравнительно сложную схему сшивания половинок (такая схема называется двухтактной), схему, по сути дела состоящую из двух самостоятельных усилительных каскадов. Однако, как это уже не раз бывало, наш проигрыш (в данном случае усложнение усилителя) приносит значительно больший выигрыш.

Общая мощность, которую развивает двухтактный усилитель, больше, чем мощность, которую дали бы в отдельности обе его половины. А «стоимость» одного ватта выходного сигнала оказывается значительно меньше, чем в однотактном усилителе. В идеальном случае (ключевой режим) один ватт выходного сигнала можно получить за такой же ватт потребляемой мощности, то есть в идеальном случае к. п. д. двухтактного усилителя может достигать 100 процентов.

Реальный к. п. д., конечно, меньше: практически он составляет 60–70 %. Но ведь в однотактном усилителе, работающем в классе А, мы получали к. п. д., равный 50 %, тоже только в идеальном случае. А реально однотактный усилитель позволяет получить к. п. д. не более 30–40 %. И поэтому в двухтактном усилителе каждый ватт выходной мощности обходится нам в два-три раза «дешевле», чем в однотактном.

Для переносной транзисторной аппаратуры повышение к. п. д. имеет особо важное значение. Чем выше к. п. д., тем меньше расход энергии коллекторной батареи при одной и той же выходной мощности. А это, в свою очередь, означает, что чем выше к. п. д., тем реже нужно будет менять эту батарею или тем меньше может быть батарея при неизменном сроке службы. Вот почему в миниатюрной транзисторной аппаратуре, в частности в миниатюрных приемниках, где, казалось бы, нужно экономить вес и место, применяют двухтактные усилители, включая для этого в схему целый ряд лишних деталей.

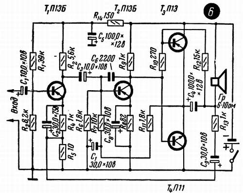
Практическая схема двухтактного усилителя встречалась нам в одном из приемников (рис. 45). Здесь двухтактный выходной каскад работает на общую нагрузку — громкоговоритель Гр1. Он включен через выходной трансформатор, имеющий отвод от средней точки. Благодаря этому каждое плечо двухтактного каскада как бы работает на свою половину выходного трансформатора и через нее наводит свою половинку тока (здесь полезно вспомнить хорошо известное вам примечание на стр. 26) во вторичной обмотке, то есть в цепи громкоговорителя.

С нижней части делителя R11R12 на базы обоих выходных транзисторов Т4 и Т5 подается очень небольшое смещение. Таким образом эти транзисторы почти заперты и потребляют в «режиме молчания» очень небольшой ток покоя. Это значит, что усилитель работает в классе АБ, Можно было бы повысить экономичность усилителя, переведя его в класс Б. Для этого нужно убрать смещение и запереть триоды, чтобы их отпирало лишь управляющее напряжение. Однако при работе в классе Б появляются некоторые трудно устранимые искажения (из-за загиба входной характеристики), и этот класс в усилителях НЧ используется реже. Класс С в этих усилителях вообще не используется из-за появления неустранимых искажений.

Управляющее напряжение на выходные транзисторы подается с так называемого фазоинверсного каскада, выполненного на транзисторе Т3 по трансформаторной схеме. Есть и другие схемы фазоинверторов, но все они выполняют одну и ту же задачу — создают два противофазных напряжения, которые необходимо подать на базы транзисторов двухтактной схемы.

Если на эти транзисторы подать одно и то же напряжение, то они будут работать не через такт, а синхронно, и поэтому оба будут усиливать только положительные или, наоборот, только отрицательные полупериоды сигнала. Чтобы транзисторы двухтактного каскада работали поочередно, нужно подавать на их базы противофазные напряжения. Тогда если во время одного полупериода отпирающий «минус» будет на базе Т4, а на базе Т5 будет запирающий «плюс», то во время следующего полупериода картина изменится и на базе Т5 будет «минус», а на базе Т4 «плюс». Таким образом, два противофазных напряжения будут поочередно отпирать транзисторы двухтактного каскада.

В фазоинверторе с трансформатором два управляющих напряжения получаются благодаря разделению вторичной обмотки на две равные части. А противофазными эти напряжения становятся потому, что заземлена средняя точка вторичной обмотки. Когда на верхнем (по схеме) ее конце появляется «плюс» относительно средней точки, на нижнем конце относительно этой точки оказывается «минус». А поскольку напряжение переменное, то «плюс» и «минус» все время меняются местами (рис. 108).

Рис. 108. Фазоинвертор создает два переменных напряжения, сдвинутых по фазе на 180°.

Трансформаторный фазоинвертор прост и надежен, его практически не нужно налаживать. Двухтактный усилитель для транзисторного приемника или небольшой радиолы можно собрать не только по схеме рис. 45, но и по одной из схем усилителя НЧ промышленного приемника. Например, по схеме приемников «Альпинист», «Нева-2», «Спидола» и др.

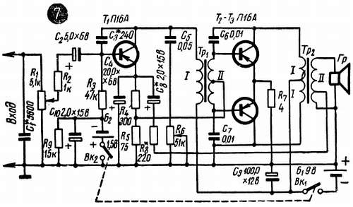
Желание избавиться от трансформаторов привело к созданию нескольких более сложных схем двухтактных усилителей. Одна из них приведена на рис. 104—6.

рис. 1046

Как видите, на этой схеме нет ни выходного трансформатора, с помощью которого осуществляется «сшивание» двух половинок сигнала, ни трансформатора фазоинвертора (его часто называют согласующим трансформатором), с помощью которого на двухтактный каскад подаются два противофазных управляющих напряжения.

Как же решаются эти задачи в безтрансформаторном усилителе? В данном случае они решаются благодаря применению транзисторов с разной структурой — транзисторов типа n-р-n и р-n-р. Транзисторы n-р-n в сравнении с транзисторами р-n-р, если можно так сказать, делают все наоборот (рис. 104—6, 109).

Рис. 109. Если в двухтактном каскаде работают транзисторы с разной структурой (проводимостью), то можно обойтись и без фазоинвертора.

В частности, на коллектор им нужно подавать не «минус», а «плюс». Отпирает эти транзисторы уже не отрицательное, а положительное напряжение. Это значит, что на таких разных транзисторах можно собрать двухтактный выходной каскад без всякого фазоинвертора и подавать на их базы одно и то же управляющее напряжение, один и тот же сигнал. Отрицательный полупериод этого напряжения будет отпирать транзистор р-n-р (Т3), а положительный полупериод будет отпирать транзистор n-р-n (Т4), и таким образом транзисторы будут работать поочередно.

В коллекторной цепи транзисторов с разной структурой токи тоже, движутся в разных направлениях. И благодаря этому один из транзисторов создает положительную «половинку» выходного сигнала, а второй транзистор — отрицательную.

Однако это еще не дает права исключить из схемы выходной трансформатор: кроме «сшивания» сигнала, у него есть еще одна функция — согласование высокого выходного сопротивления транзистора с малым сопротивлением громкоговорителя (рис. 83). Кто же берет на себя эту роль выходного трансформатора? Никто. Просто выходной каскад собран по схеме ОК, а одна из главных ее особенностей — низкое выходное сопротивление. Таким образом, в какой-то степени пожертвовав усилением (схема ОК усиливает хуже, чем ОЭ), удается обойтись без выходного трансформатора.

Несколько слов о «мелких» особенностях схемы (рис. 104—6).

В цепь эмиттера транзистора Т1 включено два резистора, причем только один из них зашунтирован конденсатором. Этот резистор R4 выполняет уже знакомые нам обязанности в системе термостабилизации, а второй резистор — R5 — является элементом обратной связи. Причем не только связи, охватывающей первый каскад, — на резистор R5 через R13C9 подается напряжение обратной связи с выхода усилителя и таким образом появляется цепочка обратной связи, охватывающая сразу все усилительные каскады.

Отрицательная обратная связь хотя и уменьшает общее усиление, зато в значительной степени снижает искажения, особенно те, что возникают в выходном каскаде в процессе «сшивания» сигнала. Одна из возможных причин таких искажений— некоторая неодинаковость параметров транзисторов, работающих в двухтактной схеме. Из-за этой неодинаковости «половинки» выходного сигнала немного различаются и форма сигнала оказывается несколько искаженной.

Каким же образом отрицательная обратная связь снижает искажения, исправляет форму сигнала? Чтобы ответить на этот вопрос, нужно вспомнить, что искажение формы сигнала, по сути дела, означает появление в сигнале новых гармоник, новых синусоидальных составляющих. Так было и при умышленном искажении формы — при выпрямлении переменного тока и детектировании. Так получается и при усилении.

По цепи отрицательной обратной связи новые, появившиеся в результате искажений гармоники подаются на вход усилителя в такой фазе, что они сами себя ослабляют. Мощность этих гармоник на выходе усилителя оказывается меньше, чем она была бы без обратной связи. Одновременно, конечно, ослабляются и полезные составляющие, из которых должен складываться неискаженный сигнал, но это дело поправимое. Чтобы скомпенсировать эту вредную деятельность отрицательной обратной связи, можно увеличить уровень сигнала, поступающего на вход усилителя, может быть даже добавив для этого еще один каскад.

Отрицательная обратная связь в усилителях НЧ, особенно в двухтактных усилителях, работающих в классах АБ и Б, находит очень широкое применение: отрицательная обратная связь позволяет сделать то, что никакими другими средствами не достигается, — она позволяет уменьшить искажения формы сигнала, уменьшить так называемые нелинейные искажения.

Отрицательная обратная связь позволяет выполнить еще одну важную операцию — осуществить регулировку тембра, то есть в нужном направлении изменить частотную характеристику усилителя. Эта характеристика показывает, как меняется усиление с изменением частоты сигнала.

Для идеального усилителя частотная характеристика — это просто прямая линия: усиление на всех частотах у такого усилителя одинаково. Но у реального усилителя частотная характеристика загнута, завалена в области самых низких и самых высоких частот. Это значит, что низшие и высшие частоты звукового диапазона усиливаются хуже, чем средние частоты. Причины появления таких завалов частотной характеристики могут быть разными, но корень у них общий. Неодинаковое усиление на разных частотах получается потому, что в схеме имеются реактивные элементы — конденсаторы и катушки, сопротивление которых меняется с частотой.

Существует много способов исправления частотной характеристики, в том числе и введение частотно-зависимых элементов в цепь обратной связи. Пример таких элементов — цепочка R13C9 в нашем усилителе. Сопротивление этой цепочки с уменьшением частоты растет (Воспоминания № 13 и № 16), обратная связь уменьшается, и благодаря этому создается некоторый подъем частотной характеристики в области низших частот.

В усилителе имеется еще несколько цепей отрицательной обратной связи. Это конденсатор С6, соединяющий коллектор транзистора Т2 с его базой; резистор R12, который подает на базы выходных транзисторов не только постоянное смещение, но еще и некоторую часть выходного сигнала; цепочка, которая создает обратную связь третьего каскада со вторым, но уже не по переменному, а по постоянному току (такая обратная связь повышает термостабильность усилителя).

Громкоговоритель включен в коллекторные цепи выходных транзисторов через разделительный конденсатор С4. Сопротивление звуковой катушки в данной схеме может составлять 6—10 ом. Усилитель развивает мощность до 100 мвт при напряжении входного сигнала около 30–50 мв.

Существует довольно большое число схем бестрансформаторных усилителей на транзисторах разной проводимости. В большинстве из них в выходном каскаде используют составные транзисторы, то есть в каждое плечо включают два транзистора. Отсутствие трансформаторов и уменьшение числа разделительных конденсаторов позволяет в таких усилителях получить очень хорошую частотную характеристику. Однако начинающему радиолюбителю этот выигрыш достается довольно дорогой ценой — бестрансформаторные усилители, да еще с составными транзисторами, не всегда просто наладить. И поэтому, если у вас еще нет большого опыта в налаживании транзисторной аппаратуры, лучше собрать усилитель по классической двухтактной схеме с трансформаторами (рис. 45).

Еще одна двухтактная схема с трансформаторами приведена на рис. 104—7. Главная особенность усилителя — фиксированное от отдельной батареи Б2 смещение на базу первого каскада Т1. Благодаря этому коллекторный ток транзистора Т1 остается практически неизменным при уменьшении напряжения коллекторной батареи вплоть до 3,5 в. С нижней части делителя R4R5, включенного в эмиттерную цепь Т1, подается смещение на базы транзисторов выходного каскада. И поэтому при уменьшении коллекторного напряжения смещение транзисторов Т3Т4 не меняется. В результате усилитель работает при пониженном напряжении, хотя и с меньшей выходной мощностью (при 3,5 в — 20 мвт), но без искажений.

Ток, потребляемый от батареи Б2, не превышает 500 мка.

В усилителе имеется простейший регулятор тембра R6С5 и цепь обратной связи R8С8, снижающая искажения. Резистор R9 необходим для того, чтобы при выключении Б2 (может случиться так, что Вк2, разомкнет цепь на какие-то доли секунды раньше, чем Вк1) транзистор Т1 не оказался с «висящей базой» (рис. 89). Конденсаторы С7С6 — элементы отрицательной обратной связи, предотвращающие самовозбуждение на сверхзвуковых частотах. Ту же задачу выполняет конденсатор С1.

Трансформаторы Тр1 и Тр2 взяты от приемника «Альпинист» (таблица 12). Громкоговоритель с сопротивлением звуковой катушки около 6 ом.

При коллекторном напряжении 9 в усилитель развивает мощность 180 мет и потребляет от батареи Б2 ток не более 20–25 ма. Если нужно повысить выходную мощность, можно включить в качестве Т3 и Т4  мощные транзисторы, например П201. В этом случае нужно уменьшить в два раза R7 и подобрать R5 с таким расчетом, чтобы общий коллекторный ток покоя Т3 и Т составлял 15–25 ма. Для мощных транзисторов нужен другой выходной трансформатор, например, с такими данными: сердечник сечением около 3,5 см2 (Ш17х17); первичная обмотка 330 + 330 витков ПЭ 0,31, вторичная обмотка 46 витков ПЭ 0,51. С транзисторами П201 усилитель развивает выходную мощность 1,5–2 вт.

На рис. 110 приведена схема усилителя НЧ с выходной мощностью 2,5–3 вт. Его второй каскад — фазоинвертор с разделенными нагрузками. После него следуют два совершенно одинаковых эмиттерных повторителя (Т3, Т4), каждый из которых подает сигнал на свое плечо двухтактного выходного каскада. Для громкоговорителя с сопротивлением звуковой катушки 5 ом выходной трансформатор может иметь следующие данные: сердечник сечением 3 см2; обмотка 1 — 2х200 витков ПЭ 0,33, обмотка II — 100 витков ПЭ 0,8.

Рис. 110. Усилитель НЧ с выходной мощностью 2,5–3 вт.

Налаживание всех усилителей НЧ сводится к подбору режимов транзисторов. Для двухтактных схем желательно предварительно подобрать для обоих плеч транзисторы с близкими параметрами: коэффициентом усиления по току β и обратным током коллектора Iко. Если все детали исправны и схема собрана правильно, то усилитель, как правило, сразу начинает работать. И единственная серьезная неприятность, которая может обнаружиться при включении усилителя, — это самовозбуждение. Один из способов борьбы с ним — введение развязывающих фильтров (аналогичных R14C5 в схеме рис. 104—6), которые предотвращают связь между каскадами через источники питания (рис. 77). С другими способами борьбы с самовозбуждением мы познакомимся в следующем разделе книги, после того, как выясним некоторые подробности превращения усилителя в генератор.

ПРЕВРАЩЕНИЕ В ГЕНЕРАТОР

Человек, изучающий электронику, подобен туристу, плывущему мимо красивейших берегов Крыма или Кавказа и вынужденному наблюдать эти берега лишь с борта корабля. Человек, изучающий электронику, очень часто проплывает мимо изумительно красивых явлений природы, мимо очень важных, можно даже сказать — фундаментальных, научных проблем и не имеет возможности сойти на берег, чтобы познакомиться с ними. Иначе путешествие слишком затянется или даже изменится его конечный маршрут. (Последнее, кстати, совсем неплохо, но только не в начале пути. Есть немало примеров того, как радиоинженеры уходили в биологию, ракетостроение, математику, химию, медицину, геофизику, сельское хозяйство, астрономию и другие области. Обогащенные методами и идеями электроники, они открывали в этих областях науки новые направления или, подобно катализатору, резко ускоряли ход исследований.)

Мы с вами уже прошли мимо таких интересных и общих проблем как преобразование структуры вещества, универсальность гармонических (синусоидальных) колебаний, преобразование спектра сигнала, согласование генератора с нагрузкой, управление мощными потоками энергии с помощью слабых сигналов и др. Сейчас нам предстоит встреча еще с одним общим, универсальным явлением — с возникновением автоколебаний.

Мы часто встречаем механические автоколебания: вибрация самолетного крыла и автоколебания в гидравлических системах (вам наверняка приходилось слышать «поющий» водопроводный кран), и автоколебания далеких звезд, и автоколебания в мире атома, автоколебания при ядерных реакциях и электромагнитные автоколебания. Есть серьезные основания думать, что автоколебания играют важнейшую роль и в живой природе, что сама жизнь — это огромное многообразие разного рода, разной степени сложности биохимических автоколебаний.

Что же такое автоколебания? Энциклопедический словарь определяет их так: «…незатухающие колебания, которые могут существовать в какой-либо системе в отсутствие переменного внешнего воздействия, причем амплитуда и период колебаний определяются свойствами самой системы». Применительно к транзисторному устройству, где создаются автоколебания (вы уже, конечно, догадались, что именно такое устройство и называется транзисторным генератором), это определение нужно понимать следующим образом. Мы подводим к генератору только питающее постоянное напряжение, а он дает нам непрерывные, непрекращающиеся электрические колебания (конечно, когда батарея разрядится, то колебания прекратятся, но об этом сейчас не стоит говорить). Генератор создает в своих цепях переменный ток и переменное напряжение, частота и амплитуда которых зависят только от элементов самой транзисторной схемы.

Очевидно, это определение направило ваши мысли к колебательному контуру. Ведь в нем тоже под действием постоянной порции энергии, например под действием энергии, полученной при зарядке конденсатора, возникают электрические колебания. И частота этих колебаний тоже зависит только от элементов самой системы — от индуктивности Lк катушки к емкости Ск конденсатора (Воспоминание № 20). Однако собственные колебания в контуре постепенно затухают, и таким образом нарушается основной элемент определения — «…незатухающие колебания».

И все же мы обратились к колебательному контуру не напрасно. В сочетании с транзисторным усилителем он позволяет получить самый настоящий генератор автоколебаний.

Почему затухают колебания в контуре? Потому что часть энергии теряется на активном сопротивлении потерь Rк и постепенно оно отбирает и превращает в тепло или в излучения всю запасенную в контуре энергию. Отсюда следует: чтобы колебания в контуре стали незатухающими, нужно ликвидировать сопротивление потерь. Или каким-то образом его скомпенсировать.

Вы уже, конечно, вспомнили, что у нас в арсенале есть эффективное средство борьбы с сопротивлением — Rк. Это положительная обратная связь, которую мы уже применяли в регенеративном усилителе (рис. 99). Но только, если в усилителе обратная связь не должна полностью компенсировать потери, в генераторе потери должны быть скомпенсированы полностью.

Здесь-то как раз и проходит граница между усилителем и генератором. До тех пор, пока в контуре еще есть сопротивление Rк, мы имеем усилитель. Но как только это сопротивление исчезает, как только обратная связь полностью компенсирует все потери, усилитель становится генератором, в нем происходит самовозбуждение. Это значит, что на вход усилителя уже не нужно подавать управляющий сигнал (когда-то его называли «возбуждением», и отсюда слово «самовозбуждение»). Как только в контур попадет порция энергии — а это может произойти при любом толчке тока, например при включении питания, — то в контуре возникнут колебания, которые благодаря достаточно сильной обратной связи станут незатухающими. Рожденный в контуре и усиленный транзистором сигнал вновь возвращается в контур, чтобы участвовать в управлении работой транзистора. Транзистор сам создает для себя управляющий сигнал, работает в режиме самовозбуждения, а значит, генерирует незатухающий переменный ток. И, конечно же, поставщиком энергии для него, как всегда, является коллекторная батарея.

Чтобы автогенератор давал электрические колебания с неизменной амплитудой, нужно решить чрезвычайно сложную задачу: нужно, чтобы вносимое в контур отрицательное сопротивление было в точности равно собственному сопротивлению потерь, чтобы в контур через цепь обратной связи поступало ровно столько энергии, сколько нужно для компенсации потерь. Не меньше и не больше, потому что, если ввести в контур хоть чуть-чуть меньше энергии, чем нужно, колебания рано или поздно затухнут. А если ввести хоть немного лишней энергии, то амплитуда колебаний будет расти. Осуществить столь точную, ювелирную дозировку вводимой в контур энергии просто невозможно. Если даже в какой-то момент путем тщательнейшего подбора расстояния между контурной катушкой Lк и катушкой обратной связи Lксв удастся установить необходимый баланс, то уже через мгновение он по какой-либо причине окажется нарушенным. То ли легкая вибрация (например, из-за проехавшего по улице автомобиля) сдвинет катушки на какой-нибудь микрон, то ли напряжение батареи уменьшится на какой-нибудь микровольт, то ли сопротивление проводов увеличится на какие-то доли ома из-за легкого дуновения ветерка. Одним словом, автогенератор всегда находится в неустойчивом динамическом состоянии, и, для того чтобы амплитуда колебаний оставалась постоянной, нужно ввести некое автоматическое устройство, которое все время регулировало бы степень положительной обратной связи.

Подобная задача уже возникала перед нами, когда мы создавали систему автоматической стабилизации режима транзисторного усилителя. Уже тогда мы отметили, какую большую роль играет в электронной аппаратуре малая автоматизация. Еще один пример простейшей схемы авторегулировки мы встречаем в генераторе незатухающих колебаний, например, в виде схемы, постепенно запирающей транзистор, с увеличением управляющего сигнала.

Итак, для того чтобы усилитель превратился в генератор и давал незатухающие электрические колебания, нужно выполнить два условия. Их обычно называют условием фаз и условием связи (рис. 114).

Рис. 114. Для получения автоколебаний необходимо выполнить два условия: условие фаз и условие связи.

(Рис. 110–113 см. на цветной вклейке между стр. 288–289)[2].

Выполнить условие фаз — это значит подать из выходной цепи во входную сигнал именно в такой фазе, чтобы он компенсировал потери энергии. Проще говоря, в автогенераторе обратная связь должна быть положительной. Выполнить условие связи — значит подать из выходной цепи во входную сигнал настолько мощный, чтобы он полностью компенсировал все потери энергии во входной цепи.

Как мы только что видели по цепи обратной связи, энергию нужно передавать даже с некоторым избытком, в расчете на то, что система авторегулировки сама будет поддерживать нужный уровень поступающего во входную цепь сигнала.

Схема, которую мы до сих пор рассматривали, называется схемой с трансформаторной обратной связью: контурная катушка Lк и катушка обратной связи Lос образуют своего рода трансформатор. Условие фаз в этой схеме выполняется только при определенном включении выводов катушек. И если генератор, собранный по трансформаторной схеме, почему-либо не работает, то прежде всего стоит предположить, что катушки включены неверно и условие фаз не выполняется — обратная связь получается не положительной, а отрицательной. В этом случае нужно поменять местами выводы одной из двух катушек и повернуть таким образом фазу напряжения, поступающего на вход генератора, на 180°. Если не выполняется условие связи, то следует сблизить катушки или увеличить число витков катушки Lос.

Кроме генератора с трансформаторной обратной связью, существуют еще две схемы автогенераторов с колебательным контуром (очень скоро мы познакомимся с генераторами, в которых контура нет). Это так называемые трехточечные схемы (рис. 115) с емкостной или же с индуктивной обратной связью.

Рис. 115. Частота автоколебаний определяется параметрами электрической цепи, в частности индуктивностью и емкостью контура.

Трехточечные схемы получили такое название потому, что в них транзистор подключается к контуру в трех точках и напряжение Uос обратной связи снимается с некоторой части самого контура. В индуктивной трехточечной схеме Uос снимается с части катушки Lк, а в емкостной схеме — с конденсатора С''к, который вместе с С'к входит в контур. Общая емкость контура в этом случае определяется двумя последовательно соединенными конденсаторами (Воспоминание № 14).

Условие фаз в обеих схемах выполняется только при таком подключении контура к транзистору, когда в центре оказывается эмиттер, а по краям — коллектор и база. Если не выполняется условие связи, то в индуктивной схеме нужно несколько переместить среднюю точку подключения к контуру с таким расчетом, чтобы между базой и эмиттером оказалось большее число витков. При этом увеличится и напряжение обратной связи Uос. В емкостной схеме в подобном случае нужно уменьшить емкость конденсатора С''к, с которого снимается напряжение Uос так как этот конденсатор вместе с С'к образует своего рода делитель напряжения. Чем меньше С''к, тем больше его емкостное сопротивление (Воспоминание № 13), тем большая часть контурного напряжения оказывается напряжением обратной связи.

Частота колебаний автогенератора во всех случаях определяется данными деталей контура LкСк. Оговорка «в основном» необходима потому, что в контур входят еще и невидимые индуктивности, емкости и сопротивления. И прежде всего емкости коллекторного и эмиттерного переходов. Они суммируются с параметрами самого контура и таким образом влияют на частоту. В случае необходимости можно довольно просто изменить частоту колебаний, изменив для этого Lк или Ск (рис. 115).

Автогенератор с колебательным контуром при правильном выборе режима транзистора дает напряжение, довольно близкое к синусоидальному. Однако синусоидальное напряжение можно получить и без контура — в так называемом RС-генераторе. В самом упрощенном виде принцип действия этого генератора можно описать так: в нем создана цепь обратной связи, по которой проходят колебания разных частот, но только для одной из них выполняется условие фаз, и именно на этой частоте происходит самовозбуждение (рис. 116).

Рис. 116. В RC-генераторе для выполнения условия фаз используются фазовращающие цепочки из конденсаторов и резисторов.

В цепь обратной связи генератора входят три цепочки, каждая из которых включает резистор и конденсатор. Отсюда и само название RС-генератор. Мы уже знаем, что конденсатор создает сдвиг фаз между током и напряжением (Воспоминание № 13), а резистор никакого сдвига фаз не создает. Вместе они сдвигают фазу на некоторый угол φ, который лежит в пределах между 0 и 90°. Угол сдвига фаз зависит от двух факторов — от соотношения между R и С и от частоты (Воспоминание № 16). С увеличением частоты, например, емкостное сопротивление хс уменьшается, его роль в общей последовательной цепи становится менее ощутимой, и угол сдвига фаз также становится меньше. На более низких частотах конденсатор становится главным действующим лицом, и угол сдвига фаз приближается к 90°.

Всегда существует такая частота, на которой угол сдвига фаз между током и напряжением, а значит, между напряжением, подводимым к RС-цепочке, и напряжением, которое с нее «понимается, равен 60°. Если соединить последовательно три такие цепочки, то они создадут на какой-то одной частоте (обратите внимание — только на одной определенной частоте!) общий угол сдвига фаз 180°. Именно на этой частоте в RC-генераторе будет выполняться условие фаз, и именно эту частоту он будет генерировать. Если нужно изменить частоту генерации, то достаточно изменить данные RС-цепочек. При уменьшении сопротивления R и емкости С условие фаз будет выполняться для более высокой частоты, а при их увеличении — для более низкой.

Теперь настал момент несколько отвлечься от основной темы и выполнить данное в конце предыдущего раздела обещание: объяснить, как возникает самовозбуждение в усилителе низкой частоты.

В усилителе НЧ всегда существует обратная связь. Это может быть отрицательная обратная связь, которую мы вводим для уменьшения искажений. Это может быть и неизвестно какая обратная связь, которая появляется неизвестно каким путем — через источники питания, через общие цепи смещения, через внутренние сопротивления транзисторов и т. д.

Вполне вероятно, что для какой-то частоты, а может быть, и для целой группы частот, элементы обратной связи создадут такой сдвиг фаз, что она окажется положительной. А если еще при этом будет выполняться необходимое для самовозбуждения условие фаз, то усилитель, естественно, превратится в генератор.

Устранить самовозбуждение усилителя можно, например, так: нужно добиться, чтобы в нем не выполнялось условие связи. А для этого, в свою очередь, нужно снизить усиление одного или нескольких каскадов, уменьшив, например, у них сопротивления нагрузки. Правда, такой способ борьбы с самовозбуждением трудно признать удачным, и, прежде чем прибегать к этой крайней мере, стоит поискать другие пути. Например, ввести дополнительные развязывающие фильтры; зашунтировать батарею конденсатором большой емкости; отсоединить цепи отрицательной обратной связи или, по крайней мере, изменить данные их деталей; поочередно замыкать выходные цепи транзисторов конденсаторами сравнительно небольшой емкости, по нескольку тысяч пикофарад; пробовать увеличить емкость переходных конденсаторов, и др.

Генерация может возникать и в усилителе ВЧ, причем здесь для выполнения обоих условий самовозбуждения не так уж много надо. Сигнал нужной фазы и нужного уровня может, например, попадать из выходной цепи во входную через какую-нибудь паразитную емкость, образованную двумя близко расположенными проводами. Или через общее магнитное поле двух неудачно расположенных катушек. К сожалению, генерация в усилителе ВЧ не всегда проявляет себя в виде специфического «писка». Может так случиться, что усилитель ВЧ возбуждается, на слух это не обнаруживается, а приемник в результате такого самовозбуждения не работает. Чтобы найти и устранить самовозбуждение усилителя ВЧ, нужно попробовать уменьшить усиление каскадов, а может быть, временно даже отключить один из них.

Устранение паразитного самовозбуждения усилителя во всех случаях — дело не простое и кропотливое. Оно требует терпения и, самое главное, понимания физических процессов, с которыми связано превращение усилителя в генератор.

Существует целый ряд генераторов, которые дают колебания не синусоидальной, а сложной формы, например прямоугольные импульсы, пилообразное напряжение, прерывистые, как бы модулированные колебания и т. п. Несмотря на изменение формы тока, принцип действия всех генераторов остается неизменным: положительная обратная связь приводит к тому, что электрические колебания, используя энергию коллекторной батареи, сами себя поддерживают, создают непрерывный процесс, в результате которого меняется коллекторный ток транзистора.

Один из весьма популярных генераторов колебаний сложной формы — это мультивибратор. Само его название, переведенное на русский язык, означает «генератор, создающий много разных колебаний». В распространенной схеме мультивибратора работают два транзистора, причем выход одного из них связан со входом другого (рис. 117).

Рис. 117. В мультивибраторе колебания возникают в результате поочередного запирания транзисторов.

Это приводит к тому, что транзисторы поочередно открываются и запираются: если один из них запирается, то он отпирает своего запертого соседа, а тот, в свою очередь, открывшись, запирает своего избавителя, открываясь при этом сам. Процесс этот происходит непрерывно, чем-то напоминая перебрасывание мяча через волейбольную сетку (слова «отпирается» и «запирается» применительно к транзистору, как всегда, означают пропускание коллекторного тока под действием «минуса» на базе и прекращение этого тока под действием «плюса»). Частота колебаний, которые дает мультивибратор, зависит от того, настолько быстро происходит заряд и разряд конденсаторов С' и С. Изменяя емкость этих конденсаторов, а также сопротивление резисторов R'б и Rб, через которые происходит заряд и разряд конденсаторов, можно в довольно широких пределах менять частоту колебаний.

Рассмотрим несколько практических схем транзисторных генераторов.

Простейший генератор, выполненный по трехточечной схеме с индуктивной обратной-связью (рис. 118—1), может заменить в вашей квартире электрический звонок.

рис. 1181

Роль контурной катушки с отводом в таком звонке выполняет автотрансформатор, намотанный на любом сердечнике сечением 3 см2 (можно взять, например, сердечник от трансляционного громкоговорителя). Данные секций: Iв содержит 25 витков, Iа и Iб — по 35 витков провода ПЭ 0,45. Непосредственно к секции Iв подключен низкоомный громкоговоритель. Частоту колебаний можно менять, подбирая емкость конденсатора С1, который входит в колебательный контур.

Следующий генератор (рис. 118—2) дает прерывистые колебания звуковой частоты, чем-то напоминающие сигналы нашего первого спутника, знаменитое «Бип-бип-бип…». Сам генератор звуковой частоты собран по трехточечной схеме с емкостной обратной связью. В качестве катушки L1 можно включить обмотку выходного или согласующего трансформатора.

рис. 1182

Прерывистая генерация получается благодаря периодическому запиранию транзистора Т1 напряжением, которое появляется на R*3. После того как транзистор запрется и колебания срываются, запирающее напряжение падает, и транзистор вновь открывается. Частота отпирания транзистора, а значит, и частота появления «пакетов» звуковых колебаний зависят от данных зарядной цепочки R3С3. Подбором этих деталей можно добиться того, что звуковые сигналы будут появляться один — три раза в секунду. Частота звуковых колебаний, то есть сам тон звука, в основном определяется деталями контура L1C2. При налаживании генератора может оказаться полезным заземлить базу Т1 через конденсатор в несколько микрофарад. На транзисторе Т2 собран усилитель, в коллекторную цепь которого включается телефонный капсуль или громкоговоритель с выходным трансформатором.

Периодический заряд конденсатора используется в другом, очень простом двухтранзисторном генераторе (рис. 118—5), который дает два «сорта» электрических сигналов — пилообразный и близкий к прямоугольному.

рис. 1185

В первый момент после включения оба транзистора заперты, а конденсатор С1 через R3 заряжается питающим напряжением. При этом запирающее напряжение уменьшается, и в какой-то момент транзисторы оказываются открытыми. Через них разряжается конденсатор, и весь процесс начинается сначала. При указанных на схеме величинах продолжительность одной «пилы» составляет около 3,5 сек. Чтобы уменьшить это время, то есть увеличить частоту колебаний, нужно ускорить процесс заряда конденсатора, уменьшив С1 или R3. Особенность генератора — высокое выходное сопротивление, и его нужно подключать к усилителю с первым каскадом по схеме ОК.

Во многих практических схемах RС-генераторов используются два транзистора, так как при этом появляется запас усиления и легче выполнить условие связи. Сигнал поступает с выхода второго транзистора на вход первого через обычную линию передачи, состоящую из трех RС-цепочек, и каждая из них поворачивает фазу на 60°. При подсчете общего сдвига фаз нужно помнить, что на коллекторе и на базе одного и того же транзистора напряжения противофазны (когда на базе растет напряжение, на коллекторе оно уменьшается). Если же нагрузка включена в эмиттерную цепь (схема ОК), то на этой нагрузке напряжение совпадает по фазе с напряжением на базе (когда напряжение на базе растет, то увеличивается коллекторный ток и напряжение на эмиттерной нагрузке тоже увеличивается).

После этих предупреждений станет понятно, как получается необходимый сдвиг фаз в практической схеме RС-генератора, приведенной на рис. 118—3.

рис. 1183

Транзистор Т2 не поворачивает фазу обратной связи, транзистор Т1 поворачивает фазу на 180° и на столько же поворачивает фазу линия передачи, состоящая из трех RС-цепочек. Общий сдвиг фаз равен 360°, то есть равен нулю, и условие фаз выполняется.

Для приведенных на схеме данных частота колебаний составляет примерно 5—15 гц. Такие низкочастотные колебания используются в электромузыкальных инструментах для создания так называемого вибрато — своеобразной модуляции звука. Если уменьшить емкость и сопротивление RС-цепочек, то генератор будет давать более высокую частоту.

В качестве низкочастотного генератора радиолюбители чаще всего используют мультивибратор — он прост по схеме, не требует каких-либо сложных деталей, начинает работать без всякого налаживания и позволяет очень легко менять частоту колебаний. Два типичных мультивибратора вы найдете на рис. 118—6, где приводится схема игрушки «Спутник».

рис. 1186

Мультивибратор, выполненный на транзисторах Т1 и Т2,— это, по сути дела, самостоятельный блок, который дает колебания с частотой около 1 кгц. Увеличивая С1С2 или в крайнем случае R3R4 (сопротивление этих резисторов влияет не только на частоту, но и на режим триодов), можно уменьшить эту частоту вплоть до долей герца. Так, в частности, во втором мультивибраторе, собранном на транзисторах Т4Т5, благодаря увеличению емкости разделительных конденсаторов до 25 мкф частота понижена до 3 гц.

Второй мультивибратор является своего рода ключом, подающим питание на первый, «звуковой» мультивибратор. В результате, так же как и в схеме рис. 118—2 звук получается прерывистым и напоминает сигналы первого спутника.

Периодическое включение «звукового» мультивибратора происходит потому, что он фактически является коллекторной нагрузкой одного из транзисторов (Т4) «ключевого» (правого по схеме) мультивибратора. Когда этот транзистор заперт, то на нагрузке, то есть на «звуковом» мультивибраторе, нет питающего напряжения (при Iк = 0 напряжение Uн = Iк·Rн также равно нулю). Когда же транзистор Т4 отпирается, то сопротивление его падает и напряжение источника почти полностью поступает на коллекторную нагрузку — на «звуковой» мультивибратор. Поскольку этот мультивибратор вместе с сигнальной лампочкой от карманного фонаря потребляет сравнительно большой ток — больше 100 лш, — то в схему пришлось ввести еще один, уже довольно мощный транзистор П201 (Т3). Он помогает транзистору Т4 выполнять трудную работу и легко пропускает нужный ток. Этот транзистор можно назвать полупроводниковым реле, которое, получив команду от своего управляющего транзистора (Т4), подает питание на «звуковой» мультивибратор.

Еще одно применение мультивибратора — электронный метроном (рис. 118—7), то есть генератор, отбивающий для музыканта ровный такт во время репетиций.

рис. 1187

Частоту следования импульсов можно менять скачкообразно переключателем П1 или плавно одним из резисторов R5 или R6 (в зависимости от положения переключателя). Этот же мультивибратор с усилителем Т3, если резко уменьшить емкость переходных конденсаторов, можно использовать как самостоятельный звуковой генератор, например, для обучения азбуке Морзе или в простейшем электромузыкальном инструменте. Для увеличения выходной мощности можно в качестве Т3 включить транзистор П201.

Очень простой мультивибратор можно собрать на транзисторах разной проводимости (рис. 118—4).

рис. 1184

Частоту следования импульсов и их продолжительность здесь легко менять в широких пределах: с увеличением С1 и R1 возрастает длительность импульсов, а с увеличением С1 и R2 возрастает продолжительность пауз между ними. При указанных на схемах величинах частота повторения импульсов оказывается очень низкой — около одного импульса в секунду.

Простой электромузыкальный инструмент «поющий стакан» (рис. 111—4) можно собрать на основе так называемого блокинг-генератора.

рис. 1114

Так же как в знакомом нам генераторе синусоидальных колебаний с трансформаторной обратной связью (рис. 114), энергия из выходной цепи во входную передается через трансформатор. Однако самовозбуждение блокинг-генератора не связано с собственными синусоидальными колебаниями в контуре. Колебания в блокинг-генераторе возникают в результате довольно сложных лавинообразных процессов, которые приводят к периодическому запиранию и отпиранию транзистора. И, как это уже не раз бывало в других знакомых нам генераторах, частота колебаний определяется данными зарядной RС-цепочки.

Выходное сопротивление блокинг-генератора довольно велико, и его можно подключать лишь к усилителю НЧ с высокоомным входом, например ко входу звукоснимателя лампового приемника или радиолы. Для подключения блокинг-генератора к транзисторному усилителю НЧ нужно ввести дополнительный первый усилительный каскад по схеме ОК или применить готовый блок усиления, схема которого приведена на рис. 104—1. Роль зарядного резистора выполняет вода, налитая в стакан и включенная в цепь с помощью двух длинных электродов из тонкой жести или из толстой проволоки.

Если поднимать или опускать эти электроды или один из них, то объем воды, включенной в цепь, будет меняться, а значит, будет меняться и частота колебаний блокинг-генератора. Элементы цепи подобраны таким образом, чтобы генератор работал в диапазоне звуковых частот и чтобы, перемещая один из электродов, можно было бы исполнять простейшие мелодии. В качестве Тр1 можно взять БТК (блокинг-трансформатор кадровый) от любого телевизора.

На изменении сопротивления зарядной цепочки основано изменение тона в другом простейшем клавишном музыкальном инструменте (рис. 111—1).

рис. 1111

Сопротивления, определяющие тот или иной тон, образованы двумя резисторами, например R'a и R''a чтобы подбором меньшего сопротивления легче было бы осуществить точную настройку инструмента. Еще проще подгонять частоту генератора, если в зарядную цепь включить переменные резисторы. Настройку генератора нетрудно сделать с помощью рояля. Ориентировочно сопротивление R'a + R''a должно составлять 150 + 200 ком, а каждое следующее должно быть меньше примерно на 10 ком.

Клавиши легко изготовить самому из тонкой и упругой стальной, латунной или гетинаксовой пластинки, закрепив на ней простейшие контакты (рис. 111—3).

рис. 1113

После того как электромузыкальный инструмент настроен и налажен, можно попытаться сделать более богатым его звучание, ввести несколько цепей формирования тембра. Изменение тембра — это всегда изменение формы сигнала, или, иначе говоря, его искажение. Поэтому в систему формирования тембра могут, например, входить диоды, срезающие половину сигнала. Или диоды, работающие в режиме ограничения (рис. 27—9). Формирование тембра в электромузыкальных инструментах лишь расширяет наш список возможных «профессий» полупроводникового диода, но еще далеко не завершает этот список.

ПРЕКРАСНЫЕ ИСКАЖЕНИЯ

Если вы построите приемник по одному из приведенных в этой книге описаний и захотите, не меняя основной схемы ввести в приемник коротковолновый диапазон, то знайте — это напрасная затея.

На первый взгляд может показаться, что, для того чтобы принимать короткие волны, нужно лишь изготовить новый колебательный контур с очень небольшой индуктивностью. Резонансная частота контура при этом резко увеличится, и если правильно рассчитать индуктивность катушки, то можно вогнать частоту настройки контура в границы коротковолнового диапазона. Однако такая мера, как это ни странно, ничего не даст — контур будет настраиваться на коротковолновые станции, а принимать их вы наверняка не будете.

Причин здесь несколько. На коротких волнах, то есть на частотах от нескольких Мгц до нескольких десятков Мгц, все наши усилительные схемы, не работают или в лучшем случае работают плохо. Начинают сказываться паразитные емкости, которые не играли почти никакой роли на средних и длинных волнах, то есть на частотах меньше или немного больше чем 1 Мгц. Из-за тех же паразитных емкостей возникают обратные связи, и усилитель, как правило, возбуждается. Но даже если в результате долгого, кропотливого налаживания удастся миновать эти неприятности и провести сигналы коротковолновых станций от антенны до детектора, то и в этом случае пользоваться приемником все равно нельзя будет, потому что контур пропустит в приемник сразу очень большое число станций.

На коротких волнах даже очень хороший контур не в состоянии отделить нужную станцию не только от соседней, но и от соседей этой соседней станции. Понять это нетрудно. Радиовещательные станции отстоят друг от друга на 10 кгц: если одна станция работает, например, на частоте 700 кгц, то уже на 710 кгц или 690 кгц может работать другая станция. Сравнительно небольшой интервал — 10 кгц — на длинных волнах составляет примерно 2–7 % резонансной частоты. Такое отличие частот, такое отклонение от резонанса хороший контур может легко заметить, и поэтому на длинных волнах он обладает неплохой избирательностью, неплохо ослабляет соседние мешающие станции.

На средних волнах дело уже обстоит хуже: здесь частота соседней мешающей станции отличается от резонансной частоты всего на 0,7–2 % (это вполне понятно — с переходом от длинных волн к средним резонансная частота контура повышается, а расстояние до соседней станции остается таким же, каким и было, — 10 кгц). Вот почему на средних волнах избирательность оказывается значительно хуже, чем на длинных.

Ну, а что касается коротковолнового диапазона, то здесь входной контур любого из наших приемников, по сути дела, вообще не обладает никакой избирательностью. На КВ диапазоне частота соседней станции отличается от резонансной частоты всего на 0,05—0,2 %, и заметить такое различие контур не в состоянии. Практически он сразу может пропустить в приемник без заметного ослабления двадцать — пятьдесят радиовещательных станций, не считая множества «морзянок», индустриальных и атмосферных помех.

Если вы захотите в порядке «психологического практикума» найти выход из создавшегося трудного положения, то наверняка прежде всего предложите два решения. Решение первое: можно увеличить число колебательных контуров. Решение второе: можно ввести положительную обратную связь и с ее помощью улучшить добротность контура, сделать его резонансную кривую более острой.

К сожалению, практически ни одно из этих двух решений не приемлемо. Увеличив число контуров, вы страшно усложните приемник: ведь каждый контур — это самостоятельная катушка, отдельная секция переключателя диапазонов и, что страшнее всего, отдельный, но в то же время связанный с остальными конденсатор настройки (все контуры должны перестраиваться одновременно поворотом одной ручки!). Но даже если бы мы создали столь громоздкую многоконтурную систему настройки, то и она не решила бы проблему перевода наших простейших приемников на короткие волны. Что же касается положительной обратной связи, то на коротких волнах она крайне неустойчива и может лишь истрепать нервы владельцу приемника, но никак не обеспечить устойчивый, уверенный прием коротковолновых станций.

В этом месте, по-видимому, многие из вас хотят задать вопрос: если все так сложно и все так мрачно, то как же работают на коротких волнах такие, например, транзисторные приемники, как «Спидола», «Спорт-2», «Соната», «Сувенир» и другие? Ответ прост: в этих приемниках применен совершенно особый, еще не знакомый нам супергетеродинный принцип радиоприема.

Сущность его состоит в следующем. В каком бы диапазоне ни велся прием, какую бы станцию мы ни принимали, ее сигнал в приемнике прежде всего преобразуется в новый сигнал, имеющий стандартную, для всех случаев одинаковую частоту: 465 кгц. А дальше уже усиливается этот двойник сигнала принимаемой станции, усиливается сигнал промежуточной частоты (ПЧ). На промежуточной частоте происходит и очистка от мешающих соседних станций. Теперь их частоты и для средневолнового диапазона и для коротковолнового отличаются от резонансной (не забудьте, она всегда равна 465 кгц) на весьма ощутимую величину — более чем на 2 %. Но даже не эта цифра радует больше всего. Самое главное то, что промежуточная частота всегда одинакова, а значит, в усилитель ПЧ можно включить большое число раз и навсегда настроенных контуров.

После того как с таким блеском предстали перед нами достоинства супергетеродинного приема, остается доказать, что этот принцип в действительности может быть реализован, что можно сигнал любой принимаемой станции превратить в сигнал стандартной промежуточной частоты.

Нажмите две близкие клавиши рояля — сначала по отдельности, а затем вместе. Внимательно прислушавшись, вы обнаружите, что при совместном звучании клавиши создают какой-то низкий, хрипловатый и довольно слабый призвук, которого не дает ни одна из них в отдельности. Этот призвук появляется в результате одновременного искажения двух сигналов, в данном случае — двух самостоятельных звуков, которые дают две одновременно нажатые клавиши.

Дело в том, что наше ухо в какой-то степени ведет себя как полупроводниковый диод: оно имеет нелинейную характеристику (см. стр. 161) и слегка искажает форму звукового сигнала, искажает спектр звука. Когда в ухо попадает только один звук, то в результате искажений появляются его гармоники, составляющие с более высокими и всегда кратными частотами. Когда же искажениям подвергаются одновременно два звука, то, кроме гармоник каждого из них, появляются синусоидальные колебания с так называемыми комбинационными частотами — суммарной и разностной (промежуточной).

Поясним это числовым примером. Допустим, что нажата клавиша, издающая звук с частотой 440 гц («ля» первой октавы). В результате искажений этого звука появятся его гармоники — 880 гц, 1320 гц, 1760 гц и т. д. Аналогично звук с частотой 523 гц («до» второй октавы) даст гармоники 1046 гц, 1569 гц, 2092 гц и т. д. Когда же наше ухо подвергнет искажениям одновременно оба звука, то, кроме всех этих гармоник, появятся многочисленные комбинационные частоты и в их числе — синусоидальные колебания с суммарной частотой 963 гц (523 + 440) и разностной (промежуточной) частотой 83 гц (523–440).

Детально пояснить причину появления комбинационных частот довольно трудно: для этого нужны длинные математические выкладки и немало новых, сравнительно сложных понятий. Поэтому всем желающим убедиться в том, что разностная (промежуточная) частота действительно возникает, можно посоветовать лишь нажимать на две близкие клавиши рояля и внимательно прислушиваться к их совместному звучанию.

Есть, правда, еще один способ удостовериться в том, что при одновременном искажении двух сигналов появляется разностная (промежуточная) частота: достаточно включить какой-нибудь супергетеродинный приемник и убедиться в том, что он действительно работает. Лучшего доказательства существования промежуточной частоты и не придумаешь. Потому что в супергетеродине сам сигнал принимаемой станции, как правило, перестает существовать уже в первом каскаде. А дальше усиление, отделение от помех и детектирования производится с рожденным в самом приемнике сигналом промежуточной частоты.

Блок-схема супергетеродинного приемника приведена в верхней левой части рис. 119, листок А. Принятый сигнал с частотой fсиг подается на преобразователь частоты. Туда же подается вспомогательный сигнал с частотой fг от собственного маломощного генератора, расположенного в самом приемнике. Этот генератор называется гетеродином, а частоту его можно менять переключением катушек и изменением емкости конденсатора настройки. Преобразователь частоты соединен с усилителем ПЧ, все контуры которого раз и навсегда настроены на промежуточную частоту fпр.

Рис. 119. При одновременном искажении двух сигналов возникают составляющие с разностной и суммарной частотами.

Мы уже говорили, что на коротких и даже на средних волнах входной контур может пропустить сразу несколько сигналов. Встретившись в преобразователе частоты с этими прошедшими через входной контур сигналами, переменное напряжение гетеродина создаст с ними разностные частоты. Но только одна из этих разностных частот, принадлежащая только одной, нужной нам станции, будет равна стандартной промежуточной частоте, на которую настроены все контуры приемника. И только эту разностную частоту усилитель ПЧ пропустит к детектору.

Если вы захотите принять другую станцию, то нужно будет изменить частоту гетеродина так, чтобы он создал сигнал стандартной промежуточной частоты уже с этой другой станцией. Изменяя частоту гетеродина, мы будем получать промежуточную частоту 465 кгц, то с одной, то с другой, то с третьей станции, то есть будем перестраивать приемник с одной станции на другую.

Несколько слов о самом главном элементе супергетеродина — о преобразователе частоты. Этот элемент должен обязательно искажать форму сигнала так, как, скажем, наше ухо искажает звук. Без этих искажений в принципе не могут появиться новые составляющие, в том числе не может появиться и разностная частота. Иногда роль преобразователя частоты выполняет диод, но чаще — транзистор, работающий где-то в районе загиба входной характеристики. Только в этом случае оба сигнала — поступивший из входной цепи и сигнал собственного гетеродина — будут искажаться и дадут разностную частоту.

Кстати, о слове «искажения». В данном случае его, по-видимому, нельзя считать удачным, хотя оно и правильно отражает все, что происходит с сигналами. Подобно тому, как наше ухо искажает звук с «хорошими намерениями» и в результате таких искажений у звука лишь появляется приятная тембровая окраска, так и преобразователь обычно не искажает, не портит низкочастотную огибающую принятого сигнала, не портит конечную продукцию приемника — звук. И когда дело касается создания промежуточной частоты, то никогда не говорят об искажении сигналов, а называют этот процесс преобразованием частоты.

Уделив так много внимания принципу супергетеродинного приема, мы сейчас совершим резкий поворот и оставим в стороне практические схемы транзисторных супергетеродинов.

Во-первых, постройка такого приемника связана со многими трудными для любителя операциями, в частности — с настройкой большого числа контуров. Во-вторых, каждый желающий построить транзисторный супергетеродин сможет воспользоваться одним из многих его подробных описаний, имеющихся в радиолюбительских брошюрах и журналах. И, наконец, третье. Совсем не обязательно строить приемник для того, чтобы на практике посмотреть, как осуществляется преобразование частоты. Понаблюдать за этим интересным процессом можно и в каком-нибудь другом электронном приборе, например в металлоискателе или электромузыкальном инструменте — терменвоксе.

Этот инструмент получил свое название по имени изобретателя — советского радиоинженера Льва Термена. Он построил терменвокс еще лет пятьдесят назад, и с тех пор этот родоначальник электронной музыки обошел весь мир. Лев Термен демонстрировал терменвокс Ленину, и, как рассказывают очевидцы этой демонстрации, Владимир Ильич проявил большой интерес к одному из первенцев электроники.

Принцип действия терменвокса поясняет рис. 120.

Рис. 120. В терменвоксе и металлоискателе используется изменение разностной частоты при расстройстве одного из генераторов.

Основа этого музыкального инструмента — два высокочастотных генератора и преобразователь частоты. Частоты генераторов f1 и f2 выбираются таким образом, чтобы разностная частота fразн лежала в звуковом диапазоне. Так, например, если f1 = 100 кгц, а f2 = 101 кгц, то разностная частота как раз и составит 1 кгц, то есть попадет в область звуковых частот.

В дальнейшем электрические колебания разностной частоты усиливаются и превращаются в звук с помощью громкоговорителя. Один из генераторов терменвокса всегда дает постоянную частоту, а частоту второго генератора можно в небольших пределах менять. При этом меняется и разностная частота, то есть меняется высота звука. А именно это прежде всего и требуется от музыкального инструмента.

Необходимое изменение частоты одного из генераторов терменвокса осуществляется следующим образом. К контуру этого генератора подключают металлический штырь и приближают к нему руку. При этом создается некий конденсатор, одной обкладкой которого является штырь, а второй — рука. В контур вносится дополнительная емкость Свн, которая зависит от расстояния между рукой и штырем. Перемещая руку относительно штыря, мы меняем емкость контура, а значит, и частоту генератора. Вместе с ней меняется разностная частота, меняется высота звука.

Практическая схема простого транзисторного терменвокса приведена на рис. 112.

Рис. 112. Схема электрическая принципиальная терменвокса.

Генератор фиксированной частоты (Т1) собран по трехточечной схеме с емкостной обратной связью. В колебательный контур входят не только катушка L1 и конденсатор С3, но еще и емкостный делитель С4С5, подключенный параллельно контуру (один конец делителя соединен с контуром непосредственно, а второй — через «землю» и конденсатор С1). Транзистор подключен к контуру так, чтобы выполнялось условие фаз: эмиттер соединен со средней точкой емкостного делителя, а к крайним точкам контура присоединены коллектор (непосредственно) и база (через конденсатор С2). Остальные элементы генератора нам известны по предыдущим схемам — это резисторы термостабилизации и развязывающий фильтр.

Точно по такой же схеме собран и второй генератор (Т2), частота которого должна меняться. Связь контурной катушки со штырем осуществляется с помощью катушки связи L3.

Следующий каскад — усилитель высокой частоты, на который с обоих генераторов (с эмиттеров Т1Т2) подаются два высокочастотных напряжения с частотами f1 и f2. Генераторы соединены с входом усилителя ВЧ (Т3) через RС-цепочки (R19C12 и R10C11), которые ослабляют взаимное влияние генераторов, препятствуют «затягиванию» частоты. Это явление состоит в том, что при небольшой разности между частотами f1 и f2 один генератор «навязывает» свою частоту другому, и в итоге оба они дают одну и ту же частоту. При этом разностная частота становится равной нулю, то есть звук просто исчезает. «Затягивание» препятствует приближению частоты f2 к частоте f1, то есть препятствует получению достаточно низких звуков (50–80 гц). Чтобы предотвратить «затягивание», для каждого генератора часто делают собственный, так называемый буферный, усилитель ВЧ и уже с этих усилителей подают сигналы на детектор.

В данной схеме оба сигнала с общего усилителя ВЧ также подаются на триодный детектор (Т4), где в результате одновременного искажения этих сигналов и появляется разностная частота fразн = f2 — f1. Детектор терменвокса называют так потому, что он работает с отсечкой тока во входной цепи. Отрицательное смещение, поступающее через R15, почти полностью компенсируется положительным смещением, возникающим на Rn, и таким образом каскад оказывается почти без смещения. Однако этот явный детектор все же правильнее было бы назвать преобразователем частоты, так как именно этот процесс лежит в основе получения звука.

Сигнал разностной частоты выделяется на нагрузке детектора-преобразователя (R16), в то время как высокочастотные составляющие с частотами f1 и f2 и их гармоники замыкаются накоротко через конденсатор С18. Потенциометр R21 служит для регулировки громкости. На его оси можно закрепить длинный тонкий стержень и во время исполнения мелодий менять уровень громкости, слегка перемещая этот стержень свободной рукой.

Данные деталей: катушки L1 и L2 одинаковые и содержат по 240 витков провода ЛЭШО 5x0,05 (ПЭ 0,1). Они намотаны на стандартных четырехсекционных каркасах (рис. 45, ж) с небольшими ферритовыми сердечниками. Непосредственно к катушке L2 примыкает катушка связи L3, которая намотана на трехсекционном каркасе и содержит три тысячи витков провода ПЭ 0,06. Катушки L2 и L3 могут размещаться на одной оси или на небольшом расстоянии закрепляться на общей монтажной плате.

Катушки могут быть намотаны на других каркасах и другим проводом. При изготовлении катушек главное — сделать одинаковыми L1 и L2, обеспечить достаточно сильную связь между L2 и L3, а также предусмотреть возможность подгонки частоты с помощью сердечников. Такая подгонка необходима для того, чтобы установить минимально возможную разностную частоту при наибольшем приближении руки к штырю. При удалении руки на большое расстояние разностная частота должна быть настолько большой, чтобы ее совсем не было слышно. Если нет возможности изготовить катушки с сердечниками, то для подгонки частоты генераторов можно подключить параллельно С3 и С8 подстроечные конденсаторы. В качестве штыря удобно использовать телескопическую антенну.

Низкочастотный сигнал с выхода терменвокса можно подать на любой усилитель НЧ и, в частности, на вход «звукосниматель» любого приемника.

Налаживание терменвокса нужно начинать с проверки генераторов. Прежде всего следует убедиться, что генераторы дают незатухающие колебания. А для этого нужно включить вольтметр постоянного напряжения параллельно конденсатору С1 (а затем С6) и периодически замыкать контур накоротко. Если генерация была, то при замыкании контура она прекратится и постоянное напряжение на коллекторе (а именно его, по сути дела, измеряет вольтметр) несколько понизится.

Если окажется, что генератор не работает, то можно предположить, что не выполняется условие связи, так как условие фаз в трехточечных схемах при правильной их сборке выполняется всегда. Чтобы повысить напряжение положительной обратной связи, нужно увеличить емкостное сопротивление той части емкостного делителя, с которой это напряжение снимается. Практически нужно несколько уменьшить емкость конденсатора С5 (или С10), имея, конечно, в виду, что подобная мера приведет к некоторому увеличению генерируемой частоты. Усилить обратную связь можно и иначе — уменьшая емкостное сопротивление верхней части делителя, то есть увеличивая емкость С14 (С9).

Если оба генератора работают, то дальнейшая накладка сводится к подгонке частот f1 и f2, и в случае необходимости к подбору режимов усилителя ВЧ и детектора.

На том же принципе, что и «музыкальный супер» — терменвокс, — может работать другой распространенный прибор — металлоискатель (рис. 120). Контурная катушка одного из его генераторов выполняется в виде большой многовитковой «рамки» или «кольца». Если вблизи этой катушки оказывается стальной предмет, то ее индуктивность изменяется и одновременно, так же как в терменвоксе, изменяется разностная частота на выходе преобразователя. По этому изменению частоты и можно судить о приближении «рамки» к стальному предмету.

Подобные, по сути дела, очень простые приборы во время войны широко использовались в нашей армии в качестве миноискателей и спасли многие тысячи человеческих жизней.

Металлоискатель можно смело отнести к тому классу электронной аппаратуры, который принято называть «электроникой в народном хозяйстве». С несколькими другими представителями работающей деловой электроники мы познакомимся в следующем разделе.

КЛЮЧИ К АВТОМАТИКЕ

О том, что электронные приборы могут выполнять многие сложные операции, которые всегда считались монополией человека, сейчас уже знают все. Значительно меньше людей знает, как именно это делается.

Сейчас мы познакомимся с несколькими транзисторными схемами, которые могут наметить для вас путь в тайны электронной автоматики. Это схемы для выполнения простейших логических операций «и», «или», «не» и схема для выполнения одной из арифметических операций — деления на два. Чтобы вам было интереснее знакомиться с этими схемами, мы в итоге применим их в весьма полезном электронном приборе — в переключателе елочных гирлянд. Это будет «умный» переключатель, умеющий логически «рассуждать» и «знающий» арифметику.

Когда вы нажимаете кнопку лифта, то наверняка не думаете о том, что и лифт, прежде чем сдвинуться с места, обязательно должен немного «порассуждать».

«Я могу разрешить движение, — как бы говорит один из автоматов лифта, — если закрыта дверь шахты, если закрыта дверь кабины, если пассажир весит не менее, двадцати пяти килограммов и с достаточной силой давит на пол, — маленьким детям одним в лифте ездить не разрешается. Но, конечно, перегружать лифт тоже нельзя: в случае перегрузки я не разрешу включить мотор, и никакие просьбы, никакое хлопанье дверью не поможет. Если все эти мои требования выполнены, то я дам разрешение на подъем, но только после того, как будет нажата одна из кнопок: если пассажир не нажал кнопку, то он еще не решил, куда ему ехать и ехать ли вообще. Мне безразлично, какая именно кнопка будет нажата, — пусть об этом думает другой автомат, которому поручено доставлять пассажиров на нужный им этаж. Мое же дело — безопасность, и, пока я не удостоверюсь, что все в порядке, лифт с места не сдвинется»,

В правой части рис. 121 приведена упрощенная схема блока безопасности, которая, по сути дела, производит подобные «рассуждения».

Рис. 121. Логические элементы «и», «или», «не» широко используются в автоматике.

Через этот блок подается питание на двигатель лифта. Первые три верхних (по схеме) выключателя выполняют операцию «и» — цепь будет замкнута только в том случае, если замкнут и первый, и второй, и третий выключатель. Если хотя бы один из них разомкнут, то включение двух других не имеет смысла.

Следующая группа выключателей, связанная с кнопками этажей, тоже участвует в операции «и», но внутри этой группы выполняется операция «или»: цепь будет замкнута, если замкнут или первый, или второй, или третий выключатель этой группы, то есть независимо от того, на какой этаж осуществляется подъем.

Наконец, последний выключатель, предохраняющий двигатель от перегрузки, выполняет операцию «не». По сравнению со всеми остальными выключателями он «действует наоборот».

Если все выключатели для нормальной работы должны быть замкнутыми, то выключатель, выполняющий операцию «не», должен быть разомкнутым. В противном случае он просто замкнет двигатель накоротко, и тот, конечно, работать не будет (что касается автоматики лифта, то это не реальный, надуманный пример, нужный лишь для того, чтобы пояснить работу схемы «не»).

Знакомство со схемой блокировки лифта у некоторых из вас наверняка вызовет недовольство. Стоит ли такие простые схемы и такие простые операции связывать со столь сложным и высоким понятием, как «логические рассуждения»?

Начав подробно разбираться в этом вопросе, мы автоматически включились бы в философскую дискуссию о возможностях мозга и машины, в дискуссию, которая не затихает вот уже лет двадцать. Конечно, было бы интересно поспорить на эту тему, но мы не можем позволить себе подобную роскошь.

Философская дискуссия может отвлечь нас от намеченной цели — от создания переключателя елочных гирлянд. Поэтому вместо подробного общего ответа на поставленный вопрос мы сделаем лишь два коротких конкретных замечания.

Утром, перед тем как уйти в школу, вы также наверняка проделываете логические операции «блокировки». Вы отправляетесь в путь лишь в том случае, если надеты и рубашка, и брюки, и туфли, и носки (как правило, безразлично, какие у вас носки: или синие, или черные, или коричневые), если вложены в портфель и книги, и тетради, и карандаши. Вы уйдете в школу лишь в том случае, если свет не горит, газ не включен и дело происходит не в воскресенье. Как видите, ваши логические рассуждения в этом случае очень напоминают те «рассуждения», которые выполняет блок безопасности рядового лифта. Так почему же в одном случае слово «рассуждения» принято писать в кавычках, а в другом случае — без них?

И второе замечание: элементы «и», «или» и «не» в нашем примере выполняли довольно простую совместную операцию потому, что они входили в довольно простую схему. В сложных схемах такие элементы могут проводить длинные и очень запутанные логические «рассуждения», выполняя для принятия окончательного решения многие тысячи взаимосвязанных логических операций. Даже ненамного усложнив схему блокировки лифта, ненамного увеличив число логических элементов, можно построить такой, например, автомат, который будет играть в известную игру «крестики и нолики». И при этом никогда не будет проигрывать.

Логические элементы могут быть основаны на самых разных физических процессах. Это могут быть и гидравлические системы — трубы с заслонками, и уже знакомые нам выключатели и схемы, состоящие из реле, диодов или транзисторов (рис. 121).

Чтобы получить транзисторную схему «или», нужно запереть транзистор сравнительно небольшим напряжением, чтобы любой попадающий на его вход импульс отпирал триод. Если при этом подавать импульсы от двух источников, то такая схема выполнит с этими импульсами операцию «или». На выходе транзистора — на эмиттерной нагрузке Rн — будет появляться выходной сигнал или под действием входного сигнала Uвх-1 или под действием входного сигнала Uвх-2.

Для получения схемы «и» нужно подать на базу такое запирающее смещение, чтобы один импульс не мог открыть транзистор и чтобы для его отпирания понадобилось совместное действие и напряжения Uвх-1, и напряжения Uвх-2. Наконец, схему «не» можно получить, если включить нагрузку не в эмиттерную цепь, как в двух предыдущих схемах, а в коллекторную. При этом увеличение «минуса» на базе будет приводить к уменьшению «минуса» на коллекторе. То есть, по сути дела, схема в ответ на импульс напряжения будет реагировать понижением напряжения.

Одна из самых важных схем электронной автоматики — это так называемый триггер (рис. 122), который осуществляет деление на два.

Рис. 122. Триггер, переходя из одного устойчивого состояния в другое, может выполнять операцию «деление на два».

Триггер широко используется в вычислительных машинах, и различные сочетания триггеров позволяют производить самые различные математические операции, такие, как сложение, умножение, возведение в степень, извлечение корня, логарифмирование и др.

По своей схеме триггер очень напоминает мультивибратор: в нем также работают два транзистора и коллектор одного из них связан с базой другого. Главное отличие триггера лишь в том, что в нем не происходит «самовольного» переключения транзисторов, и если уж один из транзисторов заперт, а другой открыт, то никакие внутренние силы не могут вывести триггер из этого устойчивого состояния. Для того чтобы триггер переключился, нужно подать на его вход откуда-нибудь «со стороны» отпирающий импульс.

Каждый отпирающий импульс переводит триггер из одного устойчивого состояния в другое. Если, например, до появления отпирающего импульса триод Т1 был закрыт, а триод Т2 открыт, то под действием внешнего импульса картина переменится на обратную — открытым окажется Т1, а закрытым Т2.

Под действием следующего импульса триггер опять «перебросится» в первоначальное состояние, и транзистор Т2 опять окажется открытым, а Т1 закрытым и т. д. Триггер может находиться в устойчивом состоянии сколь угодно долго, потому что, коллекторы и базы транзисторов связаны не только по переменному току через емкость, как в мультивибраторе, но еще и по постоянному току через резисторы. Если один из триггеров окажется открытым, то «минус» на его коллекторе почти исчезнет (из-за падения напряжения на нагрузке). При этом исчезнет и постоянное отпирающее смещение на втором транзисторе, и он запрется (постоянным напряжением, которое открытый транзистор создает на общем резисторе Rэ) и будет находиться в таком запертом состоянии до тех пор, пока не пройдет следующий внешний отпирающий импульс. На первый транзистор отпирающий импульс не повлияет — тот уже и без импульса открыт. А вот второй транзистор, который был закрыт, под действием отпирающего импульса откроется. Как только второй транзистор откроется, то «минус» на его базе исчезнет и одновременно исчезнет «минус» на базе первого транзистора. Теперь уже он окажется закрытым и будет дожидаться очередного отпирающего импульса.

Из этого краткого описания можно сделать такой вывод: триггер делит на два частоту поступающих на его вход отпирающих импульсов. То есть один из транзисторов триггера будет открываться только от четных импульсов, второй — только от нечетных. Если, например, на вход триггера поступает двадцать импульсов в. секунду, то на каждом из двух выходов триггера будут появляться чередующиеся импульсы с половинной частотой — десять импульсов в секунду. Ну, а если эти импульсы подать еще на один триггер, то мы получим деление на четыре: первый триггер разделит частоту входных импульсов на два, второй еще на два, а дважды два, как известно, четыре. С помощью цепочки триггеров можно осуществить деление на 8, 16, 32, 64 и т. д.

На рис. 123 приведена схема переключателя елочных гирлянд, который поочередно включает четыре группы лампочек, причем две из них «мигают» в два раза реже, чем две другие.

Рис. 123. Переключатель гирлянд с триггерами.

Основа переключателя, — тактовый генератор отпирающих импульсов. За ним следуют два триггера, один из которых делит частоту тактового генератора на два, а второй — еще на два. Каждый из транзисторов обоих триггеров управляет работой другого, мощного транзистора — своего рода транзисторного реле, которое и включает свою гирлянду.

Гирлянда лампочек является нагрузкой мощного транзистора. Когда транзистор открыт, то сопротивление его коллекторной цепи очень мало, все питающее напряжение, по сути дела, приложено к гирлянде, и лампочки горят. Когда же мощный транзистор заперт, то напряжение на нагрузке (на гирлянде) равно нулю, и лампочки не горят.

Роль тактового генератора выполняет уже знакомый нам мультивибратор (T2T3). Элементы его схемы подобраны так, что тактовая частота составляет примерно один герц. То есть отпирающий импульс появляется примерно раз в секунду. С тактового генератора сигнал подается на так называемую дифференцирующую цепочку R8C5. Она превращает прямоугольный импульс в два остроконечных импульса, так как ток в цепи конденсатора, а значит, и напряжение на R8 появляется только во время изменения напряжения, проводимого к этой цепочке (рис. 25). Поэтому остроконечные импульсы на выходе дифференцирующей цепочки будут созданы только передним и задним фронтом прямоугольного импульса, который идет с мультивибратора.

Отрицательный остроконечный импульс отпирает триод усилителя (T4), и после усиления сигнал подается на вход первого триггера (T5T6).

С коллекторной нагрузки каждого из транзисторов триггера постоянное напряжение подается на базу транзисторного реле (T9T10), в котором работает мощный триод, например, П201. На эмиттер этого мощного триода всегда подается отрицательное (относительно общего провода) напряжение с делителя R1R2. Это напряжение приложено «плюсом» к базе и поэтому запирает мощный транзистор. Необходимо сравнительно большое отрицательное напряжение, чтобы его отпереть, и именно такое отпирающее напряжение поступает с триггера. Когда какой-нибудь транзистор триггера закрыт, то на его коллекторе оказывается сравнительно большой «минус» — почти полное питающее напряжение, которое и отпирает мощный триод. Поскольку «минусы» на коллекторах появляются поочередно и держатся довольно долго — около одной секунды, — то и мощный транзистор оказывается открытым целую секунду в ожидании следующей «переброски» триггера.

Аналогично действует и следующий триггер, но он уже включает свои транзисторы-реле в два раза реже, и они остаются включенными по две секунды.

В коллекторную цепь мощных транзисторов включены гирлянды лампочек, которые зажигаются только при отпирании транзисторов (рис. 52). Таким образом, эти гирлянды мигают с частотой переключения триггеров.

Чтобы система работала устойчиво, питание на тактовый генератор импульсов и на триггеры подается с простейшего стабилизатора напряжения, в котором используются один транзистор Т1 и стабилитрон Д6. Это кремниевый диод, специально устроенный так, что он работает в области электрического пробоя (рис. 19), сопротивление которого поэтому, сильно меняется при изменении приложенного напряжения. Причем сопротивление это меняется таким образом, что напряжение на диоде остается почти неизменным. В данном случае это напряжение управляет триодом (Т1), и ток через него остается неизменным при изменениях подводимого напряжения, потому что коллекторный ток практически зависит только от управляющего напряжения (рис. 57), а оно стабилизировано.

Питающее напряжение около 8 в для управляющей части (тактовый генератор, усилитель импульсов, триггеры) получают от мостикового выпрямителя, к которому подводится переменное напряжение 6,3 в. Потребление тока в этом блоке невелико, и обмотка II силового трансформатора Тр1 может быть намотана сравнительно тонким проводом 0,3–0,5 мм2.

Напряжение на исполнительную часть (мощные транзисторы) подается с отдельного выпрямителя, который не должен давать более 20 в, то есть подводимое к выпрямителю эффективное переменное напряжение не должно быть больше 14 в. Ограничение связано с тем, что сам транзистор П201 не допускает большего напряжения между коллектором и эмиттером (см. таблицу 10). Можно, конечно, применить транзисторы с более высоким допустимым коллекторным напряжением (например, П214, допускающие напряжение на коллекторе до 65 в) и тем самым повысить напряжение, подводимое к исполнительному блоку. А это, в свою очередь, позволит включать в каждую гирлянду большее число последовательно соединенных лампочек.

Вообще число лампочек подбирается таким образом, чтобы полностью использовать подводимое напряжение. В данном случае, когда это напряжение составляет 20 в, в каждую гирлянду нужно включить четыре лампочки на 6,3 в, или шесть лампочек на 3,5 в, или, наконец, восемь лампочек на 2,5 в.

Без дополнительного теплоотвода для транзистора П201 допустимый ток коллектора составляет 1,5 а. Это позволяет в коллекторную цепь каждого триода включить параллельно несколько групп последовательно соединенных лампочек. Так, например, если применены лампочки, потребляющие ток 0,3 а, то можно соединить параллельно пять групп таких лампочек (для спокойствия лучше четыре) или десять групп (лучше восемь) лампочек, потребляющих ток 0,15 а. Уменьшить число параллельных групп можно как угодно, так как транзистору от этого только легче.

Мы не приводим данных вторичных обмоток трансформатора. Число витков для них легко рассчитать, если известно число витков первичной обмотки, а значит, и число витков на один вольт (см. стр. 109). Общая потребляемая мощность для четырех переключающих транзисторов не превышает 60 вт.

Мощные транзисторы работают поочередно, и каждая пара потребляет примерно 30 вт (22 в·1,5 а), а значит, трансформатор Тр1 можно изготовить из небольшого силового трансформатора от сетевого приемника. С трансформатора удаляют все обмотки, кроме сетевой, и располагают ни их месте обмотки II и III. Обмотку III нужно намотать довольно толстым проводом, диаметром 1,0–1,2 мм.

Выбор диаметра провода для обмотки III и диодов, заменяющих Д5, нужно производить с учетом нагрузки мощных транзисторов. Совсем не обязательно давать им предельную нагрузку — 1,5 а. Вполне достаточно нагрузить каждый триод током до 0,6 а (например, две гирлянды по 0,3 а каждая).

С учетом среднего выпрямленного тока 3 а выбран диод Д5 для выпрямителя, питающего транзисторные реле, а значит, и сами гирлянды. Если под руками нет диода, рассчитанного на ток 3 а, то можно соединить параллельно десять диодов, допускающих выпрямленный ток 0,3 а (300 ма). При этом последовательно с каждым диодом нужно включить одинаковые резисторы по 3–5 ом каждый (объяснение см. на рис. 27—15).

К переключателю можно добавить еще некоторое количество триггеров с мощными транзисторами и получить таким образом мигание гирлянд с периодом 4 сек, 8 сек и т. д.

Для переключателя с большим числом переключаемых гирлянд нужно намотать обмотку III более толстым проводом и подобрать диод Д5, допускающий нужную величину выпрямленного тока.

Описанный нами переключатель для елки — это ближайший родственник гигантов электроники: электронных вычислительных машин. Попробуйте представить себе, что мы может вводить в блок триггеров строго определенное число миганий лампочек. Тогда наш переключатель сам становится вычислительной машиной. Действительно, для того чтобы разделить какое-либо число на четыре, достаточно ввести это число в виде импульсов на вход блока триггеров и получить результат, подсчитав импульсы на выходе второго триггера. А чтобы умножить какое-либо число на два, нужно отсчитать соответствующее этому числу количество импульсов на выходе первого триггера, а затем определить, сколько импульсов за соответствующее время было подано на вход этого триггера с тактового генератора.

В действительности, конечно, в вычислительных машинах все происходит намного сложнее, но принцип остается тот же: числа представлены в виде электрических сигналов, в виде серий импульсов, и именно с этими сигналами машина производит всевозможные преобразования.

В электрических импульсах, включающих тот или иной элемент схемы, записана и программа действия машин. Например, вводятся в машину два числа А и Б и дается такая программа: «Умножить число А на число Б, затем прибавить число А к числу Б, разделить первый результат на второй…».

Работая по этой программе, машина будет всякий раз при любых вводимых в нее двух числах выдавать вам значение результирующей емкости при последовательном соединении двух конденсаторов или результирующего сопротивления при параллельном соединении резисторов.

В виде чисел-сигналов вводятся в машину описания самых разных событий и их характеристики. Возьмем, к примеру, машину, играющую в шахматы. Для нее обязательно производят предварительную числовую оценку фигур. Ферзя, например, оценивают в 10 условных единиц, ладью — в 5 единиц, пешку — в единицу и т. д. Имеют свои числовые оценки сдвоенная пешка, рокировка, давление на центральные поля и т. д.

Положение фигур, правила их передвижения и само передвижение, правила снятия фигур и т. п. также выражаются комбинациями цифр. Поэтому и каждый ход сводится к операциям над числами, и результат этого хода также представляет собой число, которое легко может быть превращено в определенное положение фигур на доске.

Можно построить переключатель гирлянд, который будет иллюстрировать работу логических элементов «и», «или», «не». Основа такого переключателя (рис. 124) — два мультивибратора (МВ1 и МВ2), два тактовых генератора, генерирующих прямоугольные импульсы разной длительности, например с периодом 1,5 сек и 1 сек. На два транзисторных реле (ТР1 и ТР2) эти импульсы подаются непосредственно с мультивибраторов, а на остальные транзисторные реле — через логические элементы. Так, импульсы, поступающие на транзисторное реле (ТР3) через элемент «или», будут зажигать свою гирлянду под действием сигнала любого из мультивибраторов.

Рис. 124. Скелетная схема (1) и диаграмма (2) работы переключателя гирлянд с «логикой».

Импульсы, отпирающие транзисторное реле (ТР5) через элемент «и», будут включать гирлянду лишь при появлении импульсов одновременно от двух мультивибраторов. Каждый из логических элементов можно снабдить еще и элементом «нe», который будет включать соответствующее транзисторное реле (ТР4 и ТР6) тогда, когда основное реле (ТР3 и ТР5) будет выключаться. При желании можно усложнить схему и ввести в нее еще ряд логических элементов. Можно, например, ввести элемент «или» («или»2), который будет зажигать гирлянду (Л7) от двух источников редко появляющихся импульсов («и» и «не»2). На рис. 124 под блок-схемой переключателя приведен график появления импульсов в гирляндах лампочек. Изменяя длительность импульсов тактовых генераторов, можно получить самые причудливые мигания лампочек, лишенные, казалось бы, всякого порядка.

Мы не приводим детальную схему «логического» переключателя не только из-за ее громоздкости, но еще и потому, что ее легко составит каждый, кто разобрался в предыдущей схеме. Во всяком случае, основные элементы будущей схемы — мультивибраторы и транзисторные реле — нам уже известны.

Логические элементы тоже построить нетрудно. Подав два сигнала на общий резистор и подобрав его величину так, чтобы под действием любого из этих сигналов на резисторе появлялось необходимое для мощного транзистора отпирающее напряжение, мы получим элемент «или». Уменьшив сопротивление резистора примерно вдвое и уменьшив тем самым отпирающее напряжение, можно добиться, чтобы оно достигало нужной величины лишь при совместном действии сигналов. Таким образом, мы получим элемент «и». Наконец, снимая отпирающее напряжение для транзисторного реле не с эмиттера, а с коллектора предыдущего каскада, можно получить элемент «не»: предварительно запертый постоянным напряжением мощный транзистор будет отпираться лишь тогда, когда прекратится ток в этом предварительном каскаде и на его коллекторе резко возрастет «минус».

Обе схемы «умных» переключателей хотя и не очень сложны, однако же и не очень просты. Во всяком случае, их налаживание требует понимания принципов работы транзистора, суммирования и вычитания напряжений и токов в сложных цепях, взаимного влияния элементов, входящих в единую электрическую цепь, и т. д. и т. п. Для тех, кто захочет начать с более простого переключателя, на рис. 113 приводится схема, которая не «рассуждает» и не «считает», а просто переключает две группы лампочек. В этой схеме мощные транзисторы (Т3Т4), способные переключать гирлянды лампочек, работают непосредственно от мультивибратора (Т1Т2). Собрав два таких мультивибратора с разными периодами импульсов, можно получить довольно эффектную систему переключения и от нее уже постепенно (например, добавляя триггеры или логические элементы) двигаться к более сложному, более «умному» переключателю.

Рис. 113. Схема электрическая принципиальная переключателя елочной гирлянды.

Данные трансформатора и самих гирлянд такие же, как для переключателя по схеме рис. 123.

Во всех схемах, о которых шла речь в этом разделе, транзисторы работают в ключевом режиме — они либо полностью заперты, либо полностью открыты. Транзистор в таком режиме действительно напоминает ключ (выключатель), замыкающий либо размыкающий электрическую цепь. Транзистор-ключ — один из самых популярных элементов электронной автоматики.

То, что было рассказано о применении транзисторов в автоматике, можно рассматривать лишь как приглашение заняться этой интересной областью. Каждый, кто захочет принять такое приглашение, сможет двинуться дальше под парусами богатой любительской литературы по электронной автоматике. Мы же на этом закончим знакомство с транзисторными ключевыми схемами и тем самым вообще закончим свое путешествие, считая, что первый шаг в транзисторную электронику сделан.

ФИНИШ, КОТОРЫЙ МОЖНО СЧИТАТЬ СТАРТОМ

Что же можно сказать в конце нашего долгого пути?

Оглядываясь назад, можно отметить, что путь этот прошел по многим интересным территориям. Мы увидели немало конкретных практических транзисторных схем и, что особенно важно, познакомились с некоторыми общими принципами построения схем, с важными для транзисторной техники физическими процессами, с главными законами электрических цепей.

В то же время нужно честно признать, что многие важные и интересные проблемы нам так и не удалось внимательно рассмотреть. Всем известно, что «нельзя объять необъятное», но, оказывается, и «объятное» объять не так-то просто.

Хорошо было бы, например, подробней остановиться на том, что такое генератор тока и что такое генератор напряжения (см. стр. 222). Первое из этих условных названий относится к электрической цепи, в которой сопротивление нагрузка Rн значительно меньше, чем внутреннее сопротивление генератора Rг. Второе название относится к цепи, где, наоборот, Rн>>Rг.

Само название «генератор тока», если его понимать буквально, не отражает всего, что происходит в цепи, потому что никак не может быть так, чтобы генератор давал нагрузке только ток: раз в нагрузке есть ток, то, значит, на ней действует и какое-то напряжение. Название «генератор тока» лишь подчеркивает следующую важную особенность — в электрической цепи, в которой Rг>>Rн как бы ни менялось сопротивление нагрузки Rн, через нее все равно будет идти один и тот же ток. То есть в цепи генератора тока, а значит, в цепи подключенной к нему нагрузки величина тока практически не зависит от самого сопротивления нагрузки.

Объясняется это, кстати, довольно просто. Ток в цепи, в которую входят два последовательно соединенных резистора (в данном случае Rг и Rн), зависит от общего сопротивления цепи. А поскольку сопротивление одного из двух резисторов во много раз больше, чем другого (мы ведь назвали генератором тока именно такой генератор, внутреннее сопротивление которого Rг во много раз больше, чем сопротивление нагрузки Rн), то общее сопротивление цепи, а значит, и ток в ней в основном и будет определяться величиной Rг. Представьте себе, что к генератору с внутренним сопротивлением 100 ом поочередно подключают три разные нагрузки с сопротивлениями 1, 2 и 3 ом. Во всех этих случаях общее сопротивление цепи окажется примерно равным 100 ом и ток в цепи при замене нагрузки не изменится. Именно в этом смысле подобный генератор и называют генератором тока.

Нам полезно было бы подробней познакомиться с генератором тока именно потому, что он довольно часто встречается в транзисторных схемах. Возьмем, к примеру, простейшую цепь подачи смещения на базу от коллекторной батареи (рис. 76). Мы представили себе эту цепь как некий делитель напряжения, в который входит резистор Rб и сопротивление эмиттерного перехода Rвх= для постоянного тока. Это действительно так: все напряжение коллекторной батареи делится между участками делителя, и та часть напряжения, которая достается эмиттерному рn-переходу, является для транзистора начальным отрицательным смещением. От смещения, то есть от отрицательного напряжения на базе, зависит коллекторный ток транзистора: чем больше это отрицательное напряжение, тем больше и коллекторный ток (рис. 64).

То, что входное напряжение, в частности напряжение смещения, стало в нашем рассказе о транзисторах главным действующим лицом, ни в какой степени не искажает истины — ко входу транзистора подводится некое напряжение, оно создает входной ток, а он, в свою очередь, вводит электрические заряды в базу. (В схеме ОБ все происходит в точности так; в схеме ОЭ число введенных в базу зарядов тоже определяется входным током, однако нужно умножить входной ток на коэффициент β, чтобы количественно подсчитать ток, который входит в базу.) Из базы заряды попадают в коллекторный переход и затем проходят по коллекторной нагрузке. Первопричиной всей этой длинной цепочки событий, как видите, является напряжение, подведенное ко входной цепи транзистора.

Однако в некоторых случаях для упрощения картины полезно забыть об этой первопричине и начинать все рассуждения прямо с тока, протекающего во входной цепи, именно его считая главным действующим лицом. Подача отрицательного смещения от коллекторной батареи — это как раз один из таких случаев.

Рис. 125. Понятие «генератор тока» или «генератор напряжения» прежде всего отражает соотношение между сопротивлением генератора и нагрузки.

Сопротивление резистора Rб, через который коллекторное напряжение попадает на базу, во много раз больше, чем сопротивление Rвх= эмиттерного рn-перехода. Это ясно хотя бы из того, что коллекторное напряжение составляет 5—10 в, а на базе должно остаться смещение всего 0,1–0,2 в. Подобное деление возможно лишь в том случае, если сопротивление верхней части-делителя Rб в несколько десятков раз больше, чем сопротивление его нижней части Rвх=. Такое соотношение сопротивлений позволяет рассматривать всю цепь смещения как цепь с генератором тока, внутреннее сопротивление которого Rб, а нагрузка Rвх=.

Мы уже говорили, что в цепи генератора тока сама величина тока почти не зависит от сопротивления нагрузки и в основном определяется большим сопротивлением генератора, в нашем случае — сопротивлением резистора Rб. Представьте себе, что в схеме, где смещение подается от коллекторной батареи через резистор Rб, вы меняете транзисторы, и у них, в силу известного разброса параметров, оказываются различными сопротивления эмиттерного рn-перехода Rвх=. В этом случае ток в цепи, по сути дела, меняться не будет, так как небольшое сопротивление рn-перехода мало влияет на ток в цепи, куда включен резистор Rб с большим сопротивлением.

Но если через какой-нибудь участок цепи проходит неизменный ток и меняется сопротивление этого участка, то неизбежно (согласно закону Ома — U = I·R) будет меняться действующее на участке напряжение. Иными словами, при включении транзисторов с разными Rвх= будет меняться напряжение на этих сопротивлениях, будет меняться начальное отрицательное смещение, которое подается на вход триодов.

Из всего сказанного так и хочется сделать вывод: «Это недопустимо! При смене транзисторов нужно менять и резистор Rб, с тем чтобы всегда делить коллекторное напряжение в одной и той же пропорции. Смещение на базе всегда должно быть одинаковым!!!» Несмотря на кажущуюся логическую безупречность этого вывода, он все же неверен. Точнее, не совсем верен.

Напряжение смещения, которое мы подводим к транзистору, — это не самоцель. Мы подводим напряжение смещения для того, чтобы создать во входной цепи определенный ток, который затем попадет в коллекторную цепь и, по сути дела, определит все события, происходящие в транзисторном усилительном каскаде. Чтобы установить режим транзистора, нужно задать в его входной цепи определенный ток, и только поэтому нужно подвести к ней определенное напряжение. А если сопротивление эмиттерного рn-перехода у транзисторов окажется различным, то к ним придется подводить и разные напряжения— лишь в этом случае можно будет установить во входной цепи этих транзисторов один и тот же ток.

Из этого рассказа можно сделать несколько полезных выводов. Прежде всего, рассматривая процессы в схеме, о которой идет речь, и, что еще важнее, при ее налаживании, можно вообще исключить из рассуждений подводимое ко входу транзистора постоянное напряжение Uсм и сразу же учитывать ток смещения Iсм во входной цепи. А поскольку у нас генератор тока, то величина Iсм будет всегда одинаковой и режим транзистора всегда будет определяться лишь сопротивлением Rб. Именно подбором этого сопротивления можно установить необходимый начальный ток во входной цепи, установить режим транзистора.

Все сказанное совершенно не противоречит тому, что говорилось раньше: мы рассматривали всю цепь подачи смещения как делитель напряжения, и из наших рассуждений также следовало, что режим устанавливается подбором резистора Rб. От того, что мы перешли к иному описанию процесса, сам этот процесс не изменился: как и прежде, на эмиттерном переходе действует напряжение; как прежде, во входной цепи протекает ток. Перейдя к новому описанию, рассматривая всю цепь как генератор тока, мы лишь несколько упростили картину, нарисованную в своем сознании, сделали ее более удобной для мысленного анализа. Не думая ни о каком напряжении Uсм, мы просто считаем, что нужно установить во входной цепи заданный ток Iсм (обычно задается ток коллектора Iк=, который зависит от Iсм), а значит, нужно подобрать резистор Rб, определяющий величину этого тока.

Следующий вывод носит более общий характер — он касается распространенного выражения: «транзистор — это прибор, управляемый током».

Иногда это говорится для того, чтобы подчеркнуть отличие транзистора от лампы, во входной цепи которой ток очень мал и которую поэтому считают усилительным прибором, управляемым напряжением. Разумеется, в работе лампы и транзистора есть различия, но вряд ли стоит пытаться описать их короткой фразой, которая к тому же относится лишь к одному из отличий, определяет его неточно (события во входных цепях транзистора и лампы характеризуются и током, и напряжением— этими двумя показателями единого процесса), а некоторые важные различия, в частности рекомбинацию зарядов в рn-переходах, не учитывает совсем.

Часто говорят о токовом принципе управления транзистором, имея в виду, что его входная цепь, в большинстве случаев обладающая малым сопротивлением, подключена к высокоомному источнику сигнала, то есть к генератору с очень большим внутренним сопротивлением Rвых (имеется в виду сопротивление переменному току). В этих случаях выражение «прибор, управляемый током», опять-таки нужно для того, чтобы упростить картину, исключить из нее второстепенные детали и выделить главное. А главным в этом случае как раз и является высокое сопротивление генератора, с которого транзистор получает сигнал, и низкое входное сопротивление самого транзистора Rвх (для переменного тока). Генератор сам определяет входной ток транзистора, а этот ток уже своим обычным порядком управляет работой всего усилительного каскада. Конечно, на входе транзистора, как всегда, действует управляющее напряжение, но для простоты дела его можно не учитывать.

Все описание работы транзистора и его характеристики мы в свое время строили на том, что ко входу подводится управляющее напряжение Uэб, что именно оно создает входной ток и управляет выходным током. В том случае, когда входная цепь транзистора питается от генератора тока (то есть от источника с сопротивлением, значительно превышающим Rвх), можно все рассуждения сразу начинать со входного тока. А входное напряжение считать при этом «побочным продуктом» — каким оно получится, таким пусть и будет. Так, кстати, поступают довольно часто. И поэтому не удивляйтесь, если вы встретите семейство выходных характеристик, построенных не для разных напряжений Uэб, а для разных входных токов — Iэ для схемы ОБ или Iб для схемы ОЭ.

Этими характеристиками можно пользоваться довольно часто, но не всегда. В тех случаях, когда источник сигнала обладает низким внутренним сопротивлением, его нужно рассматривать как генератор напряжения и все рассуждения о работе транзистора, как мы это и делали, начинать с того, что к его входу подводится напряжение Uэб.

«Цепь тока» и «цепь напряжения», «генератор тока» и «генератор напряжения», «прибор, управляемый током», и «прибор, управляемый напряжением», — все эти понятия отражают лишь соотношение сопротивлений в электрических цепях и зависимость событий в этих цепях от их элементов. Пользоваться перечисленными понятиями весьма удобно, но делать это можно лишь тогда, когда выяснено, почему в той или иной цепи ток или напряжение мало зависят от того или иного элемента и почему от другого элемента они зависят сильно. И во всех случаях, рассматривая электрическую цепь и при этом обращая внимание только на ток или только на напряжение, не забывайте, что вы лишь упрощаете истинную картину, чтобы легче разобраться в происходящих событиях. И что на любом участке любой реальной цепи ток протекает под действием напряжения, или, если говорить иначе, наличие тока обязательно сопровождается появлением напряжения.

Поняв, что «генератор тока» и «генератор напряжения» создаются лишь определенным соотношением сопротивлений, мы можем в случае необходимости и сами вводить в схему такие генераторы. Один из примеров искусственного генератора тока — это выпрямитель для зарядки аккумулятора (рис. 42—4, 5). Известно, что при зарядке нужно поддерживать заданную величину тока, которая определяется типом аккумулятора и его емкостью. Однако постоянство зарядного тока всегда находится под угрозой, и прежде всего на него покушается сам аккумулятор. В процессе зарядки его внутреннее сопротивление может резко меняться, и это влечет за собой опасные изменения тока в цепи.

Чтобы стабилизировать зарядный ток, выпрямитель искусственно превращают в генератор тока, включив в его цепь последовательный резистор с сопротивлением около одного ома. Эта величина во много раз превышает внутреннее сопротивление аккумулятора (обычно сотые доли ома), и поэтому он, по сути дела, оказывается подключенным к генератору тока. Теперь величина зарядного тока уже мало зависит от самого аккумулятора и практически остается неизмененной.

Другой пример — включение выравнивающих резисторов последовательно с параллельно соединенными диодами (рис. 123). Диоды соединяют параллельно, если необходимый выпрямленный ток превышает допустимую для одного диода величину. Соединив диоды параллельно, мы как бы разделяем между ними общий ток. Так, если нужно получить Iвып = 3 а, а в нашем распоряжении есть диоды, у которых Iпр = 0,3 а, то следует соединить параллельно десять (для безопасности лучше одиннадцать) таких диодов.

Однако прямое сопротивление Rпр у разных экземпляров одного и того же типа диодов может резко отличаться, а в этом случае общий ток распределяется между диодами неравномерно. В итоге одни диоды недогружены, а другие могут перегрузиться и выйти из строя. А вслед за одним вышедшим из строя диодом в некоторых случаях (например, если в результате перегрева диода «отгорит» от кристалла один из выводов) могут выйти из строя и все остальные.

Чтобы избежать этой страшной картины, достаточно последовательно с диодами включить одинаковые резисторы по 3–5 ом каждый. Эта величина во много раз больше, чем прямое сопротивление плоскостного диода, и поэтому каждый диод окажется включенным в цепь генератора тока. Причем все генераторы будут одинаковыми, и общий ток распределится между ними равномерно, несмотря на разброс параметров диодов.

Теперь от общего разговора о генераторах тока вернемся к конкретной цепи, с которой мы начали этот разговор, вернемся к входной цепи транзистора.

Есть одно обстоятельство, из-за которого удобно вести разговор о напряжении на входе транзистора, причем даже в тех случаях, когда он включен в цепи генераторов тока, то есть в цепи источников постоянного или переменного напряжения с большими внутренними сопротивлениями. Дело в том, что при налаживании электронной аппаратуры значительно удобней измерять напряжения, чем токи. Для измерения тока нужно разрывать цепь, так как амперметр включается в цепь последовательно, а для измерения напряжения этого делать не нужно. Поэтому везде, где только возможно, стараются указать режим транзисторного усилителя, отмечая, какие на том или ином участке цепи должны быть напряжения. Даже в генераторе тока, в цепи подачи смещения на базу через Rб, часто ограничиваются указанием напряжения на базе, которое соответствует нормальному режиму для среднего по параметрам транзистора. Это напряжение, как уже неоднократно указывалось, обычно составляет 0,1–0,2 в.

И, наконец, последний вывод — предостережение против неверного вывода из того, что было только что рассказано. Может сложиться впечатление, что необходимый ток смещения устанавливается сам по себе для всех триодов, так как величина этого тока определяется только сопротивлением резистора Rб. Так действительно было бы, если бы транзисторы отличались только сопротивлением эмиттерного перехода Rвх=. Но в действительности различие в параметрах транзисторов значительно «богаче», и поэтому при желании установить определенный коллекторный ток покоя Iк-п величину Rб довольно часто приходится подбирать. Так, в частности, чтобы в схеме ОЭ получить одну и ту же величину Iк-п, ток смещения у транзистора с коэффициентом β = 100 должен быть в два раза меньше, чем для транзистора с β = 50. В большинстве приведенных в книге схем резистор, определяющий смещение на базе, приходится подбирать довольно редко, так как в этих схемах смещение подается с делителя напряжения. Кроме того, в эмиттерную цепь транзистора включен резистор, который автоматически «подгоняет» смещение к заданной величине.

Рис. 126. В электронных приборах используются разные физические процессы для выпрямления, усиления, генерирования и других операций электрическими сигналами.

Мы с вами попробовали несколько подробней разобрать лишь один вопрос, мимо которого с легкостью прошли раньше, и, как видите, узнали немало интересных и важных подробностей о работе транзисторного каскада. Много важного и интересного можно было узнать, рассмотрев подробней и другие лишь слегка затронутые нами проблемы. Например, особенности работы транзистора на высоких частотах, влияние внутренних обратных связей, зависимость параметров транзистора от температуры и уровня сигнала, изменение параметров усилителя при смене транзистора, возникновение искажений в усилителях с отсечкой и многие другие. Одним словом, мы поднялись лишь на несколько ступеней по лестнице понимания транзисторных схем, и можно еще очень долго продолжать этот подъем, всякий раз открывая для себя новые горизонты.

Кроме того, у нас есть возможность продолжить путешествие в соседние, незнакомые пока области полупроводниковой электроники. Полупроводниковый диод и транзистор — это хотя и главные, но далеко не единственные представители большой семьи полупроводниковых приборов. Так, в частности, даже у простейшего диода есть немало ближайших родственников, обладающих интересными специальностями.

Фотодиод пропускает ток лишь в том случае, когда на него падает свет. Другой специальный диод — кремниевый стабилитрон — меняет свое сопротивление при изменении тока и тем самым стабилизирует «гуляющее» напряжение. Специальный диод — варикап — устроен так, что его емкость в сильной степени зависит от приложенного напряжения, и такой диод используют в качестве конденсатора переменной емкости. Наконец, туннельный диод попал в семейство диодов только потому, что у него всего два вывода. А по своим характеристикам туннельный диод — это самый настоящий усилительный прибор.

На некотором участке вольтамперной характеристики туннельный диод обладает отрицательным сопротивлением: при уменьшении подводимого к диоду напряжения ток через него растет. Это странное явление связано с очень тонкими физическими процессами в рn-переходе. Если туннельный диод, работающий в режиме отрицательного сопротивления, включить, например, в контур, то он скомпенсирует потери в контуре — разумеется, за счет энергии внешней батареи — и, по сути дела, полностью заменит транзисторный генератор.

Много интересных приборов входит и в семейство транзисторов. Это, в частности, фототриод, который не только превращает вспышку света в электрический импульс, но еще и усиливает его. Это и четырехслойные управляющие приборы, например, со структурой n-р-n-р, предназначенные специально для переключающих схем. Это, наконец, полевые (иногда говорят — канальные) транзисторы, в которых управление коллекторным током осуществляется «без касания» — с помощью электрического поля, как бы сужающего или расширяющего путь тока. Входная цепь такого транзистора почти не потребляет тока, и поэтому он обладает очень высоким входным сопротивлением.

Рис. 127. В современных электронных приборах используется широкий «ассортимент» физических явлений.

Развитие полупроводниковой техники пошло не только по пути создания новых приборов — новых диодов и транзисторов, — но и по пути создания в одном полупроводниковом кристалле целых электронных блоков. Представьте себе схему триггера, мультивибратора или простейшего усилителя НЧ с резистором в нагрузке. Из каких элементов состоят эти схемы? В них входят транзисторы, диоды, резисторы, конденсаторы и соединительные провода. А все эти элементы можно изготовить из полупроводникового материала. Чтобы сделать в кристалле конденсатор, нужно создать в нем две полупроводниковые зоны с высокой проводимостью, а между ними — участок полупроводника с низкой проводимостью. Дозируя примеси, можно получить в кристалле и резистор с нужным сопротивлением или соединительную цепь с очень малым сопротивлением. И, конечно же, в полупроводниковом кристалле можно получить диод и транзистор.

А теперь представьте себе, что все эти элементы с помощью какой-то фантастической технологии созданы в одном кристалле, причем в таких количествах, с такими данными и при таком взаимном соединении, что в итоге образовалась нужная нам схема усилителя или генератора. Это значит, что в одном кристалле мы получили целый электронный блок, получили так называемую твердую интегральную схему.

Технология, которую мы назвали фантастической, в действительности существует. И с ее помощью ученые и инженеры уже научились создавать в небольшом кристаллике самые различные твердые схемы.

Как видите, финиш нашего долгого путешествия можно одновременно считать и стартом в новые интересные области — в область более сложных и совершенных транзисторных схем, в область более глубокого их исследования и в область новых направлений полупроводниковой техники и технологии. Однако продвижение вперед по всем этим интересным направлениям— это уже новые задачи, которые в этой книге решаться не будут. Потому что задача этой книги состояла лишь в том, чтобы помочь читателю сделать трудный первый шаг в транзисторную электронику. Первый шаг, но, хочется верить, не последний.

Более 800 000 книг и аудиокниг! 📚

Получи 2 месяца Литрес Подписки в подарок и наслаждайся неограниченным чтением

ПОЛУЧИТЬ ПОДАРОК