2.9. Врезка для интерфейса RS-232C

Это несложное устройство не только дает пользователю возможность изменять конфигурацию системы RS-232C, но и позволяет просмотреть разнообразные сигналы, а также выявить наиболее характерные отказы.

За последние несколько лет появилось довольно много схем подобных устройств. Одни из них обладают минимальными возможностями, например только индицируют состояния сигнальных линий, а другие показывают скорость передачи в бодах и автоматически определяют конфигурацию системы RS-232C в терминах DTE и DCE.

Предлагаемое устройство спроектировано с расчетом его изготовления в домашних условиях. С его помощью одновременно индицируются как MARK или SPACE логические состояния на любых двух линиях, подключается любая линия к любой другой линии (с любой стороны интерфейса), задается на любой линии состояние MARK или SPACE, подключается к любой линии внешнее оборудование, например осциллограф, цифровой счетчик, генератор импульсов и т. п., устройство полностью автономно и работает от внутренних батарей.

Описание схемы. Упрощенная схема врезки для интерфейса RS-232C показана на рис. П2.21.

Рис. П2.21. Упрощенная схема врезки. Отметим, что основная земля и сигнальная земля соединяются и подключаются к нулевому потенциалу (шасси).

Схема симметрична относительно зоны соединений (с каждой стороны интерфейса). Соединения в этой зоне осуществляются с помощью перемычек для печатных плат или коротких проводов, заканчивающихся штекерами диаметром 1 мм. К зоне соединений подводятся также точки с уровнями постоянного напряжения, соответствующими состояниям MARK и SPACE.

Шесть наиболее важных сигнальных линий (TXD, RXD, RTS, CTS, DSR и DTR) с каждой стороны интерфейса подаются на выбирающий переключатель. Выход переключателя связан со схемой обнаружения МАRК/SPACE, а также с разъемом ввода-вывода для внешнего контрольно-измерительного прибора. Седьмое положение переключателя используется только по мере необходимости для передачи остальных сигналов из зоны соединений в схему обнаружения MARK/SPACE.

Электрическая схема врезки для интерфейса RS-232C приведена на рис. П2.22.

Рис. П2.22. Принципиальная электрическая схема врезки для интерфейса RS-232C.

Абсолютно симметричная схема для другой стороны интерфейса на рисунке не показана, а номера ее соответствующих компонентов отличаются от показанных на 100, например S1 и S101.

Сигналы из зоны соединений выбираются с помощью переключателей S1 и S101. Микросхемы IC1a и IC1b действуют как компараторы; на их выходах образуются высокие уровни, когда входное напряжение больше +3 В или меньше —3 В соответственно. Диоды D1—D4 обеспечивают защиту от входных напряжений, превышающих положительное и отрицательное максимальное напряжения питания (максимальное напряжение в интерфейсе RS-232C равно ±25 В). Стабилитроны D7 и D8 образуют эталонные напряжения для компараторов, т. е. минимальное напряжение для SPACE и максимальное напряжение для MARK. С помощью D5 и D6 преодолевается ограничение используемого операционного усилителя, когда входное напряжение близко к отрицательному напряжению питания. Питание схемы обеспечивают две сухие батареи по 9 В каждая, а светодиод D11 сигнализирует о включенном питании.

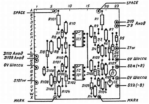
Монтаж. Две схемы обнаружения MARK/SPACE монтируются на двух кусках печатной платы с размерами 60x64 мм (24 полоски с 23 отверстиями). Их можно отрезать от стандартной платы Veroboard. Монтажная схема платы показана на рис. П2.23, причем необходимо сделать 23 разрыва печатных проводников.

Рис. П2.23. Монтажная схема врезки для платы Veroboard.

Рекомендуется следующая последовательность монтажа: гнезда для микросхем, пистоны, перемычки, резисторы, диоды и конденсаторы. После монтажа тщательно проверьте плату и вставьте микросхемы в гнезда, конечно, обратив внимание на их правильную ориентацию.

Монтаж компонентов на лицевой панели показан на рис. П2.24.

Рис. П2.24. Монтаж на лицевой панели. Гнезда из зоны соединений припаиваются к соответствующим контактам S1 и S101.

Зона соединений представляет собой матрицу из 62 гнезд диаметром 1 мм. Размещение гнезд должно напоминать два 25-контактных разъема типа D (SK1 и SK2), а сами гнезда соединяются с соответствующими контактами. При разметке лицевой панели под гнезда выдержите расстояние по горизонтали 10,16 мм, а по вертикали 7,62 мм.

Необходимо соединить два гнезда, соответствующих контакту 1 (защитная земля), с двумя гнездами, соответствующими контакту 7 (сигнальная земля). Оба земляных гнезда (контакты 1 и 7) соединяются с линией нулевого потенциала лицевой панели в любой удобной точке.

Шесть соединений от выбирающих переключателей S1 и S101 с гнездами выполняются в соответствии с табл. П2.3.

После завершения монтажа зоны соединений над ней при помощи четырех стоек подходящей длины укрепляется плата. К задней стенке корпуса прикрепляется держатель для батарей. Питание от батарей к лицевой панели подводится с зажимами на конце. Внешний вид и маркировка лицевой панели показаны на рис. П2.25.

Рис. П2.25. Лицевая панель врезки для интерфейса RS-232C.

Проверка. Первоначальную проверку врезки для интерфейса RS-232C следует выполнить без ее подключения к микрокомпьютеру.

Вставьте две новые батареи типа РРЗ и включите устройство, о наличии питания должен сигнализировать светодиод D11. Переключатели S1 и S101 должны находиться при этом в положении Передача; оба светодиода MARK и SPACE светиться не должны. Поочередно подайте в гнезда Передача с каждой стороны зоны соединений сигналы от гнезд MARK и SPACE. При этом должен, светиться соответствующий светодиод; если он не светится, тщательно проверьте монтаж, включая и соединения с печатной платой.

Затем устройство необходимо проверить в паре с работающим микрокомпьютером. Оно включается последовательно в сигнальный тракт RS-232C с помощью коротких ленточных кабелей, оканчивающихся соответствующими 25-контактными разъемами. Конфигурация устройства устанавливается для обычной работы, т. е. соединяются перемычками гнезда 2–6 и 20. Первоначально целесообразно задать самую медленную скорость передачи, например 50 бод, и «заставить» систему передавать в периферийное устройство файл подходящей длины. Затем необходимо просмотреть сигналы на всех линиях и реакцию системы на разрыв некоторых линий, в частности RTS и CTS.

Компоненты. Резисторы (угольные, 0,25 Вт, 5 %): R1 = R4 = R7 = R8 = 1 кОм; R101 = R104 = R107 = R108 = 1 кОм; R5 = R6 = R105 = R6 = 4,7 кОм; R9 = R11 = R109 = R110 = 270 Ом; конденсаторы: С1 = С2 = 10 мкФ (танталовые, 25 В); полупроводниковые приборы: IC1, IC101 — TL082; D1—D4, D6, D101—D104, D106 — 1N4148; D5, D105 — BZY88C3V9; D7, D8, D107, D108 — BZY88C3V0; D9, D109 — зеленые светодиоды; DIO, Dll, D110 — красные светодиоды.

Дополнительные детали: S1, S101 — поворотные однополюсные переключатели на 12 положений (ограничитель поставлен на семь положений); S2 — миниатюрный тумблер, двухполюсный, на два положения; держатели для светодиодов (5 шт.); 8-контактное гнездо для микросхемы (2 шт.); 25-контактный разъем типа D (2 шт.); корпус устройства с размерами 220x156x100 мм; односторонние пистоны (15 шт.); часть печатной платы Veroboard с размерами 60x64 мм; болты, гайки и стойки (4 комплекта); гнезда типа BNC (2 шт.); гнезда диаметром 1 мм (31 черное, 31 красное); перемычки для печатных плат длиной 10,16 мм; ручки (2 шт.); провода для питания ст батареи РРЗ с зажимами (2 шт.).

Более 800 000 книг и аудиокниг! 📚

Получи 2 месяца Литрес Подписки в подарок и наслаждайся неограниченным чтением

ПОЛУЧИТЬ ПОДАРОК