Устройство «Ягдтигра»

Бронекорпус

В создании САУ самое непосредственное участие принимали фирмы «Хеншель и сыновья», а также «Крупп». При проектировании САУ нагрузка на шасси при выстреле предполагалась несколько большей, чем допускалось, а также немного неудачно — вперед перераспределялся вес машины. Поэтому шасси танка «Тигр II» было удлинено на 260 мм. Бронекорпус танка практически не претерпел больших изменений. Так его бронирование в лобовой части осталось на уровне 150 мм, тогда как борта и корма были толщиной 80 мм. Рубка истребителя танков изготовлялась заодно с корпусом в бортах и соединялась с лобовым и кормовым листами соединением типа «шип», усиленным шпонками (такое соединение впервые удачно опробовал Ф. Порше в «Фердинанде» и «Маусе»). Толщина лобового листа рубки достигала 250 мм, причем он располагался под углом ок. 75°, что делало его практически неуязвимым для всех противотанковых средств противника на дистанции более 400 м. Для изготовления лобовой брони использовалась та же «морская сталь», что и для САУ «Фердинанд». В кормовой части рубки монтировался лист толщиной 80 мм, в котором располагались распашные бронедвери, предназначенные для демонтажа орудия, загрузки-выгрузки боекомплекта и эвакуации экипажа.

Носовая часть корпуса и форма маски орудия САУ «Ягдтигр»

Истребитель танков «Ягдтигр», вид сзади.

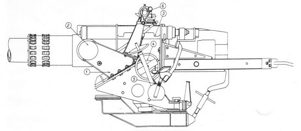
Элементы боевой рубки истребителя танков «Ягдтигр».

Тяжелый истребитель танков «Ягдтигр» серийная модель конца 1944 г.

Крыша рубки из 40-мм броневого листа крепилась к корпусу на болтах, что было очень удобно в изготовлении и обслуживании САУ. С правой стороны крыши рубки размещалась командирская башенка, через отверстие в крыше которой командир мог наблюдать за полем боя через стереотрубу. Левее командирской башенки имелась подвижная амбразура перископического прицела 128-мм орудия. Сразу за командирской башенкой располагался большой круглый командирский люк. Левее его находилась пусковая установка противопехотного гранатомета калибра 92 мм, предназначенного для обороны машины в ближнем бою с пехотными подразделениями. Позади люка по центру машины на крыше выступал бронеколпак вентилятора боевого отделения. И наконец, в кормовой части крыши находились два (или три) перископа для осмотра панорамы поля боя вокруг истребителя танков.

Ходовая часть

Ходовая часть «Ягдтигра» была в основном подобна ходовой части линейного танка «Тигр II», за исключением отличий в модификации с подвеской типа Ф. Порше. Удлинение корпуса на 260 мм повлекло за собой и увеличение длины опорной поверхности с 4,12 до 4,24 м. Но, поскольку боевой вес новой самоходной артсистемы увеличился более чем на 5 тонн, увеличилось и удельное давление на грунт с 1,02 до 1,06 кг/см2. Упругими элементами подвески остались торсионы.

Подвеска, спроектированная для «Ягдтигра» КБ Ф.Порше, была во многом подобна подвеске САУ «Фердинанд» и состояла применительно к каждому борту из четырех тележек, каждая из которых в свою очередь содержала по два опорных катка, соединенных торсионами и балансирами Ф.Порше нового типа. Бытующее мнение, что на «Ягдтигре» использовались тележки с «Фердинанда» без переделок, не соответствует действительности. В истинности данного замечания нетрудно убедиться, если посмотреть на изображение данных тележек на фотографиях, приведенных в издании «Der Panzerkampfwagen Tiger und seine Abarten» В.Шпильбергера. Несмотря на то, что САУ с данной подвеской не строились массовой серией, отзывы об их применении были весьма и весьма хвалебными.

Гусеница «Ягдтигра» (как транспортная, так и боевая) была полностью позаимствована от линейного танка «Тигр II».

Энергетическая установка

Ни двигателем, ни трансмиссией «Ягдтигр» не отличался от линейного танка, оснащенного 12-цилиндровым бензиновым двигателем Maybach HL 230 Р, мощностью 700 л.с. при 3000 об/мин. Всякие байки, что в 1945 г. мощность двигателя удалось поднять до 900 л.с. и более, не соответствуют действительности, поскольку в это время велись только опытные работы по оборудованию данного двигателя системой впрыска водо-метаноловой смесью, так и не доведенные до степени серийного производства. Емкость бака с бензином составляла 860 литров; этого запаса хватало на движение по шоссейной дороге до 110 км, на местности — до 80 км (впрочем, испытания «Ягдтигра» в СССР дают иные значения: по шоссе — 120 км, по проселочной дороге — 60-65 км).

Кроме того, бытует мнение, что ни «Тигр II», ни истребитель танков на его базе, не были в состоянии тянуть на буксире себе подобного (дескать «горел двигатель»), что также не соответствует истине, поскольку и на испытаниях в Германии и на испытаниях в СССР танк, также, как и его «больший брат», уверенно тянули на буксире за собой себе подобных даже по бездорожью.

Вооружение

Первоначально планировалось оснастить «Ягдтигр» 128-мм орудием с длиной ствола в 70 калибров, однако, так как для вооружения полевой артиллерии уже было принято 128-мм орудие РаК 44 с длиной ствола в 55 калибров и такое-же должно было быть установлено на танке «Маус», было решено унифицировать их.

128-мм орудие РаК 44 L/55 появилось впервые на фронте как полевое противотанковое орудие в августе 1944 года. Поскольку лафет для него изготовлен не был, а применение было весьма желательно, качающуюся часть орудия попросту устанавливали на лафетах трофейных советских 152-мм гаубиц М-10, пушек-гаубиц МЛ-20, а также французских 155-мм пушек GBF-T, имевших в вермахте название соответственно sFH 443(r), КН 433/1(г) и К 419(f)- Всего таким образом было выпущено около 160 артсистем (некоторые источники называют цифру — 116).

Орудия РаК 44 (Рак 80), предназначенные для установки в танках и САУ, отличались от зенитных 128-мм пушек фирмы Rheinmetall-Borsig раздельным заряжанием. Это было продиктовано теснотой боевого отделения бронированных машин, где с унитарным патроном такого калибра было просто «не развернуться». Для ускорения заряжания в них были двое заряжающих, один из которых подавал в камору снаряд, в то время, как второй — гильзу с зарядом.

Тяжелый истребитель танков «Ягдтигр», вид справа, с транспортными гусеницами без бортовых экранов.

Установка воздушных фильтров и бронекрышек на нем.

Общий вид двигателя «Майбах» HL230P30 слева и справа. На рисунке:

1 - маслобак;

2 - инерционный стартер;

3 - электростартер;

4 - водяная помпа;

5 - карбюраторы;

6 - электрогенератор;

7 - маслорадиатор;

8 - масляный фильтр.

Интерьер тяжелого истребителя танков «Ягдтигр».

Общий вид боевой рубки. Хорошо видна казенная часть 128-мм орудия РаК 80. Справа и слева на стенах - держатели орудийных гильз, слева над орудием на крыше САУ - казенная часть противопехотного гранатомета, служившего для обороны машины от пехотных подразделений в ближнем бою. Место командира орудия (наводчика) - слева.

Кормовая часть левого борта боевой рубки. Кольца, изображенные на снимке, служили для крепления 14 снарядов (гранат), расположенных вертикально.

Место командира орудия и расположенные рядом с ним крепежные кронштейны для орудийных гильз с зарядом для 128-мм орудия РаК 80.

Место механика-водителя тяжелого истребителя танков «Ягдтигр». Хорошо видно рулевое колесо (полубаранка) и приборная доска, расположенная на правой стенке. Ниже ее - коробка перемены передач.

Часть боеукладки 128-мм орудия РаК 80. Гильзы с зарядом расположены на стеллажах (кронштейнах), а снаряды, головная часть которых видна в левом нижнем углу фотографии расположены вертикально. Данная укладка соответствует САУ позднего выпуска.

Компоновка 128-мм пушки в боевой рубке САУ. Снаряды, подобно гильзам, размещены на горизонтальных стеллажах, что соответствует машинам раннего выпуска.

Затвор орудия клиновой горизонтальный ручного открывания (1/4 автоматики). Механизмы наведения орудия обеспечивали его наведение в горизонтальной плоскости на 10° в каждую сторону, а по вертикали в пределах от -7° до + 15°. Наибольшая дальность стрельбы осколочно-фугасным снарядом достигала 12,5 километров.

Боекомплект САУ размещался на полу боевого отделения, а также на стенах рубки и составлял 38 выстрелов (В. Шнейдер дает объем боекомплекта в 40 выстрелов).

Перископический прицел WZF 2/1 имел десятикратное увеличение и поле зрения в 7°, что позволяло вести при его помощи уверенную стрельбу по видимым целям на дистанции до 4000 м.

Дополнительным вооружением истребителя танков являлись: курсовой пулемет MG 34, размещенный в лобовом листе корпуса и обслуживаемый стрелком- радистом, а также 92-мм противопехотный гранатомет, расположенный на крыше боевого отделения, обслуживаемый одним из заряжающих.

Схема бронирования истребителя танков «Ягдтигр»

Станок 128-мм пушки РаК 44/РаК 80

1 - кронштейн крепления цапфы

2 - цапфа орудия

3 - тормоз отката

4 - маховик подъемного механизма

5 - механизм горизонтального наведения

6 - привод к прицелу

Тактико-технические данные 128-мм противотанкового орудия РаК 44/РаК 80

Ствол:

Калибр, мм 128

Длина орудия, мм 7 020

Длина ствола, клб 55

Длина ствола, мм 6 610

Длина нарезной части, клб 43

Длина нарезной части, мм 5 533

Число нарезов 40

Глубина нарезов 1,7 мм

Ширина нареза 6,05 мм

Ширина поля 4,0 мм

Длина зарядной каморы 1 077 мм

Диаметр зарядной каморы 176/162 мм

Объем зарядной каморы 22,88 л

Лафет:

Угол вертикального наведения -7°/+15°

Угол горизонтального наведения ±10°

Высота линии огня 2 150 мм

Объем противооткатных устройств .. Л2,25 л

Длина отката нормальная 870 мм

Длина отката макс 900 мм

Давление в системе 50 кг/см2

Весовая сводка:

Ствол в сборе 3 300 кг

Труба ствола 2 200 кг

Орудие в сборе 7 000 кг

Размеры орудия:

Длина 8 000 мм

Ширина 1 600 мм

Высота 1 390 мм

Боеприпасы:

PzGr 43 SprGr

Назначение Б/Б О/Ф

Длина снаряда, мм 496,5 623

Вес разрывного заряда, кг 0,55 3,6

Нач. скорость, м/с 920 750

Дальнобойность (макс), м - 12 200

Дальность прямого выстрела, м 1270 800

Длина гильзы, мм 870 870

Объем гильзы, л 18,24 18,24

Вес порохового заряда, кг 15,0 12,2

Диаметр гильзы по закраине 192 192

Примечание:

Б/Б бронебойный

О/Ф осколочно-фугасный

Более 800 000 книг и аудиокниг! 📚

Получи 2 месяца Литрес Подписки в подарок и наслаждайся неограниченным чтением

ПОЛУЧИТЬ ПОДАРОК