Детектор-умножитель

Если пройтись щупами милливольтметра по каскадам радиоприемника от входа к выходу, заметим постоянный рост показаний прибора, пока не перешагнем диодный детектор. За ним напряжение сигнала падает раз в десять. И хотя понимаешь, что перед детектором прибор показывает напряжение радиочастотной несущей, а за ним — напряжение продетектированного сигнала звуковой частоты, все равно «провальная» разница обескураживает.

А нельзя ли изменить конструкцию детектора и получить более высокое напряжение?

Тут же возникла подсказка в виде диодно-емкостного каскадного выпрямителя, дающего высокое напряжение для анодов кинескопов. У таких умножителей в зависимости от числа каскадов напряжение повышается с каждым новым полупериодом переменного напряжения на входе. Идея умножить напряжение сигнала, не затрачивая энергии батареи питания, показалась заманчивой. Но тут же возникло сомнение — ведь колебания звуковой частоты за детектором должны повторять огибающую амплитудно-модулированного радиосигнала (рис. 1); при многократном умножении в каскадном детекторе происходит некоторое запаздывание амплитудного значения «ступенчатых» полусинусоид.

Рис. 1

Вместе с тем, поскольку «звуковое» колебание образовано огромным числом радиоколебаний, можно было рассчитывать, что подобная погрешность не скажется на точности воспроизведения звуковых сигналов, по крайней мере, для диапазонов средних волн, а коротких тем более.

Для опытной проверки замысла была собрана «радиоустановка», схема которой показана на рисунке 2.

Радиочастотный тракт состоял из настраиваемого контура магнитной антенны WA1 и двух каскадов прямого усиления на транзисторах VT1, VT2. Переключатель А1 позволял присоединять к УРЧ обычный детектор, собранный по схеме удвоения (VD1, VD2, С7, R9), и детектор с многократным умножением (VD3…VD6, С9…С11, R10).

Тем же переключателем выходы детекторов присоединялись ко входу «звукового» усилителя заводского приемника, имевшему сопротивление порядка 100 кОм.

Сравнение сразу же оказалось в пользу каскадного детектора — с ним уровень звукового сигнала был существенно выше. Заметно улучшилась избирательность приема, обычно невысокая у одиночных контуров магнитной антенны.

Полезные эффекты могут возрасти при увеличении количества ступеней каскадного детектора. Но, вероятно, имеется оптимальное число, далее которого их количество увеличивать не стоит. В варианте, изображенном на рисунке 2, использовались диоды Д9В и конденсаторы КЛС. Обратим также внимание, что резистор R10 — нагрузка каскадного детектора — имеет соответственно повышенное сопротивление; ему отвечает достаточно высокое входное сопротивление УЗЧ. Конечно, может возникнуть вопрос — стоит ли создавать специфическую конструкцию детектора, если дополнительное «подрастание» сигнала и улучшение избирательности можно получить традиционным путем, с введением дополнительных транзисторов? Но не стоит забывать, что последние потребуют дополнительного расхода энергии батареи. Во всяком случае, в простых «карманных» конструкциях приемников детектор нового типа может оказаться весьма эффективным.

Еще более перспективным кажется использование каскадных детекторов там, где проблема электропитания является решающей. По этой причине до сих пор в стационарных условиях успешно применяют детекторные приемники, вообще обходящиеся без питания (точнее, черпая его в самом радиосигнале).

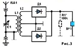
Полезно вспомнить старый опыт — двухполупериодное детектирование, дающее параллельное сложение обеих продетектированных полуволн радиосигнала. Сочетая его с каскадными детекторами Д1, Д2 в каждом плече (рис. 3), резонно ожидать вместе удвоение тока и умножение напряжения сигнала.

Подходящим головным телефоном с высоким сопротивлением (20 кОм) мог бы стать телефон пьезоэлектрического типа, например, ТПК-571. Поскольку пьезоэлементы имеют емкостный характер сопротивления, для пропуска постоянной составляющей сигнала их следует шунтировать высокоомным резистором. Иногда такой резистор встраивается в конструкцию самого телефона.

Более 800 000 книг и аудиокниг! 📚

Получи 2 месяца Литрес Подписки в подарок и наслаждайся неограниченным чтением

ПОЛУЧИТЬ ПОДАРОК