ЗАОЧНАЯ ШКОЛА РАДИОЭЛЕКТРОНИКИ Выше добротность — лучше прием

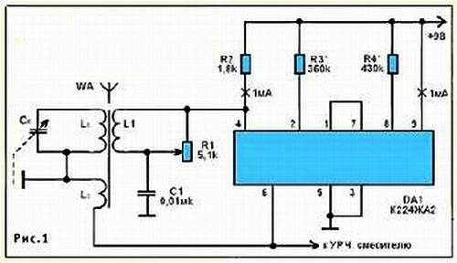
Принципиальная схема несложной приставки прямого усиления, повышающей чувствительность радиоприемников, приведена на рисунке 1.

Работает приставка в средневолновом диапазоне. Ночью, напомним, на средних волнах можно поймать весьма удаленные станции. На схеме: элементы WA, Ск, Lк — магнитная антенна с контурной катушкой и секция блока конденсаторов переменной емкости, уже имеющиеся в конструкции приемника; Lс — штатная катушка связи входного контура со смесителем преобразователя или с каскадом усиления радиочастоты. Вновь вводимый узел содержит микросхему DA1, несколько навесных деталей и катушку обратной связи L1, надеваемую на стержень магнитной антенны рядом с катушкой Lк. Первый каскад DA1 включен по схеме эмиттерного повторителя, благодаря чему имеет высокое входное сопротивление; будучи присоединен выводом 6 к цепи катушки Lc, он практически не создает дополнительной нагрузки на входной контур Lк, Ск. С выхода эмиттерного повторителя сигнал поступает на второй, также «спрятанный» в микросхеме, каскад усиления; с его коллекторной нагрузки R2 снимается значительно усиленный сигнал, поступающий в катушку обратной связи L1. При правильном положении последней ее магнитный поток усиливает поток от катушки Lк, что равносильно снижению потерь в контуре. Благодаря увеличению добротности контура, принятый сигнал воспроизводится громче, снижаются или пропадают вовсе помехи от сигналов радиостанций, работающих на близких частотах. Но если обратная связь излишне велика, приемник самовозбуждается.

Поскольку на разных участках диапазона требуются различные уровни обратной связи, в схему приставки введен регулятор связи в виде переменного резистора R1, в той или иной степени шунтирующего катушку L1. Катушка наматывается на каркасе из плотной бумаги, повторяющем форму торца ферритового стержня антенны, содержит порядка 15 витков провода ПЭЛШО 0,15 и может перемещаться по стержню относительно контурной катушки.

Со схемой приемника наша регенерирующая приставка связана в трех доступных точках — с «общим проводом», цепью питания и цепью катушки Lc. Указанные на схеме величины токов микросхемы можно подогнать при необходимости подбором номиналов резисторов R3, R4. Перемещая катушку L1 относительно Lк и уточняя число витков L1, нетрудно добиться возникновения генерации на всем принимаемом диапазоне. Может случиться, что у вас нет нужной микросхемы или для нее не удается найти места вблизи магнитной антенны. Тогда приставку можно выполнить согласно схеме, показанной на рисунке 2.

Здесь для повышения входного сопротивления усилительного каскада на транзисторе VT1 использован транзистор с высоким коэффициентом передачи тока, типа КТ3102В либо Г. Его режим по постоянному току обеспечивается подбором резистора R2. На рисунке 3 дано расположение выводов используемых полупроводниковых приборов; позиции «а», «б» отвечают разным исполнениям корпусов транзистора КТ3102.

Ю. ПРОКОПЦЕВ

Более 800 000 книг и аудиокниг! 📚

Получи 2 месяца Литрес Подписки в подарок и наслаждайся неограниченным чтением

ПОЛУЧИТЬ ПОДАРОК