ГЛАВА 2 Война токов

В годы, когда электричество превращалось в главный источник энергии для городов и промышленности, его истинный потенциал так и оставался предметом споров. Применение постоянного тока для питания больших электросетей быстро обнаружило его недостатки, но данную идею защищал всемогущий Эдисон. Единственной альтернативой был переменный ток, однако об этом говорил никому не известный европейский эмигрант Никола Тесла.

Война Эдисона против использования переменного тока вошла в историю как «война токов».

На следующий день после прибытия в США, 7 июня 1884 года, Никола Тесла ступил на порог одной из первых электростанций в истории. Электростанция компании «Эдисон электрик лайт» располагалась в зданиях с номерами 255-257 по узкой улице Перл-Стрит нижнего Манхэттена и снабжала энергией Уолл-Стрит и Ист-Ривер, где проживали богатейшие семьи Нью-Йорка. В начале того беспокойного лета компания провела свет на фабрики и в театры, однако используемое при этом оборудование становилось головной болью для всех, так как постоянно случались самые разные аварии. Особенно частыми были короткие замыкания. Иногда происходили пожары, как например, пожар в особняке Вандербильтов, которые в своем доме немедленно отказались от нового вида энергии, несмотря на то что были одними из первых его ценителей. Инженеры и бригады рабочих ездили туда-сюда по Пятой Авеню и постоянно чинили новые поломки. К 35 годам Томас Альва Эдисон преждевременно постарел, поседев и сгорбившись. Когда высокий, стройный темноволосый молодой человек по имени Никола Тесла, которого ему представили в Париже, вошел в его кабинет, Эдисон только что повесил трубку после разговора с владельцем «Орегона» — самого быстроходного в мире пассажирского судна и первого в истории с электрическим освещением. Динамо-машины «Орегона» пострадали после серьезной аварии, и судно долгое время стояло на якоре. Стремясь хоть как-то смягчить гнев судовладельца, Эдисон пообещал немедленно направить к нему кого-нибудь из инженеров — которых у него на тот момент не было. А этот внезапно появившийся молодой человек из Европы говорил на очень правильном английском с британским акцентом и, кроме того, очень громко. Возможно, ему объяснили, что Эдисон не слышит на одно ухо. Тесла показал рекомендательное письмо от Чарльза Бэчлора. Эдисон пробежал его глазами и, бросив недоверчивый взгляд на Теслу, сказал: «Это я и называю рекомендательным письмом. Что Вы умеете делать?»

ВОЛШЕБНИК ИЗ МЕНЛО-ПАРКА

Имя Томаса Альвы Эдисона (1847- 1931) записано в коллективной памяти человечества как имя изобретателя Новейшего времени. Он происходил из скромной семьи, был самоучкой и тем не менее построил промышленную империю, которая сделала его богачом и способствовала формированию современного мира. В 1876 году Эдисон открыл легендарную лабораторию в Менло-Парке (Нью-Джерси), чтобы исследовать применение разных научных идей. Там увидели свет его самые трансцендентальные изобретения. Среди более чем тысячи полученных им патентов числятся лампа с нитью накаливания, фонограф и кинопроектор. Говорили, что Эдисон регистрирует новый патент раз в две недели. Однако этот гениальный человек часто оказывался замешан в конфликтах, связанных с авторством того или иного изобретения, и отнюдь не всегда вел себя достойным образом.

Фотография Эдисона сделана в 1880-е годы, примерно в то время, когда он познакомился с Теслой.

Тесла был уверен, что взаимопонимание на интеллектуальном уровне возникло у него с Эдисоном, божеством во плоти, в одно мгновение. Он рассказал о своей работе для компании во Франции и Германии и перешел к объяснениям о вращающемся магнитном поле и индукционном двигателе, работающем на переменном токе. И тут собеседник перебил его с неприязнью: Штаты выбрали постоянный ток, и по его мнению, использование переменного тока — опасная глупость. Но несмотря на это расхождение во взглядах Эдисон нанял Теслу сразу же для того, чтобы починить «Орегон». Они скрепили договор коротким и крепким рукопожатием.

Через несколько часов Тесла поднимался на борт судна, нагруженный инструментами, все еще храня в кармане письмо Бэчлора. Он берег его в течение всей жизни, как если бы оно было первым с трудом заработанным долларом. Чарльз Бэчлор писал в нем: «Могу заверить Вас, что знаком с двумя великими людьми. Вы один из них, а второй — этот молодой человек, податель моего письма».

ЗЕМЛЯ ОБЕТОВАННАЯ НЕ ДЕРЖИТ ОБЕЩАНИЙ

Американские магнаты быстро догадались, какие колоссальные выгоды сулит девственный рынок электричества, где главной приманкой была его новизна. Весь мир ждал электроэнергии; но немногие могли управляться с нею. В США такими умельцами, возможно, были лишь Эдисон, Джозеф Генри и Элиу Томсон (1853-1937), основатель одной из первых в стране электрических компаний «Томсон-Хьюстон Электрик». В создавшейся ситуации предпринимателям приходилось не раздумывая полагаться на ученых, получивших известность за границей и приезжавших искать счастья в Новый Свет. В этот жесткий, но в то же время райский и полный возможностей мир Никола Тесла пришел с твердым желанием добиться успеха. Не прошло и 48 часов с момента его приезда в Нью-Йорк, как он уже починил динамо-машины «Орегона» всего за одну ночь работы с помощью только лишь команды судна.

ВТОРАЯ ПРОМЫШЛЕННАЯ РЕВОЛЮЦИЯ

На конец XIX века пришелся расцвет эпохи, начавшейся на столетие раньше и известной как Первая промышленная революция. Она связана с появлением паровой машины Ватта. За этот век наука и технология превратились в самые мощные двигатели прогресса и кардинально изменили жизнь людей. На смену данной эпохе пришла Вторая промышленная революция, влияние которой оказалось еще более глобальным, так как ее основа (электричество) коснулась мельчайших деталей человеческого быта. Наступила так называемая эра капитализма, потому что именно тогда экономический режим, основанный на силе капитала как двигателя производства, окончательно утвердил свои позиции. Соединенные Штаты — страна с огромной территорией и бесконечными природными ресурсами — стали оплотом новой эры. Гигант пробудился и начал протягивать руки в разные стороны в жадном поиске рабочей силы и талантов. На нефти, стали и железных дорогах зарабатывали состояния. Так появились легенды о североамериканских предпринимателях, которые скоро стали мультимиллионерами: Карнеги, Морган, Рокфеллер, Гуггенхайм, Вандербильт... Эти фамилии заставляют нас вспомнить о хватких и безжалостных дельцах, которые для одних стали идеалом, а для других — проклятьем.

Эдисон был впечатлен таким успехом и предоставил ему место в штате с карт-бланшем на исследования в свободное от работы время. Сама работа заключалась в устранении поломок и разрешении сложных ситуаций. В тот период Тесла соревновался со своим кумиром, чтобы проверить, кто может выдержать больше времени без сна. Он начал изучать возможности улучшения динамо-машин на Перл-Стрит и, наконец, представил проект с более эффективной и экономичной схемой. Эдисон понял, что такой проект полностью оправдает себя, и обещал заплатить Тесле 50000 долларов, если дело закончится успехом. Тесла на месяцы погрузился в разработку технологии с использованием постоянного тока, в которую не верил. Уже в 1885 году он полностью переделал схему 24 генераторов станции, внеся значительные изменения, включая устройства автоматического контроля, которые запатентовала компания Эдисона. Закончив работу, он пришел за вознаграждением. Как рассказывал сам Тесла, Эдисон усмехнулся и сказал ему: «Вы не понимаете американского юмора». Почувствовав себя оскорбленным, Тесла уволился. Руководство попыталось удержать его, предложив ему повышение заработной платы на 10 долларов, но молодой ученый отказался. Тогда его зарплата равнялась 18 долларам в неделю. По официальной версии компании, Тесла предложил свои патенты на устройства, основанные на переменном токе, за 50 000 долларов, а Эдисон, естественно, принял это за шутку.

РИС.1

В дуговой лампе источником света служит электрическая дуга. Разряд происходит между двумя электродами — как правило, из вольфрама, — помещенными в разреженную атмосферу или газовую среду, при подаче на них напряжения. Обычно используются газы неон, аргон,ксенон или криптон.

Возможно, Тесле было нетрудно оставаться твердым в защите своего достоинства, так как несколько инвесторов предложили ему основать собственное общество. Они не были заинтересованы напрямую в переменном токе, их внимание привлекала возможность разработки более совершенной модели дуговой лампы (см. рисунок 1), которая могла бы удовлетворить растущий спрос на уличное и промышленное освещение.

В марте 1885 года неподалеку от Менло-Парка, в Рауэйе, открыла свои двери «Тесла Электрик Лайт Кампани». Тесла сразу взялся за дело и благодаря целому ряду небольших усовершенствований, которые довольно трудно описать полностью в нашей книге, создал единственную в своем роде дуговую лампу — более простую, эффективную и надежную, чем существовавшие на тот момент. К этому патенту добавились и другие, также связанные с усовершенствованиями системы освещения. Первым патентом на имя Теслы стал патент 334 823, выданный 26 января 1886 года на коммутатор электрических динамо-машин для использования их с дуговыми лампами. Речь идет об устройстве, позволяющем избежать образования искр в коммутаторе электрических аппаратов, таких как динамо-машины Грамма, которые изобретатель изучал в Граце.

Несмотря на то что в это предприятие Тесла вложил все свои старания, ничего хорошего у него не получилось. Со свойственным отсутствием практической сметки он договорился, что его заработная плата будет состоять из акций компании. Как только он закончил работы, то оказался выведен из состава руководства компании, его оставили в качестве одного из обычных акционеров. Так как предприятие было совсем молодым, а страна переживала экономический кризис, его акции практически обесценились. Очень скоро стало очевидно, что данная ситуация явилась новым поражением для Теслы, еще более тяжелым, чем предыдущее, потому что на этот раз он не мог уйти с гордо поднятой головой. Этот движимый идеалами европеец слишком поздно начал понимать, что хитрость и беспринципность являются неотъемлемой частью безжалостного делового мира.

Экономический спад перешел в затяжную депрессию. В 1886 году Тесла пережил один из самых мрачных периодов своей жизни. Он не мог найти работу инженера, ему пришлось устраиваться в бригаду рабочих и копать канавы на улицах Нью-Йорка за два доллара в день, при этом и на такой работе каждый день грозил увольнением. Всего четыре года назад этот гениальный человек придумал вращающееся магнитное поле, показал свои блестящие способности, а теперь ему приходилось задаваться вопросом, для чего нужны его образование и страсть к знаниям. Стараясь воткнуть лопату в замерзшую землю, он ненавидел физическую работу и хранил в голове единственную возможность будущего для электричества — использование переменного тока.

РИС. 2

Цепь — электрическая сеть, которая предполагает наличие закрытой траектории, где от источника- генератора электрический ток (поток электронов) направляется по проводникам, чтобы выполнить определенную работу в устройстве- приемнике (зажечь лампочку, привести в действие двигатель и так далее).

РИС.З

ПОСТОЯННЫЙ ТОК ПРОТИВ ПЕРЕМЕННОГО

В чем разница между постоянным и переменным током? По какой причине постоянный ток можно было назвать тупиковой ветвью использования электричества, а переменный — единственно возможным будущим? Желая понять это, нужно узнать несколько больше об электрическом токе.

Электрическим током называют движение электрических зарядов. Заряженные частицы движутся по пути, который может представлять собой электрический провод, как правило в направлении точки, где должна быть произведена какая-либо работа. Такая схема маршрута с «улицами» и «точками назначения» именуется цепью (см. рисунки 2 и 3).

РИС. 4

Величина, которая используется для описания электрического тока, — сила тока; ее название говорит само за себя. Единицы силы тока — амперы. Аналогично, как если бы мы говорили о сообщающихся сосудах, между двумя заряженными телами, обладающими разным зарядом, возникает разность потенциалов, называемая напряжением (см. рисунок 4). Если тела соединены, заряд стремится к уравниванию. Единица напряжения — вольт. Изначально существовало представление о том, что прохождение электрического тока по проводу связано с движением положительных зарядов (протонов) от точки большего потенциала к меньшему. Сегодня известно, что оно связано с движением электронов (отрицательных зарядов). Но по традиции (и привычке) считается, что направление электрического тока идет от положительного к отрицательному полюсу, хотя на самом деле все происходит наоборот (см. рисунки 5 и 6).

РИС. 5

РИС. 6

Как мы уже говорили, между двумя телами, имеющими разный электрический заряд и соединенными проводником, например металлической проволокой, пойдет ток, но при выравнивании потенциалов он прекратится. Легкость и эффективность перемещения заряженных частиц преимущественно зависит от материала проводника и измеряется с помощью величины под названием электрическое сопротивление. Задача электрических генераторов состоит в том, чтобы создать и поддерживать между двумя точками, соединенными проводниками, разность потенциалов, что даст возможность получить непрерывный электрический ток.

Разница между постоянным и переменным током состоит в направлении движения зарядов. Постоянный ток (DC, от английского direct current) движется в одном направлении, его мгновенные значения постоянны во времени (см. рисунок 7). Как правило, также постоянным током называют ток, который не меняет направление своего движения, хотя прочие его характеристики могут изменяться. Самый известный и привычный способ получения постоянного тока — от электробатарейки.

РИСУНОК 7: В постоянном токе заряды движутся в одном направлении. Положительные и отрицательные клеммы всегда одни и те же. Напряжение (V) является константой во времени (t).

РИСУНОК 8: Величина и направление переменного тока изменяются циклически. Колебания связаны с регулярным чередованием полярности клемм генератора.

В свою очередь, переменный ток (ЛС, от английского alternating current) представляет собой ток, величина которого в каждый момент зависит от периодической функции времени; таким образом, поток электронов цикличен. Период движения заряда в одном направлении, а затем в противоположном составляет полный цикл. Скорость, с которой происходит чередование полярности, характеризуется частотой, измеряемой в герцах (Гц), показывающей количество циклов за единицу времени, а именно за секунду. Частота в 60 Гц означает, что токи, проходящие по проводнику, делают 60 полных колебаний (циклов) каждую секунду; таким образом, они 120 раз за секунду меняют направление. Эта частота слишком велика, чтобы человеческий глаз мог уловить колебания при работе, например, лампочки.

Самый частый тип переменного тока — синусоидальный (см. рисунок 8), его получают от генератора переменного тока (альтернатора). Работа такого генератора основывается на смене полярности напряжения генератора в регулярные интервалы и позволяет добиться более эффективной передачи энергии. Переменный ток можно превратить в постоянный с помощью устройства, называемого выпрямитель.

ЗАКОН ДЖОУЛЯ

За те месяцы, которые Эдисон и Тесла работали вместе, многие уже заметили недостатки постоянного тока, ограничивающие его использование. Несмотря на гигантские размеры станции на Перл-Стрит, ее мощности позволяли освещать 508 жилых домов и зажигать всего 10164 лампочки. Эдисон очень переживал из-за недостаточной рентабельности станции. Повсеместно используемый газ на деле оказывался значительно более дешевым. В чем же была проблема с Перл-Стрит?

Протекание электрического тока по проводам сопровождается выделением тепла, что приводит к потерям тока. Джеймс Прескотт Джоуль (1818-1889) открыл закон, устанавливающий связь между сопротивлением провода, по которому течет ток, и количеством выделяемого тепла.

Выражаясь фигурально, мы можем сказать, что данное явление происходит потому, что электроны, образующие электрический ток, «сталкиваются» с атомами материала, по которому проходят, и отдают часть своей кинетической энергии, преобразующейся в тепловую энергию. Выделяемое тепло передается непосредственному окружению проводника. На этом явлении основаны все электронагревательные приборы, равно как и лампы накаливания, в том числе созданные Эдисоном.

Однако здесь есть и негативные стороны — именно они сводили с ума Эдисона и его работников на Перл-Стрит. Как уже было сказано, часть энергии теряется при перемещении по проводам к пользователям. Значительная часть тока, вырабатываемого генераторами Эдисона, попросту уходила на нагрев проводов. Чтобы устранить данную проблему, было принято решение увеличить толщину проводников, но это привело к серьезному увеличению их стоимости и веса, возможность прокладки воздушных линий оказалась под угрозой. Для перемещения электричества в виде постоянного тока на далекие расстояния или по городской сети нужно было строить промежуточные станции через каждые несколько километров. Жители соседних домов жаловались на то, что эти станции шумные и некрасивые. К тому же они требовали постоянного обслуживания, так что система уже не казалась удобной и рентабельной. Переменный ток давал возможность решить проблему, но почему?

Согласно закону Ома, сформулированному в 1827 году немецким физиком и математиком Георгом Симоном Омом (1789-1854), силу тока (I) можно выразить формулой

I = U/R,

где U — напряжение. Сопротивление (R) показывает противодействие проводника прохождению электрического тока и измеряется в омах (?).

СОПРОТИВЛЕНИЕ ЭЛЕКТРИЧЕСТВА

Сопротивление электричества зависит от трех параметров: длина (l) проводника, площадь его поперечного сечения (S) и коэффициент удельного электрического сопротивления, также называемого специфическим сопротивлением материла (?), так как для каждого элемента характерно свое значение.

R = ??l/S.

Из приведенной формулы видно, что чем больше длина, тем больше сопротивление; чем выше коэффициент удельного сопротивления, тем также выше сопротивление. При этом чем больше площадь поперечного сечения, тем меньше сопротивление. Данный факт можно применить для борьбы с потерями энергии при нагревании. Именно это показывает закон Джоуля о превращении электричества в тепло (Q) и свет, выраженный через закон Ома:

Q= l2?R?t.

Опыты доказали, что потери тем меньше, чем меньше сила тока. Таким образом, для перемещения электроэнергии на большую дистанцию к точке потребления от точки генерирования или хранения требовалось поддерживать высокое напряжение. Однако высокое напряжение опасно в быту. Нужно было снизить силу тока перед транспортировкой, а затем увеличить ее в точке назначения. Но как это можно реализовать?

С помощью прибора, называемого трансформатор. При заданной мощности увеличение напряжения ведет к уменьшению силы тока и наоборот. При этом постоянный ток не позволял с легкостью использовать трансформатор. Для увеличения напряжения можно было подключить несколько динамо-машин, но такая система была очень медленной, малопрактичной и дорогой. Напротив, переменный ток позволял с легкостью увеличивать и уменьшать напряжение при помощи трансформатора, принцип действия которого основывался на электромагнитной индукции.

КАК РАБОТАЕТ ТРАНСФОРМАТОР

Трансформаторы — электрические приборы, применяемые для изменения напряжения электрического тока, проходящего по цепи. Их используют как для увеличения напряжения, так и для его уменьшения. Принцип действия трансформаторов основан на электромагнитной индукции. Переменный ток проходит по катушке, намотанной с одной стороны замкнутого железного сердечника. Этот ток создает магнитное поле, которое, в свою очередь, индуцирует ток в катушке, намотанной с другой стороны сердечника. Железный сердечник погружен в масляную среду, которая плохо проводит электричество. Трансформаторы работают только в сетях переменного тока. Так как переменный ток в проводнике на входе постоянно меняется, создаваемый магнитный поток также меняется. Это переменное магнитное поле образует ток в катушке на выходе. Две катушки не соединены физически, и на одной из них больше витков в обмотке, чем на другой. Именно из-за разницы в обмотках напряжение и ток в каждой из катушек разные. Трансформаторы являются пассивным оборудованием, не добавляющим энергии в цепь, при этом в стандартных условиях они очень эффективны, передавая до 99% энергии, полученной на входе. И только 1% теряется на нагревание.

Невзирая на советы своих инженеров, которые все больше беспокоились о состоянии системы, Эдисон упрямо игнорировал тот факт, что при постоянном токе происходили значительные потери, а снабжение электричеством больших районов представлялось невозможным. Он вкладывал огромные суммы денег в свою систему и был уверен, что его лампочки по-другому просто не будут работать. Каждый, кто покушался на кусок электрического пирога, сразу же начинал сталкиваться с Эдисоном, уверенным, что еще не скоро появится человек, способный его сокрушить. Так довольно быстро один из его потенциальных врагов и конкурентов, иностранец Никола Тесла, оказался буквально втоптанным в грязь.

ИЗ БЕЗДНЫ К ВЕРШИНЕ

В конце 1886 года Никола Тесла работал в мастерской без особых надежд на будущее. Через своего начальника, которому он также рассказывал об индукционном двигателе, изобретатель познакомился с двумя потенциальными инвесторами, которые знали о перспективах переменного тока: директором телеграфного бюро «Вестерн Юнион» Альфредом С. Брауном и нью- йоркским адвокатом Альфредом Ф. Пеком. Оба находили идеи Теслы любопытными, но также испытывали и сомнения, в частности не могли понять смысла и возможностей вращающегося магнитного поля.

Как записано в воспоминаниях и многих биографиях Теслы, ему пришло в голову напомнить им историю о «колумбовом яйце». По рассказу Джироламо Бенцони в «Истории Нового Света»(1565), однажды за ужином, после возвращения Христофора Колумба из Америки, многие из присутствующих начали намекать, что кто угодно мог бы открыть Новый Свет и заслуга Колумба состоит лишь в упорстве, с которым он плыл на запад. Тогда Колумб попросил, чтобы ему принесли яйцо, и предложил присутствующим попытаться поставить его на стол вертикально. Как ни пытались гости, ни у кого ничего не получилось, и они стали говорить, что это невозможно. Тогда Колумб взял яйцо, уверенным ударом приплюснул его, не разбив, и поставил на стол. Все с изумлением увидели, что яйцо стоит вертикально. Колумб сказал тогда, что смог достичь того, что казалось невозможным, потому что знал, как это нужно делать, и точно так же он открыл дорогу к новым землям. Тесла тоже предложил Брауну и Пеку, выражаясь фигурально, поставить яйцо вертикально, и они с большим любопытством согласились.

Сербский изобретатель сделал необычное устройство, состоявшее из металлического тазика, подсоединенного к генератору. Под удивленным взглядом будущих инвесторов он положил медное яйцо в тазик и запустил устройство. Яйцо начало вращаться на боку. Оно вращалось все быстрее и быстрее и, достигнув головокружительной скорости, встало вертикально и продолжило вращение, не падая. Тесла объяснил, что яйцо «поддерживает» вращающееся магнитное поле.

В апреле 1887 года новое предприятие «Тесла Электрик Компани», основанное вместе с Пеком и Брауном, открыло двери лаборатории на Либерти-Стрит, 89. Наконец Тесле представилась возможность применить на практике идеи, кипевшие в его голове в течение стольких лет. Шлюзы, сдерживавшие его энергию, раскрылись, и он с колоссальной отдачей погрузился в работу. Довольно скоро изобретатель полностью запатентовал свою многофазную систему переменного тока, включавшую схемы генераторов, двигателей, трансформаторов и автоматического контроля, полную распределительную цепь.

Теперь его конкурентом был не только Эдисон. По всей стране функционировало множество электростанций с наполовину разработанными цепями и другими установками; велась деятельность по созданию альтернаторов и трансформаторов и поиски подходящих проводов для домашнего использования. Но целью всех заинтересованных лиц был эффективный двигатель переменного тока. Когда двигатель Теслы предстал перед публикой, он оказался настолько простым, что там даже нечему было ломаться, — все выглядело очевидным. Предприятие изобретателя не оставляло в покое патентное бюро, его имя быстро стало известным на Уолл-Стрит, среди предпринимателей и ученых. Многие уже тогда поняли важность его идей.

ПОЛИФАЗНАЯ СИСТЕМА

Полифазная система характерна для использования переменного тока, она состоит из комбинации нескольких переменных токов, проходящих по идентичным контурам. При одинаковом периоде (длительность цикла или движения электронов в одном направлении) токи проходят с постоянным изменением фазы. Наибольшее распространение в электротехнике получила трехфазная система; она состоит из трех переменных токов со сдвигом фазы на 120°. Также используется двухфазная система, состоящая из двух токов, сдвинутых по фазе на четверть цикла, то есть на 90°. Раньше также существовали системы с большим количеством фаз — 6- и 12-фазная системы.

Изображение напряжения фаз в трехфазной системе. Между каждой из них имеется сдвиг на 120°.

Векторное изображение самых распространенных полифазных систем.

В тот же год появилось учреждение, показавшее зрелость отрасли, связанной с электричеством. Инженер-электрик Томас Коммерфорд Мартин (1856-1924), работавший с Эдисоном, а затем ставший издателем самого престижного журнала в области электричества Electrical World & Engineer основал Американский институт инженеров-электриков. AIEE (American Institute of Electrical Engineers) занимался систематизацией работы отрасли и публиковал сведения о последних достижениях. Все ученые, изобретатели и промышленные инженеры стали его членами и признавали Институт высшим компетентным органом в своей отрасли. Мартин был убежден, что идеи Теслы, с которым он познакомился в Париже, будут поворотным моментом в развитии технологии электричества. Мартин стал первым президентом AIEE и самым важным сторонником Теслы в сфере, до сих пор неизведанной изобретателем, — связи с общественностью. Благодаря посредничеству Мартина Тесла добился одного из звездных моментов своей исследовательской карьеры — лекции в Колумбийском университете перед членами AIEE, сливками общества, занимающимися промышленным использованием электричества в США.

Тесла прочитал свою лекцию «Новая система двигателей и трансформаторов переменного тока» 16 мая 1888 года. Он описал свою систему очень четко и детально, не оставив ни одного белого пятна и включив даже математическое представление системы. Аудитория была завоевана. На лекции присутствовал инженер и изобретатель Элиу Томсон, который придумал генератор переменного тока в 1878 году; правда, его модель не была до конца оптимизирована, и он долгое время искал вариант, предложенный Теслой. В зале присутствовал и Михаил Пупин (1858-1935), также серб, преподаватель Колумбийского университета: в изобретательской работе он всегда следовал за своим соотечественником. Анитал Сигеты, лучший и старинный друг Теслы, тоже пришел на лекцию и смог полюбоваться на окончательный чертеж, каракули которого видел еще в парке Варошлигет. Тесла позвал его на свое предприятие в качестве помощника в лаборатории. Среди слушателей лекции присутствовал также человек, сыгравший решающую роль для непосредственного будущего Теслы: это был убежденный сторонник переменного тока, главный соперник Эдисона, мультимиллионер Джордж Вестингауз.

ДЖОРДЖ ВЕСТИНГАУЗ

Главный союзник Теслы и непосредственный враг Эдисона в войне токов, инженер и мультимиллионер Джордж Вестингауз известен также как изобретатель, получивший более 400 патентов. Наибольшее значение имел его воздушный тормоз, который в последующие десятилетия стал применяться в самых разных областях, особенно на железных дорогах; также были важны трамвайный электродвигатель, стрелки на железных дорогах и способ безопасной транспортировки природного газа по трубам. В 1901 году Вестингауз был выдвинут на получение Нобелевской премии, которую, однако, дали Вильгельму Конраду Рентгену за открытие икс-лучей.

НЕЧИСТАЯ ИГРА ЭДИСОНА

В отличие от других великих миллионеров того времени, Джордж Вестингауз, магнат из Питтсбурга, обладал душой изобретателя; неспроста он обогатился на изобретениях, имевших важнейшее значение для развития железных дорог и способствовавших их удивительно быстрому распространению. Например, он запатентовал тормоза, использующие сжатый воздух. Вестингауз постоянно обдумывал множество фундаментальных проектов. Он купил патенты у европейских исследователей Люсьена Голара и Джона Диксона Гиббса, изобретателей первого трансформатора переменного тока, и в ноябре 1886 года в городе Буффало (штат Нью-Йорк) основал первую коммерческую сеть переменного тока в США. В 1887 году у него было уже 30 таких станций. Но спрос на электричество постоянно рос, теперь оно требовалось не только для того, чтобы принести свет и тепло в дома, но также для новой техники, такой как электрические трамваи. Для улучшения работы его компании «Вестингауз Электрик» мультимиллионеру были необходимы новые эффективные решения.

Тесла и Вестингауз с первой встречи прекрасно понимали друг друга. Американец был обаятельным и воспитанным человеком, в отличие от невежественных личностей, с которыми серб сталкивался до того момента. У них наблюдалось сходство и в личных вопросах: Тесла с маниакальной тщательностью следил за гигиеной и чистотой одежды, а Вестингауз всегда изысканно одевался, что особенно бросалось в глаза на контрасте с Эдисоном, известным своей неряшливостью.

В биографиях Теслы обычно пишут, что Вестингауз предложил изобретателю миллион долларов, а также процент за права по всем его патентам на переменный ток. Однако, согласно архивам компании Вестингауза, Тесле причиталось 25 000 долларов наличными, 50000 акциями компании и 2, 5 доллара за каждую выработанную лошадиную силу. Лошадиная сила (по-английски hp, от horsepower) — англосаксонская мера электрической мощности, равная 0, 75 киловатта. Как бы то ни было, 7 июля 1888 года Тесла и Вестингауз заключили долгосрочный договор на удовлетворявших друг друга условиях. Тесла переехал на время в Питтсбург, куда часто возвращался в последующие годы, чтобы консультировать команду инженеров Вестингауза, работавшую над созданием двигателей и над переходом от однофазной системы к полифазной.

Новость о соглашении Теслы и Вестингауза дошла до ушей Эдисона. С самого начала, когда Эдисону пришлось столкнуться с газовой олигополией, он умел хорошо работать со СМИ. Он сразу запустил свою информационную машину и поднял волну пропаганды против переменного тока. Эдисон намеревался превратить в глазах общества в недостаток то, что было основным преимуществом переменного тока: для перемещения тока требовалось повысить напряжение до тысяч вольт, что, по его утверждениям, делало этот вид тока более опасным.

Его жесткая кампания шла во всех направлениях: выходили статьи в газетах, распространялись листовки, информация передавалась из уст в уста, даже проводились публичные демонстрации опасности высокого напряжения, на которых действие разрядов переменного тока показывали на животных.

Пресса поддерживала эту игру, находя истории про несчастные случаи, связанные с переменным током, и игнорируя тот факт, что напряжение переменного тока снижалось на входе в дома, так что его бытовое использование не могло никого убить. Переменный ток был абсолютно безопасен.

После обрушившейся волны недоверия мошенники принялись пользоваться патентами, так как в те годы для их утверждения требовалось несколько лет. Кроме того, появились представители конкурентов, уверявших, что их изобретатели придумали систему раньше Теслы. Со временем, но далеко не сразу все эти споры разрешились по большей части в пользу Теслы, но на тот момент общественность была смущена и сбита с толку.

Наука — извращение самой себя, если ее целью не ставится улучшение жизни людей.

Никола Тесла

Война токов достигла апогея, когда произошел следующий зловещий эпизод. С 1886 года штат Нью-Йорк занимался поиском быстрого и безболезненного метода казни, намереваясь заменить чем-либо виселицу, использование которой считалось очень жестоким. С самого начала возникла идея применять для казни электричество, символ всего нового и современного, но, конечно, ни Эдисон, ни Вестингауз не дали разрешения на использование «своих» токов с целью умерщвления людей.

Однако со временем Эдисон поручил своим сотрудникам исследовать возможности казни током.

Тогда соседи в окрестностях лаборатории Эдисона на Вэст- Орандж (Нью-Джерси), куда он переехал в 1887 году, начали замечать пропажу домашних животных. Скоро выяснилось, что изобретатель платил 25 центов мальчишкам, приносившим ему кошек и собак. Запах, который шел от лаборатории, был невыносим, оттуда же слышались ужасающие звуки. Правда обнаружилась, когда разряду тока подвергли слона, а тот задавил трех сотрудников лаборатории. Чтобы испытать смертельный разряд переменного тока, старую и очень раздражительную цирковую слониху Топси подвергли разряду в 6600 вольт.

Наконец, штат Нью-Йорк утвердил в качестве способа казни электрический стул, для которого использовали переменный ток. Уильям Кеммлер, приговоренный к смерти за убийство, 6 августа 1890 года удостоился сомнительной чести стать первым человеком, казненным таким образом. Эдисон позаботился о том, чтобы собрать целую армию журналистов и зевак у входа в тюрьму, но история имела скверный исход. Расчеты техников Эдисона о необходимом для убийства человека напряжении были неверны, казнь пришлось повторять несколько раз, и в итоге заключенный умер после мучительной агонии. Все детали данного происшествия появились в прессе, общественное мнение было против таких мер, оказавшихся гораздо менее гуманными, чем ожидалось.

НЕВЕРНЫЙ ШАГ ТЕСЛЫ

Занятый спорами о патентах, Вестингауз не мог обращать внимание на атаки Эдисона. Его заботила более насущная проблема: адаптация однофазной системы выходила значительно более дорогой, чем было запланировано. Кроме того, Тесла не всегда мог прийти к взаимопониманию с инженерами из Питтсбурга. Его двигатели работали на токе с частотой 60 герц (Гц), а система Вестингауза использовала 133 Гц. Было потеряно несколько месяцев на взаимные обвинения, неудавшиеся дорогостоящие эксперименты, и только потом правоту Теслы признали: нормой для переменного тока в Соединенных Штатах стала частота 60 Гц (в Европе стандартное значение — 50 Гц). Данный эпизод продемонстрировал одно из худших качеств Теслы — неумение работать в команде, что со временем привело его к интеллектуальной изоляции и растрате большей части творческого потенциала.

НЕУМОЛИМЫЙ БАНКИР

Если имя Эдисона вошло в историю как пример гениального изобретателя, то Джон Пирпонт Морган (1837-1913) воплотил в себе легенду о капиталисте, герое своего времени. Морган был одним из самых могущественных банкиров в истории, одним из богатейших людей планеты, контролировавших мировые финансы. Он занимался покупкой убыточных предприятий, решал их проблемы и реорганизовывал для работы в самых передовых отраслях, используя стратегии, ориентированные на уничтожение конкурентов и создание огромных корпораций (существующих и по сей день). Морган контролировал производство стали, железные дороги, нефть и уголь, он усилил свои позиции в области электричества и часто выступал арбитром. Деятельность этого человека всегда сопровождалась ожесточенными финансовыми схватками.

Джон Пирпонт Морган.

Но со стороны финансовых рынков пришел смертельный удар, и Вестингауз оказался не единственным пострадавшим. Не только у него, но и у его соперника возникли проблемы с финансированием своего проекта. Главного акционера компании «Эдисон Электрик» Джона Пирпонта Моргана не слишком заботил вопрос, каким током электрифицировать страну. Великий финансовый воротила думал использовать для рынка электричества свою постоянную стратегию, которая позволила ему добиться гегемонии в важнейших областях: устранить конкурентов, купив или потопив их предприятия. Незадолго до этого он приобрел компанию «Томсон-Хьюстон» и заставил Эдисона присоединиться к ней. Новая компания превратилась в настоящего гиганта и получила название «Дженерал Электрик» (сегодня это транснациональная компания с диверсифицированной сферой интересов). Следующим шагом Моргана должна была стать попытка купить Вестингауза для создания конгломерата. Однако магнат из Питтсбурга имел совсем другие планы и предпочел сохранить независимость.

У ученого нет цели достичь непосредственного результата.

Он не ждет, что его передовые идеи будут легко приняты. Он обязан заложить основы для тех, кто еще должен родиться, указать дорогу.

Никола Тесла

Видя, что Вестингауз не подчиняется, Морган начал вредить ему на рынках, используя биржевые рычаги и необоснованные слухи, так что акции Вестингауза сильно упали. Для магната из Питтсбурга единственной возможностью удержаться на плаву стало слияние с более мелкими компаниями, но даже эта операция выходила для него дорогостоящей. Советники убедили его, что главное препятствие — соглашение, подписанное с Теслой. У изобретателя имелось много основополагающих патентов, а плата в 2, 5 доллара за лошадиную силу должна была превратить его в богатейшего человека планеты. На тот момент, через четыре года после заключения договора, он мог бы получить 12 миллионов долларов. Будущие суммы сложно было даже представить.

С тяжелым сердцем Вестингауз вызвал Теслу на срочное совещание. Магнат защищал его договор, который казался ему соответствующим вкладу ученого в предприятие, но необходимо было объяснить ему ситуацию, так как их совместные обязательства находились под угрозой. Вероятно, он не мог представить, какая удивительная развязка будет у этой встречи — настолько горького и постыдного эпизода его жизни, что он даже не написал о нем в своих воспоминаниях. Тесла рассказал о произошедшем в автобиографии, так что у нас есть только его версия случившегося.

После того как ему рассказали о проблеме, Тесла задумался. Он всегда был погружен в исследования и уделял мало внимания финансовой стороне, хотя знал, что если подаст в суд на Вестингауза, то, без сомнения, выиграет. С другой стороны, он понимал, что если не будет подписано новое соглашение, Вестингауз потеряет контроль над предприятием и бизнесом. Магнат заверил его, что считает изобретение Теслы самым важным в истории электричества и что он не собирается отказываться от мечты сделать его доступным для людей. На самом деле Теслу больше всего заботило, чтобы его система продолжала работать. Вестингауз поверил в него тогда, когда не верил никто, помогал ему в самые тяжелые времена. Вместо того чтобы договориться о понижении процентов, Тесла сказал: «Можете забыть о проблеме моей прибыли». И под удивленным взглядом миллионера разорвал договор.

Тесла отказывался от получения миллионов долларов, которые уже заработал, а также от бесчисленных будущих процентов. Он получил только 216000 долларов за свои патенты без оплаты прав. В свете будущих финансовых проблем, которые помешали его планам, этот поступок можно интерпретировать как самую главную ошибку в его жизни.

Шел 1890 год. В ноябре, удалившись в свою лабораторию от полемики по поводу электрического стула, Тесла сделал фундаментальное открытие, переориентировавшее всю его работу, — беспроводную передачу энергии. Для Теслы переменный ток был вчерашним днем, он хотел открыть новую страницу. Следующие десять лет жизни он посвятил исследованию новых возможностей с перерывом на последний этап войны токов в 1893 году, когда его голова была занята совсем другим.

ЗАВЕРШЕНИЕ ВОЙНЫ ТОКОВ

Вестингауз исполнил то, что обещал. Он не только продолжил работу по внедрению переменного тока, но превратил предприятие в огромную империю, признавая заслуги своего изобретателя. В 1891 году были впервые запущены двигатели и генераторы Теслы, сделанные Вестингаузом в шахтерском городе Теллерайд в Колорадо на гидроэлектростанции Эймс, которая впервые в мире поставляла переменный ток высокого напряжения на большие расстояния. В тот же год изобретатель прочел еще одну лекцию перед AIEE об освещении с использованием высокочастотного переменного тока, также Тесла официально перестал считаться иностранцем, получив американское гражданство; об этом событии он всегда говорил с большой гордостью.

На горизонте замаячили два важных проекта. С одной стороны, в Чикаго готовились к Всемирной выставке, которая должна была пройти в год 400-летнего юбилея открытия Америки: ее планировали как первую выставку в мире, где использовался электрический свет. Был объявлен конкурс проектов на установку электрооборудования. С другой стороны, сформировалась комиссия, которой полагалось присудить права на эксплуатацию Ниагарского водопада. Магнат из Питтсбурга прикладывал все усилия, чтобы получить один из контрактов.

В 1892 году Вестингауз выиграл конкурс на электрификацию Всемирной выставки благодаря системе, разработанной Теслой. Данная система производила в три раза больше энергии, чем потреблял весь город, а также была более дешевой, чем система, представленная «Дженерал Электрик». Наконец-то появилась возможность продемонстрировать переменный ток перед широкой публикой. Однако тот год надежд был также и горестным для Теслы. Когда он отправился в Европу для того, чтобы прочитать цикл лекций о переменном токе и навестить семью, то получил телеграмму, сообщавшую о быстром ухудшении здоровья его матери. Тесла поспешил к ней, а когда приехал, Джука Мандич уже была при смерти. Единственное, что ей удалось сказать своему сыну: «Наконец-то ты приехал, Нико, моя гордость». Через несколько часов она умерла. На следующий день Джуку похоронили рядом с мужем на кладбище Ясиковач. А Никола Тесла заболел.

Всемирная выставка 1893 года в Чикаго.

В павильоне «Электричество» у Теслы был свой стенд для презентаций (его можно увидеть на переднем плане слева), около которого люди выстраивались в длинную очередь.

Он смог поправиться только через три недели в Госпиче, затем поехал в Томингай, где гулял по тем же горам, по которым блуждал когда-то в молодости, обдумывая невозможные проекты. Следующие несколько месяцев Тесла провел на родной земле: читал лекции, консультировал местные власти и даже разработал проект гидроэлектростанции для Плитвицких озер. Когда он приезжал на поезде в новое место, то видел толпы приветствующей его публики. В Белграде с ним пожелал познакомиться молодой сербский король Александр Обренович. После возвращения в США Теслу ждала новая награда — избрание вице-президентом AIEE.

Первого мая 1893 года, с опозданием на год, заработала, наконец, Всемирная выставка в Чикаго. На ее открытии присутствовали короли Испании и Португалии, члены правительств других стран, перед которыми президент США Гровер Кливленд повернул золотой ключ, запускающий электрическую систему Теслы и Вестингауза. Устройства в сети один за другим пришли в действие, и павильоны осветились 180000 лампочек. Толпа, конечно, была поражена масштабом этого чуда.

За четыре месяца выставку посетили более 27 миллионов человек, которым представилась возможность посмотреть в павильоне техники невероятные аппараты. Они работали на переменном токе и были созданы Вестингаузом под руководством Теслы. Там же стояли на всеобщем обозрении генераторы, вырабатывающие 2000 вольт для питания сети выставки. После наступления темноты начиналось шоу с цветными осветительными проекторами, которые, может быть, никого бы не удивили сегодня, но в ту эпоху казались неслыханным чудом. Никто прежде ничего подобного не видел. Пресса назвала павильоны выставки «Белым городом» и протрубила о фантастическом изобретении, которому предстояло изменить будущее человечества, — переменном токе.

В павильоне электричества тысячи людей приходили смотреть на чудеса этого вида энергии, которые демонстрировал Тесла, одетый в белый сюртук и галстук. С помощью Томаса Мартина он открыл в себе ораторские способности и придумал несколько эффектных трюков, позволявших без труда завоевать аудиторию в той стране, где индустрия зрелищ не была богатой. Тесла показывал вращающееся магнитное поле, индукционный двигатель с колумбовым яйцом, а далее переходил к своим последним открытиям. Среди них можно назвать флуоресцентный свет, предшественник современного вида освещения. Питание этих устройств осуществлялось без проводов с помощью высокочастотных полей. Посетители не понимали технических объяснений, но были восхищены и уверены, что переменный ток безопасен, когда видели Теслу, окруженного светящимися лучами.

Выставка в Чикаго была не только зрелищной. Параллельно там проходили более серьезные мероприятия, возможно, куда более важные и полезные для Теслы. Среди них был Конгресс по электричеству, на который приехали ученые и инженеры со всего мира. До его окончания Вестингаузу удалось получить контракт на строительство гидроэлектростанции на Ниагарском водопаде: так детская мечта Теслы приблизилась к своей реализации. Война токов подошла к концу, стало очевидно, что переменный ток предоставлял больше возможностей, а электричеству в целом предстояло произвести радикальную и окончательную революцию в мире энергетики.

ЭЛЕКТРОМАГНИТНЫЕ ВОЛНЫ: НОВЫЙ РУБЕЖ

Самым плодотворным периодом в жизни Теслы стали 1890-е годы. Он занимался исследованиями электромагнитных волн и их возможного применения, сделав открытия, значительно опередившие свое время и не понятые современниками. Хотя его гений был востребован, он начал работать в стольких направлениях одновременно, что многие его исследования остались незавершенными — впоследствии их доводили до конца другие люди. Накопленный тогда опыт привел Теслу к главному открытию в его жизни — беспроводной передаче энергии.

В 1889 году, за четыре года до оглушительного успеха в Чикаго его устройств переменного тока, Никола Тесла посетил Всемирную выставку в Париже, на которой провел множество встреч с учеными и исследователями. Немецкий физик и инженер Генрих Рудольф Герц (1857-1894) доказал существование электромагнитных волн, о которых говорил Максвелл, и научное сообщество было взбудоражено этой новостью. Общение в Париже с коллегами и теми, кто познакомился с трудами Герца, подогрело интерес Теслы, и он не мог не приняться за глубокое изучение данной темы. Вернувшись в США, он хотел немедленно провести опыты по обнаружению, генерированию и использованию электромагнитных волн, но некоторые обстоятельства помешали его исследованиям.

Жизнь Теслы сильно изменилась с тех пор, как Томас Мартин представил его Роберту Андервуду Джонсону, директору журнала The Century Magazine, и тот ввел его в высший свет Нью-Йорка. Тесла всегда лелеял мечту попасть в хорошее общество и посещать салоны в европейском стиле. Особняк Джонсонов на престижной Лексингтон-авеню был местом встреч американской богемы, интеллектуалов, блестящих политиков, а также знаменитых гостей из Старого Света. Там бывали писатель Редьярд Киплинг, композитор Антонин Дворжак, будущий президент Теодор Рузвельт, суфражистка и меценат Энн Морган, дочь Джона Моргана, которая, как говорили, долгое время была влюблена в Теслу.

Тесла жил в отелях и там организовывал шумные праздники в ответ на приглашения, которые получал. С каждым годом он перебирался во все более роскошные места. При этом надо сказать, что он попал в кружок беззаботных миллионеров, позволявших себе любые роскошные причуды, как, например, банкеты в «Дельмонико», знаменитом американском элитном ресторане. Тесла понял, что богачей интересует его успех, и он вынужденно посещал их компании, охотясь за инвестициями. Дело в том, что с ноября 1890 года изобретатель был убежден: он создает будущее человечества; а денег, которые заплатил ему Вестингауз, на задуманные проекты не хватало.

Деятельность Теслы в это десятилетие была очень бурной и необыкновенно разнообразной. Кроме проведения опытов в разных областях, он (убежденный в том, что цель науки — совершенствование мира, а знания должны быть доступны людям) начал ездить по главным городам США и научным столицам Европы, чтобы рассказывать о своем взгляде на будущее. Также Тесла занимался трудоемкой подготовкой к Всемирной выставке в Чикаго, что мешало ему продвигаться вперед в исследованиях. Но все-таки основной проблемой был слишком широкий спектр исследований, так как изобретатель занимался одновременно несколькими областями, перескакивая от теории к теории, от одной возможности практического применения к другой, несмотря на советы коллег сконцентрироваться на чем-то одном.

ОТКРЫТИЕ БЕСПРОВОДНОЙ ЭНЕРГИИ

К 1890 году Тесла работал над усовершенствованной лампой, которая должна была превзойти лампу накаливания Эдисона. Для этого он взял за основу трубку Гейслера, названную в честь изобретателя Генриха Гейслера (1814-1879) и представлявшую собой заполненную газом под низким давлением стеклянную трубку, которая начинала светиться, если внутри нее происходил разряд.

ЛАМПА ТЕСЛЫ

Первый вариант лампы накаливания Теслы (первую схему ему удалось запатентовать в июне 1891 года) состоял из стеклянной колбы (b), заполненной разреженным газом, с установленным внутри жестким электродом из углерода (е), подключенным к проводнику, обмотанному изоляцией (k). Шейка лампы состояла из двух частей — проводящего материала (m) и изолирующего материала (n), контактировавших с металлической пластинкой (o). Эта цилиндрическая шейка была заключена в корпус, включающий изолирующий цилиндр (p) с металлической оболочкой (s), который вместе с проводящим цилиндром шейки (m) образовывал конденсатор.

Новая лампа Теслы состояла из проводника, соединенного с приемником, заполненным инертным газом, таким как неон. Подсоединенная к генератору высокочастотного тока, она давала свет совершенно новой и особой природы. Ее свечение было гораздо интенсивнее, чем у обычной лампочки, при этом не происходило нагревания, что было очень важно, так как у ламп накаливания до 95 % энергии уходит в тепло. В первом образце использовалась углеродная нить, которую Тесла заменил на диск из того же материала, а затем убрал вообще. Последние прототипы создавали свет от фосфоресценции разреженного (менее плотного) газа, свет от них был очень ярким, а нить накаливания отсутствовала, они не нагревались. В действительности это были предшественники современных флуоресцентных ламп.

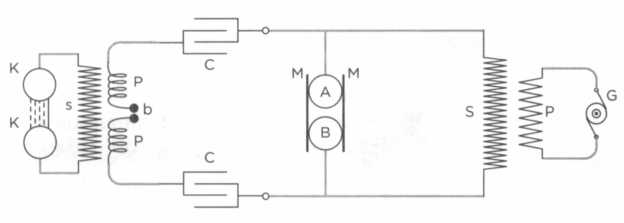
Чтобы его лампы получили практическое применение, Тесла разработал также схему для получения необходимых высоких частот и напряжения, которая могла быть собрана из уже существующих электрических устройств (см. рисунок 1). Основным источником тока был традиционный генератор переменного тока. Напряжение тока увеличивал трансформатор, заряжавший конденсатор. Он производил разряд в цепи, содержавшей разрядник, представлявший собой зазор между двумя направленными друг на друга электродами, где возникал пробойный разряд. Так получался высокочастотный ток. Для увеличения потенциала в цепи был предусмотрен еще один трансформатор, на вторичной обмотке которого индуцировался ток такой же частоты, но значительно отличавшийся по потенциалу. Лампы подключались к выходам этой вторичной обмотки.

РИС. 1

Схема высокочастотной цепи.

В схеме этой цепи использовался базовый принцип электрических осцилляторов (см. рисунок 2), устройств для преобразования и увеличения характеристик тока. Задействованные в ней трансформаторы известны сейчас как трансформаторы Теслы. В ноябре 1890 года после запуска одного из прототипов электрического осциллятора Тесла заметил, что его лампы светятся, даже не подключенные к цепи. Это была реакция газа, вызывающая свет. Анализируя данный факт, он понял, что электромагнитные волны передают электрическую энергию по воздуху без провода, и такой энергии достаточно для того, чтобы заставить гореть лампу. Ключевую роль в данном явлении играло то, что сегодня называют электрическим резонансом. Установив необходимую частоту, Тесла мог зажигать и тушить лампы, находящиеся на расстоянии нескольких метров.

Последствия, которые могла иметь эта находка, попав в руки к человеку, только что приспособившему для домашнего использования электрическую энергию, трудно было предугадать. Сразу же Тесла начал обдумывать возможность передачи электричества беспроводным способом так же эффективно и безопасно, как по проводам. Тогда, в ноябре, он полностью погрузился в область, навсегда захватившую его, — беспроводную передачу электрической энергии.

РИС. 2 Схема электрического осциллятора Теслы.

В своей лаборатории на Пятой авеню Тесла начал ставить опыты с лампами и вакуумными трубками, которые изготавливал специально нанятый на полный рабочий день стеклодув. Он надеялся с их помощью уловить так называемые в то время герцевы волны, то есть электромагнитные волны. Изобретатель начал с изучения проектов освещения, но со временем перешел к исследованиям радиосигналов, а затем, до конца не разобравшись в их природе, к микроволнам и рентгеновским лучам.

Тесла представил 20 мая 1891 года на второй конференции перед AIEE доклад «Эксперименты с переменными высокочастотными токами и их применение для искусственного освещения», в который он включил первоначальные выводы о беспроводной энергии.

ЭЛЕКТРИЧЕСКИЙ РЕЗОНАНС

Явление электрического резонанса можно объяснить, вспомнив в качестве примера маленький лабораторный эксперимент, показанный на рисунке и позволяющий увидеть, как движение пружины вызывает резонанс другой пружины. Первый магнит, двигающийся внутри катушки, индуцирует электрический ток, который передается на вторую катушку, где приводится в движение второй магнит. Так как две пружины идентичны, то они совершают примерно одинаковое движение, поэтому частота электрического тока, движущего вторую пружину, является частотой резонатора.

На тот момент ему было 35 лет. Под удивленными взглядами ассистентов он зажег беспроводные лампы различной и сложной конструкции, сделанные из трубок, и пронес их по комнате. Он никогда не патентовал и не занимался коммерческим использованием этого изобретения — примитивных флуоресцентных ламп (которые появились на рынке как коммерческий товар только через 50 лет).

Презентация завершилась эффектным моментом: генератор на 20000 Гц испустил мощный импульс, который Тесла направил на свое тело, защищенное заземлением. Изобретатель рассчитал, что разряд должен быть равен 250000 вольт; для сравнения, на электрическом стуле Уильям Кеммлер испытывал на себе разряды около 2000 вольт. «Есть способ получить энергию не только в виде света, но и в виде энергии другого типа напрямую из окружающей среды»,— утверждал Тесла. Когда данное направление будет более развито и появится возможность напрямую пользоваться этой энергией из неисчерпаемого источника, человечество «сделает решающий шаг вперед».

О его лекции очень хорошо отзывалась пресса. Прогрессивный образ будущего с чистой, дешевой, естественной и безграничной энергией очень понравился журналистам и комментаторам. С самого начала Тесла беспокоился о дефиците энергетических ресурсов, который может со временем возникнуть, и говорил о необходимости исследовать новые источники энергии, известные сегодня как возобновляемые (солнце, ветер и геотермальные источники), — подобные идеи были приняты только спустя столетие. В этом смысле Теслу можно считать пионером развития экологической отрасли.

В те годы изобретатель собирал части головоломки, которые приближали его к исполнению цели. До конца не осознавая этого, в 1890-е годы он играл в кошки-мышки с историей науки, порой предвосхищая великие открытия того периода, порой приходя к финишу на секунду позже соперников. Чтобы хорошо понимать правильность выбранного им самостоятельно пути, нужно знать немного больше об одном из последних великих открытий XIX века — электромагнитных волнах.

ЭЛЕКТРОМАГНИТНЫЕ ВОЛНЫ

Понятие волны — одна из самых интересных находок физики XIX века. Волна — распространение возмущения, вызванного какой-либо причиной (плотностью, давлением или электрическим и магнитным полями) в среде (воде, воздухе, металле или даже вакууме), предполагающее перемещение энергии без перемещения материи (см. рисунок 3). Материя не перемещается, но происходят ее колебания, передающиеся смежной материи, так что эффект распространения волны проходит некоторое расстояние. Простой пример для понимания волн — подземные толчки. Толчок представляет собой волны, передающиеся со скоростью 20000-30000 км/ч. Когда колебания от толчка ощущаются через несколько минут за пять тысяч километров от эпицентра, очевидно, что это не материя преодолела такое значительное расстояние, то есть колебание не принесло с собой никакой материи из эпицентра землетрясения.

РИС. 3

Колебательное движение частицы, обладающей электрическим или магнитным зарядом, вызывает возмущение вокруг нее, то есть волну. Эта волна зависит от скорости, с которой движется частица, потому что она определяет амплитуду и расстояние между началом и концом волны.

В 1873 году Джеймс Клерк Максвелл опубликовал «Трактат об электричестве и магнетизме», в котором говорилось также о теории силовых линий Фарадея и доказывалось наличие неразрывных связей между этими двумя областями. На самом деле существует только одно поле, объединяющее электрические и магнитные явления, — электромагнитное. Из этого можно сделать несколько важнейших выводов: изменение интенсивности электрического тока вызывает электромагнитное возмущение, распространяющееся в виде волн. Переменное электрическое поле передает свое возмущение магнитному полю, которое, в свою очередь, индуцирует переменное электрическое поле: так, после многочисленных повторений, возмущение распространяется во всех направлениях. Электрические и магнитные волны продвигаются вперед шаг за шагом, перенося энергию, полученную у источника излучения. При появлении нового поля его можно расширить, уменьшить или каким-либо другим способом изменить — в зависимости от того, синхронизированы вершины и ложбины волны или накладываются на другие. Предполагалось наличие широкого спектра электромагнитных колебаний, различающихся по длине волны, то есть по расстоянию между вершинами волны, которые более точно называют «гребнями» (см. рисунок 4).

Максвелл смог рассчитать скорость распространения электромагнитных волн в вакууме и был поражен, обнаружив, что она равна 315300 км/с и совпадает со скоростью света (сейчас принятая величина — 299792 км/с), рассчитанной французским астрономом Ипполитом Физо (1819-1896) в 1849 году. Не могло быть и речи о совпадении. Это означало, что свет является электромагнитной волной, что объединяло оптику с электромагнетизмом. В ту эпоху понять такие вещи было очень трудно.

РИС. 4 Длина волны — это расстояние между двумя вершинами. Амплитуда — максимальное возмущение волны. Частота — количество повторений волны за единицу времени, то есть количество колебаний за секунду.

Эти невидимые волны дразнили исследователей: казалось невероятным, что волна может распространяться в вакууме без какой-либо материальной среды. Тогда ошибочно утверждалось, будто волны являются следствием распространения флюида. Сегодня мы знаем, что механические волны, такие как звук и сейсмическая активность, распространяются в упругой среде, твердой, жидкой и газообразной, но электромагнитным волнам для распространения среда не нужна — они могут распространяться в вакууме. При этом скорость распространения электромагнитных волн в действительности зависит от среды; в вакууме она равна скорости света.

Отец электромагнетизма преждевременно скончался в 1879 году в возрасте 48 лет, не увидев подтверждения своих теорий, хотя это подтверждение было получено довольно скоро — в 1885 году. Когда Герц исследовал длину волны, превышавшую длину волны света, ему удалось получить в лаборатории электромагнитные волны с характеристиками, предсказанными Максвеллом. Герц доказал, что они могут перемещаться со скоростью света даже в вакууме; свет на самом деле был электромагнитной волной. Для своих экспериментов он использовал осциллятор (аппарат, вызывавший периодические колебания электрического тока) и резонатор, улавливавший колебания и присоединявшийся к ним, то есть начинавший колебаться, следуя циклу. Он доказал, что энергия перемещается от одного аппарата к другому через пространство, и даже смог определить форму волны, устанавливая резонатор в разных точках лаборатории. Для эксперимента был использован переменный высокочастотный ток.

РИС. 5 Электрические и сопутствующие им магнитные волны создают электромагнитную волну и лежат в перпендикулярных областях; если электрические волны вертикальны, то магнитные будут горизонтальны. Обе плоскости продвигаются вместе, перенося энергию, полученную у источника излучения.

В следующее десятилетие многие ученые пытались найти применение герцевым волнам для передачи энергии и сообщений из одного места в другое. Способность таких волн передаваться на расстоянии позволяет им преодолевать длинные дистанции и препятствия. Они могут изменить направление распространения, как свет в воде, а также отталкиваться или отражаться, как свет в зеркале. Употребляя точные термины, мы можем назвать данные свойства отражением, рефракцией и дифракцией волн. Многие осознавали потенциал их применения в различных областях. Задача заполнить пробелы электромагнитного спектра и найти возможности применения волн занимала ученых на рубеже XIX и XX веков.

ЭЛЕКТРОМАГНИТНЫЙ СПЕКТР

Электромагнитные волны различаются по своей специфической энергии, которая задается длиной волны и частотой. Кроме того, они могут различаться интенсивностью излучения. Электромагнитный спектр объединяет все электромагнитные волны на основе энергетического распределения.

Радиоволны занимают сектор электромагнитного спектра с наименьшей энергией. Длина их волны настолько велика, что они перемещаются без поглощения и рассеивания молекулами воздуха; очень длинные волны даже могут сделать полный оборот вокруг Земли. Поэтому такие волны прекрасно подходят для передачи массовых визуальных и звуковых сигналов с помощью настроенных пар «передатчик — приемник».

Следующую часть спектра занимают микроволны. Несмотря на название, они не так малы, как показывает приставка (10-6); их длина находится в диапазоне от 1 мм до 1 м. Микроволны достаточно длинные для распространения сигналов по воздуху, как и радиоволны, но, в отличие от радиоволн, их можно сконцентрировать в направленный пучок для безопасной и конфиденциальной передачи. В качестве примера возьмем радар, работающий на микроволнах: микроволны отражаются от твердых тел и возвращают передатчику эхо первоначального сигнала, то есть происходит возврат замедленной волны, оказавшей воздействие на тело. Для точной локализации объекта нужно знать скорость распространения волны в воздухе и время, необходимое микроволне для перемещения на расстояние от передатчика до тела, положение которого требуется определить, и возвращения к передатчику.

РИС. 6 Диаграмма электромагнитного спектра.

В средней зоне спектра находится самый известный тип электромагнитного излучения — свет или видимый спектр с длиной волны от 400 до 700 нанометров. Нанометр (нм) равен одной миллиардной части метра, то есть 10-9 метра. Название «видимый свет» может сбивать с толку, потому что если это излучение человек и может видеть, то только потому, что его зрение эволюционировало, чтобы улавливать его. На самом деле многие животные могут видеть не только в этой части спектра. Змеи воспринимают менее энергетические виды излучения, например инфракрасное, длина волны которого — от 0, 7 до 1000 микрометров. С другой стороны, пчелы способны прекрасно видеть более энергетические виды излучения, такие как ультрафиолетовое: длина его волны — от 40 до 15 нанометров.

После диапазона волн, доступных для восприятия человеку и некоторым животным, находится диапазон волн с очень короткой длиной, несущих много энергии. В первую очередь, мы говорим о рентгеновских лучах с длиной волны, равной одной десятимиллионной части миллиметра, то есть одному ангстрему (А); это примерно размер атома. Рентгеновские лучи способны практически насквозь проходить через тело человека, мускулы, органы и так далее, не взаимодействуя с окружающим и не подвергаясь значительному ослаблению; при этом они поглощаются плотными тканями, такими как кости.

Далее следует диапазон гамма-лучей, длина волны которых не превышает размер протона. Это электромагнитное излучение имеет наименьшую длину волны, которую способно измерить определенное оборудование. Подобные лучи характеризуются очень мощной энергетической составляющей до такой степени, что важно контролировать их присутствие около человека, потому что они проникают глубоко в материю и наносят вред ядрам клеток. Возникающие в космосе гамма- лучи не доходят до поверхности Земли, но если, например, какая-нибудь звезда взорвется и превратится в сверхновую на расстоянии 25 000 световых лет от Земли, поток освобожденных гамма-лучей выведет из строя все телекоммуникационные системы нашей планеты (см. рисунок 6).

Космические лучи занимают крайнюю часть спектра, их длина волны самая короткая, а частота — самая высокая. Они являются высокоэнергетическими субчастицами, и их происхождение до сих пор спорно. При этом подтверждено наблюдениями, что Солнце испускает космические лучи, обладающие более низкой энергией. Большая часть таких лучей отклоняется магнитным полем Земли, и они не достигают поверхности планеты, однако это не означает, что их эффект не заметен. В ходе реакции с азотом в верхних слоях атмосферы они образуют углерод-14 — радиоактивный изотоп углерода, использующийся для датировки органических образцов. При отклонении магнитным полем от поверхности Земли лучи скапливаются на полюсах, где вызывают ионизацию атмосферы, которая, в свою очередь, является причиной невероятно зрелищных северных сияний.

КАТУШКА ТЕСЛЫ

Тесла был убежден в большом потенциале герцевых волн. Уже в те годы, когда он осмысливал понятие вращающегося магнитного поля (до экспериментов Герца), Тесла описывал Вселенную как «симфонию переменных токов» широкого спектра: его переменный ток в 60 Гц был нижней точкой, восходящая от которой линия достигала значений в тысячи миллионов герц. Изобретатель был уверен, что для понимания и освоения космоса необходимо глубоко изучить необъятную территорию электрических колебаний.

Благодаря триумфу, связанному с переменным током, в десятилетие блеска своего гения Тесла имел достаточно финансовых возможностей, чтобы целиком погрузиться в исследования, для которых ему требовалось доработать используемые им инструменты и прототипы. Чтобы добиться очень высоких значений мощности — порядка нескольких мегаватт, — он разработал знаменитую катушку, носящую его имя. Это высокочастотный резонансный трансформатор, быстро ставший незаменимым устройством во всех научных лабораториях, так как он позволяет усилить слабые волны простейшей цепи Герца и выдерживает токи практически любого напряжения.

Тесла разработал разные модели, испытывая много всяких конфигураций. Обычно катушки Теслы вырабатывают ток радиочастот очень высокого напряжения, и благодаря этому в воздухе можно увидеть потрясающе зрелищные электрические разряды, достигающие нескольких метров. С точки зрения современных технологий напряжение катушек Теслы совсем невелико, но в ту эпоху они намного превосходили имевшиеся в распоряжении источники высокого напряжения — электростатические машины.

КАТУШКА РУМКОРФА

Катушка Румкорфа состоит из двух обмоток с сердечником из мягкой стали (С): первичная (А) обмотка из толстой изолированной проволоки состоит из всего лишь нескольких десятков витков, вторичная (В) — из очень тонкой, покрытой хорошим изолятором проволоки, имеет сотни и даже тысячи витков. Для работы с постоянным током катушка сделана как электромагнит, использующий электрический контакт (Е), закрепленный на металлическом ярме (D); контакт расположен с торца сердечника. Е включен последовательно с А. Когда на обмотку А подается постоянный ток, сердечник притягивает ярмо D. Контакт Е размыкается, ток перестает проходить по А, сердечник перестает притягивать D. Тогда ток от источника постоянного тока (G) снова начинает проходить по А, и так процесс запускается много раз. Ток становится пульсирующим, действует как переменный и индуцирует пульсирующий ток в обмотке В. Напряжение этого тока может составлять несколько сотен или тысяч вольт и зависит от соотношения количества витков на двух обмотках. Далее это напряжение подается на два контакта разрядника (Н). Первичная катушка и подключенный к ней последовательно контакт образуют подобие осциллятора, генерирующего импульсы постоянного тока на частоте, зависящей от механических характеристик электрического контакта (ярма, его упругости и так далее), но всегда равной нескольким десяткам импульсов в секунду. Каждый раз при размыкании Е образуются искры, становящиеся со временем причиной износа, поэтому параллельно добавляют конденсатор (F), функция которого заключается в устранении этих искр.

 В первых устройствах использовался разрядник (по- английски spark-gap), состоящий из двух противопоставленных, как правило сферических электродов: между ними образовывался разряд при подаче на них напряжения, которое начинало превышать определенную величину электрической прочности воздуха, соответствующую расстоянию между электродами.

Искра вылетает из разрядника с очень высоким напряжением, порядка нескольких тысяч вольт (хотя данная величина зависит от степени разведения электродов), поэтому для питания контура необходим источник с высоким напряжением. В эпоху, когда Тесла разрабатывал первые катушки, единственным имеющимся источником высокого напряжения была индукционная катушка Румкорфа — предшественница современных трансформаторов, генерирующая высокое напряжение и пульсирующий ток от исходного постоянного тока. Эту катушку придумал в 1851 году французский инженер немецкого происхождения Генрих Даниэль Румкорф (1803-1877), хотя тогда переменный ток практически не использовался.

Первая часть катушки Теслы состоит из обычных элементов катушки Румкорфа (см. рисунок 7). Питание идет от основного источника постоянного тока (G), а вторичная обмотка (S) подключена к двум конденсаторам высокого напряжения (С). Стойки разрядника (А В) располагаются параллельно катушке перед конденсаторами, а контакты разрядника — металлические шарики диаметром меньше 3 см (хотя Тесла использовал для разрядников разные материалы и формы). Конденсаторы состоят из подвижных пластин, опущенных в масло. Чем меньше пластины, тем больше генерируемая частота первых катушек (так как емкость конденсатора меньше). Пластинки, кроме того, помогают компенсировать высокую самоиндукцию вторичной обмотки, добавляя ей емкость. Также на разрядник установлены пластинки из слюды (М), чтобы с их помощью получить поток воздуха, который тушит электрическую дугу, когда уменьшается напряжение между электродами и разряд становится более резким.

РИС. 7 Схема катушки Теслы.

С этого места начинается то, что считается непосредственно катушкой Теслы. Конденсаторы катушки Румкорфа соединены с цепью из двух обмоток (р), разделенных разрядником (b) и разделителем из твердого каучука. Каждая из обмоток выполнена из 20 витков проволоки, покрытой изолятором из каучуковых трубок толщиной 3 мм. Напротив обмоток первичной цепи находится вторичная обмотка (s), значительно более длинная, чем другие. Она состоит из 300 витков металлической проволоки, покрытой шелком и обернутой каучуковой трубкой, а концы ее вставлены в стеклянные трубки. К ним подключены электроды (К), в последующих моделях замененные тороидом, который часто идентифицируют с катушкой Теслы (см. рисунок 8 на следующей странице).

В позднейших устройствах катушка Румкорфа не использовалась, питание шло от высокочастотных трансформаторов с применением нескольких конденсаторов из бутылочного стекла, погруженных в масло, чтобы избежать потерь от разрядов. В отличие от обычных трансформаторов, в которых увеличение напряжения ограничено соотношением количества витков на первичной и вторичной обмотках, в катушке Теслы напряжение пропорционально квадратному корню соотношения первичной и вторичной индуктивности в связи с применением электрического резонанса.

РИС. 8

Идея о том, что необходимо погрузить высоковольтную установку в масло для изоляции, быстро распространилась и стала универсальной системой изоляции для всех аппаратов высокого напряжения. Для уменьшения сопротивления обмоток, значение которого увеличивается вместе с частотой до такой степени, что может стать сильным ограничивающим фактором для высоких частот, Тесла использовал закрученные проводники с двумя отдельными изолированными проводами. Ему постоянно не хватало времени запатентовать свои аппараты и методы, так что и эта находка распространилась, не предоставив своему создателю никаких выгод, а через несколько лет уже другие люди стали ее продавать. Скрученный провод сегодня известен как литцендрат.

ТЕСЛА И РАДИО

Тесла разработал несколько катушек: одни — большие для высокого напряжения, другие (новые конфигурации катушек) были сделаны специально для распространения токов и колебаний по окружающей среде от одной точки в пространстве до другой, находящейся далеко. Были и катушки, принимающие передаваемые сигналы. Использование катушек в качестве передающих и принимающих устройств стало отправной точкой для исследований возможности радиопередач. В начале 1890-х годов Тесла смог создать устройства для генерирования и улавливания радиоволн, хотя это достижение обычно связывают с именем Гульельмо Маркони (1874-1937).

Катушки Теслы для передачи сигнала на расстоянии стали прообразом первых беспроводных радиоаппаратов — искровых передатчиков. Искры, возникающие на электродах катушек Теслы, создают короткий импульс радиочастоты (РЧ) из-за самоколеблющегося разряда, который вызывается при накоплении заряда конденсатором. В искровых беспроводных передатчиках вторичная обмотка подключена к длинному проводу, подвешенному в воздухе и используемому как передающая антенна. Электрические характеристики (индуктивность и емкость) вторичной обмотки и антенны определяют частоту испускания сигнала искровым передатчиком.

Для приема сигнала Тесла применял схожую с передатчиком катушку, используя взаимоиндукцию. Электрическое поле, создаваемое катушкой-передатчиком, могло индуцировать ток в катушке-приемнике, находящейся на расстоянии. После улавливания сигнала вторичной обмоткой приемника он использовался как трансформатор напряжения для того, чтобы получить на выходе первичной обмотки меньшее напряжение и большую силу тока.

В результате этих экспериментов весной 1893 года Тесла представил детальный доклад о принципах радиосвязи в Институте Франклина в Филадельфии. Через некоторое время в Сент-Луисе, перед членами Национальной ассоциации электрического света, он провел первую экспериментальную демонстрацию системы радиосвязи — со всеми элементами, которые впоследствии использовали в усовершенствованных версиях другие изобретатели. Все это происходило за три года до экспериментов Маркони. Именно Тесла впервые описал основные компоненты радио. Это антенна, заземление, контур земля- воздух для настройки, установка для получения сигнала и еще одна — для передачи сигнала, которые должны были быть настроены на одну частоту, а также устройства для улавливания волн.

ГЕНЕРИРОВАНИЕ ИМПУЛЬСОВ РАДИОЧАСТОТЫ

На рисунке А начинается заряд конденсатора С током высокого напряжения, подаваемым на цепь. Когда достигается напряжение пробоя на разряднике, происходит разряд конденсатора С через разрядник с образованием искры (см. рисунок В). Ток проходит по обмотке L и снова заряжает конденсатор С; даже при измененной полярности (см. рисунок С) цикл разряда повторяется, хотя моментальное напряжение при нем ниже. Так продолжается много раз, пока, после нескольких циклов с уменьшающейся амплитудой, не затухает импульс радиочастоты.

Тесла в своих идеях относительно радио шел не совсем по верному направлению. Для экспериментов он использовал те же принципы и то же оборудование, что и для беспроводной передачи электрической энергии. Он считал, что радио основано на проводимости, а не на излучении, и что передача и прием могут быть достигнуты при электрическом резонансе и емкостных разрядах. Изобретатель часто оказывался в плену более общих рассуждений из-за пристрастия к простоте, контрастировавшей с невероятной амбициозностью его проектов.

На самом деле изобретение радио невозможно приписать какому-то одному исследователю. Над вопросом одновременно работали несколько ученых, они проводили демонстрации своих результатов и получали патенты. В 1894 году, после демонстрации Теслы, но до Маркони, английский физик Оливер Лодж (1851-1940) стал первым человеком, передавшим телеграфный сигнал без проводов, используя герцевые волны, на расстояние 150 м. Лоджу удалось сделать передатчик и приемник: таким образом он передал сигнал с помощью азбуки Морзе между двумя зданиями в Оксфорде.

Два года спустя, в 1896-м, молодой Гульельмо Маркони представил в Лондоне беспроводной передатчик, аналогичный тому, который был у Лоджа. Аппарат включал заземление и антенну, с его помощью Маркони провел простейшие эксперименты в Болонье. Скоро он увидел, что его оборудование как две капли воды похоже на аппараты Теслы, представленные в 1893 году, — подробные данные о них были опубликованы на разных языках.

Затем, когда разгорелся конфликт относительно авторства изобретения, Маркони отрицал, что прочел статьи про систему Теслы. Однако на самом деле вряд ли он оставался в неведении, поскольку на лекции, прочитанной Теслой в Лондонском королевском обществе в 1892 году, присутствовал и инженер- электрик Уильям Генри Прис, который в тот момент как раз занимался проектом системы беспроводного телеграфа для британской почты, а затем стал работать и тесно общаться с Маркони. В своем убеждении, что знание должно служить человечеству, Тесла на лекции рассказал о своих последних экспериментах, которые включали также изобретение радио. Он ловко обошел некоторые моменты, но опытный инженер в данной сфере мог без особого труда заполнить лакуны.

Когда Маркони в 1901 году передал радиосигнал через Атлантику, букву S на азбуке Морзе, прошедшую путь с Новой земли (Канада) до Корнуолла (Соединенное Королевство), то для своего оборудования он использовал 14 патентов, зарегистрированных Теслой и включавших описание ключевых устройств для системы радиопередачи. Вопрос о том, кто первым придумал радио, годы спустя вновь заставил разгореться жаркие споры, но об этом мы поговорим далее.

ТЕСЛА И РЕНТГЕНОВСКИЕ ЛУЧИ

В 1860-е годы группа физиков из Боннского университета начала исследование природы свечения вакуумных трубок Гейслера и обнаружила, что когда электрический ток движется между электродами — от отрицательного электрода (катода) к положительному (аноду), — то по прямой траектории проходят некоторые лучи. Эти лучи были названы катодными. Было доказано, что они могут проецировать объекты, тени. Между 1869 и 1875 годами британский ученый Уильям Крукс (1832-1919) внес изменения в вакуумную трубку, создав внутри нее более совершенный вакуум, и более глубоко исследовал природу катодных лучей. В одном из своих опытов Крукс разместил в трубке мальтийский крест, и на задней стенке трубки в флуоресценции, возникающей при столкновении лучей со стеклом, возникла четкая тень (проекция) креста (см. рисунок 9). При использовании фотопластинок трубка Крукса делала нечеткие снимки, но данное явление английский ученый мало исследовал.

РИС. 9 Схема трубки Крукса с мальтийским крестом внутри.

Тесла, пораженный феноменом, обнаруженным им во время экспериментов с фотографиями, которыми он занимался со своим другом Марком Твеном, начал сопоставлять результаты и изучать работы Крукса, что привело его к исследованию катодных лучей. Для этого Тесла разработал собственную трубку — однополярную лампу, имеющую только один электрод. Когда на него поступало высокое напряжение от одной из катушек, от электрода исходил пучок катодных лучей, сталкивавшихся со стеклянной стенкой.

После разработки своего варианта трубки Крукса Тесла заметил, что в точке столкновения лучей со стенкой или на аноде в биполярной трубке возникают «невидимые лучи», оставляющие «аномальные отметки и образы». Его догадка оказалась удивительной. Будущие трубки рентгеновского излучения следуют такому же принципу. Говоря языком современных терминов, катодные лучи представляют собой поток электронов. Это стало понятным после длительной серии экспериментов, в том числе с магнитным полем. Когда электроны достигают стеклянной стенки, то резко останавливаются, и сильное торможение вызывает высокочастотные электромагнитные волны, находящиеся в зоне спектра, соответствующей рентгеновским лучам. Такое излучение называется тормозным (нем. Bremsstrahlung).

НЕПРЕДВИДЕННОЕ ОТКРЫТИЕ

После первых экспериментов Теслы с вакуумными трубками, имеющих целью обнаружить присутствие излучения, началось и его активное сотрудничество с фотографами Манхэттена. В 1894 году Томас Коммерфорд и Роберт Джонсон организовали в его лаборатории фотосессию, где знаменитые персонажи были сняты, освещенные флуоресцентными лампами изобретателя. На самой известной фотографии из той серии мы можем увидеть Марка Твена — друга Теслы, часто приходившего в его лабораторию и ставшего свидетелем многих экспериментов. На той фотографии он в полутьме держит в руках лампу, от которой исходит яркий свет; в такой почти магической атмосфере на заднем плане можно разглядеть в сумраке и Теслу. В тот же год, во время одного из частых визитов Твена, Тесла предложил ему сфотографироваться — на этот раз при освещении трубкой Гейслера. Когда фотографы проявили фотопластинку, то обнаружили, что снимок писателя не получился, зато почему-то был виден один из винтиков, настраивающих линзу фотокамеры. Тогда Тесла не знал, что они сделали первую в США фотографию в рентгеновском излучении, но в любом случае он понял, что от трубки исходил некий «очень особый вид излучения», из-за которого на фотопластинке отобразился внутренний фрагмент фотокамеры.

Стоя на резонансной катушке, Марк Твен держит металлическое кольцо с лампой накаливания. Ток высокой частоты и напряжения проходит через его тело и зажигает лампу. На заднем плане — Тесла, включающий цепь.

Никола Тесла первым идентифицировал его и предложил интерпретацию природы данного излучения. В статье, где говорилось о нем, изобретатель заявлял, что катодный поток состоял из мельчайших частиц. Такая мысль открывала для исследователя верный путь к пониманию явления. Квантовая физика в течение еще многих лет занималась описанием свойств элементарных частиц, носителей разных форм электромагнитного излучения и в силу этого ответственных за квантовые проявления электромагнитных явлений, так называемых фотонов.

Тесла открыл, что лучи, невидимые человеческому глазу, могут проходить через человека даже с расстояния нескольких метров, и получил невероятные изображения человеческих тел, которые назвал «тениграммы». Заметив, что некоторые ткани тела меньше пропускают лучи, он предложил использование излучения в медицине, например для того, чтобы определить положение инородных предметов в теле.

В ту эпоху ученые не знали об опасности экспериментов с излучением. Жажда открытий и энтузиазм привели многих исследователей рентгеновских лучей, а затем и радиоактивности к проведению очень вредных для здоровья опытов. Сам Тесла по 40 минут занимался фотографированием своего черепа, после чего у него возникали сонливость, временная потеря памяти и ощущение жжения в голове. Сначала он решил, что излучение может иметь терапевтический эффект и стимулировать работу мозга, но постепенно симптомы становились все более тревожными: раздражение и боль в глазах, ожоги на коже, выпадение волос... Тесла довольно скоро осознал, что излучение не безобидно. Одним из первых он заговорил о трех принципах безопасности при работе с рентгеновскими лучами — расстоянии, времени и защите.

ТОРМОЗНОЕ ИЗЛУЧЕНИЕ

В рентгеновской трубке ток нагревает катод, испускающий электроны, начинается термоионное излучение. Электроны ускоряются из-за разности потенциалов, сталкиваются с анодом и там рассеиваются. Они в основном взаимодействуют с ядрами атомов анода и передают им импульс. Согласно классической физике, заряженная частица в результате ускорения (как в случае электрона при взаимодействии с анодом) должна постоянно испускать электромагнитное излучение. Так как масса ядра значительно превышает массу электрона, он практически не получает энергии. Если Тн — начальная кинетическая энергия электрона, а Тк— конечная, то в процессе торможения в виде тормозного излучения будет рассеяна энергия, равная значению ?Т:

?Т = Тн - Тк.

В тот момент, когда Тесла был поглощен этими ключевыми исследованиями, произошли обстоятельства, замедлившие его быстро продвигающуюся работу. В апреле 1895 года был запущен первый большой генератор гидроэлектростанции на Ниагарском водопаде, названный именем Теслы и с указанием номеров его патентов, выгравированных на дощечке. План развития проекта реализовывался весьма успешно, с соблюдением всех сроков. Но как часто случалось в жизни Теслы, счастливые моменты достижений приходили одновременно с несчастьями:

13 марта того же года, ночью, в 02:35, начался пожар на первых этажах дома 33-35 по Пятой авеню. Пламя быстро распространялось, пятиэтажное здание запылало и обрушилось. Лаборатория Николы Теслы находилась на пятом этаже.

ЭЛЕКТРОСТАНЦИЯ НА НИАГАРСКОМ ВОДОПАДЕ

Гидроэлектростанция на Ниагарском водопаде по своему масштабу была признана новым чудом света; ее строительство продолжалось несколько лет и потребовало участия многих видных инвесторов и ведущих инженерных компаний. Вестингаузу пришлось уступить «Дженерал Элеткрик», владеющей основными патентами, контракт на линии передачи и распределения между Ниагарским водопадом и первым большим населенным пунктом, которого должны были достичь линии, Буффало, находящимся на расстоянии 40 км.

В 1896 году электрический свет от Ниагарской станции пришел на улицы и в дома этого города, что шумно отметили выстрелами пушек, звоном колоколов и свистом. Следующий этап был связан с переходом на переменный ток «Питтсбург Редакшн Компани», которая впоследствии стала называться «Алюминиум Компани оф Америка» («Алькоа»). Металлургическая отрасль стагнировала в ожидании тока высокого напряжения. Производство алюминия имело решающее значение для будущего, в частности для развития авиационной отрасли. Несколько лет спустя электричество от Ниагары пришло в Нью-Йорк, и тогда впервые зажглись сияющие по сей день огни Бродвея.

Зал генераторов электростанции № 1, названной станцией Эдварда Дина Адамса, комплекса Ниагарской ГЭС.

Это был непоправимый удар. Труды половины жизни изобретателя с моделями, чертежами, заметками, архивами, фотографиями и инструментами сгорели дотла, и восстановить их не представлялось возможным. Это были бесчисленные потери лабораторного оборудования и аппаратов собственного изготовления, копий которых не существовало, а также ущерб с точки зрения вложенных в лабораторию знаний и времени. Ни лаборатория, ни оборудование не были застрахованы. До того времени Тесла прекрасно жил благодаря продажам патентов, не заботясь о финансовой стороне, но все полученные средства он вложил в исследовательское оборудование. По расчетам прессы ущерб составлял 50 000 долларов, но изобретатель называл цифру в один миллион, принимая во внимание потери от будущих неполученных патентов и затраты на возобновление работ практически с нуля. Непосредственным следствием пожара стала задержка в его исследованиях, по некоторым направлениям Тесла так и не смог достичь прежнего уровня, как в случае с рентгеновскими лучами. Находки последних месяцев в этой области были уничтожены огнем.

Многие выказали солидарность с Теслой в его трагедии, в газетах печатались статьи с кричащими заголовками, такими как «Пропали труды гения». Сам Эдисон пришел на помощь бывшему врагу, дав разрешение временно пользоваться своей лабораторией в Нью-Джерси. Именно тогда, в сложных обстоятельствах, в которых оказался Тесла, Эдвард Дин Адамс, председатель комиссии по Ниагарскому водопаду и глава фирмы, занимающейся его использованием, предложил изобретателю полмиллиона долларов для создания нового общества при поддержке корпорации Джона Моргана. Тесла серьезно задумался над предложением. В пользу его принятия говорило то, что поручители обещали ему спокойную жизнь. С другой стороны, Морган был известен своей жесткостью: произошедшее по его инициативе слияние компаний Эдисона и Томсона в «Дженерал Электрик» нейтрализовало обоих изобретателей, что поставило в безвыходное положение Вестингауза. Решение Теслы было следующим: он принял помощь в размере 40000 долларов, но отказался создавать фирму. Многие из его окружения посчитали это его второй крупной ошибкой в мире бизнеса.

В ноябре 1895 года, когда Тесла еще не нашел места для новой лаборатории, немецкий физик Вильгельм Рентген (1845-1923), занимавшийся катодными лучами, обнаружил существование излучения неизвестной природы и назвал его икс-излучением. Его волны появлялись, когда катодные лучи воздействовали на стеклянные стенки вакуумной трубки и распространялись от этого источника во всех направлениях. Их траектория была прямолинейной, как у света, они воздействовали на фотоматериалы и не отклонялись в присутствии электрического или магнитного полей. В течение многих лет не было до конца понятно, волны это или частицы. Рентген открыл, что они легко могут проходить через вещества с низкой плотностью, такие как мускулы человека, и поглощаются материалами с высокой плотностью, такими как кости. Ученый предложил использовать лучи в медицине для получения внутренних изображений тела человека. В январе 1896 года был опубликован отчет о его открытии вместе с радиографией костей руки его жены. Данный снимок стал знаменитым на весь мир.

Скоро после публикации открытия Рентген получил письмо из США с поздравлениями от уважаемого изобретателя Николы Теслы, а также серию его «тениграмм», которые удалось спасти из пожара в лаборатории. Это были изображения, сделанные с помощью икс-лучей: одно из них демонстрировало кости руки самого изобретателя, другое — кости ноги, снятые через ботинок. Ответ немца не заставил себя ждать:

«Уважаемый господин, Вы невероятно поразили меня своими замечательными фотографиями и разрядами. Благодарю Вас за них.

Как я был бы рад узнать, каким образом Вам удалось это сделать!

С искренним уважением, Ваш В. Рентген».

Никола Тесла в возрасте 36 лет, на вершине славы.

Тесла рядом с колоссальной обмоткой одной из своих катушек читает Theoria Philosophise Naturalis физика и математика XVIII века Руджера Босковича.

Первая фотография, снятая с флуоресцентным светом, на которой изобретатель запечатлен рядом с одной из своих ламп.

Немецкий ученый получил Нобелевскую премию по физике в 1901 году, став первым Нобелевским лауреатом в этой области научных знаний. Деньги он подарил своему университету, а изобретение не стал патентовать, заявив, что хочет, чтобы практическое применение его лучей принесло пользу человечеству. Кроме того, он не желал, чтобы эти лучи назывались его именем (хотя в некоторых странах их называют именно так). Тесла никогда не оспаривал авторство данного открытия. Рентген определил происхождение и характеристики лучей, а Тесле не удалось разгадать их необычную природу. Правда, догадки Теслы были верны; если бы не случилось ужасного пожара в лаборатории, скорее всего ему удалось бы закончить исследование раньше своего коллеги.

РАДИОУПРАВЛЯЕМЫЙ АВТОМАТ

После пожара Тесла постарался как можно скорее вернуться к исследовательской деятельности в новой лаборатории на Хаустон-Стрит, рядом с Чайна-тауном. Ему не терпелось продолжить исследования с того же места, на котором он был вынужден прерваться, особенно его интересовало изучение радиосвязи, так как в данной области началась безжалостная борьба на мировом уровне. Вестингауз одолжил ему несколько приборов, хотя это стоило длительных и долгих переговоров с сотрудниками его компании — им Тесла вынужден был напомнить о выгодах, получаемых компанией благодаря его работам.

И все равно Тесле потребовалось много времени на восстановление. Сильно мешало отсутствие собственных аппаратов. Финансовая независимость была потеряна, и изобретателя затягивала пучина долгов. Пытаясь заработать, Тесла в 1896 и 1897 годах попробовал сделать рентабельными свои изобретения. Он считал, что его открытия в области электромагнитных волн могут применяться в разных сферах. Как раз тогда появились несколько его изобретений в области электротерапии, не имеющих большой значимости. Сегодня они забыты.

РИС. 10 Детектор сигналов Теслы.

В начале 1898 года, когда страна готовилась к неотвратимой войне с Испанией на Кубе, у Теслы появилась возможность показать публике одно из своих передовых изобретений, которое подтверждало его значительные успехи в волновой беспроводной передаче энергии. Для демонстрации он воспользовался Первой ярмаркой электричества в Мэдисон-сквер-гарден. Там был представлен первый механический аппарат на радиоуправлении — небольшая подводная лодка, управлявшаяся на расстоянии с помощью беспроводной связи от дистанционного пульта. Демонстрация произошла за два года до официального дня рождения радио, отцом которого назвали Маркони. Так было доказано, что уже тогда Тесла мог отправлять информацию и инструкции, пользуясь данным видом связи, а также знал принципы автоматизации. Кроме того, Тесла дополнил лодку механическими устройствами контроля движения. Однако его надежда на то, что командование флота обратит внимание на возможности изобретения, пропала впустую.

За годы до появления приборов для улавливания радиосигналов и за полвека до изобретения транзисторов лодка Теслы уже была оснащена очень интересным, хотя более примитивным, чем вышеперечисленные устройства, приспособлением для приема сигналов радиопередатчика (см. рисунок 10). Тесла использовал цилиндрический сосуд из металла, наполненный гранулами проводящего материала, например оксида железа. Входящим сигналам хватало силы для перемещения гранул, так что они включались в цепь и могли проводить электричество, управлять двигателем или рулем. Для приведения детектора в начальное состояние небольшой моторчик поворачивал его как песочные часы с помощью центрального металлического стержня, пересекающего цилиндр.

Этот простейший прототип является общим предком всех радиоуправляемых моделей современности — от отрасли автоматизации производства до робототехники. Он был первой демонстрацией новой эры технологического развития, которая через много лет вступила в свои права. Действительно, во второй половине XX века много исследователей по информационным технологиям и робототехнике с удивлением столкнулись с патентами Теслы, когда пытались зарегистрировать свои изобретения.

Но эта передовая технология не стала известной.

ЛОДКА ТЕСЛЫ

Система Теслы могла применяться для любого транспортного средства, которому было свойственно двигаться и быть управляемым,— для лодки, воздушного шара или автомобиля. Согласно оригинальным иллюстрациям к патенту 613809 от ноября 1889 года (см. рисунки 1 и 3), прототипом являлась лодка (А). Ее схема могла включать возможность перевозки любых грузов в нескольких помещениях (В). Лодка приводилась в движение винтом (С), закрепленным на оси электромагнитного двигателя, который работал, используя энергию аккумулятора (Е). Направляющий двигатель (F) соединялся с зубчатым колесом (G), зафиксированным вертикальной балкой (Н). Последняя приводила в действие руль (F’). Аппарат управлялся с помощью приемника, связанного с синхронизированным дистанционным источником сигнала, как показано на рисунке 2.

РИС. 1

РИС. 3

Принцип дистанционного управления основывался на использовании электрического осциллятора (S), контролируемого коробкой управления (Т). Управление осуществлялось рычагом с четырьмя положениями, с помощью которых на антенну (Е') судна (А) направляли четыре различных типа электрических сигналов. Контур-приемник работал на одной частоте с направляемыми сигналами и превращал электричество в движение, активируя основной двигатель: положение вперед — (u), назад — (u'), а для двигателя управления положение направо — (t), налево — (t').

Люди еще не были готовы к тому, чтобы принять возможность дистанционного управления и автоматизации. Отчеты военного руководства относительно изобретения говорят о непонимании сути идеи и о том, что в то время различиям акцентов и цвету кожи в США еще придавалось большое значение. В ту эпоху предприниматель Эндрю Карнеги, известный своей филантропической деятельностью, не уставал повторять: «Скоро у нас будет сильная раса англоговорящих людей, которые смогут справиться с почти любыми бедами в этом мире».

В начале 1899 года у Теслы возникли денежные затруднения. Из-за своей обычной рассеянности он не смог соблюсти сроки сдачи некоторых электротерапевтических моделей, таких как подушка Теслы. Высокий уровень продаж данных изобретений был обеспечен, так как люди уже ждали их. С другой стороны, научное сообщество критиковало его за радиоуправляемые аппараты, пытаясь доказать невозможность их использования в реальной ситуации. Тесле не оставалось ничего другого, как тратить время на объяснения, чтобы заставить обвинителей замолчать, писать ответные статьи с решениями для потенциальных проблем. По сути, критика была направлена скорее против его методов, индивидуализма, секретности и тяги к сенсационности, чем против его достижений. На самом деле финансовые возможности, открывшиеся при коммерциализации беспроводных аппаратов, привели к соглашению Пупина, Эдисона и Маркони об объединении усилий.

В то время Марк Твен находился в поездке с лекциями по Европе. Писатель был полностью солидарен со своим другом Теслой, надеясь на то, что наука станет двигателем прогресса и цивилизации. При этом он не мог спокойно наблюдать за тем, как в последние годы XIX века мировые державы использовали науку для создания сверхмощных машин уничтожения в гонке вооружений, которая впоследствии катастрофически проявила себя в годы Первой мировой войны. Когда он узнал о появлении радиоуправляемых роботов Теслы, он написал другу следующее письмо:

«Дорогой господин Тесла,

есть ли у Вас патенты для Австрии и Англии для этого разрушительного ужаса, который Вы изобрели? Если да, могли бы Вы назначить им цену и установить мне комиссию за их продажу? Я знаком с членами кабинетов обеих стран (а также Германии и самим Вильгельмом II).

Я пробуду в Европе еще год.

Здесь в отеле вчера вечером несколько заинтересованных в данной теме людей обсуждали средства, которые могли бы убедить государства присоединиться к царю и к акции разоружения. Я посоветовал им поискать что-нибудь более надежное, чем разоружение, принятое в виде непрочного соглашения на бумаге. «Пригласите великих изобретателей, чтобы они разработали средства для того, чтобы армия и флот стали ненужными, тогда мы сделаем войну невозможной». Я не подозревал, что Вы уже над этим работаете и готовитесь принести нам вечный мир и разоружение в удобной и обязательной для всех форме. Я знаю, что Вы занятой человек, но попросил бы Вас уделить мне время и написать несколько строк.

Искренне Ваш,

Марк Твен».

По всей видимости, писатель начал переговоры с европейскими правительствами, хотя никаких конкретных договоренностей не было достигнуто. История XX века развенчивает доктрину взаимного уничтожения как сдерживающего фактора в военных конфликтах. Сам Тесла признал годы спустя наивность этой мысли: увеличение мощности оружия не могло быть остановлено. Однако между 1898 и 1899 годами он попытался заинтересовать американское правительство, а также некоторых предпринимателей в своих автоматизированных средствах передвижения, но все посчитали его изобретение химерой.

В деятельности у Теслы продолжался застой, и ему нужен был решающий рывок. Тогда изобретатель подумал, что настал момент снова вернуться к тому, в чем он уже получил преимущество, — к беспроводной передаче энергии. Накопленный Теслой за последнее десятилетие опыт в данной сфере показывал ему, что земная кора — превосходный проводник для всех видов волн. Но для ее использования нужно было выяснить частоту колебания Земли. Поиск ответа на этот вопрос занял несколько следующих лет жизни исследователя.

Более 800 000 книг и аудиокниг! 📚

Получи 2 месяца Литрес Подписки в подарок и наслаждайся неограниченным чтением

ПОЛУЧИТЬ ПОДАРОК