ЗАОЧНАЯ ШКОЛА РАДИОЭЛЕКТРОНИКИ Высоковольтный источник напряжения

Вы прочитали статью про летательный аппарат, который поднимается в воздух за счет малоизученного эффекта Бифильда — Брауна. Для опытов, как было сказано, нужен источник, способный развивать напряжение постоянного тока порядка 20 кВ при мощности нагрузки около 5 Вт, работающий от бытовой электросети с напряжением 220 В.

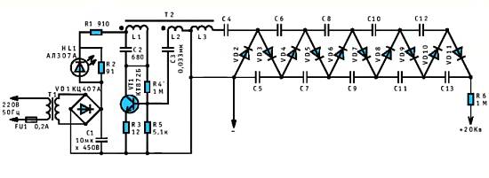
Вот как может быть устроен такой источник. Его первая ступень — мостовой выпрямитель сетевого напряжения VD1 с конденсатором С1. Она дает на выходе постоянное напряжение около 310 В. Это напряжение питает автогенератор на транзисторе VT1 и трехобмоточном трансформаторе Т2. Обмотка генератора L1 образует с конденсатором С2 колебательный контур, определяющий работу с частотой 50 Гц. Вспомогательная обмотка L2 создает обратную связь, которая обеспечивает режим автогенерации, а обмотка L3 образует следующую ступень повышения напряжения до уровня около 3 кВ.

Включенный последовательно с первичной обмоткой светодиод НL1 служит индикатором рабочего режима генератора.

Требуемое напряжение получается после диодно-емкостного умножителя напряжения, в котором работают элементы VD2…VD11 и С4…С13.

Нагрузка подключается через токоограничительный резистор R6. Ток покоя транзистора (около 5 мА), от которого зависит устойчивость работы автогенератора, задается соотношением номиналов резисторов R4, R5 в цепи базы транзистора. Поскольку использование осветительной сети небезопасно, в схеме установлен маломощный разделительный трансформатор Т1, имеющий коэффициент трансформации 1:1, с изолированной от сети вторичной обмоткой.

В умножителе напряжения можно использовать выпрямительные столбики типа КЦ123 и конденсаторы С4…С13 типа К15-5 на напряжение 6,3 кВ емкостью 500 пФ. Конденсатор С1 — оксидный, типа К50; С2 и СЗ — КП40П-2. Резисторы годятся марки МЛТ.

Рис. 1

Наиболее ответственным узлом является самодельный трансформатор Т2. Его обмотки располагаются в одиннадцати секциях каркаса, внутри которого помещен цилиндрический сердечник из феррита марки 400НН диаметром 8 и длиной около 140 мм. Повышающая обмотка L3 имеет 3300 витков провода ПЭЛШ0-0,1, равномерно распределенных между секциями каркаса. У обмотки L2 обратной связи — 4 витка провода ПЭЛШ0-0,2, намотанных поверх обмотки L1 и изолированных от нее слоем скотча. Обмотка L1 содержит 300 витков провода ПЭЛШ0-0,2; она наматывается в три ряда на изолирующей гильзе, которая располагается на краю каркаса со стороны левого по схеме вывода обмотки L3. Каркас можно склеить из нескольких слоев плотной бумаги, но лучше изготовить его из полистирола или фторопласта.

Электрические выводы трансформатора выполните из медного провода диаметром около 0,5 мм, следя, чтобы не было короткозамкнутых витков. Подключая выводы к монтажной плате, соблюдайте указанную на рисунке 1 фазировку, иначе ваше устройство не будет работать.

Внимание: высокое напряжение опасно! Если потребуется перепаять выводы или заменить отдельные детали, делайте это только после выключения питания и полного разряда конденсаторов умножителя.

На рисунке 2 показано расположение выводов транзистора VT1. Он монтируется без теплоотводящего радиатора.

Рис. 2

Чтобы предотвратить утечки тока по поверхности корпуса, все детали и их электрические выводы загерметизируйте эпоксидным клеем ЭДП. Включение источника питания допускается только после суточной выдержки, необходимой для полного отверждения смолы.

Более 800 000 книг и аудиокниг! 📚

Получи 2 месяца Литрес Подписки в подарок и наслаждайся неограниченным чтением

ПОЛУЧИТЬ ПОДАРОК