Частота — на эллиптической развертке

Измеряя частоту по фигурам Лиссажу (об этом рассказывалось в первой брошюре «Осциллограф — ваш помощник»), нетрудно убедиться не только в достоинстве этого метода, но и в одном его недостатке. Дело в том, что при соотношении частот образцового и исследуемого источников более чем в четыре раза на экране осциллографа появляется столь сложная фигура, что определить по ней частоту исследуемого сигнала становится трудно. Как быть?

На помощь приходит другой метод подобного измерения частоты — с помощью эллиптической (иногда круговой) развертки. Суть его в том, что на экране с помощью специального генератора формируется не прямолинейная развертка, а в виде эллипса (или круга). Достигается это одновременной подачей на входы усилителей вертикального и горизонтального отклонений осциллографа синусоидальных сигналов одинаковой частоты, но сдвинутых по фазе на 90°. Если теперь подать на вход вертикального отклонения еще и синусоидальный (или другой формы) сигнал неизвестной частоты, линия развертки окажется размытой, а при кратном соотношении частот сигнала и развертки на экране сформируется фигура, по которой нетрудно определить частоту сигнала, даже если она значительно отличается от образцовой.

Подобный метод измерений может широко использоваться в радиолюбительской практике, особенно при исследовании сигналов о частотой, значительно большей граничной частоты развертки осциллографа. Для этого, конечно, понадобится и соответствующий генератор эллиптической развертки. Но для большинства радиолюбительских измерений вполне пригоден генератор, разработанный курским радиолюбителем Игорем Александровичем Нечаевым. Причем, кроме основного назначения, эта приставка к осциллографу может служить и как обычный генератор 3Ч для проверни и налаживания усилителей.

Схема генератора приведена на рис. 66.

Он выполнен на трех операционных усилителях (ОУ) и трех транзисторах. Рабочий диапазон частот 24 Гц…24 кГц разбит на три поддиапазона: 24…240 Гц, 240…2400 Гц, 2,4…24 кГц. В пределах каждого поддиапазона частоту можно плавно изменять сдвоенным переменным резистором R1, а выходной сигнал (на гнездах XS5 и XS6) — переменным резистором R14. Максимальный выходной сигнал может достигать нескольких вольт, что необходимо для подачи его на вход «X» осциллографа.

Основой генератора являются два одинаковых фазосдвигающих каскада на ОУ DA1 и DA2. Третий ОУ и транзисторы VT2, VT3 выполняют роль усилителя-инвертора, необходимого для получения требуемого выходного сигнала. Амплитуда выходного сигнала стабильна благодаря применению лампы накаливания HL1 в цепи обратной связи, эта же лампа служит индикатором подачи питания на генератор от двуполярного источника.

Показанное на схеме положение выключателей SA1 и SA2 соответствует поддиапазону 2,4…24 кГц. При замкнутых контактах выключателя SA1 в частотозадающие цепи включаются конденсаторы С2, С5 и частота генератора снижается в 10 раз. Когда же будут замкнуты контакты выключателя SA2, частота генератора снизится в 100 раз.

На транзисторе VT1 собран сумматор сигнала генератора, поступающего через гнездо XS3 на вход «Y» осциллографа (и сдвинутого на 90 по фазе относительно сигнала на гнезде XS5) с исследуемым сигналом, подаваемым на гнезда XS1 и XS2. Уровень подаваемого на сумматор исследуемого сигнала регулируют переменным резистором R4. Амплитуда сигнала генератора на гнездах XS3 и XS4 достигает нескольких сотен милливольт.

В генераторе можно использовать, кроме указанных на схеме, операционные усилители К140УД7, К140УД8 и другие общего назначения; транзистор VT1 — КП103К-КП103М; VT2 — КТ315А-КТ315И, КТ312А-КТ312В, МП35-МП38; VT3 — КТ361А-КТ361Е, МП39-МП42. Конденсаторы C1-С6 —МБМ; С7, С8 — К50-6, К50-12, К50-20. Постоянные резисторы — МЛТ-0,125; переменный R1 — СП2-СП-IV или аналогичный сдвоенный, с характеристикой A; R4, R14 — СПО, СП2-4; подстроечный R11 — СПЗ-1, СП5-1, СП5-2. Выключатели — типа тумблер, или П2К с зависимой фиксацией и двумя группами контактов. Лампа накаливания — СМН 6,3-20, но при ее отсутствии можно установить две последовательно соединенные МН 2,5–0,068, уменьшив при этом сопротивление резистора R13 до 27 Ом.

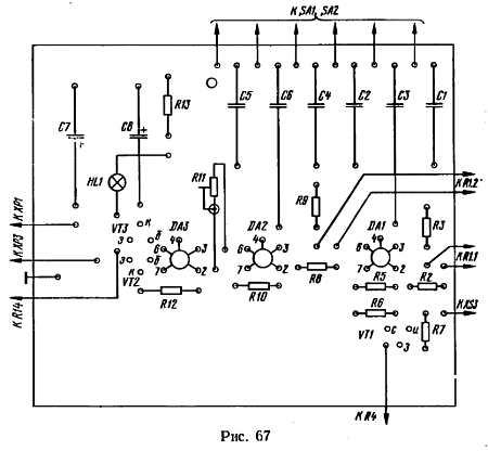
Часть деталей генератора смонтирована на печатной плате (рис. 67), а остальные размещены на лицевой панели (рис. 68) прибора — она скреплена с платой двумя металлическими уголками.

Плату с панелью крепят к кожуху и пропускают через отверстие в задней стенке кожуха проводники питания с вилками ХР1—ХРЗ на концах. На вилках необходимо пометить полярность питания, чтобы избежать ошибок при подключении генератора к источнику с двуполярным напряжением 12…15 В для каждого канала при токе нагрузки до 30 мА.

Настало время проверить генератор в дейстнии и настроить его. Подключив к гнездам XS5 и XS6 осциллограф или частотомер, установите движок переменного резистора R14 в верхнее по схеме положение. Контакты всех выключателей должны быть разомкнутыми, что соответствует самому высокочастотному поддиапазону генератора. Подстроечным резистором RH установите амплитуду выходного напряжения равной 3,5…5 В, после чего отградуируйте шкалу прибора, плавно перемещая движок переменного резистора R1 из одного крайнего положения в другое и измеряя в различных точках частоту генератора.

Далее установите выключатель SA1 в положение замкнутых контактов и проверьте работу генератора на поддиапазоне 240…2400 1ц («:10»), Подбором конденсаторов С2 и С5 добейтесь точно десятикратного деления частоты по всей ранее отградуированной шкале. Аналогично поступите и на другом поддиапазоне («:100»), включив его выключателем SA2 и подобрав конденсаторы С3 и С6.

Вот теперь можно считать, что генератор эллиптической развертки готов и можно переходить к практическим работам. Понадобится вспомогательный генератор 3Ч, например, описанный в предыдущей брошюре. Выходное напряжение генератора может быть 0,2…1 В. Сигнал этого генератора подают на гнезда XS1 и XS2 генератора эллиптической развертки, «земляной» щуп осциллографа подключают к гнезду XS4, а входной — к гнезду XS3. Гнездо XS5 соединяют проводником с гнездом «ВХОД X (СИНХР.)» осциллографа. Сам осциллограф должен работать в режиме внешней развертки, как и при измерении частоты с помощью фигур Лиссажу (кнопку «РАЗВ.-ВХ X» нажимают, остальные кнопки развертки осциллографа могут быть в любом положении).

Чувствительность осциллографа вначале устанавливают минимальную (50 В/дел.) и добиваются переменным резистором R14 генератора длины линии развертки примерно 5…6 делений. Затем устанавливают движок переменного резистора R4 в нижнее по схеме положение и увеличивают чувствительность осциллографа настолько, чтобы на экране появился эллипс (рис. 69, а) шириной 3…5 делений.

Плавно перемещая движок резистора R4 вверх, подают на вход смесителя такой сигнал с вспомогательного генератора, чтобы эллипс стал размытым (рис. 69, б).

Рис. 69, а, б

Это будет свидетельствовать о смещении сигналов генератора эллиптической развертки и вспомогательного генератора, в данном случае источника сигнала, частоту которого надлежит определить.

Изменяя частоту генератора эллиптической развертки (выключателями и переменным резистором), добиваются появления отчетливо видимого изображения — либо множества эллипсов (рис. 69, в), либо синусоидальных колебаний (рис. 69, г) по линии эллипса. Первая картина будет свидетельствовать о том, что исследуемая частота ниже частоты генератора развертки, а вторая — выше.

Рис. 69, в, г

Плавно уменьшая частоту генератора для первого случая, можно добиться на экране изображения, скажем, двух эллипсов (рис. 69, д). Значит, определяемая частота вдвое меньше установленной частоты генератора. Если и дальше уменьшать частоту генератора, на экране останется одни эллипс, свидетельствующий о равенстве частот обоих источников.

Во втором случае частоту генератора увеличивают до получения, например, изображения шести синусоид (рис. 69, е).

Рис. 69, д, е

Помножив на эту цифру значение установленной на генераторе частоты, получите частоту исследуемого сигнала. Если соотношение частот не кратно целому числу, получается вдвое больше синусоид (рис. 69, ж), «сплетенных> в цепочку. Подсчитав число «звеньев> цепочки, уменьшают полученный результат вдвое и делят на него частоту генератора. Частное от деления будет соответствовать частоте исследуемого сигнала.

Можно дальше увеличивать частоту нашего генератора, например, до получения изображения двух синусоид (рис. 69, з), свидетельствующего о вдвое большей частоте исследуемого сигнала либо получить изображение исходного эллипса при одинаковых частотах сигналов обоих источников.

Рис. 69, ж, з

Проведя подобные эксперименты, вы сможете убедиться, что методом эллиптической развертки нетрудно измерить частоту сигнала, отличающуюся от частоты генератора в 7…10 раз в меньшую сторону и в 20…30 раз в большую. Причем совсем не обязательно подавать на вход смесителя сигнал синусоидальной формы, пригоден и импульсный сигнал и треугольный. Важно, чтобы его амплитуда была достаточна для получения необходимой для измерений «размытости» эллипса.

Более 800 000 книг и аудиокниг! 📚

Получи 2 месяца Литрес Подписки в подарок и наслаждайся неограниченным чтением

ПОЛУЧИТЬ ПОДАРОК