Механический «мозг» телевокса

— Смешная человекообразная внешность телевокса в его действиях никакой роли не играет. Мой робот, если отбросить его оболочку, представляет собою центральную автоматическую телефонную станцию, к которой в качестве абонентов присоединено несколько электромоторов. Эти электромоторы и производят все действия, которые вы только что видели, — начал Венсли свои объяснения. — Вон там, — указал Венсли, — находятся электродвигатели, открывающие и закрывающие окна. Вот дверной электромотор. Ну, а что в каждом вентиляторе и в каждом пылесосе имеются электромоторы, это вам всем известно. Каждый из этих электромоторов можно пустить в ход при помощи обычного выключателя. Вот посмотрите, — с этими словами Венсли повернул выключатель оконных электромоторов. Электромоторы заработали, и окна стали закрываться. — Вся задача телевокса заключается в том, чтобы по моему или по вашему приказанию делать соответствующее включение или выключение. Это производится специальным распределителем с несколькими контактами и подвижной контактной ручкой. Взгляните вот на эту схему. На ней показано устройство телевокса.

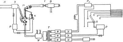
Схема устройства телевокса. Л — телефонная линия; 3 — зуммер; М — микрофон; К — катушка; Т — трансформатор; У — усилитель; Ф — фильтр; Р2— исполнительное реле; П — переключатель.

Вот электродвигатели, их у меня пять. Все они получают ток из осветительной сети. Для этого я вставляю вилку в обычную штепсельную розетку.

Один провод от штепсельной вилки идет к подвижной ручке распределителя, другой через исполнительное реле дает ветви к моторам. Когда телевокс не работает, ручка распределителя покоится на нулевом контакте. Чтобы пустить в ход какой-либо электродвигатель, скажем номер второй, нужно поместить ручку на его контакт и затем с помощью исполнительного реле замкнуть цепь. Тогда электромотор номер второй начнет работать.

Перемещение ручки распределителя с одного контакта на другой производится короткими свистками. Один свисток переводит ручку с нулевого на первый контакт, два — с нулевого на второй и т. д.

Для замыкания цепи служит другой свисток, с другим тоном, например ми. Наконец, для приведения всех аппаратов в начальное состояние служит третий свисток, с новой высотой тона, скажем соль.

Ухом телевокса служит обычный микрофон, превращающий звуковые волны в электрические переменные токи, которые очень слабы и непосредственно не могут действовать на приборы. Поэтому их подвергают сначала усилению, потом через трансформатор подводят к трем электрическим фильтрам. Каждый фильтр пропускает электрические колебания только одной определенной частоты, соответствующие либо тону до, либо ми, либо соль.

Для замыкания цепи тока выбранного электромотора нужно подуть во второй свисток с тоном ми. Токи, соответствующие тону этого свистка, пройдут через второй фильтр в исполнительное реле и дадут необходимое включение. Наконец, третий свисток с тоном соль действует на третье реле и возвращает всю установку в начальное положение, в котором она готова к выполнению новых приказов. Венсли закончил свои объяснения.

Кто-то из присутствующих покачал головой.

— О, мистер Венсли, все это не так просто, как вы это вначале заявили. Я, например, с трудом все это себе уясняю.

— Очень возможно, если вы не изучали физики и совсем не знакомы с радиотехникой. По выполнению этот телевокс довольно сложен и запутан, но все же по своей идее он чрезвычайно прост.

— А откуда происходит название этого любопытного аппарата? — спросил один из репортеров. Это был человек не знавший ни греческого, ни латинского языков.

Венсли улыбнулся:

— Первая половина слова — «теле» — греческая и значит далекий, вторая — «вокс» — латинская и значит голос. Своим названием я хотел подчеркнуть способность этого прибора отвечать на голос, идущий издалека.

— А не может ли ваш телевокс отвечать на приказание, произносимое обычными словами? — спросил сотрудник одного из научно-популярных журналов.

— Нет, не может, — ответил Венсли, — хотя, теоретически говоря, мог бы. Но для этого пришлось бы построить множество самых различных резонаторов, крайне сложно соединенных между собою. Для практических целей эта сложность не нужна, более того, она даже вредна, так как легко может быть причиной различных неисправностей. Свистки же значительно упрощают дело, постоянно давая тоны одинаковой частоты. Впрочем, для опытных целей я кое-что сделал. Вот посмотрите и послушайте!

Все притихли.

Венсли подошел к двери в глубине комнаты и, засунув руки в карманы, громко произнес:

— Сезам, откройся!

Дверь открылась. Присутствующие онемели от изумления. Потом, придя в себя, снова разразились громкими аплодисментами. Послышались восклицания, что это сказочно, что это похоже на волшебство.

Действительно, от опыта Венсли с дверью веет сказкой, да и самые слова: «Сезам, откройся!» взяты из сказки.

Спустя год после «рождения» телевокс «научился» говорить обыкновенным человеческим языком. Это было ему необходимо для того, чтобы передавать некоторые сообщения людям, не знающим «языка свистков».

Шермак «научил» своих роботов-торговцев говорить, вставив в них патефонные пластинки. Можно было бы сделать то же самое и с телевоксом. Но Венсли пошел дальше, использовав установку, которая применяется в современном говорящем кино. Инженер Венсли поместил внутрь телевокса небольшой кусок фильма, на котором были сфотографированы несколько звуковых фраз.

В нужные моменты в телевоксе автоматически зажигается лампа, и особый электромоторчик двигает фильм. При этом громкоговоритель телевокса произносит ту или другую фразу.

Более 800 000 книг и аудиокниг! 📚

Получи 2 месяца Литрес Подписки в подарок и наслаждайся неограниченным чтением

ПОЛУЧИТЬ ПОДАРОК