Аппараты распределительных устройств напряжением до 1 000В
В электроустановках до 1 000В применяют коммутационные аппараты для отключения, включения и переключения электрических цепей, защиты этих цепей от сверхтоков при перегрузках и коротких замыканиях применяют коммуникационные аппараты: рубильники и переключатели, предохранители и автоматы.
Простейшими коммуникационными аппаратами являются рубильники и переключатели.

Рис. 3. Коммутационные аппараты:
а, б – рубильники, в – переключатель; 1 – рукоятка, 2 – подвижные контакты (ножи), 3 – неподвижные контакты (губки), 4 – выводы, 5 – рычажный привод, 6 – дополнительные неподвижные контакты, 7 – дополнительные выводы.
Рубильники выпускают одно-, двух– и трёхполюсными с центральной рукояткой (Рис.3а,) или с боковой рукояткой (Рис.3б), а так же переключатели с рычажным приводом (Рис.3в, п.5).
Широко применяют пакетные выключатели ПВ, набираемые из отдельных пакетов (секций) по одному на каждый полюс. Выключатель обычно снабжают фиксирующей шайбой для чёткой фиксации в заданном положении, например включенном и отключенном. Пакетные выключатели выпускают на напряжение до 380В и токи от 10 до 400А.

Рис. 4. Пакетный выключатель ПВ
а – в собранном виде, б – со снятой крышкой, в – секция; 1 – крышка, 2 – ручка, 3 – пружина, 4 – корпус секции, 5 – неподвижный контакт, 6 – контактный валик, 7 – фиксирующая шайба, 8 – ось, 9 – подвижный контакт.
Простейшими аппаратами для защиты электроустановок от перегрузок и коротких замыканий служат плавкие предохранители. В каждом предохранителе имеется плавкая вставка, которая является ослабленным участком в электрической цепи и выбирается таким образом, чтобы при увеличении тока до значения, больше допустимого, она расплавлялась и тем самым разрывала цепь защищаемой электроустановки.

Рис. 5. Плавкие предохранители: а – резьбовой, б – трубчатый ПР-2, в – трубчатый ПНС; 1 – пробка, 2 – плавкая вставка, 3 – резьбовая деталь основания под пробку, 4 – резьбовая деталь пробки, 5 – контактный винт,
6 – контакт, 7 – изолирующее основание.
Конструкции плавких предохранителей разнообразны. Пробочные предохранители изготовляют с плавкими вставками от 6 до 20А.
В силовых сетях применяют трубчатые предохранители. Все предохранители, заполнены кварцевым песком (кроме РП-2) и устанавливаются в вертикальном или горизонтальном положении.
Воздушные автоматические выключатели (автоматы), созданные для замены рубильников и плавких предохранителей, предназначены для коммуникации цепей электроустановок при токах нормальных режимов нагрузки и защиты от токов короткого замыкания, перегрузки и снижения напряжения. Отдельные автоматы выполняют не все перечисленные функции, а лишь часть их. Включение и отключение автоматов могут осуществляться как вручную, так и дистанционно с помощью электроприводов.
Для защиты однофазных электрических сетей жилых и общественных зданий применят автоматы АБ25, А3161, А63 и др.

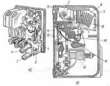
Рис. 6. Установочный автомат АБ25:
1 – указатель срабатывания, 2 – рукоятка, 3 – неподвижный контакт, 4 – корпус, 5 – подвижный контакт рычага, 6 – термобиметаллический элемент расцепителя, 7 – боковая крышка.
Автоматические выключатели АП50 широко применяются в установках напряжением до 380 В переменного тока и 220 В постоянного тока для автоматического отключения при коротких замыканиях или токах перегрузки, для нечастой коммуникации в тех же установках и для пуска и защиты трёхфазных асинхронных электродвигателей.

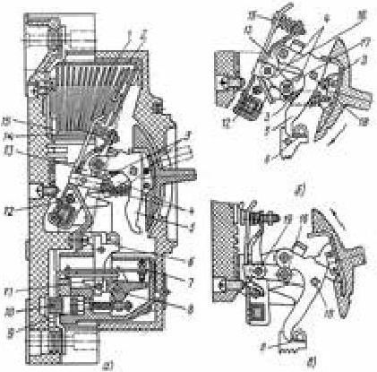
Рис. 7. Автоматический выключатель АП50:
а – общий вид (со снятой крышкой), б – продольный разрез; 1 – механизм свободного расцепления, 2 – рычаг, 3 – кнопка отключения, 4 – кнопка включения, 5 – выводы, 6 – дугогасительная камера, 7 – крышка, 8 – стальные пластины дугогасительной камеры, 9 – подвижный контакт, 10 – гибкое соединение, 11 – траверса, 12 – электромагнитный расцепитель, 13 – тепловой расцепитель, 14 – неподвижный контакт, 15 – пластмассовый корпус.
Конструктивно автоматы могут сильно отличаться друг от друга, но принципы их работы сохраняются неизменными. В состав автоматов входят: контактная система, дугогасительные устройства, расцепители, привод и механизм свободного расцепления. Этот механизм является важной частью каждого автомата. Он обеспечивает моментальное размыкание главных контактов и невозможность их удержания во включённом состоянии при сохранении ненормального режима установки.

Рис. 8. Автомат А3100:
а – устройство (автомат отключён автоматически), б – при взводе, в – при включении; 1 – дугогасительная камера, 2 – обойма, 3 – перекидная пружина, 4 – ломающиеся рычаги, 5 – фигурный удерживающий рычаг, 6 – собачка, 7 – тепловой расцепитель, 8 – рейка, 9 – якорь электромагнитного расцепителя, 10 – сердечник электромагнитного расцепителя, 11 – зуб, 12 – неподвижная ось, 13 – контактодержатель, 14, 15 – контакты, 16 – впадина рычага, 17, 18, 19 – подвижные оси.
Более 800 000 книг и аудиокниг! 📚
Получи 2 месяца Литрес Подписки в подарок и наслаждайся неограниченным чтением
ПОЛУЧИТЬ ПОДАРОК