Беседа шестнадцатая АНАЛОГОВЫЕ ВЫЧИСЛИТЕЛЬНЫЕ МАШИНЫ И ОПЕРАЦИОННЫЕ УСИЛИТЕЛИ

Успех за успехом! Незнайкин построил «электронную вычислительную машину» на потенциометрах. Принцип машины безупречен, но различные нарушающие нормальную работу факторы вносят некоторую погрешность. Любознайкин объясняет ему, как устранить эти недостатки и, ловко воспользовавшись предоставившимся случаем, знакомит своего молодого друга с операционными усилителями и аналоговыми вычислительными машинами. Незнайкин хотел было сразу приступить к практической реализации своих идей, но затем решил дать приобретенным за последние беседы знаниям некоторое время, чтобы они улеглись в голове; такая систематизация знаний должна выявить оставшиеся неясными вопросы, а соответствующая консультация заблаговременно устранит возможность возникновения ошибок.

Любознайкин — А, это ты, Незнайкин! Какой гордый у тебя сегодня вид. Уж не сделал ли ты какого-нибудь нового изобретения?

Незнайкин — Изобретение, мой дорогой друг, — ничто, практическое воплощение — все. Я в самом деле горжусь электронной вычислительной машиной, которую я только что закончил.

Л. — Ах!..

Линейные потенциометры

Н. — Но, пожалуйста, не падай в обморок. Вот с чего все это началось. Я пошел купить потенциометры для системы управления антенной моего приятеля, а купил дешево продававшуюся по случаю небольшую партию потенциометров. Продавец сказал мне, что они отличаются исключительной линейностью, т. е. от начала до конца дорожки сопротивление между одним из неподвижных контактов и движком строго пропорциональны углу поворота осн.

Л. — Незнайкин, я тебя просто не узнаю, в своем, впрочем, совершенно правильном определении ты заговорил почти как математик. Но прости, что я перебил тебя, и продолжай.

Н. — Я захотел проверить, правду ли сказал мне продавец. На обмотку потенциометра я подал ровно 10 в от блока питания высокой стабильности. На ось потенциометра я надел небольшую шкалу, которую движком разделил на десять равных частей, а между движком и неподвижным контактом, от которого движок начинает свой путь, подключил очень точный вольтметр. Подготовив свое устройство, я начал проверять, соответствуют ли показания вольтметра градуировке шкалы. На пятом делении, т. е. как раз на середине шкалы, я получил 5 в.

Л. — Поздравляю тебя, Незнайкин, ты совершенно верно начал проверку линейности потенциометра. Я подозреваю, что спустя некоторое время ты назовешь свое устройство вычислительной машиной.

Второй потенциометр

Н. — Дорогой Любознайкин, неужели ты мог подумать, что из-за такого пустяка я отважился бы тебя побеспокоить. Позволь мне закончить свой рассказ. Имея в своем распоряжении напряжение, изменяющееся пропорционально углу поворота оси потенциометра, я подумал: а что, если приложить это напряжение к обмотке другого линейного потенциометра, но обладающего значительно большим сопротивлением, чтобы не вызывать изменений выходного напряжения первого потенциометра? Второй потенциометр я снабдил аналогичной шкалой с делениями от 0 до 10. Вольтметр я включил между ползунком и нижним выводом второго потенциометра, как это показано на рис. 148.

Рис. 148. «Аналоговый умножитель Незнайкина» состоит из двух строго линейных потенциометров и вольтметра.

На потенциометр R2 подается напряжение U, а вольтметр измеряет напряжение V, представляющее собой произведение напряжения U на ослабление, вносимое вторым потенциометром. Я разделил шкалу вольтметра 10 в на 100 частей, полагая, что эта шкала даст мне произведение двух цифр, выставленных на шкалах потенциометров. Надеюсь, ты оценишь мое устройство?

Л. — Должен признать твою удачу, Незнайкин, ты сделал аналоговый умножитель, который иногда применяется в вычислительных машинах.

Н. — Ааах, так это уже известно? А я-то уже было начал писать заявку на получение патента.

Л. — Не огорчайся, Незнайкин. Если ты и дальше будешь так быстро прогрессировать, то вскоре сможешь получать патенты. Твоя система очень остроумна, и я поздравляю тебя с тем, что ты сумел ее создать без посторонней помощи. Какое сопротивление имеют твои потенциометры?

Н. — Сопротивление потенциометра R1 = 2000 ом, a R2 =100 000 ом, а используемый вольтметр представляет собой универсальный измерительный прибор с входным сопротивлением 20 000 ам/в.

Л. — А насколько точно работает твое устройство?

Проблема точности

Н. — Откровенно говоря, я был несколько разочарован его точностью, особенно в тех случаях, когда движок второго потенциометра находится примерно посередине. Так, например, когда я поставил оба движка посередине шкалы (и тот и другой на деление 5), вольтметр должен был показать 25 делений (2,5 в). Однако я с удивлением обнаружил, что он показывает чуть-чуть больше 22. По-видимому, я недостаточно точно сделал шкалы.

Л. — Я знаю твою аккуратность (когда ты захочешь) в выполнении чертежей и поэтому твердо убежден, что шкалы здесь ни при чем. Причина кроется в чем-то другом. Позволь мне рассчитать… Правильно, здесь, верно, именно такой и должна быть ошибка.

Н. — Так объясни, пожалуйста, в чем же дело.

Л. — Ты просто забыл учесть, что вольтметр неправильно измеряет выходное напряжение потенциометра R2. Сопротивление потенциометра 100 000 ом, а вольтметр на шкале 10 в обладает сопротивлением 200 000 ом. Как ты видишь, это сопротивление совсем не бесконечно по сравнению с сопротивлением R2 и в результате измеряемое напряжение V оказывается меньше того, которым оно было бы при использовании вольтметра с очень большим входным сопротивлением.

Н. — Значит, для этого устройства мне следовало бы достать совершенно специальный вольтметр?

Л. — Ты можешь найти выход и без такого вольтметра. Можно значительно улучшить результаты, если на место R2 поставить потенциометр с меньшим сопротивлением. Расчеты показывают, что наилучшим образом подходит потенциометр с сопротивлением 14 000 ом. Хорошие результаты можно получать уже при сопротивлении 10 000 ом.

Н. — Я полностью согласен, что в этом случае вольтметр правильно покажет выходное напряжение потенциометра R2. Но я очень боюсь, как бы это сопротивление 10 000 ом, подключенное к потенциометру R1, не повлияло сильно на потенциал последнего.

Преобразование Тевенина

Л. — Сейчас я покажу тебе, как рассчитать величину возникновения погрешности. Для этой цели можно воспользоваться одним весьма общим методом, который называют преобразованием Тевенина.

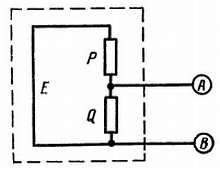
Представь себе источник напряжения Е, к которому подключен делитель напряжения, состоящий из резисторов Р и Q (рис. 149).

Рис. 149. Напряжение Е, приложенное к делителю напряжения Р Q, создает некоторое напряжение между точками А и В.

Если все это устройство поместить в коробку, а от точек А и В сделать выходящие наружу выводы, то полученную конструкцию можно рассматривать как эквивалент нового источника. Согласно преобразованию Тевенина точки А к В ведут себя как выводы источника с э. д.с. Е' и внутренним сопротивлением r. Нам предстоит рассчитать эти две величины. Расчет Е' не труден — эта величина представляет собой разность потенциалов между точками А и В, когда к ним снаружи коробки ничего не подключено. Ты свободно сможешь выполнить эту задачу, если начнешь с расчета тока, даваемого источником Е.

Н. — На мой взгляд, это совсем нетрудно. Источник замкнут на последовательно соединенные резисторы Р и Q, следовательно, протекающий по резисторам ток равен Е/(Р + Q). В этих условиях протекающий по резистору Q ток вызывает падение напряжения E·Q/(P + Q).

Л. — Совершенно верно. Это и есть э. д. с. нашего источника (рис. 150), а внутреннее сопротивление будет…

Рис. 150. Напряжение между точками А и В схемы рис. 149 эквивалентно (по преобразованию Тевенина) напряжению источника э. д. с. Е', внутреннее сопротивление которого представляет собой параллельно соединенные резисторы Р и Q (оно равно P·Q/(P + Q)).

Н. — Я предполагаю, что это будет просто-напросто сопротивление резистора Р.

Л. — Ты ошибаешься, но не отчаивайся, потому что почти все делают эту ошибку. На самом деле внутреннее сопротивление нашего источника эквивалентно сопротивлению параллельно включенных резисторов Р и Q, т. е. равно P·Q/(P + Q).

Н. — Совершенно неожиданный результат. А ведь резистор Р включен последовательно между источником Е и точкой А.

Л. — Я могу с помощью математики доказать тебе правильность результата.

Н. — Все, что хочешь, но только не это!

Л. — Такую реакцию я и предвидел. Резистор Q включен параллельно с тем, что ты можешь включить между точками А и В. Если его сопротивление мало по сравнению с Р, то мы можем разместить между А и В резистор с сопротивлением, малым по сравнению с Р, но большим по сравнению с Q. Следовательно, величина Q останется неизменной, иначе говоря, внутреннее сопротивление нашего эквивалентного источника имеет величину, значительно меньшую Р.

Н. — Хорошо, я признаю твое преобразование Тевенина, но как можно применить его к нашему потенциометру R1?

Л. — Очень просто, нужно представить себе, что источник напряжения 10 в и обе части обмотки потенциометра R1, расположенные выше и ниже ползунка (см. рис. 148), заменены источником, дающим напряжение, точно соответствующее шкале потенциометра R1. Внутреннее сопротивление этого нового источника равно сопротивлению соединенных параллельно двух участков обмотки потенциометра R1.

Как ты видишь, когда движок потенциометра R1 находится очень близко к одному из концов его обмотки, внутреннее сопротивление его очень мало, потому что одна из двух частей потенциометра имеет низкое сопротивление. Можно доказать, что это эквивалентное сопротивление достигает максимума, когда движок потенциометра R1 находится посередине своей обмотки. В этот момент сопротивление каждого из участков обмотки равно половине полного сопротивления всей обмотки.

При параллельном включении эквивалентное сопротивление равно одной четвертой части полного сопротивления обмотки. Иначе говоря, э. д. с. твоего эквивалентного источника, состоящего из батареи 10 в и потенциометра R1, в зависимости от положения движка этого потенциометра изменяется от 0 до 10 в. А внутреннее сопротивление этого источника равно нулю, когда движок потенциометра находится в самом низу, проходит через максимум 500 ом, когда движок достигает середины обмотки, и вновь становится равным нулю, когда движок доходит до своего крайнего верхнего положения. Следовательно, в своих расчетах мы должны исходить из того, что максимальное значение эквивалентного внутреннего сопротивления 500 ом. Как ты видишь, потенциометр с сопротивлением 10 000 ом очень мало изменит ненагруженное выходное напряжение потенциометра R1.

Н. — Теперь-то я все понял. Потенциометр R2 тоже нужно рассматривать как источник напряжения, эквивалентное внутреннее сопротивление которого может достигать 25 000 ом, когда движок этого потенциометра находится посередине своей обмотки. Естественно, что в этих условиях вольтметр с сопротивлением 200 000 ом при работе на шкале 10 в весьма сильно влияет на отдаваемое таким источником напряжение.

Л. — Верно, потери напряжения в результате такого воздействия составляют около 11 %.

Цепь погрешностей

Н. — Но положение представляется мне поистине драматическим: при большом сопротивлении R2 вольтметр неправильно измерит выходное напряжение на потенциометре R2, а при низком сопротивлении потенциометра R2 последний изменит напряжение, снимаемое с потенциометра R1. Иначе говоря, мы оказались в таком же безвыходном положении, как человек, который хотел зарабатывать очень много (чтобы быть богатым) и в то же время очень мало (чтобы платить меньше налогов).

Л. — Противоречивость требований делает задачу весьма неприятной, но тем не менее путем соответствующего компромисса можно найти приемлемое решение. Для достижения максимального снижения вносимых погрешностей следует поставить на место R2 потенциометр сопротивлением 14 000 ом. Однако при желании перемножать три величины с помощью трех каскадно соединенных потенциометров исключительно трудно подобрать потенциометры с возрастающими в геометрической прогрессии сопротивлениями. Поэтому в таких случаях мы воспользуемся более простым способом: между движком потенциометра R1 и резистивной обмоткой потенциометра R2 мы поместим усилитель, понижающий сопротивление, с коэффициентом передачи как можно ближе к единице и обладающим высоким входным и низким выходным сопротивлениями.

Н. — Я полагаю, что здесь ты используешь что-нибудь вроде эмиттерного повторителя или своего суперэмиттериого повторителя, схему которого ты изобразил для меня на рис. 50.

Операционные усилители

Л. — Совершенно верно. И раз мы уже начали говорить об аналоговой вычислительной технике, я покажу тебе, какой интерес могут представлять операционные усилители.

Н. — Вот новая категория усилителей, о которой я ничего не знаю!

Л. — И их ты знаешь значительно больше, чем думаешь. Дело в том, что так называют усилители с непосредственной связью, обладающие высоким коэффициентом усиления, очень высоким входным сопротивлением и очень низким выходным сопротивлением. Несколько позже мы рассмотрим, как такие усилители делают.

А теперь представь себе, что мы собрали усилитель по схеме, приведенной на рис. 151.

Рис. 151. Из-за глубокой отрицательной обратной связи коэффициент передачи усилителя становится равным — 1 (при этом следует считать, что напряжение в точке А почти равно нулю и что входной ток усилителя тоже ничтожно мал).

Усилитель имеет отрицательный коэффициент передачи; иначе говоря, он имеет на выходе отрицательное напряжение, когда на его вход подается положительное напряжение (очень небольшое, потому что коэффициент усиления имеет очень большую величину). Можешь ли ты сказать, какой ток протекает по резисторам R1 и R2, имеющим одинаковое сопротивление?

Н. — Ты так подчеркивал очень большое значение коэффициента усиления, что я предполагаю, что потенциал на входе А следует считать равным нулю. Тогда протекающий по резистору R1 ток будет A/R1, а ток, протекающий по резистору R2, будет A/R2.

Л. — Совершенно верно. А теперь скажи, пожалуйста, как относятся значения этих токов один к другому?

Н. — Не имею ни малейшего представления.

Л. — А ведь я тебе сказал, что входное сопротивление этого усилителя очень высокое. Следовательно, его входной ток практически равен нулю. Это означает, что протекающие по резисторам R1 и R2 токи равны между собой. А если резисторы R1 и R2 имеют одинаковое сопротивление, ты можешь сделать вывод, что Е = S.

Н. — Ты изрядно потрудился, чтобы еще раз дать мне объяснение отрицательной обратной связи.

Л. — Я очень рад, что ты ее узнал. Как ты видишь, такой усилитель позволяет произвести инверсию, т. е. получить для имеющегося напряжения равное ему, но с обратным знаком. Если в этих условиях сопротивление резистора R2 не было равно сопротивлению резистора R1, а было бы, например, в 5 раз больше его, то выходное напряжение стало бы в 5 раз больше входного; иначе говоря, мы можем получить удобное средство для умножения напряжения на 5.

Н. — Но все это в свое время ты мне уже объяснял, и я не вижу ничего нового.

Сложение

Л. — К этому мы сейчас подойдем. А теперь рассмотрим схему, приведенную на рис. 152.

Рис. 152. Эта схема дает выходное напряжение, по абсолютной величине равное (но с противоположным знаком) сумме трех входных напряжений.

Токи, протекающие по трем расположенным слева резисторам, соответственно равны E1/R, E2/R и E3/R. Ток, протекающий по расположенному справа резистору, равен, как мы только что установили, S/R. Потенциал точки А из-за очень высокого коэффициента усиления усилителя следует, как и раньше, считать равным нулю. Из-за высокого входного сопротивления поступающий на вход усилителя ток следует также рассматривать как равный нулю. Это означает, что сумма трех поступающих в точку А токов должна быть равна выходному току. Если при написании этого равенства из всех его членов убрать знаменатель R, то мы получим Е1 + Е2 + Е3 = S. Таким образом, мы получили напряжение, равное сумме трех напряжений.

Н. — Твоя схема очень хитрая. На мой взгляд, она несколько похожа на своеобразные весы. Если бы левое плечо коромысла состояло из трех реек равной длины и к каждой из них была подвешена чашка, то можно было бы сказать, что в висящие на тройном левом коромысле чашки мы положили равные гири Е1, Е2 и Е3 и что весы уравновешены лежащей в правой чашке гирей S, вес которой равен сумме весов гирь, лежащих в левых чашках.

Л. — Превосходная аналогия. Впрочем, можно сказать, что она применима и к схеме, изображенной на рис. 151. Потенциал точки А остается неизменным, потенциалы левого вывода резистора R1 и правого вывода резистора R2 изменяются пропорционально сопротивлениям этих резисторов. Это очень напоминает движение концов рычага, у которого точкой опоры служит точка А, а плечами которого соответственно служат сопротивления резисторов R1 и R2.

Н. — Ты дал мне способ, позволяющий сложить три напряжения…

Л. — Схемой с тремя входами я воспользовался лишь для примера. На практике же входов можно сделать столько, сколько их потребуется.

Н. — Ты меня неправильно понял. Я хотел сказать, что схема хорошо производит сложение, но меня интересует, как осуществить вычитание.

Л. — Очень просто. Для этого нужно воспользоваться схемой на рис. 151, подобрав резисторы R1 и R2 с одинаковым сопротивлением; в этих условиях положительному напряжению Е будет соответствовать равное ему по абсолютному значению отрицательное напряжение S. «Прибавление» этого напряжения S к другим напряжениям со схемы на рис. 152 соответствует его вычитанию из напряжения Е.

А теперь я хотел бы услышать, что ты думаешь о схеме, изображенной на рис. 153.

Рис. 153. Схема усилителя работающего как интегратор.

Интегратор

Н. — На вид она очень простая, но я не доверяю кажущейся простоте. Я полагаю, что, продолжая наши недавние рассуждения, можно считать потенциал точки А практически равным нулю. В этих условиях протекающий по резистору ток должен быть равен E/R. Однако это совершенно не соответствует действительности, так как ток не может идти на вход усилителя (входное сопротивление бесконечно велико). Ток должен идти через конденсатор, однако постоянный ток через конденсатор протекать не может.

Л. — В установившемся состоянии, разумеется, не может. Но я не вижу, что могло бы помешать в течение некоторого времени послать постоянный ток в конденсатор, чтобы его зарядить.

Н. — Верно, об этом я почему-то не подумал. Но твой конденсатор не может зарядиться: левая обкладка конденсатора имеет нулевой потенциал, а правая соединена с выходом усилителя!

Л. — Незнайкин, твоя форма явно ухудшилась — ведь выход усилителя не точка с постоянным потенциалом. По мере заряда конденсатора потенциал его правой обкладки будет снижаться. Как ты видишь, в каждый момент ток, заряжающий конденсатор, пропорционален напряжению Е, Какой вывод из этого можно сделать?

Н. — Я полагаю, что если напряжение Е поддерживать неизменным, конденсатор С будет заряжаться током постоянной величины, т. е. заряд конденсатора будет нарастать исключительно равномерно.

Л. — Я предпочитаю более точные выражения. Следует сказать, что конденсатор будет заряжаться по линейному закону. А что произойдет, если напряжение Е перестанет быть неизменным?

Н. — О, получится ужасная картина. Конденсатор станет накапливать полученный ток, сложит все это вместе и создаст страшную неразбериху.

Л. — Строго говоря, он не станет складываться, а сделает значительно лучше — он будет интегрировать. Полученное устройство представляет собой почти совершенную интегрирующую схему. Как ты помнишь, в свое время мы собрали интегрирующую схему всего лишь из одного резистора и из одного конденсатора (см. рис. 70). Ту схему можно использовать только в тех случаях, когда выходное напряжение S мало или даже ничтожно по сравнению с входным напряжением Е, чтобы напряжение на выводах резистора R можно было считать равным Е. В приведенной же на рис. 153 схеме напряжение на выводах резистора R всегда строго равно Е даже в тех случаях, когда выходное напряжение значительно. Следовательно, это совершенная интегрирующая схема.

Н. — Когда начинают говорить об интеграторах и подобных им устройствах, меня охватывает довольно сильное чувство беспокойства. Я думаю, что эта схема никогда не ходит одна. Когда я слышу об интегрирующей схеме, я полагаю, что и дифференцирующая находится где-то недалеко.

Л. — И ты прав. Дифференцирующую схему можно получить, если в схеме на рис. 153 поменять местами резистор и конденсатор. Как ты видишь, с помощью операционных усилителей мы можем производить умножение на постоянную величину, сложение, вычитание, а также можем интегрировать и дифференцировать.

Аналоговый умножитель

Н. — Да, но мне еще кое-чего не хватает. Если ты намерен с качестве исходных данных всегда использовать напряжение, то я не представляю себе, как можно одно напряжение умножить на другое. В «схеме Незнайкина» (см. рис. 148) используются не напряжения, а положения осей потенциометров.

Л. — В случае надобности мы можем использовать схему, которую ты с присущей тебе скромностью называешь «схемой Незнайкина». Для этого потребуется установить два сервомеханизма и с их помощью заставить умножаемые напряжения управлять движками потенциометров. Но имеются и другие методы и, в частности, метод, основанный на использовании эффекта Холла.

Н. — Этим эффектом ты называешь эхо, которое мы слышим в больших холлах или на вокзалах?

Л. — Незнайкин, будь, пожалуйста, посерьезнее. Эффект Холла заключается в появлении разности потенциалов между точками пластины из полупроводника, через которую проходит ток перпендикулярно направлению магнитного поля, как это показано на рис. 154.

Рис. 154. Эффект Холла. В пластине из полупроводника, помещенной в магнитное поле Н, при прохождении по ней электрического тока I2 между точками А и В появляется разность потенциалов, пропорциональная I2 и Н.

Ток протекает по пластине направо, а магнитное поле Н направлено сверху вниз. В этих условиях между точками А и В появляется разность потенциалов, которая пропорциональна протекающему по пластине току и напряженности магнитного поля. Если магнитное поле создается катушкой, по которой протекает ток I1, а по пластине проходит ток I2, то разность потенциалов между точками А и В пропорциональна произведению I1I2. Таким образом можно создать аналоговый умножитель.

Область применения аналоговой вычислительной техники

Н. — Это представляется мне довольно ясным, но я плохо понимаю прилагательное «аналоговый», которое ты уже несколько раз произнес.

Л. — Этим эпитетом обозначают целый класс вычислительных машин, оперирующих с непрерывно изменяющимися электрическими величинами. Эти величины представляют собой электрическую аналогию используемых в расчетах самых различных по своей природе величин. Например, если на вход изображенной на рис. 153 интегрирующей схемы подать напряжение, отображающее скорость движущегося предмета, то выходное напряжение представит собой электрическую аналогию пройденного этим предметом пути. Как ты видишь, используемый здесь метод коренным образом отличается от метода, который мы использовали в расчете по двоичной системе счисления. Цифровые вычислительные машины используют числа и производят с ними арифметические операции: каждое из этих чисел может изменяться только скачкообразно и представляет собой не аналоговый эквивалент явления, а численное выражение этого явления.

Н. — Я хорошо понял различие. Аналоговые машины представляются мне значительно более простыми и более симпатичными, чем цифровые. Устройство аналоговых машин понять намного легче.

Л. — Отчасти это верно. Но необходимо отметить, что аналоговые машины значительно уступают цифровым по точности производимых вычислений: получить 1 % довольно легко, а перешагнуть 0,1 % очень сложно. Иначе говоря, аналоговую технику можно рекомендовать в тех случаях, когда особой точности не требуется.

Устройство аналоговых вычислительных машин внешне проще, но не забывай, что создать операционный усилитель довольно сложно, так как в дополнение к исключительно высокому коэффициенту усиления (часто выше 100 000) он должен обладать еще целым рядом качеств, которые я тебе уже назвал.

Создание операционных усилителей

Н. — А как достигают такого результата?

Л. — Обычно используют один из модуляторов, отрезающих все или ничего, о которых я тебе уже говорил. Вместо механического модулятора чаще ставят модулятор на транзисторах или систему на фоторезисторах (резисторах, омическое сопротивление которых зависит от освещенности). Такие устройства могут иметь очень ограниченную полосу пропускания, что оказалось бы существенным препятствием для использования глубокой отрицательной обратной связи. Для предотвращения такой опасности используют довольно сложную схему, именуемую схемой Гольдберга, в которой переменную составляющую входного напряжения подают в заданную точку усилителя, а постоянную составляющую передают через предварительный усилитель, снабженный модулятором и детектором. Все это устройство достаточно сложно, но оно практически является наилучшим решением, способным обеспечить очень высокий коэффициент усиления, хорошую стабильность и дать возможность применять очень глубокую отрицательную обратную связь. Не забывай, что в приведенной на рис. 151 схеме при R1 = R2 я устанавливаю коэффициент отрицательной обратной связи, равный коэффициенту усиления усилителя, а я тебе уже говорил, что он может быть порядка 100 000.

Н. — Теперь я понял, почему ты всегда говорил, что потенциал входа А следует считать ничтожно малым. Но я также понял, что эти операционные усилители ужасно сложны и, по-видимому, очень дороги.

Л. — И ты не ошибся, Незнайкин. Эти усилители в самом деле очень дороги, а в большой аналоговой вычислительной машине их может быть очень много.

Использование аналоговых вычислительных машин

Н. — Я не очень хорошо понимаю, почему их столько нужно. Не можешь ли ты на примере объяснить мне возможности аналоговых вычислительных машин?

Л. — Как ты знаешь, в механике существуют качающиеся системы. Всякое обладающее массой тело, удерживаемое в каком-либо определенном положении пружиной, воздействующей на него с силой, пропорциональной расстоянию между положением тела и собственным положением покоя, начинает качаться, если его силой сдвинуть с занимаемого им положения. В одной машине может быть несколько таких систем. Так, например, когда ты одним колесом своей микролитражки въезжаешь на тротуар, смещение колеса вверх передает определенный импульс на колеса. На самом колесе имеется амортизированная качающаяся система, которую ты называешь барабаном. Колесо соединяется с корпусом автомобиля подвеской, которая служит второй качающейся системой. Толчок, вызываемый въездом на тротуар, смягчается эластичным устройством — шиной. С помощью схем, состоящих из конденсаторов и катушек, мы можем имитировать качающиеся системы, а их механические амортизаторы можно имитировать последовательно включенными резисторами; таким образом, мы создадим электрические аналоги наших механических систем. Для имитирования въезда на тротуар мы подадим соответствующий электрический импульс на всю совокупность используемых схем, которая представляет автомобиль (а вернее, его поведение).

Н. — Это в самом деле очень хорошо. Таким образом мы устраняем риск повреждения шины.

Вычисления в «нереальном времени»

Л. — Это не единственное положительное качество. При моделировании мы можем изменять масштаб времени. Электрическое явление в точности соответствует поведению механической системы (например, напряжение на определенном электроде воспроизводит движение автомобиля во времени), но происходит оно в другом масштабе времени. Или, как говорят кинорежиссеры, совсем не обязательно работать в «реальном времени». Поэтому мы, например, можем сделать так, что электрические процессы будут протекать медленнее воспроизводимого ими явления, что облегчит запись выходного напряжения. В других же случаях может понадобиться, наоборот, ускорить эволюцию электрического эквивалента изучаемого явления.

Н. — В этом я не вижу никакой пользы, ведь намного интереснее получить возможность внимательно, не торопясь проследить за ходом развития явления.

Л. — Да, если это очень быстрое явление. Но может понадобиться исследовать и какую-либо очень медленную эволюцию. Как, например, проследить за работой большого парового котла, питающего турбину. Изменение огня в топке из-за значительной тепловой инерции котла скажется на давлении пара только через значительное время. Поэтому очень интересно создать аналоговую модель котла и турбины, позволяющую в любой момент узнать, как будет реагировать вся установка на уменьшение или увеличение подачи угля на одну лопату. Проводя такой ускоренный предварительный анализ поведения установки, мы получаем возможность расходовать топливо с максимальной рентабельностью.

Н. — По сути дела, это современный вариант хрустального шара колдунов — с помощью своего метода ты прекрасно предсказываешь будущее!

Л. — Ты преувеличиваешь — я могу «предсказать будущее» лишь в той мере, в какой оно строго подчиняется простым математическим законам. Только в этом случае имеется возможность экстраполировать во времени последствия относительно ограниченного действия.

Н. — До того момента, когда все электронные автоматы восстанут против своих творцов.

Л. — Я попрошу тебя! Пожалуйста, не заимствуй дурной насыщенный стиль у бульварной прессы! Не забывай, что ни одна электронная машина не даст тебе того, что ты в нее не вводил. Она также не может восстать или попытаться проглотить своего конструктора, как автомобиль, в котором никого нет, не может сам броситься в погоню за своим водителем. Успокойся, Незнайкин, мы ознакомились со многими вопросами электроники, а в этой науке мне больше всего нравятся ее удивительные возможности помочь человеку. Электроника обеспечит прогресс техники, который сегодня нельзя даже представить себе, но который в значительной мере пойдет на благо человечеству,

Н. — Если ты перешел к таким большим обобщениям, я должен сделать вывод, что мы закончили нашу беседу.

Л. — Нам еще предстоит об очень многом поговорить. Я предлагаю тебе, Незнайкин, подумать пару недель, а затем вновь прийти ко мне, чтобы разом и в любом порядке задать мне вопросы по всем темам, которые кажутся тебе наиболее сложными. Я надеюсь, что таких вопросов окажется не очень много и мы быстро покончим со всем, что осталось неясным.

Более 800 000 книг и аудиокниг! 📚

Получи 2 месяца Литрес Подписки в подарок и наслаждайся неограниченным чтением

ПОЛУЧИТЬ ПОДАРОК