Беседа восьмая УМНОЖЕНИЕ И ДЕЛЕНИЕ ЧАСТОТЫ
Заразившись ненасытным желанием деформировать сигналы, Незнайкин узнает способы умножения, а затем деления частоты, что побуждает Любознайкина рассказать ему о мультивибраторе. Рассуждения о делении на четные числа подготавливают Незнайкина к мысли о существовании триггера, который путем «гибридизации» с мультивибратором дает схему с одним устойчивым состоянием. Незнайкин поддается соблазну заменить эту схему (при использовании ее в качестве «задержки импульсов») схемой «опережения импульса» (разумеется, системы Незнайкина).
Незнайкин — Дорогой Любознайкин, мне кажется, что, стараясь с присущей тебе изощренностью максимально деформировать сигнал, ты тем не менее проявил непонятную скромность.
Любознайкин — Я уже говорил тебе, что дело не в изощренности, а в электронике. Внеся справедливости ради эту поправку, я все же хочу знать, в чем я согрешил.
Н. — Своими преобразованиями ты настолько исказил форму сигналов, что теперь породивший их генератор не сможет узнать своих детей, но тем не менее, а может быть и вопреки своему желанию, ты сохранил частоту сигналов.
Л. — О, если речь идет только об этом, то, чтобы доставить тебе удовольствие, мы сейчас поговорим об умножении и делении частоты…
Н. — Вряд ли стоит заниматься этим вопросом только ради моего удовольствия, так как предчувствую, что это должно быть дьявольски сложно.
Л. — «Сложно» не то слово, можно сказать труднодоступно для понимания и даже больше… Ты когда-нибудь слышал об устройствах, умножающих частоту?
Н. — Никогда, и я даже не вижу, для чего они могли бы понадобиться.
Умножение частоты
Л. — Ну, хорошо, сейчас ты это увидишь. Тебе, конечно, приходилось пользоваться кварцевым генератором?
Н. — Да, и я даже сделал один такой генератор, и он до сих пор работает достаточно хорошо. Кварцевый генератор дает исключительно стабильную частоту, что в нашем мире с его непрерывными изменениями вселяет некоторую уверенность.
Л. — А какую, по-твоему, наиболее высокую частоту можно получить при кварцевой стабилизации?
Н. — О, у меня никогда не возникало потребности в частотах выше 3 или 4 Мги,
Л. — Ты может быть при необходимости и нашел бы кварц, работающий на частоте в два десятка мегагерц, но на более высокие частоты, во всяком случае, например, для частоты 185,25 Мгц, сделать кварц очень трудно.
Н. — Но я совершенно не вижу, какой интерес может представлять такая частота!
Л. — Из этого я могу заключить, что ты никогда не смотрел телевизионные передачи. А ведь частоту передатчика телевизионных сигналов тоже полезно стабилизировать кварцем.
Н. — Транзистор меня побери! Об этом-то я и не подумал. И ты думаешь, что заказанный специально для частоты 185,25 Мгц кварц можно непосредственно использовать в передатчике?
Л. — Конечно, нет. Чем выше частота, на которой должен работать кварц, тем тоньше он должен быть; а на нашей частоте 185,25 Мгц он был бы очень тонкий…
Н. — Вероятно, как иллюзии…
Л. — Незнайкин, вместо измышлений, достойных астролога — предсказателя судьбы, ты бы лучше подумал, что сделать кварц толщиной в несколько микрон невозможно. Поэтому нам придется ограничиться кварцем, дающим частоту значительно ниже требующихся 185,25 Мгц.
Н. — В этом случае, мой дорогой друг, я с сожалением вынужден сказать, что раз кварц не дает нужную для передатчика частоту, я ровным счетом ничем помочь не могу.
Л. — Позволь мне возразить тебе, дорогой Незнайкин, я могу удовлетвориться кварцем со значительно меньшей частотой, если я способен умножить эту частоту в целое число раз.
Н. — Издалека же ты привел меня к этому. Предполагаю, что теперь ты объяснишь мне, как умножают частоту. Признаюсь, что эта проблема меня уже изрядно заинтриговала.
Л. — Дело значительно проще, чем ты думаешь. Ты, разумеется, слышал о колебательных контурах. Как тебе известно, в устройстве, состоящем из конденсатора и катушки индуктивности, при возбуждении электрическим импульсом возникают собственные колебания, частота которых определяется по формуле
Предположим, что мы сделали колебательный контур с частотой собственных колебаний 10 Мгц. Начнем возбуждать этот контур короткими электрическими импульсами с частотой повторения 1 Мгц. При каждом импульсе в нашем контуре возникают колебания с частотой 10 Мгц, которые имеют тенденцию затухать, т. е. их амплитуда уменьшается. В момент конца десятого колебания приходит новый импульс, придающий колебаниям «новые силы» (рис. 75), и цикл вновь повторяется.
Рис. 75. Импульсы с частотой 1 Мгц через каждые десять периодов возбуждают колебания в колебательном контуре, настроенном на частоту 10 Мгц. Частота выходного напряжения колебательного контура в 10 раз выше частоты возбуждающих импульсов.
Н. — Но здесь нет настоящего умножения частоты.
Л. — Так что же тебе надо? Я ввожу в схему импульсы с частотой 1 Мгц и получаю колебания с частотой 10 Мгц.
Н. — Да, до сих пор я внимательно следил за твоими объяснениями, но частоту 10 Мгц дает колебательный контур, и согласись, она не связана никаким соотношением с частотой воздействующих на контур импульсов.
Управление с помощью контура
Л. — Действительно никакого соотношения не было бы, если бы я не настроил умышленно колебательный контур так, что его собственная частота стала точно в 10 раз выше частоты приложенных колебаний. Теперь же новый импульс, придающий колебаниям «новые силы», дает этот толчок как раз в тот момент, когда должен кончиться десятый период. Таким образом, мы получили частоту 10 Мгц, которая как бы «управляется» импульсами с частотой повторения 1 Мгц. А теперь представь себе, что частота следования этих импульсов увеличивается на 0,5 %. Каждый подаваемый внешний импульс будет немного раньше «толкать» контур, частота собственных колебаний которого равна 10 Мгц. В результате этого выходная частота повысится тоже на 0,5 %. Само собой разумеется, что подобная система допускает только очень небольшие изменения входной частоты. Принимая во внимание, что речь идет об умножении на постоянное число частоты, стабилизированной кварцем, можно быть уверенным, что изменения этой частоты всегда очень невелики.
Н. — Хорошо, я согласен, что это действительно умножение частоты. Но одно в твоей системе меня шокирует: если для получения исходной частоты мне придется использовать стабилизированный кварцем генератор, то я сделаю все, чтобы он давал синусоидальное напряжение. Тогда он не сможет дать импульсы, способные возбудить колебательный контур.
Л. — Незнайкин, а разве ты забыл, о чем мы говорили прошлый раз? Неужели ты думаешь, что триггер Шмитта, дифференцирующая и другие схемы были изобретены только для того, чтобы доставлять неприятности Незнайкину? Ими также можно воспользоваться.
Н. — Должен признаться, что сейчас я о них как-то забыл. Но все эти устройства представляются мне относительно сложными.
Л. — Ты действительно считаешь сложными устройства, состоящие из двух в высшей степени рядовых транзисторов и четырех резисторов и требующие для настройки одну или две минуты, если только вообще здесь можно говорить о настройке? Если ты, Незнайкин, останавливаешься на этом, то я предпочитаю немедленно отправиться спать.
Апериодическое умножение
Н. — Ну хорошо, предположим, что я этого не говорил. Но… прости мою ужасную привычку всегда выискивать возражения… Я все же нахожу довольно прискорбным, что система умножения частоты требует на входе такой высокой стабильности. Не можешь ли ты показать умножающую систему, допускающую значительные изменения входной частоты?
Л. — Незнайкин, найди мне одну такую систему, и я гарантирую, что на этот раз ты сможешь получить столь желанный патент и несомненно заработаешь на нем кучу денег (вернее, дашь возможность заработать деньги фирмам, которые будут выпускать по этому патенту аппаратуру). Но чтобы тебя несколько утешить, я могу познакомить тебя с более простыми способами умножения частоты. Результаты, правда, не сенсационные, но способы позволяют осуществлять умножение при больших изменениях входной частоты. Я даже уверен, что ты уже производил удвоение частоты.
Н. — Э! Конечно, нет! Ведь я-то бы знал.
Л. — И ты несомненно это знаешь. Тебе, конечно, доводилось собирать на двух вентилях выпрямитель для получения постоянного напряжения от сети?
Н. — О, разумеется, но этот случай очень далек от удвоения частоты. Я использую ток с частотой 50 гц и получаю ток с частотой 0 гц… Если ты называешь это удвоением, то мне остается только склониться перед твоей мудростью.
Л. — Я имел в виду не то, что ты получаешь после фильтра, а то, что можно наблюдать до фильтра. Так как вентили работают поочередно, каждый в течение своего пол у периода, то на выходе фильтра ты обнаружишь напряжение с частотой, равной удвоенной частоте сети (рис. 76), иначе говоря 100 гц.
Рис. 76. Двухполупериодное выпрямление переменного напряжения 50 гц удваивает основную частоту, так как частота импульсов выпрямленного напряжения (тока) равна 100 гц.
Н. — Но это напряжение незначительно; сглаживающий фильтр и установлен там, чтобы убрать эту составляющую.
Л. — Да, но если ты не поставишь никакого фильтра, то получишь выпрямленное напряжение, состоящее из импульсов, соответствующих двум полупериодам, которые в основном содержат переменное напряжение частоты 100 гц% наложенное на постоянную составляющую.
Н. — Согласен, что частота этих импульсов напряжения равна 100 гц, но форма напряжения чрезвычайно далека от синусоиды.
Л. — Но я никогда и не говорил, что это синусоида. Если внимательно проанализировать полученное напряжение, то кроме постоянной составляющей и переменной составляющей с частотой 100 гц можно обнаружить гармоники, которые и придают кривой такую странную форму. Впрочем, с помощью фильтра очень легко устранить гармоники и оставить одну переменную составляющую с частотой 100 гц.
Н. — Хорошо, но если там имеется фильтр, система не годится для применения на всех частотах.
Л. — Полностью согласен, но я никогда не претендовал, что показываю тебе абсолютно универсальный удвоитель частоты.
Каскадное умножение
Н. — Но тогда твое отфильтрованное напряжение 100 гц можно было бы подать на другую аналогичную систему, полученные 200 гц вновь отфильтровать и в свою очередь…
Л. — Браво, Незнайкин, ты прекрасно понял, что часто целесообразно производить несколько последовательных умножений частоты. Так, например, для получения колебании с частотой 185,25 Мгц, о которых я тебе уже говорил, лучше всего воспользоваться кварцевым генератором с частотой 10,29 Мгц.
Утроив частоту методом, использующим колебательный контур, настроенный на третью гармонику кварца, с которым я тебя уже познакомил, получим 30,87 Мгц. Подадим колебание с полученной частотой на вход усилителя, работающего в режиме насыщения и имеющего тенденцию выдавать не столько импульсы, сколько гармоники. Колебательный контур, настроенный на его третью гармонику, позволит выделить колебание с частотой 92,62 Мгц. Удвоив ее, получим требующуюся нам частоту 185,25 Мгц (рис. 77).
Рис. 77. Кварцевый генератор, работающий на частоте 10,29 Мгц, в сочетании с двумя утраивающими и одним удваивающим частоту каскадами дает частоту 185,25 Мгц с такой же стабильностью, что и кварцевый генератор, хотя кварцев на такую частоту нет.
Деление частоты
Н. — Если частоту сигнала можно умножить, то вполне законно предположить, что ее можно и разделить. Это правильно, Любознайкин?
Л. — Ты сделал правильный вывод. Я бы даже сказал, что разделить частоту легче, чем умножить. Для этого существует несколько способов, и мы последовательно рассмотрим основные из них. Если частота изменяется относительно мало, можно взять импульсный генератор и синхронизировать его подлежащей делению частотой.
Мультивибратор
Н. — Что ты называешь импульсным генератором?
Л. — Например, мультивибратор. Принцип работы этого устройства проще, чем ты думаешь. Его схему я подготовил для тебя на рис. 78.
Рис. 78. Мультивибратор на двух транзисторах. Транзисторы поочередно запираются и отпираются: когда один из них заперт, другой находится в состоянии насыщения и наоборот.
Н. — Действительно, при рассмотрении схема не производит впечатления сложной. Но теперь я не очень доверяю твоим подобным заявлениям. Можно сказать, что это двухкаскадный усилитель, выход которого замкнули на вход.
Л. — Абсолютно верно, и именно по этой причине устройство начинает генерировать. Вспомни, что я рассказывал тебе о дифференцирующих схемах, и ты довольно легко поймешь, как работает новая. Предположим, что вначале ток проводит транзистор Т1 и что он находится даже в состоянии насыщения. Схема между его коллектором, эмиттером и базой оказывается как бы замкнутой накоротко. Мы должны предположить, что в этот момент транзистор Т2 заперт, так как напряжение на его базе отрицательное. В этих условиях протекающий по резистору R4 ток, разряжая конденсатор С2, стремится снизить отрицательный потенциал базы этого транзистора (и даже сделать его положительным). В один прекрасный момент база Т2 становится положительной…
Н. — Тогда этот транзистор тоже начинает пропускать ток и также достигает состояния насыщения, и на этом все останавливается.
Л. — He торопись, Незнайкин. Если транзистор Т2 начнет проводить ток, то потенциал его коллектора, который был равен +E, резко упадет до нуля. Это резкое изменение через конденсатор С1 будет полностью передано на базу транзистора Т1. База резко станет отрицательной, и транзистор Т1 окажется запертым. Одновременно с этим повышение потенциала коллектора транзистора Т1 приводит к заряду конденсатора С2 и тем самым поможет транзистору Т2 достичь состояния насыщения.
Так как база транзистора Т1 имеет отрицательный потенциал, протекающий по резистору R3 ток разряжает конденсатор С1 и повышает потенциал базы Т1 до тех пор, пока он достигнет небольшого положительного значения. В этот момент транзистор Т1 начнет пропускать ток, что вызовет запирание транзистора Т2, и все начнется сначала. На рис. 79 я нарисовал тебе изменения напряжений на коллекторах и на базах обоих транзисторов.
Н. — Я примерно догадываюсь, как это происходит. По сути дела напряжения на базах имеют примерно такую же форму, как и на рис. 69, и это вполне нормально, потому что эти напряжения получены после цепочек связи, состоящих из конденсаторов и резисторов. Но меня изрядно удивляет форма напряжений на коллекторах. Почему напряжение так медленно повышается и так резко падает?
Л. — Медленный подъем кривой объясняется очень просто. Когда, например, транзистор Т1 запирается, потенциал его коллектора не может быстро повышаться, так как для этого конденсатор С2 должен зарядиться через резистор R1. Это придает кривой, о которой ты говоришь, закругленную форму.
А когда транзистор, например Т1, резко отпирается, то схема по его коллектору как бы замыкается накоротко. Этим и объясняется большая крутизна спада напряжения на коллекторах, которую можно видеть на кривых изменения потенциалов коллекторов Т1 и Т2. Кроме того, не следует забывать, что обе базы транзисторов не могут одновременно стать положительными. Как только база оказывается под малым положительным потенциалом, переход база — эмиттер становится проводящим, образуя настоящее короткое замыкание на корпус. Этим и объясняются горизонтальные участки кривых напряжений обеих баз на рис. 79.
Рис. 79. Форма напряжений показанного на предыдущем рисунке мультивибратора.
Можно было бы еще очень много рассказать о мультивибраторе, но твоих знаний уже достаточно, чтобы иметь возможность использовать его в качестве делителя частоты.
Условия насыщения
Н. — Прежде чем заняться делением частоты, я хотел бы задать один вопрос. Ты сказал, что транзисторы Т1 и Т2 находятся в состоянии насыщения, когда работают. Я тебе верю, но хотел бы знать, почему.
Л. — Задавая этот вопрос, ты абсолютно прав. Предположим, например, что сейчас ток проводит транзистор Т1. Ток его базы проходит через резистор R3. Потенциал базы почти равен потенциалу эмиттера, как это бывает в любом незапертом транзисторе. Следовательно, падение напряжения на резисторе R3 практически равно +Е. Значит, протекающий по этому резистору ток, т. е. ток базы транзистора Т1 приблизительно равен E/R3.
Кроме того, если этот транзистор находится в состоянии насыщения, потенциал его коллектора практически равен нулю, а ток коллектора приблизительно равен E/R1. Поэтому для выполнения условия насыщения достаточно иметь такой коэффициент усиления транзистора по току (который мы обозначаем буквой β), чтобы произведение тока базы E/R3 на β было больше максимального тока, который сможет пропустить коллектор, т. е. 
Возьмем для наглядности числовой пример. Пусть коэффициент усиления транзистора по току β = 30. Тогда для выполнения условия насыщения произведение 30·(Е/R3) — должно быть больше E/R1, для чего достаточно, чтобы сопротивление резистора R3 было меньше 30·R1.
Н. — До сих пор я внимательно следил за тобой, но имеется еще один момент: ты пренебрегаешь токами, которые могут поступать или уходить с баз или коллекторов вследствие зарядов или разрядов конденсаторов.
Л. — Они только упорядочивают работу схемы. Например, когда конденсатор C1 заряжается через резистор R2, зарядный ток прибавляется к току, поступающему на базу транзистора Т1 через резистор R3. Как ты видишь, он просто улучшит положение.
Синхронизация
Л. — А теперь я воспользуюсь диодом Д1, который до сих пор оставался без дела, чтобы подать на коллектор Т1 отрицательный импульс из точки А через конденсатор С3.
Н. — А какую роль играет резистор R5?
Л. — Этот резистор просто-напросто устанавливает средний потенциал катода диода Д1 на уровне +Е. Поэтому диод может проводить ток только при запертом транзисторе Т1 (потому что это повышает потенциал коллектора транзистора Т1 и потенциал анода диода до уровня +Е), когда катод этого диода стал отрицательным под воздействием поступающего через конденсатор С3 импульса.
Н. — Но это ужасно! Если ты таким образом подашь импульс на коллектор транзистора Т1, то полностью нарушишь работу схемы!
Л. — Должен признаться, что именно это я и намерен сделать. Предположим, например, что мультивибратор имеет тенденцию работать с частотой повторения 100 гц. Подадим ему в точку А отрицательные импульсы с частотой 330 гц. Предположим для начала, что первое срабатывание мультивибратора, совпадающее с резким падением потенциала на коллекторе транзистора Т1 произойдет точно в момент поступления импульса в точку А.
Есть все основания полагать, что когда в точку А придет следующий импульс, транзистор Т1 еще будет в состоянии насыщения. Поэтому приложенный на катод диода импульс не будет передан. Следующий импульс может застать транзистор Т1 в состоянии насыщения и также не вызовет никакого результата. Третий импульс придет в момент, когда мультивибратор вот-вот самопроизвольно опрокинется; Т1 еще заперт, а база транзистора Т2 почти готова открыться. Этот третий импульс опрокинет мультивибратор на какое-то мгновение раньше, чем он сделал бы это сам. Три периода сигнала с частотой 330 гц занимают времени чуть меньше одной сотой доли секунды. Через три следующих импульса картина повторяется во всех мельчайших подробностях; поступивший в точку А импульс вызовет опрокидывание мультивибратора немного раньше положенного ему срока. Таким образом, наш мультивибратор станет работать несколько быстрее, чем если бы ему предоставили полную свободу действий. Он станет давать сигналы с частотой 110 гц, т. е. с частотой, ровно в 3 раза меньшей приложенной (рис. 80).
Рис. 80. Подаваемые в точку А синхронизирующие импульсы вызывают опрокидывание мультивибратора несколько раньше момента его самопроизвольного опрокидывания. В результате мультивибратор дает сигналы с частотой в 3 раза ниже частоты подаваемых в точку А синхронизирующих импульсов.
Н. — Ну, с этим я не согласен. В первый раз, когда мы применением грубой силы заставим мультивибратор сработать преждевременно, неизбежно произойдет какая-то деформация мультивибратора. При повторном проявлении насилия следующая деформация наложится на первую. И через два или три периода мультивибратор вообще откажется подчиняться.
Л. — Как раз нет, Незнайкин. Мультивибратор не обладает памятью. Каждый раз после срабатывания, как самопроизвольного, так и вызванного внешним импульсом, мультивибратор оказывается в строго определенном состоянии, которое не зависит от вызвавшей его опрокидывание причины.
Н. — Если я правильно понял, твой мультивибратор не помнит зла.
Л. — Радиоэлектроника не располагает средствами психоанализа, которые позволили бы определить настроение мультивибраторов. Говоря проще на языке техники, они не имеют запоминающего устройства. Впрочем, это очень полезное для нас свойство.
Стабильность деления
Н. — Это действительно не кажется мне очень сложным. Но что произойдет, если я изменю частоту подаваемых в точку А импульсов? Например, если увеличу частоту до 400 гц?
Л. — Может быть, система еще будет действовать, и мультивибратор согласится ускорить ритм своей работы до 400 гц: 3 = 133 гц. Но может случиться и так, что после опрокидывания синхронно с одним импульсом к моменту прихода следующего импульса мультивибратор еще не станет чувствительным к пусковому импульсу. В этих условиях он не признает третьего импульса и сработает на четвертом, который поступает точно в тот момент, когда мультивибратор должен был опрокинуться самопроизвольно. Тогда система будет делить подаваемую частоту не на три, а на четыре.
Н. — Так, значит, система не очень стабильна?
Л. — Она стабильна, если не очень сильно изменять подлежащую делению частоту. Такая система не пригодна для деления любой частоты в одно и то же число раз. Если подаваемая на вход частота изменяется в небольших пределах, то ты получишь превосходный делитель частоты.
Н. — Теперь-то я знаю, где мне использовать это устройство; уже давно мне хотелось сделать делитель на 819, чтобы превратить строчную частоту в кадровую[12]. Для этого я сделаю мультивибратор с собственной частотой срабатывания около 25 гц, вернее, немного меньше (как ты мне объяснил, синхронизация может только ускорить ритм), и подам на него импульсы с частотой строчной развертки.
Л. — Если тебе удастся осуществить свои планы, я готов преподнести тебе в лучшем ресторане фаршированную трюфелями курицу. Но сначала скажи, каким образом намерен ты сделать свои мультивибратор настолько хитрым, что он сработает не на 818-м, а именно на 819-м импульсе? Ведь состояние мультивибратора между этими двумя импульсами изменится настолько незначительно, что для обеспечения стабильности потребуется просто ювелирная регулировка.
Однако, сказанное не означает, что сделать делитель, уменьшающий поступающую частоту в 819 раз, невозможно, только делить ее придется в несколько приемов; ты может быть заметил, что 819 представляет собой произведение трех сомножителей: 9, 7 и 13. В первом каскаде ты разделишь свою частоту на 9. Полученные на первом мультивибраторе импульсы подашь на второй, который разделит их частоту на 7; второй каскад соединишь с третьим, который разделит подаваемую ему частоту на 13. И на этой третьей ступени деления ты, вероятно, столкнешься с наибольшими трудностями.
Н. — Если я правильно понял, ты, Любознайкин, просто суеверный человек — ты боишься числа 13…
Л. — Заверяю тебя, что суеверие здесь ни при чем. Я проявил бы еще больше беспокойства, при делении на 15 или 17. Ибо чем выше коэффициент деления, тем труднее осуществить деление; ведь наш мультивибратор не имеет права опрокинуться на двенадцатом импульсе, а обязан наверняка сработать на тринадцатом. В принципе это возможно, хотя и не так легко осуществить. Для подобных делений используют более сложные схемы, о которых сейчас я предпочитаю не говорить, так как это увело бы нас слишком далеко.
Деление на четное число
Н. — Согласен, спасибо за твои объяснения, но у меня появился один вопрос. Когда ты говорил о числе 13, ты заметил, что еще большее беспокойство вызвало бы у тебя деление на 15 или 17. Почему ты назвал только нечетные числа?
Л. — Очень хорошо, что ты обратил внимание на это обстоятельство. Для деления на четные числа существует очень хитрое устройство, обладающее лучшей стабильностью. Посмотри на схему, которую я начертил для тебя на рис. 81. Я не нарисовал остальную часть мультивибратора; скажу только, что он выполнен очень тщательно для достижения максимальной симметрии, т. е. чтобы в отсутствие синхронизирующих импульсов оба транзистора в каждый период оставались запертыми строго одинаковое время, и мультивибратор вырабатывал очень симметричные сигналы. Для достижения такой цели стараются сделать в пределах возможного одинаковыми по величине резисторы R3 и R4 (см. рис. 78) и конденсаторы С1 и С2. Величины R1 и R2 имеют меньшее значение.
Рис. 81. Включение в схему двух диодов позволяет симметрично подавать сигналы на вход мультивибратора, чтобы синхронизировать каждое опрокидывание схемы и делить подаваемую частоту на четное число.
Н. — Я предполагаю, что ты постараешься также подобрать транзисторы с возможно одинаковыми параметрами.
Л. — Это, конечно, не повредит, но и пользы особой не принесет, так как наши транзисторы при переходе от запертого состояния к состоянию насыщения работают как прерыватели.
Предположим, что наш мультивибратор имеет тенденцию работать на частоте примерно 90 гц. Подадим ему в точку А отрицательные импульсы с частотой 400 гц. Они одновременно подаются в катоды диодов Д1 и Д2. Пропустить импульс может только тот диод, чей анод соединен с запертым транзистором. Предположим, что один из этих импульсов опрокинул мультивибратор, заперев транзистор Т1, и приведя в состояние насыщения транзистор Т2. Следующий импульс может дойти до коллектора транзистора Т1, потому что его потенциал равен +Е. Но этот импульс приходит через 1/400 сек после срабатывания мультивибратора, т. е. задолго до момента его очередного самопроизвольного опрокидывания, и если посланный импульс имеет правильно выбранную амплитуду, его окажется недостаточно для переброса схемы. Следующий импульс поступает через 1/200 сек после опрокидывания, т. е. незадолго до момента, когда мультивибратор опрокинулся бы самопроизвольно (напомню, что наш мультивибратор симметричный и каждое самопроизвольное опрокидывание происходит точно через 1/180 сек после предыдущего). Следовательно, этот второй импульс вызовет срабатывание мультивибратора; в результате транзистор Т1 перейдет в состояние насыщения, а транзистор Т2 будет заперт. Теперь передавать импульсы будет диод Д2. Рассмотренная нами картина начнет повторяться; первый импульс не пройдет, вернее его воздействие не будет иметь последствий, и только следующий после него импульс вызовет новое опрокидывание схемы.
Н. — Но этого не может быть, твой мультивибратор запускается каждым вторым импульсом, т. е. он должен работать с частотой 200 гц.
Л. — Не забыл ли ты, дорогой Незнайкин, что полный период работы мультивибратора соответствует двум опрокидываниям. Имеется своего рода опрокидывание «туда» и опрокидывание «обратно». Иначе говоря, вполне нормально, что наш мультивибратор опрокидывается 200 раз в 1 сек, а его истинная частота равна 100 гц.
Н. — Еще раз я не подумал, как следует! Ты в самом деле прав. Но это чрезвычайно симпатично. Хотя частота делится на 4, мультивибратор запускается каждым вторым поступающим на вход импульсом, что несомненно повышает стабильность его работы.
Л. — Разумеется, именно поэтому я только что сказал тебе о трудности делить на 13 и тем более на 15 или на 17… А вот разделить на 14 было бы значительно легче, чем на 13.
Деление на 2
Н. — Вот о чем я сейчас подумал: если потребовалось бы разделить частоту на 2, работа была выполнена бы почти безукоризненно, так как мультивибратор срабатывал бы от каждого поступающего на вход импульса.
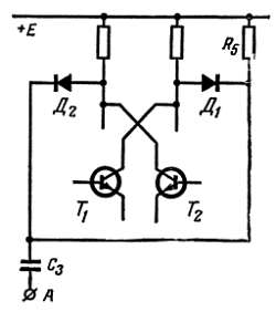
Л. — Ты совершенно прав, Незнайкин. Но сейчас я расскажу тебе о совершенно безупречном способе деления на 2, который никак не зависит от частоты. Я познакомлю тебя с новым устройством — с триггером с двумя устойчивыми состояниями, носящим еще название триггера Экклеса — Джордана. Вот тебе схема этого устройства (рис. 82).
Рис. 82. Схема триггера с двумя устойчивыми состояниями; диоды пропускают синхронизирующий импульс на тот из транзисторов, который находится в состоянии насыщения.
Н. — Ой, ой! Какая она сложная!
Л. — Может быть и сложная, но разобраться в ней совсем нетрудно. Здесь ты увидишь некоторую аналогию с мультивибратором (см. рис. 78). Когда один из транзисторов пропускает ток, он напряжением своего коллектора воздействует на базу другого транзистора. В отличие от мультивибратора здесь мы имеем прямую связь между каждым коллектором и базой противоположного транзистора. Так, например, если ток пропускает транзистор Т1 (если возможно в состоянии насыщения), потенциал его коллектора очень низкий. С помощью делителя напряжения R3 — R4 он придает потенциалу базы Т2 небольшую отрицательную величину, что надежно запирает транзистор Т2. Но когда запертым оказывается транзистор Т1, потенциал его коллектора близок к +Е и делитель из резисторов R3 — R4 будет стремиться создать на базе Т2 положительное напряжение. Как только база станет положительной, ток базы подрежет сверху напряжение, подводимое к ней через резисторы R3 и R4.
Н. — Уф, хотя я и очень внимательно следил за твоим рассказом, числовой пример принес бы мне немалую пользу.
Режимы работы триггера с двумя устойчивыми состояниями
Л. — Согласен, я полагаю, что ты будешь доволен, если посмотришь на рис. 82; там в скобках я указал напряжение питания +Е, равное 12 в, напряжение смещения — Uc (в нашем случае — 6 в), а также номиналы резисторов. Предположим, что ток пропускает транзистор T1, находящийся в состоянии насыщения. Отсюда следует, что потенциал его коллектора упал почти до нуля, а ток коллектора близок к 4 ма, потому что питание на этот коллектор подается от источника с напряжением 12 в через резистор R1 с сопротивлением 3 ком. Два равные по сопротивлению резистора R3 и R4 создают на базе Т2 потенциал, близкий к —3 в, т. е. транзистор Т2 надежно заперт.
А теперь предположим, что заперт транзистор T1. Тогда потенциал его коллектора близок к +12 в, делитель из резисторов R3 — R4 стремится повысить потенциал базы транзистора Т2 до +3 в. Само собой разумеется, что напряжение на этой базе достигнет лишь +0,3 в (обычное значение напряжения база — коллектор в нормально проводящем германиевом триоде). В этих условиях легко рассчитать, какой ток поступает на эту базу через резисторы R1 и R3 общим сопротивлением 23 ком; ток имеет величину: 12 в: 23 000 ом = 0,00052 а или 0,52 ма. В то же время через резистор R4 течет ток, равный 6 в: 20 000 ом = 0,0003 а или 0,3 ма. База же получает разность этих токов или 0,52 ма — 0,3 ма = 0,22 Если коэффициент усиления транзистора по току превышает 20, можно с уверенностью сказать, что мы довели транзистор до состояния насыщения, ибо максимальный ток его коллектора равен 4 ма.
Н. — Хорошо, теперь я действительно вижу, что когда один из транзисторов твоей схемы пропускает ток, он запирает другой и, наоборот, запертый транзистор приводит другой в состояние насыщения. Но как узнать, какой из транзисторов будет заперт и какой будет находиться в состоянии насыщения?
Л. — А на этот вопрос, дорогой Незнайкин, я не могу ответить с желаемой тобой определенностью. Возможно, что запертым будет транзистор Т1, а Т2 будет в состоянии насыщения, но одинаково возможен и случай, что в состоянии насыщения окажется Т1 а Т2 будет заперт.
Н. Значит, твоя схема сама не знает, чего она хочет!
Л. — Не вдаваясь в вопросы психологического анализа, я просто скажу тебе, что рассматриваемая схема имеет два устойчивых состояния или, как говорят, она бистабильна. Тебе уж доводилось встречаться с такими схемами и, в частности, с триггером Шмитта (см. рис. 61), у которого напряжение базы транзистора Т1 находилось между двумя порогами.
Н. — Так, значит, эта схема может некоторое время провести с запертым Т1 и насыщенным Т2 и наоборот.
Л. — Согласен с тобой, но с одной оговоркой — я не стал бы говорить «некоторое время». Оказавшись в каком-то определенном положении, схема (рис. 82) может бесконечно долго оставаться в этом положении, пока мы не изменим ее состояния.
Запуск триггера с двумя устойчивыми состояниями
Н. — Но как ты «изменишь состояние» схемы?
Л. — Здесь на сцену выступают диоды Д1 и Д2. Предположим, что схема находится в таком состоянии, когда транзистор Т1 заперт, а Т2 насыщен. Как мы видим, в этих условиях на катоды диодов через резисторы R7 и R8 поданы следующие потенциалы: у диода Д1 почти + 12 в, а у диода Д2 почти нуль. Подадим в точку А отрицательный импульс; через конденсаторы С3 и С4 этот импульс одновременно будет приложен к катодам обоих диодов. Но так как катод диода Д1 имеет потенциал +12 в, а его анод — отрицательный потенциал (транзистор Т1 заперт), потребовался бы импульс больше 12 в, чтобы сделать диод проводящим. А у диода Д2 потенциал катода равен (или почти равен) нулю, а потенциал его анода также близок к нулю или имеет очень небольшую положительную величину (мы говорили о 0,2 или 0,3 в). Поэтому импульс будет передан только диодом Д2. Отрицательный импульс, попадая на базу транзистора Т2, запрет его. Соответствующее повышение напряжения на его коллекторе передается на базу транзистора Т1 через делитель из резисторов R5 — R6 и особенно через конденсатор С1, хорошо передающий крутые фронты, и отопрет транзистор Т1. Таким образом, завершится переход системы из одного состояния в другое.
Н. — Хорошо, до сих пор все понятно. Но следующий импульс произведет такой же эффект. А для возвращения схемы в первоначальное состояние ему нужно было бы сделать как раз обратное.
Л. — Как мне кажется, дорогой Незнайкин, ты забыл, что транзистор Т1 стал проводить ток, а транзистор Т2 в это время I заперся, следовательно, после опрокидывания схемы резистор R7 постепенно сделает потенциал анода диода Д1 близким к нулю; а в это время резистор R8 постепенно повысит потенциал катода диода Д2 до значения, близкого к +12 в. Если прежде чем посылать следующий импульс, ты немного подождешь, то увидишь, что картина с напряжениями смещения на катодах диодов стала обратной по сравнению с состоянием, предшествовавшим первому импульсу. Следовательно, второй импульс произведет обратное действие и вернет схему в ее первоначальное состояние.
Н. — Дьявольски хитрая система. По сути дела диоды Д1 и Д2 играют роль железнодорожной стрелки, направляющей импульс на тот транзистор, который как раз в нем нуждается для отпирания.
Л. — Ты совершенно прав, сравнивая это устройство с железнодорожной стрелкой, по хочу, чтобы ты обратил особое внимание на роль, которую в этой стрелке играют резисторы R7 и R8, а также конденсаторы С3 и С4. После опрокидывания схемы изменение потенциалов катодов диодов Д1 и Д2 происходит постепенно. В самом деле для заряда конденсатора С3 через резистор R7 и конденсатора С4 через резистор R8 требуется некоторое время. Иначе говоря, работой нашего направляющего разделителя управляет предыдущее положение триггера. Запаздывание в цепочках R7 — С8 и R8 — С4 играет исключительно важную роль; если вернуться к твоему сравнению с железной дорогой, задержка не позволяет перевести стрелку во время прохождения поезда.
Н. — Однако ничего подобного нет в схеме на рис. 81, где диоды играют роль аналогичного направляющего разделителя…
Диоды, которые не выполняют роли направляющего разделителя
Л. — Совсем не так, Незнайкин; ты совершаешь очень распространенную ошибку, но мне не хотелось бы, чтобы ты уподобился всем… В схеме на рис. 81 диоды Д1 и Д2 не предназначены для выполнения роли направляющего разделителя. Перед ними поставлена только одна цель — пропустить на один из коллекторов отрицательный импульс, который должен вызвать опрокидывание схемы, после чего диоды как бы отключают этот коллектор от источника импульсов. При необходимости в схеме на рис. 61 можно было бы обойтись без диодов и посылать импульсы из точки А просто через два небольших конденсатора С3 и С4 (рис. 83)…
Рис. 83. Для деления частоты на четное число мультивибратор делают по возможности максимально симметричным и синхронизируют импульсом, подаваемым через два конденсатора, включенных в цепи коллекторов транзисторов.
Н. — О, нет! В этом случае ты не сможешь посылать импульсы только на коллектор запертого транзистора, они одновременно пошли бы и на другой.
Л. — Но что может сделать отрицательный импульс, попавший на коллектор насыщенного транзистора, Незнайкин? Эффект будет примерно такой, как если поставить горчичники на деревянную ногу. Получивший такой импульс коллектор передаст его на базу запертого транзистора, но ведь это не сможет запереть еще больше. Только запертый транзистор чувствителен к поступающему на его коллектор отрицательному импульсу: он через конденсатор связи передаст его на базу транзистора, находящегося в состоянии насыщения, и тем самым начнет опрокидывание схемы.
Н. — Но тогда почему ты поставил в схему конденсатор С3, резистор R5 и два весьма дорогих диода Д1 и Д2. Ведь можно было бы вполне обойтись двумя конденсаторами.
Л. — Для начала разберемся с ценой. Должен тебе сказать, что хороший диод стоит не дороже конденсатора. Затем я поставил здесь диоды, чтобы мультивибратор лучше работал. Наличие двух конденсаторов, соединяющих точку А с коллекторами транзисторов для подачи отрицательных импульсов, может нарушить нормальную работу мультивибратора. При использовании же двух диодов, установленных, как показано в схеме на рис. 81, все обстоит иначе: проводящий первым диод передает импульс на коллектор соответствующего транзистора, а после опрокидывания схемы диод запирается. Все происходит так, как если бы в этот момент его отключили от источника импульсов.
Н. — Так, значит, диоды просто выполняют роль прерывателя. Тогда их можно было бы заменить двумя маленькими переключателями и перебрасывать их после прохождения импульса.
Л. — В принципе, да. Но если ты сумеешь переводить свои переключатели с точностью до четверти микросекунды и в случае надобности проделывать эту операцию 20 000 раз в 1 сек, я настоятельно советую тебе бросить свою работу и поступить в цирк.
Н. — Понятно! Но еще одна вещь не дает мне покоя; разве в схеме на рис. 82 твои направляющие диоды Д1 и Д2 не играют той же роли отключателя источника импульсов от триггера?
Л. — Ты совершенно прав, эти диоды одновременно направляют импульсы по нужному адресу и отключают источник импульсов от триггера. А в схемах на рис. 78 и 81 диоды только отключают источник импульсов от сработавшей схемы. Для большей наглядности я приведу аналогичный пример из механики. Представь себе, что с трамплина один за другим прыгают в воду пловцы, а тренер «синхронизирует», подталкивая их сзади, чтобы заставить прыгнуть немного раньше назначенного момента.
Н. — Но результат окажется катастрофическим для несчастного, который окажется в воде раньше, чем думал!
Л. — Успокойся! Речь идет о совсем ничтожном опережении, и пловец уже готов прыгнуть в воду. Рассмотрим теперь, как действует тренер. Он толкает пловца вперед до тех пор, пока тот не кувыркнется вниз. Следовательно, между тренером и пловцом необходима односторонняя механическая «связь». Иначе говоря, тренер должен толкать пловца, но не давать ему тащить себя. Если вместо того, чтобы толкать пловца сзади, тренер будет крепко держать его за плечо, станут возможны два варианта: или тренер очень силен и не даст пловцу спрыгнуть в воду, или же пловец увлечет тренера с собой и тот полетит в воду…
Н. — И превосходно сделает!
Л. — Не отвлекайся, Незнайкин. Пойми, что в этом случае как и при опрокидывании мультивибратора, необходимо, чтобы связь работала только в одном направлении и чтобы она прерывалась сразу же после начала опрокидывания. Эту роль всегда выполняют диоды; в некоторых случаях, как, например, в схеме на рис. 82, они выполняют также роль направляющего разделителя.
Опрокидывание триггера с двумя устойчивыми состояниями
Н. — Я полагаю, что теперь мы о нем все рассказали. Каждый раз, когда в точку А поступает импульс, схема изменяет свое состояние, следовательно, потребуется подать в точку А два импульса, чтобы схема вернулась в свое первоначальное состояние.
Л. — Превосходно, ты совершенно правильно понял принцип работы этого устройства. Как ты видишь, такая система может использоваться для деления любой частоты на 2. Поэтому устройство называют апериодическим делителем частоты. Если сигналы с коллекторов этой схемы преобразовать дифференцирующей схемой такого типа, как изображенная на рис. 64, и использовать для пуска в ход другого триггера с двумя устойчивыми состояниями, то в результате частота будет разделена на 4. Как ты видишь, таким образом можно легко разделить частоту на 4, 8, 16, 32…
Н. — Наиболее важным в этом многоступенчатом устройстве мне представляется первый делитель, так как, вероятно, от него зависит максимальная частота, на которой может работать все устройство. Какими характеристиками обычно обладает такой делитель?
Л. — По изображенной на рис. 82 схеме легко сделать триггер, работающий на частотах до 5 или 6 Мгц. А путем подбора транзисторов и используя резисторы с меньшими, чем я назвал, номиналами, удается делить частоты до 30 Мгц.
Обрати внимание, до какой степени эта система отвечает требованиям, которые можно предъявить к совершенному делителю: тот же самый триггер, который, получая 30 миллионов импульсов в секунду, дает на выходе сигнал с 15 миллионами периодов в секунду, работает точно так же и при получении в секунду четырех импульсов — он даст выходной сигнал с частотой 2 гц.
Н. — Исключительно приятное устройство, но как досадно, что оно делит только на 2 (или на 4, 8, 16…).
Л. — Существуют системы с несколькими устойчивыми положениями, которые позволяют также безупречно делить не на 2, а на 3, 4, 5 и даже на другие числа. Системы эти основаны на тех же принципах, что и схема на рис. 82. Но они немного сложнее, и мы рассмотрим их позднее, когда поведем беседу о счетных устройствах.
Н. — Бедный я, несчастный! Твой триггер с двумя устойчивыми состояниями уже достаточно сложен, а если ты покажешь мне что-нибудь еще более сложное, боюсь, что моя голова не выдержит!
Л. — Не бойся, Незнайкин; усложнять материал мы будем постепенно, и ты убедишься, что на самом деле все намного проще, чем может показаться при взгляде на схему.
Н. — Хорошо, надеюсь, что так и будет. Должен признаться, что мне легче понять новую схему, когда ее можно сравнить с чем-нибудь мне уже знакомым. Впрочем, я вижу некоторую аналогию между твоим триггерем с двумя устойчивыми состояниями на рис. 82 и мультивибратором на рис. 78. Основное различие между ними заключается в том, что в мультивибраторе связь между коллектором и базой противоположного транзистора осуществляется конденсаторами, тогда как в триггере с двумя устойчивыми состояниями цепочка прямой связи состоит из резистивных делителей.
Однотактный триггер
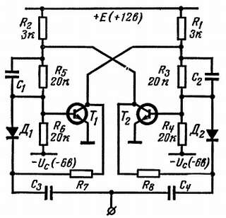
Л. — Ты совершенно прав, Незнайкин. Я вижу, что сегодня ты в прекрасной форме, и поэтому я расскажу тебе о новом типе схемы, которую можно рассматривать как своеобразную дочь схем на рис. 82 и 78. Новую схему я начертил для тебя на рис. 84.
Рис. 84. Схема с одним устойчивым состоянием представляет собой своеобразную смесь мультивибратора и схемы с двумя устойчивыми состояниями; ее можно опрокинуть подачей импульса в точку А, но затем схема самопроизвольно возвращается в первоначальное состояние.
Н. — Очень любопытная схема; транзистор Т1, связан с транзистором Т2 делителем R3, R4 как в триггере с двумя устойчивыми состояниями, а коллектор транзистора Т2 связан с базой транзистора Т1 конденсатором С как в мультивибраторе с рис. 78. Так что же это: генерирующая или бистабильная схема?
Л. — Ни то, ни другое. Мультивибратор (см. рис. 78) относится к категории так называемых неустойчивых схем, т. е. схем, которые не могут оставаться в каком-либо состоянии: они выходят из этого состояния резким скачком, который возникает самопроизвольно или ускоряется внешним пусковым импульсом. Изображенная на рис. 84 схема обладает одним состоянием, в котором она может пребывать бесконечно долго. Это состояние наступает, когда ток транзистора Т1 доходит до насыщения, запирая транзистор Т2, т. е. так, как это происходит в триггере с двумя устойчивыми состояниями.
Н. — Но тогда это будет схема с двумя устойчивыми состояниями!
Л. — Нет, Незнайкин, эта схема не с двумя, а с одним устойчивым состоянием — ее называют однотактным триггером. В самом деле, если в точку А поступает отрицательный импульс, он через конденсатор С' передается на катод диода Д. Через этот диод и конденсатор С импульс будет стремиться запереть транзистор Т1. Как только ток этого транзистора начинает снижаться, происходит повышение потенциала его коллектора (уменьшается падение напряжения на резисторе R1). Это повышение потенциала передается на базу транзистора T2, который начинает пропускать ток. Потенциал коллектора транзистора Т2 снижается, это снижение через конденсатор С передается на базу Т1 и усиливает воздействие первоначального импульса до тех пор, пока ему не удастся полностью запереть транзистор Т1 и ввести в состояние насыщения транзистор Т2.
Н. — А я что говорил — вот тебе второе устойчивое состояние!
Л. — Нет, это состояние не может удерживаться бесконечно долго. Не забывай, что теперь потенциал базы Т1 отрицательный. Через резистор R5 пойдет ток, он будет стремиться повысить потенциал базы транзистора Т1 и одновременно разрядить конденсатор С. Как только потенциал базы транзистора Т1 станет слегка положительным, через транзистор Т1 потечет ток и потенциал его коллектора снизится, что приведет к уменьшению тока транзистора Т2, а это в свою очередь вызовет повышение потенциала на коллекторе транзистора Т2. Это повышение, переданное через конденсатор С на транзистор Т1, ускорит происходящую в схеме эволюцию, в результате чего транзистор Т1 вновь придет в состояние насыщения, а транзистор Т2 окажется запертым.
Н. — Это дьявольски сложно. Все явления происходят одновременно и к тому же воздействуют друг на друга, поэтому я с большим трудом проследил за ними.
Сигналы однотактного триггера
Л. — Для облегчения твоей задачи я вычертил на рис. 85 кривые, характеризующие изменения во времени потенциалов в различных элементах схемы. Как мы видим, в точку А в момент t0 подают отрицательный импульс. В этот момент потенциал коллектора транзистора Т1 стремится повыситься до +Е. Это повышение через цепочку R3 — R4 передается на базу транзистора T2, которая сначала была заперта напряжением —U, а теперь ее потенциал поднимается до нуля. Как ты видишь, это вызывает отпирание транзистора Т2 и доводит потенциал его коллектора почти до нуля. Снижение потенциала коллектора Т2 через конденсатор С передается на базу Т1 (первоначально ее потенциал был почти равен нулю) и доводит потенциал базы до величины, близкой к —Е.
Рис. 85. Эпюры напряжений в схеме с одним устойчивым состоянием, изображенной на рис. 84.
Н. — Я хотел бы знать, откуда берется эта величина —Е?
Л. — Но, Незнайкин, разве ты забыл известный принцип, что напряжение на выводах конденсатора не может измениться на конечную величину за равное нулю время. Если ты об этом вспомнишь, то увидишь, что перед самым приходом отрицательного импульса в точку А потенциал коллектора Т2 был равен Е (транзистор Т2 был заперт). Потенциал базы транзистора Т1 был почти равен нулю, следовательно, конденсатор С был заряжен до напряжения, очень близкого к Е. Сразу же после опрокидывания схемы он еще был заряжен до напряжения Е. При этом потенциал на нижней (базовой) обкладке равен —Е относительно верхней. Затем потенциал его верхней обкладки стал близким нулю (транзистор Т2 в состоянии насыщения замкнул верхнюю обкладку на корпус) и, следовательно, потенциал базы Т1, равный потенциалу нижней обкладки относительно верхней, стал близким —Е.
Н. — Признаюсь, что я не подумал о твоем знаменитом принципе, так как забыл вырезать его золотыми буквами на своем камине, но поверь мне, теперь за этим дело не станет. По твоим кривым я вижу, что сразу же после опрокидывания схемы потенциал базы транзистора Т1 начинает повышаться. Я полагаю, что причиной послужил ток, протекающий по резистору R5.
Л. — И ты не ошибся. Когда транзистор Т1 находится в состоянии насыщения, проходящий по резистору R5 ток течет по направлению к базе этого транзистора. А теперь при запертом транзисторе Т1 добавляется ток разряда конденсатора С. Через время, определяемое величиной CR5, потенциал базы транзистора Т1 доходит почти до нуля — это происходит в момент t1. Как ты видишь, в этот момент транзистор Т1 вновь начинает пропускать ток; потенциал его коллектора падает до нуля, что приводит к запиранию транзистора Т2, потенциал коллектора которого повышается до + Е.
Н. — А почему ты, Любознайкин, на своем рисунке на кривой потенциала коллектора транзистора Т2 изобразил участок возрастания относительно пологим?
Л. — Не забывай, что для повышения потенциала коллектора транзистора Т2 протекающий по резистору R2 ток должен сначала зарядить конденсатор С. На нижней обкладке последнего переход база — эмиттер проводящего транзистора поддерживает потенциал, почти равный нулю. Следовательно, этот конденсатор заряжается постепенно и вслед за ним медленно повышается потенциал коллектора Т2.
Н. — Я начинаю понимать работу твоей занятной схемы. И все же она производит очень странное впечатление. Стоит только транзистору Т2 начать пропускать ток, как его опять очень быстро запирают. Он должно быть чувствует себя обманутым.
Л. — Отложи, пожалуйста, на более подходящее время анализ чувств транзисторов, а пока займись вопросом практического использования схемы, которая во многих случаях может оказаться очень полезной.
Использование однотактных триггеров
Н. — Но мы сейчас имеем дело не с мультивибратором, так как наша схема только один раз работает как мультивибратор.
Л. — И это очень хорошо. Первое опрокидывание схемы производится внешним импульсом, а второе происходит самопроизвольно, поэтому эту схему можно назвать одновибратором. Впрочем, иногда встречается и название «однотактный мультивибратор». Но это название бросает меня в дрожь, потому что содержит в себе противоречие. С таким же успехом можно говорить о темном свете или металлическом ксилофоне[13]. Эта схема интересна тем, что при любом пришедшем в точку А импульсе при условии, что он достаточен для срабатывания схемы, с коллектора транзистора Т1 получают единственный сигнал, всегда одинаковый по длительности и амплитуде. Следовательно, эта схема — прекрасный инструмент для преобразования импульсов с целью придания им единой формы. Ты, вероятно, помнишь, что счетчик Гейгера — Мюллера дает совершенно разные по форме импульсы. Подав такие импульсы на однотактный триггер, например, изображенный на рис. 84, мы можем сделать их совершенно идентичными, что, помимо других преимуществ, в частности, облегчает их счет.
Н. — На мой взгляд, проще пропустить их через амплитудный ограничитель.
Л. — Но полученный результат был бы существенно хуже. Ведь данный счетчиком Гейгера — Мюллера очень высокий импульс одновременно больше других и по продолжительности, потому что в этом случае деионизация трубки занимает больше времени. При использовании простого амплитудного ограничителя мы получили бы импульсы одинаковой высоты, но разной ширины. Впрочем, есть еще одна весьма интересная область применения для нашего однотактного триггера. Представь себе, что напряжение с коллектора транзистора Т1 подается на дифференцирующую схему, которая, например, приведена на рис. 64. Что случится, если конденсатор С и резистор R взять с довольно малыми номиналами?
Н. — Если я не забыл твоих объяснений, на выходе этой схемы мы получим положительный импульс в момент t0 (рис. 86), т. е. когда потенциал коллектор Т1 резко повышается, а затем отрицательный импульс в момент t1, когда транзистор Т1 вновь отпирается, и потенциал его коллектора резко падает.
Рис. 86. Подавая сигнал с коллектора транзистора Т1 схемы с одним устойчивым состоянием на дифференцирующую схему, можно получить отрицательный импульс в момент t1 с некоторой задержкой по сравнению с пусковым импульсом.
Л. — Незнайкин, ты все меньше и меньше соответствуешь своему имени! Сказанное тобой абсолютно правильно. Предположим, что в этих условиях я с помощью диода уберу положительный импульс, останется только отрицательный импульс, появляющийся в момент t1. Такой импульс задержан относительно пускового импульса на время, которое зависит только от номиналов резисторов и конденсаторов схемы (рис. 84). Таким образом, мы сделали схему задержки импульсов: если подать импульс в точку А, то из нашего устройства импульс выйдет с хорошо известной задержкой, длительность которой можно изменять от долей микросекунды до нескольких секунд путем соответствующего подбора элементов схемы.
Н. — Ну, за это изобретение я тебя поздравлять не собираюсь! Мы постоянно слышим, что радиоэлектронике свойственна быстрота, а ты изобрел способ создавать опоздания — ты идешь против прогресса.
Применение устройств задержки
Л. — Незнайкин, не играй словами. При выполнении последовательного ряда операций довольно часто бывает необходимо содержать сигнал на регулируемый отрезок времени. К такому способу, в частности, прибегают, когда с помощью сигнала хотят иметь систему единого времени для включения изучаемого процесса и начала развертки осциллографа, предназначенного для наблюдения этого процесса. Сигнал включают с определенной задержкой, а осциллограф — без задержки. Благодаря этому мы можем превосходно следить за процессом по экрану осциллографа, так как его развертка включается до начала процесса.
Н. — Скажи, пожалуйста, Любознайкин, а не разумнее было бы включить осциллограф с некоторым опережением относительно явления, чем задерживать начало явления?
Л. — Тогда, Незнайкин, открой мне секрет «схемы опережения», где следствие появляется раньше причины, его породившей, т. е. способной давать импульс на выходе раньше, чем был подан импульс на ее вход, и я гарантирую тебе, во-первых, всемирную известность, а затем крупный успех в академических кругах!
Н. — Правильно, а я об этом не подумал. Значит, опережающему осциллографу предпочитают отстающее явление… положительно все относительно в подлунном мире.
Л. — Я позволю себе спуститься из высоких философских сфер на нашу бренную землю, чтобы напомнить тебе, что уже довольно поздно. Я не хотел бы стать причиной язвительного объяснения Поленьки с тобой…
Н. — Ты совершенно прав, и мы продолжим нашу беседу в следующий раз.
Более 800 000 книг и аудиокниг! 📚
Получи 2 месяца Литрес Подписки в подарок и наслаждайся неограниченным чтением
ПОЛУЧИТЬ ПОДАРОК