6.7. «Аполлон-11». Первые шаги на Луне
13 и 16 июля 1969 г. к Луне, один за другим, стартуют два космических аппарата: советская автоматическая грунтозаборная станция «Луна-15» и американский пилотируемый корабль «Аполлон-11». Прилунение «Луны-15» планировалось на 17–18 июля, а «Аполлона-11» — на 20 июля. Вот он — момент истины, финал лунной гонки! Для СССР это последняя возможность доставить на Землю лунный грунт первыми и тем самым спасти свой космический престиж (мол, мы и не собирались рисковать людьми, у нас для этого роботы есть), а для США — возможность начать собственный отсчет первенства в космосе.
Цель экспедиции «Аполлон-11» — завершение этапа испытаний пилотируемого комплекса средств доставки человека на Луну: прилунение, определение возможностей работы астронавта на поверхности Луны, сбор геологических образцов и установка научной аппаратуры на лунном грунте.

Рис. 6.23. Экипаж «Аполлона-11»: Н. Армстронг, М. Коллинз, Д. Олдрин (слева направо).

Рис. 6.24. Доставка ракеты «Сатурн-5» с кораблем «Аполлон-11» на стартовую позицию.
Экипаж корабля: командир — Нил Армстронг, 39 лет, «Джемини-8», первым ступит на Луну; пилот LM — Эдвин (Базз) Олдрин, 39 лет, «Джемини-12», выйдет на Луну вторым; пилот СМ — Майкл (Майк) Коллинз, 39 лет, «Джемини-10», останется на орбите вокруг Луны. Все трое — военные летчики — испытатели, выпускники престижных академий, бакалавры наук. Командный (СМ) и лунный (LM) модули в этом полете назвали «Колумбия» и «Орел». Эта экспедиция — самая «историческая», поэтому мы опишем ее более детально.
15 июля, 16 час 32 мин (московское время), бортовое время 000 час 0 мин 00 с.
000:00:00. «Сатурн-5» отрывается от стартового стола.
000:03:00. На высоте 80 км отделяется САС с экраном — кожухом КК. Армстронг: «Наконец?то мне дали взглянуть в иллюминатор».

Рис. 6.25. Старт «Сатурна-5» с «Аполлоном-11». Тонкий шпиль на вершине носителя — твердотопливная ракета системы аварийного спасения экипажа.
ЦУП: «Красиво идете!»
Через несколько минут «Аполлон-11» был на орбите.
002:44:00. Старт к Луне. Армстронг: «Хьюстон, „Сатурн" нас замечательно прокатил. Никаких претензий ни к одной из трех ступеней. Все было превосходно».


Рис. 6.26. Система аварийного спасения и её испытание. За несколько секунд ракета уводит командный модуль с экипажем на сотни метров от терпящего бедствие носителя.
004:13:00. Выполнено перестроение отсеков: CSM отделился от третьей ступени PH, развернулся на 180° и пристыковался к LM: экспедиция «Аполлон-11» началась.
11:00:00. С борта корабля идет телерепортаж с видом Земли. Астронавты шутят: «Хьюстон, послушайте, нельзя ли немного повернуть Землю, чтобы можно было увидеть что?нибудь, кроме воды?»
22:09:00. Проснувшимся астронавтам из ЦУПа приходят новости: «Обсерватории из разных точек планеты сообщают, что они потеряли сигнал „Луны-15“; возможно, она села на Луну».
25:00:00. «Аполлон-11» на полпути к Луне.
033:26:00. ЦУП: «Последние новости о „Луне-15“- она на круговой орбите».
053: 25:00. ЦУП: «„Луна-15“ все еще на окололунной орбите».
055:35:00. Астронавты открывают люк в LM. «Орел» и «Колумбия» — теперь одно целое. Осматривают только что включенный и еще не согревшийся модуль. Олдрин: «Похоже на холодильник. Шлемы и ранцевые системы на месте. Всё на своих местах». Интересно, чего было бы больше — смеха или слез, — если бы что?то забыли?
72:29:00. Свежие новости из ЦУПа: «Газета „Правда" пишет о вас, а ТАСС сообщает, что „Луна-15“ может совершить посадку и взять немного лунного грунта. Папа римский сидит у цветного телевизора и ждет вашего репортажа…»

Рис. 6.27. Тренировочный макет лунного модуля в Центре подготовки.
73:10:00. Луна стремительно приближается. Экипаж: «Вид Луны захватывающий! Она заполняет ? иллюминатора! Только ради этого стоило лететь!»
75:40:00. «Аполлон-11» заходит за Луну.
76:15:00. «Аполлон» на орбите вокруг Луны. Идут 4–е сутки полета. Маленький алюминиевый корабль пронес сквозь космическую пустоту крохотный кусочек земной жизни и теперь должен послушно и мягко опустить его где?то там внизу, на плато Моря Спокойствия.
То, что лунный грунт удержит на себе посадочную ступень и астронавта в скафандре, убедительно подтвердили удачные посадки семи автоматических станций: двух советских («Луна-9» и «Луна-13») и пяти американских («Сервейор-1, -3, -5…7»), Переданные ими фотоснимки продемонстрировали разные лунные ландшафты. Например, площадка «Луны-9» с точки зрения посадки выглядела гораздо сложнее, чем у «Луны-13», и площадки почти всех «Сервейоров», кроме разве что площадки № 1, выглядели небезопасными для прилунения.

Рис. 6.28. Рабочее место астронавтов в лунном модуле. Собственно говоря, другого места у них там нет, ведь внутренний объем кабины 6,65 м3.

Рис. 6.29. Н. Армстронг в кабине LM. Снимок сделан на Земле во время работы на тренажере.
Ясно было, что грунт надежно удержит LM, надо лишь найти место, где слой пыли будет не «по колено». А для этого нужен запас времени для маневрирования над доступной визуальному обзору площадью. А время маневрирования зависит от запаса топлива у ПС, качества работы бортового оборудования, пилотажного мастерства и слаженности работы пилотов. Чтобы взять для первого прилунения как можно боль- ше дополнительного топлива, пришлось максимально разгрузить LM. А это было возможно сделать только за счет системы жизнеобеспечения и количества научного оборудования. Поэтому число выходов на поверхность (EVA) сократили с двух до одного. Комплект научной аппаратуры для работы на лунной поверхности ALSEP (5 приборов) заменили на упрощенный EASEP (два прибора). Не резервировали даже единственную переносную фотокамеру астронавтов.
Все пункты программы полета до выхода на орбиту Луны, отработанные в полетах «Аполлона-8» и «Аполлона-10», «Аполлон-11» выполнил уверенно: за Луной включили двигатель на торможение и вышли на начальную эллиптическую орбиту (321?113 км). Через 5 часов, совершив два витка вокруг Луны, дополнительным включением двигателя перешли на почти круговую орбиту (120?110 км). Следующие 15 часов проверяли системы CSM и LM, наблюдали поверхность Луны и отдыхали.
За несколько часов до начала операций посадки наступил «момент истины» для Майкла Коллинза. Еще вчера за обедом он словно невзначай обронил: «Сегодня все прошло хорошо. Если завтра и послезавтра пройдут как сегодня, мы будем в безопасности». Армстронг и Олдрин казались абсолютно спокойными и полностью расслабленными, Майк же с трудом скрывал беспокойство: вот сейчас они безмятежно завтракают, а спустя несколько часов разойдутся на орбите, и чем все это закончится, не знает никто…
Проблема опасности и риска первого прилунения не обсуждалась астронавтами, словно ее не было. Только после ночевки на орбите, во время утреннего осмотра в иллюминаторы участка прилунения Армстронг заметил, что участок смотрится гораздо «зубастее», чем вчера, и уже не кажется самым безопасным. При более высоком солнце он выглядел местом, куда хотелось бы садиться в последнюю очередь.
096:48:00. Олдрин и Армстронг начали готовить LM к прилунению.
Посадка на Луну длится 2 часа 38 минут; условно ее можно разделить на два этапа: подготовки к снижению на орбите (1 час 30 минут) и посадки на поверхность (1 час 8 мин). Второй этап, в свою очередь, можно условно разделить на пять «ступеней» снижения, каждая из которых имеет свой «масштаб»:
I (56 мин 25 с) — спуск со 111 км до 15 км (видим приближение к Луне);
II (8 мин 24 с) — снижение с 15 км до 2,3 км (видим поверхность);
III (1 мин 42 с) — снижение с 2,3 км до 230 м (видим рельеф поверхности);
IV (1 мин 8 с) — выбор площадки с 230 м до 150 м (видим детали рельефа);
V (40 с) — прилунение на выбранную площадку (видим детали площадки).
При переходе на каждый следующий масштаб меняются состояние LM и задача астронавтов. Каждый раз LM переходит в новые координаты с меньшими инерционными и реактивными ресурсами, а характер действий астронавтов меняется с пробного при снижении на необратимый у самой поверхности. По всей трассе нужно, работая с приборами, принимать решения и тут же их реализовывать в очень жестких временных рамках. Человек устроен так, что в экстремальной ситуации его ощущения и психомоторные реакции адаптируются к стремительно меняющейся обстановке, и тренированные пилоты способны справиться со сложной летной программой, но… Все зто было бы просто рискованной процедурой, если бы внизу была не Луна.
Посадке на Луну трудно найти сравнение. На Земле ни один испытатель никогда не был в подобных условиях. После снижения посадочного аппарата до высоты менее 100 м над поверхностью посадку уже нельзя не совершать. На поверхность LM необходимо опустить в положении «возвращения», то есть модуль нужно установить ровно, в первом прилунении — с креном не более 8° к местной вертикали, иначе при взлете с Луны возникнут большие проблемы со стыковкой на лунной орбите.
Начинается процедура разделения. Напутственные слова Майка Коллинза за минуту до расстыковки CSM с LM: «Не волнуйтесь там, на Луне. Если я услышу от вас раздражение и ропот, я к вам подъеду». Друзья поняли: если прилунение будет выполнено с превышением крена и при старте с Луны взлетная ступень окажется на большом удалении от командного модуля, Коллинз найдет их.
100:09:50. Майк жмет кнопку, срабатывают электрозамки стыковочного кольца, и давление воздуха в лазе мягко отталкивает LM. Тот начинает медленно вращаться, а Майк Коллинз тщательно осматривает его.
Коллинз: «Ваша машина прекрасно выглядит, хотя вы и вверх тормашками».
Армстронг: «Еще не известно, кто вверх тормашками».
Коллинз: «Вы, парни, будьте осторожны».
Армстронг: «До встречи!»
Полчаса корабли движутся по орбите рядом друг с другом (5-30 м), но приходит время расставаться.
100:39:50. Коллинз двигателями ориентации отводит CSM на несколько километров; Армстронг и Олдрин наблюдали, как «Колумбия» исчезает вдали. До начала снижения к поверхности остается чуть менее часа. Астронавты должны подготовить к фазе спуска электронную начинку LM. Главный ее элемент — бортовая вычислительная машина, на современном языке — компьютер. Это — мозг корабля, без него успешная посадка на Луну невозможна. Попытку отправить астронавтов (космонавтов) на Луну без применения бортовой вычислительной техники следовало бы даже в 1969 г. считать не экспедицией, а попыткой попадания одним космонавтом (Н1–ЛЗ) или двумя астронавтами («Аполлон») в Луну.
Вычислительная машина решала задачу многоуровневого управления «избыточными» (т. е. продублированными, работающими автономно и параллельно) системами LM. При этом она взаимодействовала с большим компьютером ЦУПа, который, в свою очередь, был связан с системой аналогового моделирования процесса прилунения. Такой принцип в истории техники был впервые разработан и применен именно в программе «Аполлон», что позволило не только осуществить прилунение нескольких экспедиций, но и спасти экипаж «Аполлона-13», попавшего в космосе в аварийную ситуацию.

Рис. 6.30. «Орел» прощается с «Колумбией». Под тремя опорами посадочной ступени лунного модуля видны тонкие щупы длиной 1,5 м. Касаясь поверхности, они давали сигнал, что надо быть готовыми к выключению двигателя. Предполагалось, что поднятое реактивной струей облако пыли может окутать кабину и сделать поверхность невидимой.
До сих пор (2009 г.) программа «Аполлон» остается наиболее сложной из всех программ пилотируемых космических полетов. Глубокая интеграция человека и аппаратуры обусловливала гибкость и надежность комплекса управления, недостижимую при использовании других технических средств того времени. Совместная работа ведущих специалистов самых разных отраслей науки и техники США обеспечивала ЦУП и экипаж корабля достоверным и своевременным прогнозом ситуации. С первой секунды полета была предусмотрена максимальная помощь со стороны наземных служб во всех непредвиденных обстоятельствах. Работу диспетчеров в Хьюстоне обеспечивали группы специализированной поддержки в самом ЦУПе и сотни людей на различных предприятиях подрядчиков, разбросанных по всей стране. Для оперативного обмена информацией между ними была налажена телефонная и радиосвязь по специальным линиям.
ЭВМ «Аполлона» опережала все аналогичные образцы в мире лет на 7-10. Это был первый полностью автономный вычислительный комплекс, «третий астронавт», избавлявший человека от непосильной физической и психологической нагрузки по контролю за мгновенно меняющейся ситуацией. По быстродействию он превосходил все предыдущие средства управления кораблем на два порядка и при этом был весьма компактен. Не в последнюю очередь благодаря работе над ним в конце 1970–х гг. появились персональные компьютеры.
100:39:50. В течение следующего часа астронавты должны: синхронно с CSM выставить инерциальную платформу LM, проверить функционирование программ радиолокатора дальности и встречи с CSM, поддерживать постоянную голосовую связь с диспетчерами ЦУПа, сверяющими динамику полета LM и работу его систем с результатами своих расчетов. Перед включением двигателя один из астронавтов должен сквозь маленький верхний иллюминатор точно определить вычисленную ЦУПом звезду.
101:38:48. Начало масштаба I (56 мин 25 с). Двигатель работает на торможение 28,7 секунд, и «Орел» переходит с круговой орбиты на эллиптическую, начиная спуск с высоты 111 км до до условной точки Т' — 15 км над поверхностью Луны. Здесь должно быть принято решение: обогнуть Луну подобно комете или снова включить двигатель на торможение и продолжить снижение. Времени на раздумья — быть или не быть первой посадке на Луну — в этот момент будет не более 5 секунд.
101:55. Связь с ЦУПом с момента выхода LM из?за Луны была неустойчивой; в ЦУПе с замиранием сердца вслушивались в еле различимые голоса астронавтов. Пит Конрад (командир будущей миссии «Аполлон-12») за 4 минуты до времени Т' посоветовал астронавтам отклонить двигателями ориентации трассу спуска на 10° в плоскости курса в сторону Земли; это нормализовало связь.
За минуту до Т' диспетчеры доложили руководителю полета Гену Кранцу, что посадку можно начинать.
За 40 секунд Олдрин включает телекамеру на своем (правом) иллюминаторе для трансляции в ЦУП спуска LM на поверхность Луны.

Рис. 6.31. Схема лунного модуля.
За 7 секунд двигатели системы ориентации сообщают LM ускорение для подачи топлива из баков в двигатель посадочной ступени.
За 5 секунд астронавты активизируют на дисплее БЦВМ доступ к «кнопке паники» аварийных программ.
Момент Т': на дисплее высвечивается «Начинай!», Армстронг переключает ручку контроллера на управление тягой, Олдрин нажимает кнопку пуска двигателя, и они одновременно произносят: «Зажигание!»
Масштаб II (8 мин 24 с). Сначала двигатель включается на 10 % полной тяги, очень мягко. Понять, что он зажжен, можно только по индикации на панели управления. На этой тяге он должен работать
26 секунд, пока двигатели системы ориентации и электродвигатели карданного подвеса ЖРД ПС сводят «качание» вектора тяги LM к нулю и направляют его на центр масс модуля. Поездка вниз верхом на работающем реактивном двигателе с первой секунды не была спокойной. Армстронга сразу удивило, что двигатели ориентации работают значительно интенсивнее и продолжительнее, чем на тренажере. «Орел» часто вздрагивал от корректирующих импульсов.
Т' +00 мин 26 с: выйдя на полную тягу, двигатель стал сотрясать корпус «Орла», который стремительно снижался «лицом вниз» — окнами к Луне. Астронавты стояли, пристегнутые к полу ремнями, и внимательно смотрели в треугольные иллюминаторы. В первые минуты торможения задачей пилотов было визуально проверить динамику снижения модуля по ориентирам на поверхности. Армстронг почти сразу заметил, что ориентировочные детали рельефа появлялись в прицельной рамке окна на две секунды раньше расчетного времени. На Земле уже подсчитывали, к чему приведет недобор в торможении модуля. Но на второй минуте спуска компьютер выправил положение, и спуск пошел по графику.
Т'+0З:00. «Орел» на высоте 13,7 км и в 210 км от расчетной точки прилунения, ось лунной кабины повернута на 73° к местной вертикали. Пройдена «первая критическая» глубина снижения. С этого момента астронавты могут забыть о программе аварийного старта за счет ЖРД ПС: он и так работает на полной тяге, а использование маневра с изменением угла вектора тяги (с помощью двигателей ориентации) на подъем не рассматривалось из?за серьезного усложнения встречи с CSM на орбите. Теперь спасение возможно только с максимально заторможенной, выработавшей топливо «стартовой платформы» (ПС) аварийным запуском ЖРД ВС. «Вторая критическая» высота этого маневра лежит почти у самой Луны.
Т'+0З:30. «Орел» поворачивается вокруг своей оси на 174°, окнами в небо. До высоты 12 км руководитель полета в ЦУПе должен принять решение о продолжении посадки: на этой высоте ЭВМ отключит ручное управление поворотом LM вокруг собственной оси и произведет точную наводку локатора посадки на участок прилунения.
Т'+04:00. Из?за неустойчивой связи с LM решение продолжать посадку далось Кранцу максимальным усилием воли и только при полной поддержке всех шести основных диспетчеров миссии.

Рис. 6.32. Вид с лунной орбиты. Кратеры Сабин и Риттер.
Т'+04:20. «Орел» на высоте 12 км, в 130 км от цели. Посадочный радиолокатор начинает получать сигналы, отраженные от лунной поверхности. Наступил момент сверки данных бортовой ЭВМ и комплекса наземного слежения в Хьюстоне. Если расчетные данные не сойдутся с реальной высотой «Орла» над поверхностью, то придется вводить в ЭВМ не «ключ на Луну», а аварийную команду.
Все 13 минут прилунения были эмоционально насыщены до предела, но судьбу миссии по-настоящему решили следующие две минуты.
Т'+ 04:20. Как только первые данные посадочного радиолокатора стали поступать в бортовую ЭВМ, с дисплея неожиданно пропала вся цифровая индикация и замигала одна желтая клавиша, а в наушниках пилотов загудел характерный зуммер. «Программа „Тревога"», — передал Армстронг твердым голосом. Олдрин нажал мигающую клавишу, и дисплей высветил строчку сигнального кода «1202».
Армстронг: «Прочитайте нам программу двенадцать ноль два».
Бортовые компьютеры «Аполлонов» не имели современных дисплеев; они «общались» с астронавтами через скромный цифровой индикатор, как у простого калькулятора, высвечивая важнейшие данные (высоту, скорость и т. п.) или коды сообщений, а смысл сообщения и порядок действий в ответ на него астронавт должен был вспомнить по номеру кода, или посмотреть в шпаргалке, или спросить у ЦУПа.
В ЦУПе Стив Балес, отвечавший за работу бортовой ЭВМ, замер в напряжении: он знал, что код 1202 — сигнал переполнения оперативной памяти — впервые проявился лишь несколько дней назад, во время тренировок с командой «Аполлона-12», и пока еще не накопилась статистика его появлений. Как выяснилось позже, уже после посадки, причина тревожного сигнала заключалась в ошибочном включении сразу двух радаров LM: посадочного и навигационного. Посадочный радар в тот момент был еще не нужен, он лишь обременял ЭВМ потоком лишних данных, справиться с которым ей оказалось сложно. Вся память бортового компьютера имела объем 74 кбайт, а оперативная память — всего 4 кбайт, как у современного карманного калькулятора. Лишь высочайшее мастерство программистов позволило доверить управление космическим кораблем этому «калькулятору», который весил 30 кг и стоил 150 тыс. долларов. Впрочем, более мощных и компактных компьютеров на тот момент в мире не существовало.
Риск был велик: если вычислительная машина «захлебнется» от перегрузки, то прощай миссия. ЦУП ждал не дыша: через минуту астронавты должны приступить к уменьшению тяги двигателя, что без работающего компьютера немыслимо. До аварийного прекращения полета оставались секунды. В этот момент из космоса, с высоты уже менее 10 км над Луной, по громкой связи вновь донесся голос Армстронга: «Прочитайте программу тревоги 1202». Но инструкций на этот случай не было. На 26–летнем Балесе лежала громадная ответственность: его слово решало судьбу экспедиции. Стив понял, что компьютер справится с проблемой и из потока задач выберет жизненно важные. Не поворачиваясь к окаменевшему Кранцу и напряженно глядя на свой дисплей, он произнес: «Продолжаем полет» (за что по окончании экспедиции вместе с астронавтами получил в Белом доме награду).
Услышав это, Олдрин с удовольствием нажал мигающую желтую клавишу, и компьютер перезагрузился, освобождая память для основных задач. Впоследствии Питер Адлер, разработчик вычислительной техники для «Аполлонов», проиллюстрировал этот момент наглядным примером: будь привычная нам Windows столь же «умной», как программы «Аполлона», при ее перезагрузке закрывались бы только неактивные приложения, а нужные в данный момент продолжали бы работать без потери данных.
До высоты 7,4 км «Орел» снизился в полном соответствии с графиком посадки. Начальные условия для выполнения этапа прилунения были выполнены, можно сбрасывать тягу. До высоты 7,4 км «Орел» снизился в полном соответствии с графиком посадки. Начальные условия для выполнения собственно прилунения были выполнены, можно сбрасывать тягу.
Т'+06:26. Астронавты почувствовали облегчение: долгая высокочастотная вибрация от работавшего на полную мощность двигателя словно прессовала их нервное напряжение.
Т'+07:18. На высоте менее 4,5 км «Орел» уменьшил наклон своей оси к вертикали до 55°, и лунный горизонт появился узкой полоской на дне треугольных иллюминаторов. Баллистики в ЦУПе перевели дух: модуль вошел (попал!) в так называемую «трубку дальнего подхода» — расчетный конус траекторий с острием на поверхности Луны и расширяющейся вверх воронкой, имеющей диаметр входа около 500 м. Хорошая техника, послушная автоматика, высокопрофессиональный ЦУП и прекрасно подготовленный экипаж сделали это! «Орел» был на пороге «Верхних ворот».
Т'+08:24. Начало масштаба — III (1 мин 42 с). «Орел» на высоте 2,3 км, расчетное расстояние до места прилунения 8,1 км. Посадочная площадка уже должна быть в пределах видимости. Горизонтальная составляющая скорости 152 м/с, вертикальная 45,7 м/с. Наклон модуля к вертикали уменьшился до 16°, а тяга двигателя — с 2,7 до 1,1 т. Лунный горизонт поднялся на четверть высоты иллюминаторов и выглядит уже привычно для летчиков, как будто самолет идет на посадку.
Т'+08: 32. Высота 1,9 км, до цели 6,8 км. Капком Чарли Дьюк, понимая, что астронавты беспокоятся за надежность бортового компьютера (сигнал переполнения памяти за прошедшие две минуты возникал еще несколько раз), старался их ободрить: «На девятой минуте вы идете просто замечательно». На этот момент у «Орла» оставалось 20 % топлива для работы посадочного двигателя, к концу этапа «Верхних ворот» его останется 10 %.
Реальная посадка существенно отличалась от имитации на тренажере, все операции заняли больше времени, чем планировалось. Но в этом и была особенность первого прилунения. Экипажи следующих экспедиций будут гораздо активнее ориентироваться по особенностям рельефа, но эта посадка была испытательной, в первую очередь для посадочного оборудования. Астронавты очень тщательно выполняли все процедуры управления модулем и старались ежесекундно информировать ЦУП о своих действиях. Они прокладывали первую дорогу к Луне, и если она оборвется, не дойдя до цели, то те, кто пойдут за ними, будут хорошо информированы «до последней секунды».

Рис. 6.33. Вид из снижающегося лунного модуля на место посадки.
На высоте 1,3 км Армстронг проверил бортовой компьютер на вызов полуавтоматической программы, переключив контроллер на ручное управление, и снова передал «Орел» автопилоту. На высоте 900 м код переполнения памяти появлялся еще дважды, а горизонт Луны занял уже ? высоты окна. Лунная поверхность стремительно надвигалась, пришло время хорошенько к ней присмотреться.
Район посадки, указанный прицелом на окне, находился на расстоянии 3 км и выглядел еще расплывчато, но имел характерные приметы. «Орел» летел к трем кратерам диаметром по 200–300 м, лежащим цепью поперек трассы снижения. Кратеры были старые, с низкими разрушенными валами. «Орел» летел в сторону левого и центрального кратеров; пройдет он между ними или пролетит над одним из них, было пока неясно.
В 2,5 км от «прицельной» точки (высота 700 м) стало понятно: «Орел» пройдет между левым и центральным кратерами, над ложбиной шириной 300 м, но сильно прижавшись к левому кратеру. Это не радовало, так как края кратеров и их склоны — места для посадки непригодные, а прицел на окне «говорил», что садиться придется где?то сразу за двумя этими старыми вмятинами.
На высоте 400 м сигнал переполнения памяти появился в последний раз. Вся площадь по трассе «Орла» была усеяна средними (20–30 м) и мелкими (5-10 м) кратерами — оспинами и напоминала поле боя после артобстрела, с холмами и ложбинами, обильно засоренное каменной россыпью. В километре от цели, на высоте 250 м, лунная поверхность занимала уже ? высоты иллюминаторов, и каждый из пилотов видел в своем оконце свой пейзаж: Олдрин разглядывал межкратерную ложбину, а на Армстронга стремительно надвигался левый кратер.
На этапе «High Gate» время на индикаторе ЭВМ отсчитывается на уменьшение; с его окончанием индикация обнуляется и загорается расчетное время работы двигателя на оставшемся топливе (2,5–3,0 минуты). Это время распределяется так: 114 секунд на выбор площадки прилунения и 20 — на последнюю попытку аварийного отстрела и взлета ВС, если посадка невозможна из?за сложности рельефа.
Т'+10:06. Скорость снижения 1,0 м/с, горизонтальная скорость 20,4 м/с. Обе скорости быстро уменьшаются за счет работы тормозного двигателя. Это «Low Gate» (масштаб IV, 1 мин 8 с), этап снижения до высоты 150 м с расстоянием до цели 550 м. До сих пор «рулил» пилот, но теперь управление берет командир: сажать корабль будет Армстронг. Этот этап, снятый 16–миллимеровой кинокамерой, установленной в кабине перед окном Олдрина, часто показывает телевидение, но съемка эта нуждается в комментарии. Во — первых, кинокамера снимала только то, что видел правый пилот, Олдрин, а зона обзора левого пилота, Армстронга, съемкой не охвачена. Поэтому приближающаяся область с местом посадки была отрезана краем кадра. Во — вторых, камера смотрит вниз, как бы в ноги «Орлу». Сами пилоты издали следили за надвигающимися деталями рельефа, во всей полноте перспективы, а мы, изучая их посадку, идем как бы «по их следу», более детально рассматривая пролетающую под днищем модуля поверхность.
Чтобы понять, что же видели астронавты на самом деле, автору этой главы пришлось для каждого кадра фильма панорамировать специальную фотокарту участка посадки, выполненную в NASA, и накладывать на эти масштабируемые фотопланы контуры иллюминаторов. После такой посекундной кино — фотореконструкции посадки происходившее тогда стало понятнее.
Т'+11:14. Масштаб V (последние 40 секунд). На высоте 150 м над поверхностью при расстоянии 800 м до цели автопилот круто наклоняет трассу снижения. Кабина уменьшает наклон к вертикали до 8°, и небольшой кратер, расположенный прямо по трассе движения, начинает быстро увеличиваться в размерах. «Орел» словно затягивает в него, и в этот момент командир Нил Армстронг понимает, что пора переходить на ручное управление.
39-38 с (теперь будем отсчитывать время до посадки). На высоте 130 м Армстронг переводит управление в полуавтоматический режим. Теперь поступательным движением модуля и его ориентацией по трем осям командир может управлять сам с помощью маневровых двигателей, а автопилот контролирует тягу основного двигателя. Армстронг устанавливает горизонтальную скорость 3,0–4,5 м/с и скорость снижения 0,3 м/с. Олдрин следит за показаниями бортовой индикации и вслух считывает командиру высоту и скорость модуля, угол возвышения цели и остаток топлива. «Орел» постепенно снижает скорость, приближая ее к установкам Армстронга.
38-35 с. На высоте 100 м при расстоянии 450 м от прицельного места миновали наконец большой левый кратер. Его склон удалось хорошо рассмотреть: он почти сплошь был усыпан камнями размером от 1 до 3 м — попробуй прилунись! Армстронг позже говорил, что у него была мысль сесть в кратер или между камней, чтобы доставить удовольствие ученым — геологам. Но, вероятно, это была шутка, так как высота и скорость полета на данном участке не позволили бы это сделать. Переговоры с ЦУПом в этот период были предельно лаконичными: на Землю шли только цифры скорости и высоты полета; с Земли доносилось ободряющее: «„Орел", выглядите отлично. Вы спускаетесь…»
35-33 с. Высота около 90 м. Армстронг может управлять «Орлом», но рулить ему особенно некуда Слева и снизу все еще тянется пологий, усыпанный глыбами и изрытый оврагами склон большого кратера, а справа плотная цепь средних (20–40 м) кратеров с заметно приподнятыми (примерно на 5 м) краями и подступами, испещренными рытвинами и камнями.
33-30 с. Высота 65 м, наклон кабины 5–4°. Она пролетает над последним из кратеров в цепи справа, поверхность начинает выравниваться и сглаживаться; до цели 350 м.
30-27 с. Высота 45 м, до цели 300 м, Армстронг снова слегка качнул «Орел» вперед по тангажу (до 2–3°) и увидел по курсу два кратера 20–30 м в диаметре, поверхность за ними кажется сравнительно чистой.
27-25 с. Ось «Орла» практически вертикальна. Спокойно прошли над первым из приблизившейся пары кратеров. Высота 35 м, вся поверхность еще в пологих неглубоких ямках и покатых холмиках, но впереди, за вторым кратером, явно просматривается довольно ровная «поляна», до нее около 150 м. Олдрин отсчитывает командиру вслух значения угла, скорости, высоты и количества топлива в баках ПС (в минутах, оставшихся на поиск подходящего для посадки места).
25-18 с. Армстронг очень медленно перелетает последний по курсу крупный кратер (тот самый, 30–метровый, к которому он, прилунившись, пройдет 60 м пешком), продвигается на 30–40 м вперед и словно крадучись, на высоте около 25 м, начинает искать место, куда поставить «Орел».
Именно за 18 секунд до окончания посадки в иллюминаторы стало заметно воздействие на лунный грунт реактивного двигателя: струи — лучи пыли стали разбегаться от всех выступов — камней, бровок мелких кратеров. Еще через 2 секунды уже вся видимая площадка начала словно «смываться», как смывается водой акварельный рисунок. Еще через секунду стало заметно, что со всего участка под модулем верхний слой пыли раздувает в стороны, но камни остаются на месте, ясно видны и четко обозначают выбранное командиром небольшое ровное место между кратерами и ложбинами.
Из переговоров «Орла» с ЦУПом:
«Орел»: «…5? вниз, 9 вперед…»
«…5 %. Горит „количество" 23 метра, все хорошо».
«…Вниз половина. 6 вперед…»
ЦУП: «…60 секунд» (это остаток топлива).
18-14 с. С высоты 20 м Армстронг облюбовал чистое от камней и рытвин место размером 30x30 м. Медленно, бочком, со снижением до 15–10 м, полностью гасит поступательное движение. Модуль снижается еще на 5 м, и тут Нил довольно резко двигается вперед метров на 10.
«Орел»: «…Огни включены. Вперед. Вперед».
«…Хорошо. 12 метров, вниз 2?· Немного пылим».
«…9 метров. 2? вниз. Слабая тень».
14-5 с. Вот теперь пыль внизу разгулялась вовсю, но камни и яркие края небольшой цепочки из трех мелких кратеров продолжают хорошо просматриваться. Армстронг медленно ведет корабль к поверхности. На грунте (в правом верхнем углу кадра) показалась тень щупа посадочной опоры модуля, а через секунду — тень и самой «лапы». «Орел» покачивается, на миг тень опоры уходит вверх и тут же снова «впрыгивает» в кадр, уже вместе с тенью от посадочного двигателя. Снова их тени уходят вверх и снова появляются. Две секунды мы видим, как два мелких камешка «проплывают в тумане» под модулем, пересекая тень опоры по диагонали слева направо и сверху вниз, это значит, что модуль движется чуть вперед и влево. Высота 5–3 м.
«Орел»: «…4 вперед, 4 вперед. Сносит вправо слегка…»
«…6 (искажение) вниз половина…»
ЦУП: «…30 секунд».
«Орел»: «…Вперед… сносит вправо… контакт…»
5-0 с. Тень левой стойки и ее тарельчатой опоры видны очень хорошо и опустились уже на всю высоту окна. За тенью двигателя показалась и тень передней стойки с трапом для спуска на Луну. Неожиданно весь этот перевернутый «букет теней» резко занимает всю верхнюю половину окна, на мгновение замирает и сразу за этим начинает страшно разрастаться, занимает ?, ?, ? окна… еще секунда — и все замерло, камера «встала», в кадре чернота…
«Орел»: «…О’кей, двигатель выключен». И спустя некоторое время: «Оба режима управления на автомат».
ЦУП: «…Стало быть, сели, „Орел"?»
Т'+11:57 (102:47:07):
Армстронг: «…Хьюстон, здесь База Спокойствия. „Орел" сел».
ЦУП: «…Ну, мы снова дышим…» И позже: «…„Колумбия", он сел! „Орел" на Базе!»
«Колумбия»: «…Да, я все слышал, База… Вы действительно проделали фантастическую работу».
Армстронг: «…Спасибо, жди нас на орбите».
Просматривая сотни раз: в замедленном и ускоренном темпе, поступательным и обратным ходом — видеозапись последних секунд посадки, сверяя ее с фотопланом места прилунения, удивляешься хладнокровию и мастерству командира Армстронга. Нил поставил LM точно в центр сравнительно чистого участка, на почти одинаковом удалении от всех окружающих площадку неровностей — кратеров, вмятин, камней, с вертикальным креном всего 4,5°.
После посадки экипаж LM находится в режимах ожидания (Т1 + Т2): оставаться или аварийно стартовать с Луны?
Т1?4 минуты — не разгерметизировать скафандры.
Т2 — время полного оборота CSM вокруг Луны, перчатки и шлемы уже можно снять.
После предстартовых аварийных операций астронавты показали землянам через окна лунную панораму и красочно описали детали пейзажа на месте посадки.

Рис. 6.34. «Гагаринская» улыбка Нила Армстронга: «Ну вот мы и на Луне!»
103:39:41. Еще до окончания Т2 «Орел» и ЦУП сверили время миссии: LM был в норме, они оставались! С Земли на борт полетел шквал поздравлений.
США, 20 июля, время в Хьюстоне 15.17. Все в ЦУПе, да и во всех Штатах просто «сошли с ума», даже слегка «позабыли» про экипаж и почти отмахивались от их восторженного описания вида за окном. Лес заранее приготовленных маленьких флажков США гулял по главному залу ЦУПа, дымили гигантского размера сигары… А что творилось на улицах города, да и всей страны!..
СССР, 20 июля, 24.00. В последних теленовостях диктор зачитал сообщение (цитирую по памяти): «Сегодня в 23 часа 17 минут и 43 секунды по московскому времени лунная кабина американского космического корабля „Аполлон-11“ совершила успешную посадку на поверхность Луны в районе Моря Спокойствия с координатами… Командир экспедиции Нил Армстронг доложил Центру управления: „Алло, Хьюстон, говорит База „Спокойствие". „Орел" на Луне"»…
У нас не было ощущения поражения в какой?то «гонке», да мы и не знали про нее, но было странное «подвешенное» состояние души: а мы—т?, «первые — первые», — и что? История советской лунной пилотируемой программы — это отдельная и во многом еще темная комбинация трагических ошибок и заблуждений. Но наш рассказ не об этом.
На Луне утро, ослепительное Солнце невысоко (14°) над восточным горизонтом, голубая Земля высоко (60°) в черном небе. По плану перед выходом на поверхность астронавты должны были хорошо отдохнуть и даже 5 часов поспать. Но так как по пути к Луне «план по отдыху» экипаж перевыполнил, доктор Бэрри (главный врач программы) удовлетворил просьбу лунных пилотов отменить сон и приступить к EVA.
108:02. Дооснащение уже надетых на астронавтов скафандров снаряжением для EVA идет снизу вверх: лунные ботинки (slippers), ранцевые системы (PC) жизнеобеспечения, шлемы — колпаки и специальные лунные перчатки из тканого стального материала с резиновыми «наперстками» на каждом пальце. Затем скафандры герметизируются, и включаются индивидуальные СЖО.

Рис. 6.35. Тот самый «маленький шаг» (телепередача).
108:21. Астронавты проверяют готовность водяного охлаждения скафандра к включению (охлаждение начинает полноценно функционировать только в полном вакууме, после разгерметизации кабины).
Армстронг: «Моя антенна скребет о крышу. Мы приступаем к разгерметизации кабины». Давление во взлетной ступени начинает падать.
108:22. Олдрин в шутку замечает, что они выйдут на свидание с Селеной небритыми.
108:42. Астронавты завершают проверку всех систем LM и «зачищают» модуль: все ненужные свободные предметы запихивают в пристенные ящички в «коридоре» LM.
108:53. Проверяют аварийные СЖО и приступают к открытию выходного люка.
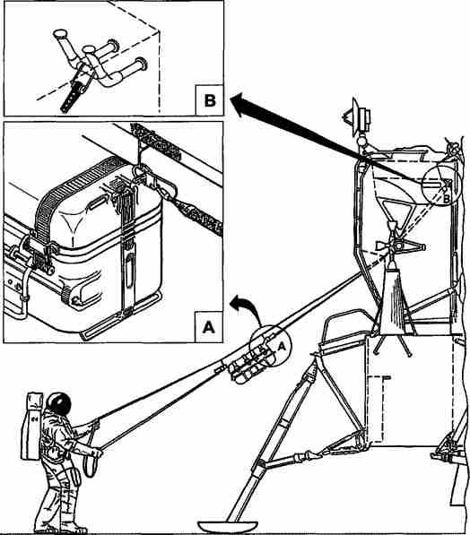
109:07:05. Люк открыт. Нил продвинулся к выходу. Базз подготовил сумку с фотокамерой, тефлоновыми пакетами — контейнерами для образцов и маленький «сачок» с ручкой. Сумка подвешивается карабинами к спускаемому за борт «лунному конвейеру оборудования» (Lunar Equipment Conveyor, LEC), который сами астронавты называют «бельевой веревкой». Это длинная петля из ремня, пропущенного через ролик в кабине. Астронавт натягивает ее после выхода из LM и, перебирая руками, создает «конвейерную ленту», с помощью которой можно (теоретически) втягивать груз в LM или спускать его вниз.
109:15. Нил на четвереньках, ноги уже снаружи, а голова и плечи еще в LM. Базз подает ему сумку, Нил кладет ее на площадку за люком снаружи.
109:19. Нил на наружной площадке у люка.
109:20. Тянет за кольцо замка, открывающего наружный отсек хранения модульного оборудования (MESA); отсек откидывается — раскрывается, включается находящаяся в нем черно — белая телекамера, начинается трансляция выхода астронавтов на Луну (первые 30 секунд — вверх ногами).

Рис. 6.36. Lunar Equipment Conveyor (LEC) — это капроновый ремень, натягиваемый астронавтами из кабины к поверхности. К нему карабинами подвешивается груз и перемещается в нужном направлении (альпинисты с помощью подобного устройства переправляют себя и грузы через ущелья).
С момента открытия выходного люка до первого шага по Луне пройдет около получаса. Жена Армстронга будет впоследствии подшучивать над мужем: «Он тянул время, так как не придумал еще, что же он скажет, ступив на Луну».
На площадке Армстронг осматривается — первая ступенька трапа кажется ему «несколько разрушенной, но пригодной для использования». От нижней ступеньки до грунта 76 см; планировалось, что LM прилунится с некоторой вертикальной скоростью, и посадочные стойки укоротятся от удара, но Армстронг выполнил абсолютно мягкую посадку. Поэтому, спустившись до конца трапа, дальше он должен был спрыгивать на тарельчатую опору передней стойки. Выбирался он из люка по площадке к трапу около 10 минут; по трапу он двигался как кошка, которая с сухого крыльца спускается на мокрую траву.
109:21. «Я стою на трапе. Потребуется небольшой прыжок… Я собираюсь спуститься…» Следующие 4 минуты удивительно напоминают первые шаги ребенка, впервые вставшего на ноги. Посудите сами…
На последней ступеньке раздумывал 1 минуту 9 секунд, затем крайне осторожно, «на руках» (держась за вертикальные планки трапа), скользя бедрами по последней перекладине, 10 секунд спускал тело вниз (словно с дерева слезал, обнимая ствол) и поставил ноги на тарельчатую опору стойки. Замирает на 5 секунд и, отталкиваясь ногами от тарельчатой опоры вверх, испытывает возможность возвращения назад. Но прыжок был явно слабым, и астронавт, дотягивая себя руками, только с трех дожимов (9 секунд) с трудом попал ступнями на нижнюю планку трапа. Еще 9 секунд переводит дыхание и уже смело спрыгивает с легким горизонтальным толчком от трапа руками, не отпуская вертикальные планки трапа, а скользя по ним кистями рук. Через 1,5 секунды плавный (слабая гравитация!) соскок уже уверенно заканчивается все на той же тарельчатой опоре стойки LM.
Около минуты он еще держится за трап, затем отрывает левую руку и поворачивается лицом к телекамере. Чуть больше минуты смотрит на почву у тарельчатой опоры и первый раз касается ее носком ботинка. Еще через 1,5 минуты первый раз наступает на лунный грунт одной ногой, затем возвращает ногу на опору. Делает это еще и еще, все с большим нажимом в течение 1 минуты 12 секунд. Пятисекундная пауза, и Нил сходит с опоры на грунт обеими ногами. Но почти сразу же хватается руками за горизонтальную распорку стойки и еще 15 секунд припрыгивает, как бы утаптывая почву под собой. Наконец отрывается от «маминой ручки» и начинает двигаться по Луне «на своих двоих».
109:24:20. Армстронг окончательно убедился, что Луна его держит, и произнес исторические слова: «Один маленький шаг человека — гигантский скачок человечества».
В Москве было ранее утро 21 июля, 05:56. Увы, почти все отечественные публикации об «Аполлоне-11» повторяют однажды запущенную лживую сенсацию — «только СССР и Китай не уважили родное население и не показали прямые телетрансляции выхода американского астронавта на Луну». Это неправда. Показали, только не в 5:56 утра, когда многие советские люди спешили на работу, а в новостных выпусках, почти каждый час, весь день.

Рис. 6.37. Фотокамера Hasselblad EDC, которой пользовались все лунные экспедиции. 12 таких камер остались на Луне, и только их кассеты с 70–миллиметровой пленкой вернулись на Землю. Каждая кассета содержала 160 кадров цветной или 200 кадров черно — белой пленки.
109:25. Нил осмотрелся и начал описывать пейзаж: «Поверхность блестит и покрыта пылью… Я могу свободно собрать ее носком ноги… Я вижу следы моих ботинок на мелкой песчаной пыли… Вроде здесь передвигаться даже легче, чем на тренажере… Кажется, при передвижении трудностей не будет…» Он поднял голову и увидел Олдрина в окне LM. Базз спокойно ждал, пока командир займется наконец чем?то серьезным.
Все инструменты для работы на поверхности находятся в наружном отсеке MESA. Но перед первым выходом на Луну фотокамера и тефлоновые пакеты для образцов грунта были в кабине (вдруг MESA заест и не откроется после жесткой посадки), так что сейчас они лежали в сумке на площадке у люка LM. Армстронг натягивает «бельевую веревку» LESO, конец которой он сбросил вниз, выходя из LM, и которая свисала теперь с площадки между трапом и раскрытым MESA. Базз аккуратно спускает по LEC сумку; спустя 4 минуты она внизу; Нил вынимает камеру, прикрепляет ее к груди (2 минуты) и отходит от LM метра на два — фотографировать панораму места посадки (pani). Время первого лунного кадра (AS11-40-5850) — 109:30:53.
Для взятия «аварийного образца» грунта — на случай экстренного старта с Луны — Нил собрал черпак (сачок + ручка) и стал довольно неуклюже царапать им лунную поверхность. Зачерпнув горсть пыли и несколько мелких камешков, он снял сачок с ручки, переложил его в тефлоновый пакет, подвешенный к рукоятке фотокамеры, и отнес пакет с образцом в сумку. Затем вынул из кармана новый сачок, надел его на ручку и повторил операцию. Второй «аварийный образец» он также отнес в сумку, а не нужную более ручку «сачка» просто выбросил за спину.
Два главных дела были сделаны. «Я немного вспотел», — радостно доложил Нил.
109:39:57. Пришла пора удвоить население Луны: пилот «Орла» Олдрин выбирается через люк, а Нил подсказывает ему, как не зацепиться ранцем за края. Базз на верхней площадке. Нил фотографирует его и дает советы: «Спускаться очень удобно — три шага и затем один длинный шаг».
Сойдя с площадки на первую перекладину трапа, Базз решил вернуться и тщательнее прикрыть дверцу: «Я вернусь прикрыть крышку люка, на ближайшие часы это наш дом, и я хочу о нем позаботиться». Как и Нил, Базз испробовал процедуру возвращения обратно на трап LM. Первая попытка, как и у командира, получилась неуверенной, зато во второй раз он оттолкнулся сильнее и эффектно взлетел на нижнюю перекладину.
109:42:50. Закончив с прыжками, Олдрин сходит с опоры LM на Луну. Какое?то мгновение он не может сосредоточиться, потрясенный той особой красотой Луны, которая будет поражать всех лунных путешественников: «Великолепное запустение!»
Наконец?то командир и пилот встретились на Луне. Тесных объятий или ударов рука об руку (как в кинофильме «Аполлон-11») не было, ведь у Нила на груди торчала солидная камера «Хассельблад». Вместо этого была чрезвычайно милая сценка — две сутулые белые «гориллы» несколько секунд приветственно подпрыгивали друг перед другом. Попрыгав, стали обмениваться впечатлениями. Олдрин заметил, что он еще ничего не сделал, а скафандр уже выпачкан пылью, которая, видимо, осела на трап во время посадки. Оба отметили, что ранцевая система за плечами почти не стесняет движений благодаря мягкой и эластичной ткани скафандров. Затем астронавты обратили взоры на грунт под посадочным двигателем и удивились, что реактивная струя не вырыла в порошкообразном материале заметной воронки, а лишь оставила на поверхности радиально разбегающиеся следы. Осмотрев посадочные стойки, отметили, что все три щупа согнуты в одном направлении, что говорило о наличии у LM боковой скорости при посадке. (На стойке с трапом щупа не было, так как при посадке он мог бы загнуться вверх и стать препятствием при спуске с трапа.)
109:47. Армстронг распаковывает MESA, а Олдрин учится ходить, маяча туда — сюда перед камерой, рассматривая лунную поверхность и рассказывая о свойствах грунта.
109:49. Распаковали MESA, Нил сменил объектив на телекамере в MESA. Достали из сумки мемориальную табличку — пластину с хомутиком — и за пару минут прикрепили ее к расчищенному от экранирующей фольги участку передней стойки, между 7–й и 8–й ступеньками. На табличке — карта Земли с контурами материков (в далеком будущем это поможет определить эпоху, ведь материки движутся) и текст: «Здесь люди с планеты Земля впервые ступили на Луну. Июль 1969. Мы пришли с миром от всего человечества». Внизу четыре подписи: Армстронг, Коллинз, Олдрин, Никсон.

Рис. 6.38. Базз Олдрин выходит на прогулку по Луне. На верхнем левом фото под LM видна белая сумка, в которой Армстронгу спустили фотокамеру и пакеты для образцов грунта.

Рис. 6.39. Разгрузка научных приборов на солнцепеке.
109:51. Достали из MESA телекамеру с длинным кабелем, прикрепили к ней треногу, и Нил понес ее на север, выбирая место для установки. Несколько минут изображение прыгает в такт шагам астронавта.
Нил: «…40–50 шагов, я боюсь [дальше тянуть кабель], Базз».
Базз: «Повернись кругом и покажи им пейзаж… ты запутался в кабеле».

Рис. 6.40. Прогулка Олдрина по Луне.
109:56. Камера установлена в 17 м от LM; земляне увидели на своих экранах лунный модуль в полный рост. Еще 2 минуты ЦУП корректирует наводку камеры, и еще 3 минуты Нил медленно поворачивает ее, показывает землянам круговую панораму места посадки. На горизонте нет ни гор, ни сколько?нибудь заметных деталей рельефа: кажется, что это плоская как стол равнина. Но так видела пейзаж телекамера. А глаза астронавтов замечали в направлении на Солнце некоторую холмистость. Вероятно, это были те самые кратеры в 800 м от места прилунения, над которыми снижался «Орел». А в направлении от Солнца, на расстоянии не более километра, возвышался холм.
110:02. Пока Нил занимался камерой, Базз установил «рабочий стол» (привел в горизонтальное положение примыкающий к MESA щиток), развернул оборудование и взялся за установку «ловушки солнечного ветра» (SWC) — листа алюминиевой фольги, подвешенного на вбитый в грунт штырь.

Рис. 6.41. Олдрин установил «ловушку солнечного ветра».
110:03. В кадр телекамеры входит Армстронг, идет к Олдрину, устанавливающему SWC и фотографирует его своей нагрудной камерой. К сожалению, фотокамера была одна, поэтому на качественных снимках присутствует только Базз.
110:04. Оба астронавта в кадре: Нил подошел к Баззу, «пошептались» о чем?то и походочкой медвежат потрусили к MESA. Три минуты там копались. По обрывкам фраз понятно, что они расчехляют флаг.
Нил: «…Если ты сможешь вытащить этот конец, открою шампанское…

Рис· 6.42. Учимся работать на Луне
Базз: «…Не вытаскивается… Ну вот».
110:06:30. Бодро отходят от MESA с длинным предметом в руках и приступают к установке на Луне национального флага США. Через две минуты флаг разворачивается на еще не закрепленной стойке, еще две минуты астронавты ее крепят.
110:10:33. Флаг установлен, астронавты отступили на несколько шагов и замерли, глядя на символ своей страны, доставленный ими на Луну.
В этот момент на Земле младшего Майка (сына Коллинза) спросили: «Ты знаешь, что твой папа войдет в историю?» Мальчишка, не задумываясь, ответил: «Да». Затем, смутившись: «А что такое история?» Когда Нил и Базз установили флаг, отец Майка на орбите, следя за их переговорами, восторженно произносит вслух: «Это — история!» (Хорошее объяснение сыну — прямо с орбиты Луны.)
110:11:30. Следующие три минуты Армстронг готовил оборудование и инструменты в MESA, а Олдрин не без удовольствия исполнял по просьбе ЦУПа «танцы на Луне»: бегал между LM и телекамерой, перепробовав всевозможные способы передвижения — от широкого шага до «скачков кенгуру».
110:14:27. ЦУП вежливо просит астронавтов оторваться от дел и подойти на минуту к флагу, желательно обоим попасть в кадр обеих телекамер, наружной и камеры внутри LM: их вызывал по телефону из Белого дома президент США Ричард Никсон. В кадре наружной камеры Нил стоял ближе к LM (слева), Базз — справа от модуля и флага. Поза Армстронга напоминала расслабленную стойку боксера, поза Олдрина была напряженной, исполненной торжеством момента.

Рис. 6.43. Знаменитое фото «Первый человек на Луне» (в архиве NASA его номер AS11-40-5903). На самом деле это Эдвин Олдрин, ступивший на Луну вторым. А «первого человека на Луне» — Армстронга — с трудом можно разглядеть в отражении в позолоченном стекле шлема Базза. Там же отражаются «Орел» и… голубой шарик Земли высоко в небе.
110:15:23. Астронавты по — офицерски отдали честь своему президенту и вернулись к графику работы. После разговора с президентом капкомы и специалисты ЦУПа несколько минут вели технические переговоры с орбитальным модулем «Колумбия» и про астронавтов на Луне слегка позабыли, даже просили не мешать, когда те встревали в разговор с Майком. На экране было видно, что Нил копается в MESA, а Базз уже не так энергично, как во время «обязательного танца», задумчиво слоняется по поверхности.
110:19:41. Наконец Нил отходит от MESA с грунтозаборным ковшом в руках, и вместе с Баззом они приступают к сбору основного комплекта геологических образцов метрах в 5-10 от модуля. Но Базз помогал недолго: через 3 минуты он оставил командира упаковывать образцы, а сам вооружился фотокамерой, отошел метров на 15 от корабля и сфотографировал панораму

Рис. 6.44. Работа грузчика на Луне не тяжелая, но пыльная.
110:34:13. Нил за время отсутствия Базза весьма энергично поработал черпаком и теперь герметизирует собранные образцы.
110:41:07. Олдрин заканчивает фотографировать узлы LM и устно описывать их состояние после посадки. Он передает фотокамеру Нилу, и тот, фотографируя Олдрина, делает самые знаменитые кадры этой экспедиции (AS11-40-5902 и AS11-40-5903).
110:50:34. Стоя рядом с лунным модулем и подняв объектив фотокамеры почти вертикально, астронавты поймали в кадр маленькую голубую полусферу в бескрайнем черном небе — родную планету Земля (AS11-40-5923 и AS11-40-5924).

Рис. 6.45. Отражатель лазерного сигнала. Справа от него — стереокамера Голда для детального изучения структуры грунта.

Рис. 6.46. Сейсмометр установлен, солнечные панели развернуты.

Рис. 6.47. Панорама № 5, снятая Н. Армстронгом на максимальном расстоянии от места посадки. Справа — 33–метровый кратер East.
110:53:00. Олдрин открывает грузовую секцию № 2 для извлечения из нее двух научных приборов. Сокращенный комплект научного оборудования EASEP состоит из пассивного сейсмометра и лазерного отражателя, которые извлекаются из грузовой секции ременной тягой через блок на откидывающемся кронштейне. Чтобы выдернуть прибор, требуется реальное усилие: на телекадрах было видно, что Олдрин тянул на себя ремень двумя руками, широко расставив ноги и вкладывая в рывки всю свою массу. Нил при этом фотографировал процесс выгрузки и делал кадры для «панорамы № 4», но при необходимости моментально подбегал на помощь Баззу — принять, мягко опустить на грунт и снять приборы с блока.
110:59:28. Разгрузив секцию, Олдрин, не мешкая, ухватил в каждую руку по прибору и понес их на юг в поиске ровного места для установки. Нил последовал за ним, не забывая делать снимки. Метрах в
20 от LM на юг определились с местом установки. Базз оставляет лазерный отражатель Нилу, а сам проходит еще несколько метров и начинает раскладывать сейсмометр. Хотя комплект научной аппаратуры был сокращенным, повозиться с ним пришлось. Отражатель установили за пару минут: ему не требуется очень точная ориентация. А с сейсмометром были проблемы: одну из солнечных панелей Баззу пришлось раздвигать вручную. А потом вдвоем выставляли сейсмометр по уровню: пузырек упорно не попадал на середину.
111:10:30. ЦУП продлил время пребывания на Луне на 15 минут; из них 10 дано на документированный сбор минералов и взятие двух колонок (кернов) грунта.
111:11:00. Базз сразу возвращается к LM брать керны, а Нил совершает индивидуальный марш — бросок к 33–метровому кратеру в 55 метрах от LM, тому самому, над которым они пролетали за 20 секунд до прилунения. Это была импровизация Нила. Вместо начала второго сбора документированных образцов он вдруг, ничего не говоря ЦУПу, скоренько по — медвежьи затрусил куда?то вдаль. И прежде чем в ЦУПе раскрыли рты: а куда это наш Нил? — Армстронг был уже у кратера и фотографировал «панораму № 5», лучшую панораму экспедиции, в направлении от солнца и с наиболее удаленного и возвышенного места.

Рис. 6.48. Схема расположения LM, научного оборудования и маршрутов перемещения астронавтов.
111:15:13. Нил возвращается к LM и застает там Базза, вколачивающего в Луну грунтозаборник. Второй керн Базз взял в 3 метрах от первого.
111:20:00. Дальше по телерепортажу чувствуется некоторая суета. Собственно, астронавтов никто особенно не торопит, но они как-то истово «доколачивают» отстающий от графика план. Базз быстро снимает и сворачивает «солнечную ловушку», идет к MESA, чтобы взять для нее футляр, и так резко поворачивается, что падает на колени, но тут же встает. Нил мечется по площадке с клещами для сбора образцов, при этом энергично и не очень избирательно дощелкивая последние кадры фотокассеты.

Рис. 6.49. Расположение астронавтов во взлетной ступени лунного модуля. Слева: в таком положении пилот управляет полетом. Справа: а так Армстронг и Олдрин пытались провести свой последний эксперимент — заснуть в LM.
111:22:04. Сбор образцов завершен. Вдвоем впихивают «солнечную ловушку» в футляр, и Базз идет к трапу. Через минуту он уже наверху, у люка. Открывает его и ждет, пока Нил уложит в сумку футляр с ловушкой, фотокассеты и фильтры СЖО LM. Поднимает за ремень сумку на площадку, сует ее в люк и влезает вслед за ней.
111:31:07. Начинается подъем контейнеров с образцами. Нил с силой, отклоняясь всем телом, натягивает ремень LEC, и первый контейнер, раскачиваясь, неспешно поднимается в кабину. За ним следует и второй контейнер.
111:37:32. Армстронгу тоже пора возвращаться. Около минуты он задумчиво стоит у трапа: то ли прощается с Луной, то ли ждет, когда Базз освободит проход. Потом тщательно «по — земному» вытирает ноги о тарелку опоры, словно о коврик перед дверью, и, резко оттолкнувшись, «взлетает» на первую ступеньку трапа. Забраться в ВС оказалось сложнее, чем выбраться наружу. Олдрин помог Армстронгу протиснуться внутрь и закрыл люк на Луну.

Рис. 6.50. «Орел» (то, что от него осталось) возвращается. В этом угловатом «летающем шифоньере» двое смельчаков стоя несутся над безжизненной планетой, мечтая поскорее отправиться к другой — голубой.
111:39:15. Астронавты «дома». Олдрин был снаружи 1 час 42 минуты, Армстронг 2 часа 13 минут. Во взлетную ступень загружены: сумка с отснятыми на поверхности фотокассетами, свернутая SWC и два контейнера с образцами лунного грунта общей массой 21,6 кг. Еще раз открыли люк и сбросили вниз использованное оборудование. Затем — герметизация и наддув кабины кислородом, переключение шлангов скафандров на СЖО ВС, снятие ранцевых СЖО, лунных перчаток и ботинок.
115:10. Итак, дело сделано, до старта с Луны осталось 9 часов 12 минут. Последним экспериментом был сон: по программе астронавты должны были «обязательно поспать» на Луне. Требовалось узнать, как это получится, ведь предстояли 2- и 3–дневные экспедиции. Опыт оказался отрицательным. Кабина не имела обогрева, и хотя температура ее кислородной атмосферы теоретически должна была поддерживаться на уровне +18 °C, было очень холодно. Не спал Армстронг, устроившийся на взлетном двигателе, не спал и Олдрин — на полу.
124:22-130:45. После уверенного старта ВС с Луны, маневрирования на орбите, встречи и стыковки с «Колумбией» из уст Армстронга прозвучало почти родное: «Приехали!»
131:33. По возвращении астронавтов с лунной поверхности на орбиту они получили из ЦУПа море поздравлений, даже от премьер — министра СССР Косыгина (правда, косвенно, через бывшего вице — президента Хемфри, находившегося с визитом в СССР). «Нью- Йорк Таймс» вышла с самым крупным заголовком в своей истории. Астронавты пошутили по поводу своего «большого вклада» в историю печати, передали привет миллионам американцев.
135:25. ВС отстыкована, включен маршевый двигатель CSM, и корабль повез их домой.
24 июля в 195:18 (19 час 49 мин по московскому времени) «Аполлон-11» приводнился в Тихом океане. Первое межпланетное путешествие землян счастливо окончилось.
Более 800 000 книг и аудиокниг! 📚
Получи 2 месяца Литрес Подписки в подарок и наслаждайся неограниченным чтением
ПОЛУЧИТЬ ПОДАРОК