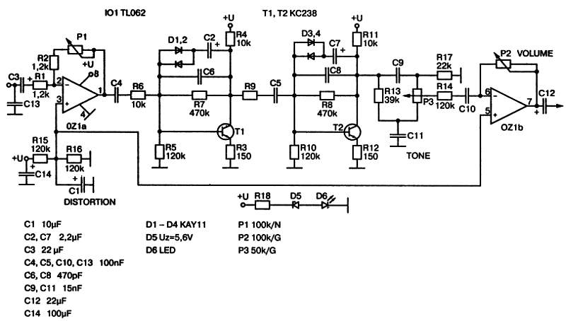
6.2. Бустер для электрогитары [12]

Предлагаемая конструкция, принципиальная схема которой приведена на рис. 28, используется для изменения окраски звука электрогитары. Синусоидальный сигнал в этом устройстве ограничивается до сигнала, близкого к прямоугольным импульсам.

Каскад на операционном усилителе OZ1a микросхемы IO1, имеющий переменный коэффициент усиления, увеличивает амплитуду входного сигнала. Конденсатор С13 подавляет высшие гармоники сигнала, пропуская низшие гармоники. Непосредственное ограничение сигнала осуществляется с помощью диодов D1-D4, включенных в цепи обратной связи транзисторов Т1 и Т2. При меньшем коэффициенте усиления входного усилительного каскада ограничение сигнала будет меньше и наоборот. Тоновая окраска (содержание высших гармоник) регулируется потенциометром РЗ. Каскад на операционном усилителе OZ1b микросхемы IO1 обеспечивает низкое выходное сопротивление устройства и необходимый уровень сигнала на его выходе.

Питание данного устройства осуществляется от батареи напряжением 9 В при потребляемом токе (без диода D6) 1 мА. В качестве микросхемы IO1 выбрана микросхема типа TL062, имеющая малый потребляемый ток. Для контроля состояния батареи, а также для того, чтобы музыкант не забывал выключить устройство, в цепь питания может быть включен диод D6, который также должен иметь малый рабочий ток.

Благодаря малому количеству используемых деталей, устройство можно разместить в любом подходящем корпусе. Выключатель напряжения может быть механически соединен с одним из потенциометров.

Рис. 28. Принципиальная схема бустера для электрогитары

Более 800 000 книг и аудиокниг! 📚

Получи 2 месяца Литрес Подписки в подарок и наслаждайся неограниченным чтением

ПОЛУЧИТЬ ПОДАРОК