6.4. Увеличение длительности звучания электрогитары [14]

В отличие от приставок «fuzz», в которых сигнал симметрично ограничивается, в данном устройстве сигнал от электрогитары искажается минимально. Коэффициент усиления приставки увеличения длительности звучания электрогитары изменяется в зависимости от значения уровня входного сигнала. При этом обеспечивается минимальное изменение уровня сигнала на выходе данного устройства при изменении уровня входного сигнала в определенных пределах. Таким образом, данная приставка выполняет примерно те же функции, что и, например, схема автоматической регулировки уровня записи (АРУЗ) в магнитофоне. На практике рассматриваемый эффект проявляется в том, что звучание гитары длится дольше.

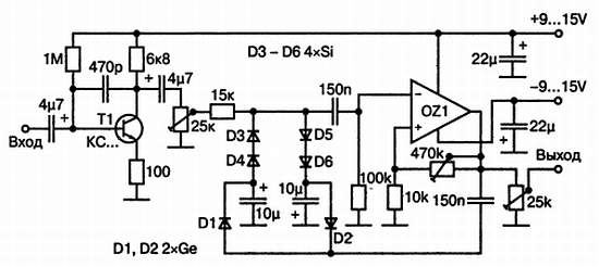
Принципиальная схема приставки для увеличения длительности звучания электрогитары приведена на рис. 31.

Рис. 31. Принципиальная схема приставки для увеличения длительности звучания электрогитары

Сигнал, поступающий на вход приставки со звукоснимателя электрогитары, усиливается каскадом, выполненным на транзисторе Т1. Подстроечным потенциометром, имеющим сопротивление 25 КОм, устанавливается базовая чувствительность устройства. Усиленный сигнал далее подается на диодный делитель и каскад усиления, выполненный на операционном усилителе. С выхода операционного усилителя OZ1 усиленный сигнал проходит не только на выход приставки, но и через конденсатор емкостью 150 nF поступает на симметричный выпрямитель, выполненный на германиевых диодах D1 и D2.

Через кремниевые диоды D3-D6 протекает ток, который будет тем больше, чем больше напряжение на выходе устройства. Чем больший ток протекает эти через диоды, тем больше их динамическое сопротивление, в результате напряжение на входе операционного усилителя OZ1 меньше. Таким образом, схема будет стараться удержать уровень выходного сигнала на постоянном уровне. Поскольку переменное напряжение на регулирующих диодах сравнительно мало, то и искажение сигнала, вызванное нелинейностью вольт-амперной характеристики диодов также будет незначительным.

В данной конструкции можно использовать микросхемы типа 741, TL071 или TL081, не нуждающиеся в частотной компенсации. Если же будут применяться микросхемы типа 748 или NE5534, то между выводами 1 и 8 следует подключить конденсатор емкостью несколько пикофарад. В приставке можно использовать любой универсальный транзистор проводимости n-р-n, например, серий КС или ВС. Диоды могут быть практически любыми.

Более 800 000 книг и аудиокниг! 📚

Получи 2 месяца Литрес Подписки в подарок и наслаждайся неограниченным чтением

ПОЛУЧИТЬ ПОДАРОК