4.2. Мерцающий цветок [9]

Приятным сюрпризом на елке, без сомнения, окажется двухцветный мерцающий цветок. В этом устройстве используются семь двухцветных LED-диодов, которые на печатной плате располагаются в форме лепестков цветка. При этом они поочередно светятся то зеленым, то красным цветом. Расположенный в центре цветка светодиод также двухцветный, однако в то время, когда остальные LED-диоды загораются, например, зеленым цветом, он светится красным, и наоборот. Это простое устройство конструктивно выполнено в виде отдельного модуля, который можно разместить на елке в качестве украшения или вмонтировать в какую-либо игрушку или сувенир.

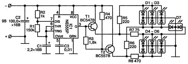
Модуль разноцветного мерцающего цветка представляет собой обычный переключатель, в котором напряжение питания поочередно подается на две группы светодиодов. Принципиальная схема прибора приведена на рис. 16.

Рис. 16. Принципиальная схема модуля мерцающего цветка

Предлагаемое устройство, которое выполнено всего на одной микросхеме и двух транзисторах, условно можно разделить на три функциональных блока: задающий генератор, блок управления и схему индикации.

Задающий генератор, формирующий импульсы управления, выполнен на микросхеме IC1, которая включена по схеме нестабильного мультивибратора. При этом частота переключения мультивибратора определяется величиной сопротивления резистора R1 и значением емкости конденсатора С1. Переключающие импульсы с выхода задающего генератора (вывод IC1/3) подаются на базы транзисторов Т1 и Т2, с помощью которых обеспечивается непосредственная подача напряжения на соответствующие группы светодиодов.

При формировании на выходе микросхемы IC1 (вывод IC1/3) непрерывной последовательности положительных и отрицательных управляющих импульсов транзисторы Т1 и Т2 будут поочередно отпираться. Так, при отпирании положительным импульсом транзистора Т1 через его открытый переход «коллектор-эмиттер», аноды соответствующей группы двойных светодиодов D1-D7 окажутся подключенными через резисторы R5 и R7 к плюсу источника питания, что приведет к свечению этих диодов одним из цветов. По окончании управляющего импульса транзистор Т1 вновь закроется, а светодиоды погаснут. При отпирании отрицательным импульсом транзистора Т2 через его открытый переход «коллектор-эмиттер» к плюсу источника питания через резисторы R6 и R8 окажутся подключенными аноды второй группы двойных светодиодов D1-D6. В результате эти светодиоды начнут светиться другим цветом. По окончании импульса транзистор Т2 вновь закроется, а светодиоды погаснут. Поступление на базы транзисторов последовательности управляющих импульсов от задающего генератора (IC1) обеспечит поочередное свечение диодов до тех пор, пока не будет отключено питание. Расположенный в центре цветка двухцветный светодиод D7 включен таким образом, что в то время, когда остальные диоды загораются зеленым цветом, он светится красным, и наоборот.

Все детали модуля мерцающего цветка размещены на печатной плате размером 68x42 мм. Рисунок печатной платы приведен на рис. 17.

Рис. 17. Печатная плата модуля мерцающего цветка

Расположение деталей на печатной плате прибора приведено на рис. 18.

Рис. 18. Расположение деталей на печатной плате модуля мерцающего цветка

Вместо двухцветных светодиодов можно использовать и любые одноцветные LED диоды. В этом случае один двухцветный диод просто заменяется двумя обычными светодиодами разных цветов, соединив их катоды. Однако при этом необходимо внести соответствующие изменения и в рисунок печатной платы, просверлив дополнительные отверстия.

Указанный на схеме р-n-р-транзистор ВС557В (Т2) можно заменить, например, на отечественный транзистор типа КТ668В. Вместо n-р-n-транзистора ВС547В (Т1) можно установить отечественный транзистор типа КТ3102БМ.

Установку элементов на печатной плате следует проводить в обычном порядке, то есть сначала необходимо впаять перемычку и панельку микросхемы, затем резисторы и конденсатор СЗ, транзисторы и конденсаторы С1 и С2. После этого можно установить на печатную плату модуля светодиоды. В процессе монтажа элементов особое внимание необходимо обращать на правильное расположение выводов транзисторов, электролитических конденсаторов и светодиодов. При этом у светодиодов при определении назначения выводов не следует руководствоваться их длиной. В любом случае у двухцветных LED диодов средний вывод является общим катодом. В то же время соответствие цветов оставшихся двух выводов можно проконтролировать с помощью обычной батарейки на напряжение 4,5 В. Для этого достаточно к минусу батарейки подсоединить вывод катода, а к плюсу через резистор сопротивлением 470 Ом поочередно подсоединить оставшиеся выводы.

Таким образом можно определить, какой из них является анодом красного светодиода, а какой — анодом зеленого. При окончательной установке светодиодов на печатную плату можно руководствоваться обозначениями, приведенными на рисунке расположения элементов.

После проверки правильности монтажа к модулю можно подключить источник питающего напряжения 9 В. Поскольку ток, потребляемый устройством, составляет около 60 мА, то для питания модуля мигающего цветка рекомендуется воспользоваться либо двумя включенными последовательно плоскими батарейками типа 3336Л (2x4,5 В), либо сетевым выпрямителем на 9 В, обеспечивающим соответствующий ток.

Собранный без ошибок и из исправных деталей, модуль мерцающего цветка не нуждается в дополнительном налаживании. При желании подбором величин сопротивления резистора R1 и емкости конденсатора С1 можно изменить частоту мигания светодиодов.

Более 800 000 книг и аудиокниг! 📚

Получи 2 месяца Литрес Подписки в подарок и наслаждайся неограниченным чтением

ПОЛУЧИТЬ ПОДАРОК