2.4. Цифровые схемы

2.4.1. Синхронизация от сети

Напряжение электрической сети часто используется в электронных схемах в качестве опорного сигнала для генераторов тактовых импульсов или для синхронизации измерительных приборов. При измерении напряжений, содержащих остаточные пульсации на сетевой частоте, иногда проще произвести замер в определенный момент, чем выполнять тщательную фильтрацию сигнала (рис. 2.20а). При выполнении дискретных измерений через заданные промежутки времени на вход прерывания микроконтроллера часто подают прямоугольный сигнал, синхронизированный с напряжением сети. В этом случае обычно создаются оптимальные условия для снижения погрешностей измерения, связанных с различными помехами и наводками.

Рис. 2.20. Синхронизация от сети (а) и простая схема генератора синхроимпульсов (б)

Для получения прямоугольных синхроимпульсов используется простая схема на стабилитроне в сочетании с резистором. Она ограничивает сверху переменное напряжение, снятое с любой точки вторичной обмотки трансформатора источника питания (рис. 2.20б). Величина сопротивления рассчитывается на основании максимального потенциала в выбранной точке относительно общей точки схемы, а не на основании эффективного значения напряжения.

2.4.2. Логические схемы, управляемые фронтом импульса

Многие логические схемы, в том числе и КМОП типа, реагируют не на состояние входа, а на его изменение. Например, счетчик может срабатывать в тот момент, когда на его тактовом входе возникает перепад напряжения от низкого уровня к высокому или наоборот. В этом случае говорят о логическом элементе, управляемом передним или задним фронтом импульса. Схемы, реагирующие на положительный фронт, то есть на переход от логического нуля к единице, называют положительной логикой, а на переход от 1 к 0 — отрицательной.

Эта характеристика всегда приводится в справочной документации на микросхему. Вход, рассчитанный на управление отрицательным фронтом, маркирован чертой сверху, обозначающей отрицание (рис. 2.21).

Рис. 2.21. Вывод ИС, реагирующий на отрицательную логику

В некоторых случаях, в частности для микросхемы CD4042 (четыре D-триггера), пользователь может сам выбрать тип запуска, подключая определенный вход к положительному или отрицательному напряжению. Во избежание возможных ошибок перед разработкой любой схемы необходимо выяснить тип запуска логических элементов. Например, это относится к счетчикам, где неправильное управление может привести к десинхронизации или потере данных. Часто, чтобы получить требуемый результат, приходится включать дополнительную RC-цепочку и использовать снимаемые с ее выхода короткие импульсы нужной полярности. Типичный вариант такого подключения к тактовому входу D-триггера приведен на рис. 2.22.

Рис. 2.22. Использование RC-цепочки в логических схемах

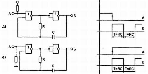
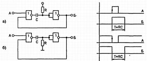
2.4.3. Классические импульсные устройства

Схемы, приведенные на рис. 2.23, представляют собой классические одновибраторы и мультивибраторы (генераторы прямоугольных импульсов).

В одновибраторах (рис. 2.23а, б) длительность выходного импульса не зависит от длительности импульса на входе. Первый одновибратор запускается положительным перепадом напряжения на входе, а второй — отрицательным.

На рис. 2.23в представлен обычный мультивибратор, а на рис. 2.23 г — мультивибратор с регулируемой длительностью импульсов.

В схемах, представленных на рис. 2.23д, е, колебания возникают при подаче на вход логического сигнала соответственно низкого и высокого уровня.

Мультивибратор на двух транзисторах (рис. 2.23ж) используется в низкочастотных устройствах. Такая схема может непосредственно управлять элементами со значительным потребляемым током, например лампочками или реле, которые подключаются к одному из коллекторов (или к каждому коллектору) вместо резистора. В остальных схемах применяются КМОП вентили, рассчитанные на широкий диапазон напряжений питания.

Рис. 2.23. Импульсные схемы

При вычислении длительности импульсов определяющую роль играет произведение RC. Приведенные на рисунке формулы являются приближенными, окончательный результат зависит от частоты, от типа вентилей, а также от напряжения питания. Применяются логические вентили, включенные по схеме инвертора, типа ИЛИ-НЕ или И-НЕ. Их можно также заменить простыми инверторами.

Для формирования периодов большой длительности (значительного времени задержки) предпочтительнее использовать мультивибраторы со средней или высокой рабочей частотой в сочетании с двоичным счетчиком. Наиболее удобны в этом случае микросхемы типа CD4060 и т. п.

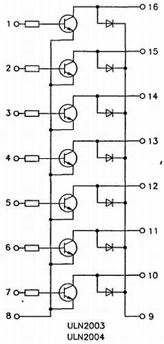
2.4.4, Транзисторные матрицы

Управление несколькими светодиодами или реле осуществляется, как правило, с помощью нескольких одинаковых транзисторов, включенных по схеме с общим эмиттером. К каждому транзистору обычно добавляют защитный диод, предотвращающий опасный выброс напряжения при отключении индуктивной нагрузки. В подобных случаях удобно воспользоваться одной из многих доступных на сегодняшний день интегральных транзисторных матриц. При этом достигается существенный выигрыш в занимаемой площади и сокращение времени сборки.

Наиболее распространенные микросхемы содержат по 7 транзисторов, включенных по схеме с общим эмиттером (рис. 2.24).

Рис. 2.24. Транзисторная матрица

К каждому из транзисторов подключены защитный диод в цепи коллектора и резистор в цепи базы, позволяющий осуществлять непосредственное управление транзисторным ключом как в ТТЛ схемах (напряжение сигнала 5 В), так и в КМОП схемах (напряжение сигнала 3-18 В). Расположение выводов микросхемы непривычно, однако в нем есть своя логика: входы (базы) и выходы (коллекторы) расположены друг против друга на противоположных сторонах корпуса. Общая точка (объединяющая все эмиттеры) находится на выводе 8, как в DIP16, точка присоединения всех диодных катодов — на выводе 9. Последний вывод остается свободным, если диоды не используются (например, при управлении светодиодами). К популярным микросхемам семитранзисторных матриц относятся ULN2003 (ТТЛ) и ULN2004 (КМОП), примеры восьмитранзисторных матриц — ULN2803 и ULN2804.

2.4.5. Согласование КМОП и ТТЛ схем

Еще совсем недавно все логические интегральные схемы принадлежали к семейству ТТЛ (транзисторно-транзисторной логики). Затем появились КМОП схемы и, наконец, комбинированные микросхемы, сочетающие преимущества обоих семейств.

Элементы ТТЛ типа по быстродействию превосходят КМОП микросхемы, но потребляют значительно больше энергии (напряжение питания для них равно 5 В). Схемы на КМОП транзисторах отличаются исключительно малым потреблением тока, особенно при низкой частоте переключения. Они способны работать при напряжении питания от 3 до 15 В. Недостатком таких приборов является их высокая чувствительность к статическому электричеству. Чтобы при работе приборы не выходили из строя, необходимо принимать специальные меры защиты. Однако в настоящее время практически все КМОП микросхемы изготавливаются со встроенной защитой от статического электричества.

Оба типа микросхем широко распространены, и нередко возникает необходимость сочетания в одном устройстве двух ИС различных типов. Это не вызывает трудностей, если их напряжения питания совпадают. В противном случае между выходом одной микросхемы и входом другой нужно добавить согласующий каскад на транзисторе, включенном по схеме с общим эмиттером (рис. 2.25). Следует помнить, что такой каскад инвертирует логические сигналы и для восстановления полярности выходных импульсов после него потребуется включить дополнительный инвертор.

Рис. 2.25. Схема согласования ТТЛ и КМОП уровней

Напомним также, что неиспользуемый логический вход (ТТЛ или КМОП элементов) никогда не должен оставаться свободным. Его следует подключить через резистор к напряжению +UCC или —UCC (в зависимости от типа вентиля) или к точке с подходящим потенциалом, выбрав наиболее простой вариант соединения для данного рисунка печатной платы.

Более 800 000 книг и аудиокниг! 📚

Получи 2 месяца Литрес Подписки в подарок и наслаждайся неограниченным чтением

ПОЛУЧИТЬ ПОДАРОК