4.4. Тестирование компонентов электрических схем

4.4.1. Проверка резисторов

При определении состояния работающих резисторов или новых для замены вышедших из строя необходима их проверка. Постоянные резисторы проверяют внешним осмотром на отсутствие механических повреждений, целость корпуса, его покрытия, прочность выводов. По маркировке и размерам определяют номинальную величину сопротивления, допустимую мощность рассеяния и класс точности, а также соответствие параметров, указанных на корпусе, принципиальной электрической схеме. Омметром измеряют действительную величину сопротивления и определяют отклонение от номинала. Целость выводов проверяют измерением сопротивления резистора при их покачивании.

Переменные резисторы после внешнего осмотра проверяют на плавность изменения сопротивления путем его измерения при вращении оси, на соответствие закона изменения сопротивления резистора (линейное, логарифмическое, обратнологарифмическое) его типу, а также обращают внимание на сопротивление резистора при крайних положениях оси. Если при измерении сопротивления потенциометра при вращении его оси наблюдаются скачки сопротивления, это говорит о его неисправности и о необходимости замены. В работающем устройстве, например усилителе, это может проявляться в скачкообразном изменении громкости звука при его регулировке.

Резистор исправен, если нет механических повреждений, величина его сопротивления находится в допустимых пределах данного класса точности, а контакт ползунка с водящим слоем постоянен и надежен.

4.4.2. Проверка конденсаторов

Простейший способ проверки исправности конденсатора — внешний осмотр, при котором обнаруживаются механические повреждения. Если при внешнем осмотре дефекты не замечены, проводят электрическую проверку. Она включает проверку на короткое замыкание, пробой, целость выводов, а также проверку тока утечки (сопротивление изоляции) и измерение емкости.

Емкость конденсаторов измеряют при помощи измерителя RLC. При отсутствии прибора емкость можно проверить другими способами.

Конденсаторы большой емкости (1 мкФ и выше) на короткое замыкание проверяют омметром на максимальных пределах измерения, измеряя сопротивление между выводами и между выводами и корпусом, если корпус металлический. При этом от конденсатора отпаивают детали, если он в схеме и разряжают его. Прибор подготавливают для измерения больших сопротивлений, общий провод должен быть соединен с положительным выводом конденсатора, а измерительный — с корпусом.

Если емкость конденсатора больше 1 мкФ и он исправен, то после присоединения омметра конденсатор заряжается, и стрелка прибора быстро отклоняется в сторону нуля (причем отклонение зависит от емкости конденсатора, типа прибора и напряжения источника питания), потом стрелка медленно возвращается в положение «бесконечность». При наличии утечки омметр показывает малое сопротивление — сотни и тысячи ом, — величина которого зависит от емкости и типа конденсатора. При пробое конденсатора его сопротивление будет около нуля. При проверке исправных конденсаторов емкостью меньше 1 мкФ стрелка прибора не отклоняется, потому что ток и время заряда конденсатора незначительны.

При проверке омметром нельзя установить пробой конденсатора, если он происходит при рабочем напряжении. В таком случае можно проверить конденсатор мегаомметром при напряжении прибора, не превышающем рабочее напряжение конденсатора.

Конденсаторы средней емкости (от 500 пФ до 1 мкФ) проверяют с помощью последовательно подключенных к выводам конденсатора наушников и источника тока. Если конденсатор исправен, в момент замыкания цепи в головных телефонах слышен щелчок.

Конденсаторы малой емкости (до 500 пФ) проверяют в цепи тока высокой частоты. Конденсатор включают между антенной и приемником. Если громкость не уменьшится, значит, обрывов выводов нет.

Сопротивление изоляции конденсатора между выводами и каждым выводом и корпусом проверяют ламповым мегаомметром. При этом сопротивление изоляции бумажных конденсаторов должно составлять сотни и тысячи мегом, остальных — десятки и сотни мегом.

Прочность крепления выводов проверяется их покачиванием. Тем же проверкам подвергаются и новые конденсаторы, предназначенные для замены. При этом проверяется соответствие их параметров, указанных на корпусе, электрической схеме.

У конденсаторов переменной емкости проверяют плавность вращения ротора, отсутствие заеданий и люфтов. Конденсаторы переменной емкости проверяют на пробой при плавном повороте ротора. Проверить конденсатор на пробой можно и на специальной испытательной установке, прикладывая между выводами и каждым выводом и корпусом повышенное напряжение, превышающее номинальное в 1,5–3 раза в течение 10–60 с в зависимости от типа конденсатора.

4.4.3. Проверка катушки индуктивности

Проверка исправности катушек индуктивности начинается с внешнего осмотра, в ходе которого необходимо убедиться в исправности каркаса, экрана, выводов; в правильности и надежности соединений всех деталей катушки; в отсутствии видимых обрывов проводов, замыканий, повреждения изоляции и покрытий. Особое внимание следует обращать на места обугливания изоляции, каркаса, почернение или оплавление заливки.

Электрическая проверка катушек индуктивности включает проверку на обрыв, поиск короткозамкнутых витков и определение износа изоляции обмотки. Проверка на обрыв выполняется омметром. Увеличение сопротивления означает обрыв или плохой контакт одной или нескольких жил литцендрата. Уменьшение сопротивления свидетельствует о межвитковом замыкании. При коротком замыкании выводов сопротивление равно нулю. Для более точного представления о неисправности элемента необходимо измерить индуктивность. В заключение рекомендуется, проверить работоспособность катушки в исправном аппарате, подобном тому, для которого она предназначена.

4.4.4. Проверка трансформаторов и дросселей

По конструкции и технологии изготовления силовые трансформаторы, трансформаторы и дроссели НЧ весьма похожи. Все они состоят из обмоток, выполненных изолированным проводом, и сердечника. Проверку начинают с внешнего осмотра, в ходе которого находят и устраняют все видимые механические дефекты.

Проверка на короткое замыкание между обмотками, между обмотками и корпусом производится с помощью омметра (рис. 4.6а,б). Прибор включают между выводами разных обмоток, а также между одним из выводов и корпусом. Так же проверяется и сопротивление изоляции, которое должно быть не менее 100 МОм для герметизированных трансформаторов и не менее десятков мегаом для негерметизированных.

Рис. 4.6. Схемы проверки трансформатора на замыкание между обмоткой и сердечником (а), между обмотками (б), проверка коэффициента трансформации на холостом ходу (в)

Самая сложная проверка на межвитковые замыкания. Существует несколько способов проверки трансформаторов:

1. Измерение омического сопротивления обмотки и сравнение результатов с паспортными данными. (Способ простой, но не слишком точный, особенно при малой величине омического сопротивления обмоток и небольшом количестве короткозамкнутых витков.)

2. Проверка коэффициентов трансформации на холостом ходу (рис. 4.6в). Коэффициент трансформации определяется как отношение напряжений, показываемых вольтметрами 2 и 1. При наличии межвитковых замыканий (изображено пунктиром) коэффициент трансформации будет меньше нормы.

3. Измерение индуктивности обмотки.

4. Измерение потребляемой мощности на холостом ходу. У силовых трансформаторов одним из признаков короткозамкнутых витков является чрезмерный нагрев обмотки.

Наиболее точные результаты получают, используя приборные способы проверки:

5. Проверка катушки с помощью специального прибора — анализатора короткозамкнутых витков.

6. Проверка трансформатора по форме выходной синусоиды, так называемая «частотная прогонка». Так проверяются трансформаторы питания НЧ (40–60 Гц), трансформаторы питания импульсных блоков питания (8-40 кГц), разделительные трансформаторы типа ТДКС (13–17 кГц), разделительные трансформаторы мониторов (CGA 13–17 кГц, EGA 13–25 кГц, VGA 25–50 кГц).

Для этого, например, разделительный трансформатор строчной развертки необходимо подключить согласно рис. 4.7 и подать на обмотку I синусоидальное напряжение 5-10 В частотой 10-100 кГц через конденсатор С емкостью 0,1–1,0 мкФ. На обмотке II, используя осциллограф, можно наблюдать форму выходного напряжения.

«Прогнав» на частотах от 10 до 100 кГц генератор НЧ, нужно, чтобы на каком-то участке получилась чистая синусоида (рис. 4.8а) без выбросов и «горбов» (рис. 4.8б).

Наличие эпюр во всем диапазоне (рис. 4.8в) говорит о межвитковых замыканиях в обмотках. Данная методика с определенной степенью вероятности позволяет отбраковывать трансформаторы питания, различные разделительные трансформаторы, частично строчные трансформаторы. Важно лишь подобрать частотный диапазон.

Рис. 4.7. Схема проверки трансформатора по форме выходной синусоиды

Рис. 4.8. Формы наблюдаемых сигналов

7. Проверка трансформатора, используя явление резонанса. Для проверки нужно собрать схему для параллельного (рис. 4.9а) или последовательного (рис. 4.9б) резонанса. Изменяя частоту генератора, нужно добиться резкого увеличения (в 2 раза и выше) амплитуды колебаний на контрольном устройстве (экран осциллографа или шкала вольтметра переменного тока). Это указывает, что частота внешнего генератора соответствует частоте внутренних колебаний LC-контура. Отсутствие или срыв колебаний (достаточно резкий) при изменении частоты генератора НЧ указывает на резонанс.

Рис. 4.9. Схема проверки трансформатора при использовании параллельного (а) и последовательного (б) резонанса

Для проверки закоротите обмотку II трансформатора. Колебания в LC-контуре исчезнут. Из этого следует, что короткозамкнутые витки срывают резонансные явления, чего мы и добивались. Наличие кнутых витков в катушке также приведет к невозможности наблюдать резонансные явления в LC-контуре.

Отметим, что для проверки импульсных трансформаторов блоков питания конденсатор С должен иметь емкость 0,01-1 мкФ. Частота генерации подбирается опытным путем.

4.4.5. Проверка полупроводниковых диодов

Простейшая проверка исправности полупроводниковых диодов заключается в измерении их прямого (Rпр) и обратного (Rобр) сопротивлений постоянному току. Чем меньше прямое сопротивление и больше обратное сопротивление, или, другими словами, чем выше отношение Rобр/Rпр, тем выше качество диода. Для измерения диод подключают к тестеру (омметру), как показано на рис. 4.10. При этом выходное напряжение измерительного прибора не должно превышать максимально допустимого для данного элемента.

Рис. 4.10. Схема проверки исправности диода: измерение прямого (а) и обратного (б) сопротивлений

Прямое сопротивление должно быть не больше 200 Ом, а обратное не меньше 500 кОм. Следует иметь в виду, что если прямое сопротивление — около нуля, а обратное стремится к бесконечности, то в первом случае имеется пробой, а во втором — обрыв выводов или нарушение структуры. Сопротивление диода переменному току меньше прямого сопротивления и зависит от положения рабочей точки.

Исправность высокочастотных диодов можно проверить включением их в схему работающего простейшего детекторного радиоприемника, как показано на рис. 4.11. Нормальная работа радиоприемника говорит об исправности диода, а отсутствие приема — о пробое.

Рис. 4.11. Схема проверки исправности ВЧ диода

Для применения в цифровых устройствах лучше всего использовать специальные импульсные диоды, имеющие малую длительность переходных процессов включения и выключения.

4.4.6. Проверка диодных мостов

Диодный мост иногда нелегко протестировать из-за соединения с вторичной обмоткой трансформатора. В таком случае его необходимо предварительно демонтировать. При проверке диодных мостов надо присоединить один из измерительных щупов к отрицательному или положительному выходу моста и протестировать подключенные к этому выводу диоды.

Для проведения полной проверки необходимо выполнить восемь тестов (по два на каждый диод). При этом полезно иметь под рукой эквивалентную схему, которая отражает внутреннее строение диодного моста.

4.4.7. Проверка впаянных компонентов

Чтобы не отпаивать некоторые особенно чувствительные к нагреву компоненты с целью их тестирования можно рассечь дорожки металлизации на печатной плате, соединяющие этот компонент с другими. После этого, обеспечив электрическую изоляцию, можно провести тестирование таким же образом, как и при отпайке компонентов. Не рекомендуется рассекать одновременно несколько дорожек, а сразу после окончания проверки исходное соединение следует восстановить.

4.4.8. Проверка тиристоров

Простейший способ проверки тиристоров представлен на рис. 4.12. Сопротивление исправного тиристора составляет несколько мегаом, а пробитого — близко к нулю. Если анод исправного тиристора соединить на мгновение с управляющим электродом (УЭ), прибор покажет сопротивление короткого замыкания.

Рис. 4.12. Проверка тиристора с помощью мегомметра

4.4.9. Проверка транзисторов

Чтобы проверить исправность полупроводникового транзистора, не включенного в схему, на отсутствие коротких замыканий, необходимо измерить сопротивления между его электродами.

Поскольку транзистор состоит из двух переходов, причем каждый из них представляет собой полупроводниковый диод, проверить транзистор можно таким же образом, как и диод. Для этого омметр подключают поочередно к базе и эмиттеру, к базе и коллектору, к эмиттеру и коллектору, меняя полярность подключения. На рис. 4.13 показано, как измеряют прямое и обратное сопротивление каждого из переходов. У исправного транзистора прямые сопротивления переходов составляют 30–50 Ом, а обратные — 0,5–2 МОм. При значительных отклонениях от этих величин транзистор можно считать неисправным.

С транзистором p-n-р типа производят те же действия, но полярность напряжения должна быть обратной. Остается проверить переход коллектор-эмиттер, который не должен пропускать ток. При проверке ВЧ транзисторов напряжение батареи омметра не должно превышать 1,5 В. Следует также иметь в виду, что транзисторы Дарлингтона иногда имеют защитный диод, включенный между коллектором и эмиттером. Для более точной проверки необходимо использовать специальные приборы.

Рис. 4.13. Проверка транзистора с помощью омметра

Многие модели современных мультиметров имеют специальные гнезда для подключения транзисторов с целью проверки их исправности. Наличие такого прибора значительно упростит работу радиолюбителя и ускорит проверку. Для этого желательно измерить обратный ток коллектора, обратный ток эмиттера и ориентировочное значение коэффициента усиления по току. Пригодность транзистора определяется сравнением полученных при измерении данных с данными, указанными в паспорте транзистора.

При измерениях параметров отдельного транзистора можно выявить обрывы электродов и замыкания в транзисторах, но это же можно сделать и при измерениях в схемах с транзисторами. При этом нужно иметь в виду, что применяемый измерительный прибор должен обладать достаточно большим внутренним сопротивлением. При проведении электрических измерений можно сделать следующие выводы:

• при обрыве цепи базы напряжения базы и эмиттера отсутствуют, напряжение коллектора повышено;

• при обрыве цепи эмиттера напряжение коллектора повышено, напряжение базы почти нормальное, напряжение на эмиттере приблизительно равно напряжению базы;

• при обрыве цепи коллектора напряжения на всех электродах транзистора уменьшаются;

• при обрыве базы внутри транзистора напряжение базы близко к нормальному, напряжение эмиттера уменьшается, а напряжение коллектора повышается;

• при замыкании эмиттера и коллектора внутри транзистора напряжение базы изменяется незначительно, напряжение эмиттера возрастает, напряжение коллектора падает.

4.4.10. Проверка транзисторов без выпаивания

При ремонте бытовой радиоаппаратуры часто возникает необходимость проверить исправность полупроводниковых транзисторов без выпаивания из схемы. Один из способов проверки — измерение омметром сопротивления между выводами эмиттера и коллектора при соединении базы с коллектором (рис. 4.14а) и соединении базы с эмиттером (рис. 4.14б). При этом источник коллекторного питания отключают от схемы. Если транзистор исправен, в первом случае омметр покажет малое сопротивление, во втором — порядка нескольких десятков или сотен килоом.

Рис. 4.14. Схема проверки исправности транзистора

4.4.11. Проверка полевых транзисторов

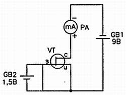
Из многочисленных параметров полевых транзисторов практическое значение имеют только два: IС НАЧ — ток стока при нулевом напряжении на затворе и S — крутизна характеристики. Эти параметры можно измерить, используя простую схему, изображенную на рис. 4.15. Для этого потребуется миллиамперметр РА, например из состава мультиметра, батарея GB1 напряжением 9 В («Крона» или составленная из двух батарей 3336Л) и элемент GB2 напряжением 1,5 В (например, элемент АА).

Рис. 4.15. Проверка полевого транзистора

Сначала вывод затвора соединяют проволочной перемычкой с выводом истока. При этом миллиамперметр зафиксирует первый параметр транзистора — ток стока IС НАЧ. Записывают его значение. Затем снимают перемычку и подключают вместо нее элемент GB2. Миллиамперметр покажет меньший ток в стоковой цепи. Если теперь разность двух показаний миллиамперметра разделить на напряжение элемента, полученный результат будет соответствовать численному значению параметра S проверяемого полевого транзистора.

При измерении параметров полевого транзистора с р-n переходом и каналом пятила полярность включения миллиамперметра РА, батареи GB1 и элемента GB2 должна быть обратной.

4.4.12. Проверка элементов питания

Проверку гальванических батарей и сухих элементов осуществляют с помощью вольтметра при подключенной нагрузке (рис. 4.16). Нагрузкой может быть или лампа накаливания с соответствующим номинальным током, или резистор R, сопротивление которого рассчитывается по закону Ома (величина потребляемого тока берется порядка 100–200 мА). Для сухих элементов (1,5 В) напряжение, измеренное под нагрузкой, не должно быть меньше 1,36 В, а для гальванических батарей 4,5 В — от 3,8 до 4 В.

Рис. 4.16. Проверка гальванических батарей и сухих элементов с помощью вольтметра при подключенной нагрузке

Более 800 000 книг и аудиокниг! 📚

Получи 2 месяца Литрес Подписки в подарок и наслаждайся неограниченным чтением

ПОЛУЧИТЬ ПОДАРОК