1.4. Полупроводниковые приборы

1.4.1. Охлаждение мощных приборов

Для увеличения пропускаемого тока безопасного перегрева применяется охлаждение приборов. Охлаждение предусматривается для силовых диодов и тиристоров в энергетике и для мощных диодов, транзисторов и тиристоров в электронике. Воздушное охлаждение осуществляется путем присоединения к прибору радиатора. Радиаторы могут быть медными или алюминиевыми.

Большое значение имеет проблема контакта прибора с радиатором. При этом должно быть плотное затягивание резьбы, но без ее повреждения. В случае применения алюминия для радиаторов проблема контакта заключается в том, что имеется большая электрохимическая разность потенциалов медь-алюминий — около 1,8 В. Попадание влаги вызывает коррозию алюминия, поэтому применяется гальваническое покрытие основания прибора. Ясно, что без охлаждения, если оно предусмотрено конструкцией, полупроводниковый прибор не сможет обеспечить необходимый режим работы и выйдет из строя.

1.4.2. Температурный дрейф параметров диода

Диоды, как и все полупроводниковые приборы, подвержены температурному дрейфу характеристик, который может быть весьма значительным (именно эта особенность позволяет использовать диод в качестве датчика температуры). Об этом необходимо помнить как при проектировании устройства, так и при размещении его компонентов в корпусе. В частности, наиболее чувствительные элементы следует располагать как можно дальше от источников тепла: радиаторов, трансформаторов и т. д. Диодный детектор пиков, приведенный на рис. 1.9, является примером схемы, очень чувствительной к температуре.

Рис. 1.9. Диодный детектор пиков

1.4.3. Подключение светодиода к сети 220 В

Светодиоды давно начали использовать в качестве световых индикаторов вместо миниатюрных лампочек накаливания.

Как известно, они обладают рядом преимуществ: низким потреблением тока, практически неограниченным сроком службы, малыми размерами. Для питания светодиодов требуется источник небольшого постоянного напряжения. Кроме этого, необходимо ограничивать потребляемый ими ток до нескольких миллиампер. В противном случае они могут выйти из строя.

Светодиоды часто используются для индикации включения устройства или наличия напряжения в определенной точке схемы. Обеспечить им питание нетрудно, если устройство, в котором они применяются, имеет источник постоянного напряжения. Дело обстоит сложнее, когда источником питания является сеть переменного тока. В этом случае можно воспользоваться простой схемой (рис. 1.10), представляющей собой упрощенный вариант источника питания, в котором для понижения напряжения используется конденсатор.

Рис. 1.10. Схема включения светодиода в цепь переменного напряжения

Стабилитрон обеспечивает на своих зажимах напряжение 5,6 В, а резистор ограничивает ток до величины, приемлемой для светодиода. Отсутствие фильтрации приводит к появлению колебаний излучения, как правило, не воспринимаемых глазом. При необходимости можно использовать стабилитроны с другим рабочим напряжением, если сопротивление балластного резистора будет изменено соответствующим образом.

Чтобы рассчитать значение этого напряжения, нужно из номинального напряжения стабилитрона вычесть 2 В и разделить результат на требуемый ток. При работе с такой схемой необходимо соблюдать те же правила безопасности, что и для любого устройства, непосредственно соединенного с сетью (не прикасаться к схеме, когда она включена, использовать пластмассовый корпус и т. д.).

1.4.4. Подбор яркости свечения светодиода

Прежде чем фиксировать величину резистора, ограничивающего ток в цепи питания светодиода, желательно испытать светодиод, который будет использоваться, при различных токах (не допуская превышения предельного значения тока). Иногда яркость свечения, обеспечиваемая при сравнительно небольшом токе, может оказаться достаточной для предполагаемого применения. Выбор пониженного тока позволяет оптимизировать общее потребление энергии схемой, что особенно важно, когда источником питания является батарейка или аккумулятор.

1.4.5. Применение светодиода в источнике тока

Светодиод имеет весьма стабильные электрические характеристики и используется не только в качестве светового индикатора.

Например, он может применяться в прецизионном усилителе для стабилизации тока смещения каскадов. В этом случае используется стабильность прямого напряжения на светодиоде.

В зависимости от типа диода и тока смещения величина этого напряжения находится в диапазоне от 1,4 до 2 В с высокой степенью повторяемости в пределах одного семейства. При этом температурный дрейф напряжения сравним с аналогичной характеристикой для маломощного транзистора n-p-n типа.

В сочетании со специально подобранным резистором светодиод может успешно заменить стабилитрон, используемый обычно на входе транзистора для формирования генератора тока.

1.4.6. Обозначение выводов транзисторов

Для обозначения выводов биполярных транзисторов, относящихся к базе, эмиттеру и коллектору, применяют буквы кириллицы или латиницы Б (В — Base), Э (Е — Emitter) и К (С — Collector) соответственно. На значке схемного обозначения транзистора стрелка указывает условное направление тока в эмиттере от плюса к минусу (рис. 1.11а).

Для обозначения выводов полевых транзисторов, относящихся к затвору, стоку и истоку, применяют буквы кириллицы или латиницы 3 (G — Gate), С (D — Drain) и И (S — Source) соответственно (рис. 1.11б).

Рис. 1.11. Обозначение выводов биполярных (а) и полевых (б) транзисторов на электрической схеме

1.4.7. Защита управляющего транзистора

Для управления реле обычно используются дискретные транзисторы или микросхемы, содержащие матрицу транзисторов. Параллельно обмотке реле всегда включается защитный диод (рис. 1.12). При протекании тока управления через обмотку в ней накапливается энергия, которая препятствует прекращению тока при выключении транзистора. Если не принять меры предосторожности, это явление может вызвать импульс напряжения, опасный для управляющего транзистора. Диод обеспечивает путь протекания индуктивного тока при выключении реле, что предохраняет транзистор от перегрузки.

Рис. 1.12. Схема защиты управляющего транзистора

1.4.8. Транзистор Дарлингтона

Интегральный транзистор Дарлингтона обладает весьма привлекательными характеристиками: очень высоким усилением по току (порядка 1000), значительной допустимой рассеиваемой мощностью и малыми размерами. Некоторые типы содержат также защитный диод, включенный между эмиттером и коллектором (рис. 1.13). Это удобно для непосредственного управления индуктивной нагрузкой, например реле. Однако при проведении проверки транзистора с помощью тестера необходимо помнить о существовании диода.

Рис. 1.13. Структура транзистора Дарлингтона с защитным диодом

1.4.9. МОП транзистор

Полевые транзисторы с изолированным затвором (МОП транзисторы) отличаются по характеристикам от биполярных транзисторов. Как правило, они используются в качестве переключателей, хотя МОП транзисторы можно применять и в аналоговой электронике, о чем свидетельствуют многочисленные ИС усилителей на этих приборах. МОП транзистор в состоянии проводимости можно сравнить с замкнутым выключателем: он имеет остаточное сопротивление около 2 Ом для маломощных приборов и порядка 0,1 Ом для мощных. При высоких токах, которые способны пропускать данные компоненты, такие величины сопротивлений могут вызывать заметное падение напряжения. Например, резистор 0,1 Ом, через который проходит ток 10 А, имеет падение напряжения 1 В. При высоких рабочих напряжениях этой величиной можно пренебречь. Иначе обстоит дело при управлении регулятором скорости вращения двигателя, получающего питание от батарейки или аккумулятора напряжением 6 В (например, в радиоуправляемых моделях).

Для снижения остаточного сопротивления МОП транзисторы можно соединять параллельно. Два параллельно включенных идентичных транзистора с остаточным сопротивлением по 0,1 Ом составят один прибор с сопротивлением 0,05 Ом, который может пропускать удвоенный ток. Теоретически допустимо соединять подобным образом любое число транзисторов, но на практике обычно ограничиваются несколькими приборами (не более четырех).

В справочниках представлены мощные МОП транзисторы, которые могут коммутировать токи до 100 и даже до 150 А. Как правило, приборы могут выдержать максимально допустимые токи лишь в течение очень короткого времени.

Например, транзистор IRF540 (в корпусе ТО220) имеет максимальный ток 28 А при напряжении 100 В. Однако из анализа его характеристик следует, что такой ток допустим лишь в импульсном режиме, когда длительность импульсов не превышает 100 мкс. При ее увеличении до 10 мс приходится довольствоваться током 4 А. Превышение указанных значений сопряжено с риском вывода из строя самого транзистора или встроенного в него защитного диода.

Ограничения по току распространяются и на случай параллельного включения транзисторов. Если учесть разброс параметров приборов, становится очевидным, что два параллельно включенных МОП транзистора никогда не имеют идентичные сопротивления в открытом состоянии. Вследствие этого через них будут проходить неравные токи и риск превышения допустимых значений увеличивается. Наконец, следует отметить, что МОП транзисторы, как правило, менее надежны, чем биполярные.

Одно из несомненных достоинств полевых транзисторов — простота управления при малом токе, потребляемом от источника сигнала. Поданный на вход импульс напряжения 5 В, генерируемый логическим вентилем, позволяет коммутировать большие токи в выходной цепи. Именно в этом и заключается основное преимущество полевых транзисторов по сравнению с биполярными, при использовании которых для достижения аналогичных выходных мощностей требуется каскадное соединение нескольких приборов. Обычно МОП транзистор начинает проводить ток при управляющем напряжении 4 В. Однако для полного открывания на его вход нужно подать напряжение 10 или 12 В (последнее значение соответствует стандарту RS232).

Для наиболее распространенной схемы включения с общим истоком управляющим напряжением является Uзи, a выходным напряжением — Uси (рис. 1.14а).

Между источником входного сигнала и затвором, как правило, включается низкоомный резистор. Одно и то же управляющее напряжение может подаваться на несколько параллельно включенных полевых транзисторов. В этом случае на каждый транзистор требуется по отдельному резистору (рис. 1.14б).

Примеры управления МОП транзистором с помощью логического инвертора и каскада на биполярных транзисторах показаны на рис. 1.14в,г.

Рис. 1.14. Схемы включения МОП транзистора: схема с общим истоком (а), параллельное включение МОП транзисторов (б), управление через логический вентиль (в) и управление с помощью транзисторов (г)

Аналогично существованию биполярных транзисторов n-р-n и p-n-р типов имеются полевые транзисторы с каналом n-типа и р-типа. Транзисторы с р-каналом редко применяются в виде дискретных элементов. Объединение МОП транзисторов обоих типов позволило создать комплементарные интегральные схемы, характеризующиеся исключительно низкой потребляемой мощностью.

Тестирование МОП транзистора при помощи мультиметра затруднено, поскольку затвор фактически изолирован от двух других. Можно лишь получить информацию о состоянии защитного диода, включенного между стоком и истоком, и проверить отсутствие короткого замыкания между выводами.

Следует помнить, что входной электрод МОП транзистора, как и вход логического вентиля КМОП типа, не должен оставаться свободным. Под воздействием наводок потенциал электрода способен принимать любое значение, что, в частности, может вызвать открывание транзистора и протекание высокого тока в выходной цепи при отсутствии входного сигнала. Поэтому во всех режимах, в том числе и на этапе тестирования, между затвором и общей точкой должно быть включено сопротивление утечки (обычно порядка 1 МОм).

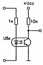
1.4.10. Применение оптопар

Оптопары обеспечивают полную электрическую изоляцию между частями схемы, получающими питание от разных источников. Как и транзисторы, они применяются в устройствах коммутации (в частности, при передаче данных с использованием оптоэлектронных систем) или в аналоговых схемах (например, в стабилизаторах~напряжения).

Отличительной особенностью оптопар является значительный разброд параметров от одного экземпляра к другому. Для проверки их характеристик достаточно построить небольшую схему, показанную на рис. 1.15.

Рис. 1.15. Схема включения оптопары

Уровень входного напряжения, нужного для переключения выходного транзистора в режим насыщения (низкоомное состояние), может изменяться на несколько вольт для разных экземпляров прибора одного типа. В цифровой электронике этот разброс не играет существенной роли при правильном выборе входного напряжения Uвх и сопротивления в цепи светодиода (чтобы переключение на выходе осуществлялось одинаково для всех приборов). В аналоговых схемах дело обстоит иначе, поэтому для обеспечения надежной работы необходимо предусмотреть ручную регулировку входного напряжения Uвх в достаточно широких пределах.

Наиболее распространенные оптопары имеют корпус DIP6. Два вывода относятся к светодиоду, а три — к транзистору, один вывод не задействован. Имеющийся вывод базы транзистора используется очень редко. Если этот вывод остается свободным, он, подобно антенне, может принимать сигналы различного рода помех, возникающие, например, в импульсных источниках питания. Не всегда легко определить, с какой точкой схемы допустимо соединить этот вывод, не нарушив работу транзистора. В этом" случае необходимо провести несколько тестов, не забывая о том, что неправильное подключение может иметь неприятные последствия для каскада, соединенного с выходом транзистора.

Проблемы такого рода не возникают при использовании более простой оптопары в корпусе DIP4, не имеющем вывода базы фототранзистора или включающем фотодиод. Следует иметь в виду, что для таких корпусов предусмотрены различные варианты расположения выводов. Некоторые типы оптопар исполняются в двух вариантах, единственное различие между которыми заключается в инверсном расположении выводов, соответствующих коллектору и эмиттеру фототранзистора.

1.4.11. Фотодиод ИК диапазона

В современных электронных схемах широко используются приборы, выполняющие функции генерации, детектирования или измерения излучения. Повышенное внимание в последние годы уделяется приборам ИК диапазона. Это связано с появлением и распространением устройств дистанционного управления, которыми оснащается практически вся аудио- и видеоаппаратура. Кодирование управляющих сигналов в таких устройствах постепенно стандартизируется, что расширяет область их применения.

Для детектирования сигналов ИК диапазона разработаны серийные модули, но радиолюбители могут без труда изготовить приемное" устройство самостоятельно. В качестве детектора излучения используется фотодиод ИК диапазона. Такой диод обладает чувствительностью и в видимой части спектра, поэтому искусственное освещение является для него источником помех. Для их подавления детектор должен быть защищен оптическим фильтром.

Как правило, корпус фотодиода обеспечивает широкую направленность приема излучения. С целью ослабления помех от посторонних оптических сигналов следует ограничить угол, в пределах которого излучение может попадать на прибор.

Более 800 000 книг и аудиокниг! 📚

Получи 2 месяца Литрес Подписки в подарок и наслаждайся неограниченным чтением

ПОЛУЧИТЬ ПОДАРОК