1.5. Датчики

1.5.1. Датчик освещенности

Классические полупроводниковые датчики освещенности, например фотодиоды и фототранзисторы, представляют собой диоды и транзисторы, у которых одна сторона корпуса пропускает. свет. Чтобы в этом убедиться, попробуйте аккуратно спилить верхнюю часть металлического корпуса транзистора. Затем подключите к нему напряжение, не присоединяя базу, и вы сможете констатировать, что протекающий по цепи коллектор-эмиттер ток реагирует на источник света, направленный на прибор (рис. 1.16). Аналогичный эксперимент можно провести и с диодом.

Рис. 1.16. Датчик освещенности

1.5.2. Датчик уровня жидкости

Для определения уровня жидкости часто используются свойства проводимости этой жидкости. Во избежание появления коррозии измерение ограничивают во времени, включая схему только на промежуток считывания или используя импульсный сигнал. Собственно датчик уровня может иметь металлические контактные пластины различной формы, закрепленные на стенке сосуда или просто погружаемые в жидкость. Базовая точка измерений всегда должна находиться на дне сосуда в постоянном контакте с жидкостью независимо от ее уровня. Датчик в виде отрезка многожильного ленточного кабеля, провода которого обрезаны до различной длины, а затем оголены и облужены, представляет собой оригинальное и не лишенное изящества решение (рис. 1.17).

Рис. 1.17. Датчик уровня жидкости

Электрическое подключение к схеме существенно упрощается за счет применения одного из многочисленных соединительных элементов, разработанных для кабелей такого типа. Одна жила ленточного кабеля (самая длинная) резервируется для фиксации базового уровня и при необходимости снабжается кабельным наконечником: Для механической сборки датчика можно применять специальные хомутики или отрезки клейкой ленты. По мере увеличения уровня жидкости все большее количество проводов датчика соединяется с заземленной базовой точкой через сопротивление жидкости, что легко зафиксировать по изменению потенциалов на выходах.

Следует учитывать, что жидкость (в частности, вода) может иметь высокое удельное сопротивление, поэтому иногда приходится обрабатывать выходные сигналы с помощью операционных усилителей.

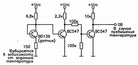
1.5.3. Датчик температуры из транзистора

При измерении температуры высокая точность обычно не требуется, особенно когда речь идет только о фиксации превышения заданного порогового значения. Это относится, в частности, к схемам термической защиты, которыми оснащены устройства определенного класса. Долгое время в таких схемах использовались электромеханические датчики температуры, однако в настоящее время разработчики все чаще применяют электронные компоненты, необязательно специализированные. Измерить температуру можно и с помощью обычного транзистора, как это сделано в схеме на рис. 1.18.

Рис. 1.18. Измеритель температуры на транзисторном датчике

Собственно датчиком служит переход база-эмиттер первого транзистора, так как при нагревании напряжение на переходе существенно изменяется. Два других транзистора нужны для усиления снимаемого с датчика напряжения и для его преобразования в логический сигнал, который переключается при достижении заданной температуры (обычно 80-100 °C). В данном устройстве необходимо обеспечить хороший тепловой контакт между датчиком и радиатором, как и в случае монтажа охлаждаемых компонентов. Однако на этом контакте должно соблюдаться условие полной электрической изоляции во избежание сбоев логического сигнала.

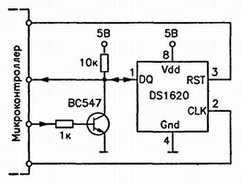
1.5.4. Датчик температуры на микросхеме

Широко распространенная микросхема типа DS1620 принадлежит к новому поколению специализированных схем, выполняющих широкий диапазон функций. Она размещена в простом корпусе DIP8. Однако для работы с микросхемой требуется микроконтроллер. На базе DS1620 можно создать термостат с двумя заданными порогами регулировки температуры (верхним и нижним). Микросхема может работать в режиме термометра в интервале температур от-55 до +125 °C. Результат измерения представляется в виде девятибитного сигнала с точностью 0,5 °C.

Для управления ИС микроконтроллером требуется три линии. Одна из них должна быть двунаправленной. Последнее требование выполняется редко. Чтобы его обойти, можно использовать простой каскад на транзисторе, включенном по схеме с общим эмиттером (рис. 1.19).

Рис. 1.19. Датчик температуры на микросхеме

Это позволяет заменить одну двунаправленную линию двумя обычными линиями, соединенными с входом и выходом каскада. Следует напомнить, что такая схема инвертирует сигналы, поступающие от микроконтроллера. Поэтому необходимо либо добавить инвертор, либо соответствующим образом изменить программу. Достаточно простой вариант программы обычно приводится в технической документации, которую рекомендуется приобрести вместе с микросхемой.

Более 800 000 книг и аудиокниг! 📚

Получи 2 месяца Литрес Подписки в подарок и наслаждайся неограниченным чтением

ПОЛУЧИТЬ ПОДАРОК