Глава 5 РАДИОПРИЕМНИКИ

Основное внимание уделяется устройствам, использующим радиоканал: представлены различные типы радиоприемников, их схемотехника и подробные инструкции по сборке и настройке.

5.1. Общие сведения о радиоприемниках

Определение. Радиоприемным называется устройство, соединяемое с антенной и служащее для приема радиосигналов и преобразования их к виду, позволяющему использовать содержащуюся в них информацию.

Достоверному приему информации в реальных условиях препятствуют:

♦ случайные искажения самого радиосигнала при распространении через турбулентную среду;

♦ наличие разнообразных (внешних и внутренних) помех;

♦ техническое несовершенство радиоустройств.

К основным задачам, решаемым радиоприемным устройствам, относятся:

♦ преобразование электромагнитного поля сигнала в электрический сигнал с помощью антенны;

♦ выделение полезных радиосигналов из совокупности других (мешающих) сигналов и помех, действующих на выходе антенны;

♦ усиление принимаемых сигналов до величины, необходимой для нормальной работы оконечных устройств;

♦ демодуляция принятого сигнала с целью выделения информации, содержащейся в полезном радиосигнале;

♦ обработка принимаемых сигналов с целью ослабления мешающего действия помех искусственного и естественного происхождения.

Определение. Совокупность процедур, выполняемых над принятой смесью сигнала и помех, для достижения этой цели называется обработкой сигнала.

Обработку обычно подразделяют на первичную (операции на высокой и промежуточных частотах) и вторичную (последетекторные манипуляции с сигналом).

Алгоритмы обработки сигналов могут быть различными. В зависимости от этих алгоритмов приемники подразделяются на:

♦ детекторные;

♦ прямого усиления без регенерации;

♦ прямого усиления с регенерацией (регенеративные и сверхрегенеративные);

♦ приемники прямого преобразования (гетеродинные);

♦ супергетеродинные приемники.

Помимо способов обработки сигналов, приемники даже одного типа отличаются друг от друга своими электрическими характеристиками. К основным электрическим характеристикам относятся:

♦ чувствительность;

♦ избирательность;

♦ динамический диапазон;

♦ диапазон рабочих частот;

♦ полоса пропускания;

♦ помехоустойчивость.

Чувствительностью называют меру способности радиоприемника обеспечивать прием слабых сигналов. Для количественной оценки этого параметра используются три характеристики.

1. Чувствительность, ограниченная шумами, — чувствительность, определяемая минимальным уровнем радиосигнала на входе приемника (εa.min) при заданном отношении уровней полезного сигнала и шума и заданном уровне полезного сигнала на выходе приемника. Уровни сигнала и шума могут быть заданы как в единицах напряжения, так и мощности. Если коэффициент усиления приемника невелик, то собственные шумы на его выходе практически отсутствуют, а требуемое значение выходного сигнала можно получить, только увеличивая входной сигнал. Отношение «сигнал/шум» при этом оказывается существенно завышенным. Чувствительность в этом случае определяется не внутренними шумами, а усилением приемника, и называется ограниченной усилением.

2. Чувствительность, ограниченная усилением, — минимальный уровень радиосигнала на входе, при котором обеспечивается заданный уровень полезного сигнала на его выходе. Отношение «сигнал/шум» при этом не нормируется. Регулировки усиления и громкости, если таковые имеются, устанавливаются в максимальные положения.

3. Пороговая чувствительность — минимальный уровень радиосигнала на входе приемника при равных уровнях сигнала и шума на выходе.

Все перечисленные виды чувствительности определяются без учета внешних шумов и характеризуют теоретические возможности приемника. В диапазонах ДВ, СВ, КВ и начале УКВ-диапазона внешние шумы различного происхождения превышают внутренние, и именно они определяют чувствительность приемника, называемую реальной.

В литературе встречается также термин «максимальная чувствительность». Отечественный его синоним — полезная чувствительность. Здесь имеется ввиду значение, наихудшее из определяемых пунктами 1 и 2.

Требует пояснения понятие «сигнал на входе приемника», присутствующее во всех определениях чувствительности. Таковым считают ЭДС, поданную на вход приемника через эквивалент антенны, имитирующий полное ее сопротивление. В условиях реального приема этой величине будет соответствовать электродвижущая сила εa, наведенная в антенне.

Определение. Отношение «сигнал/шум» — это отношение эффективного значения выходного напряжения приемника, содержащего полезный сигнал, к эффективному значению выходного напряжения при не модулированном входном сигнале.

Требуемое отношение «сигнал/шум» может задаваться либо на входе детектора, либо на выходе приемника и называется коэффициентом различимости (ар). Часто коэффициент различимости задается в децибелах:

ар(дБ) = 20∙Ig ар.

Значение отношения «сигнал/шум» неодинаково у приемников различного назначения и обычно задается техническими требованиями. Для аппаратуры радиоуправления обычно ар = 12 дБ (4 раза).

Определение. Избирательностью называют способность приемника выделять полезный сигнал из суммы сигналов, имеющих различные частоты.

Следует различать односигнальную и многосигнальную избирательность. Односигнальная избирательность определяется при наличии на входе приемника только одного сигнала и при его уровне, не вызывающем нелинейных эффектов. Избирательность оценивается величиной:

S = εa.min/εa.min0, или в децибелах S[дБ] = 20∙lg (εa.min/εa.min0)

где εa.min0 — чувствительность на частоте настройки приемника (f0);

εa.min — чувствительность на частоте соответствующего побочного канала приема (fпоб).

Побочными каналами приема могут быть:

Соседний канал. Частота соседнего канала отличается от частоты настройки приемника в аппаратуре радиоуправления обычно на 10 кГц.

Зеркальный канал. Частота зеркального канала сдвинута относительно частоты настройки на величину двойной промежуточной частоты:

fз.к. = fc ± 2fпр.

Прямой канал: fпоб = fпр.

Определение. Диапазон рабочих частот — это интервал частот fmaxfmin, в котором возможна настройка приемника на любую частоту и на каждой из частот обеспечиваются основные характеристики приемника.

Определение. Динамический диапазон — это отношение максимального входного сигнала, при котором нелинейные искажения еще не превышают заданного значения к пороговой чувствительности приемника:

D = 20∙lg (εa.max/εa.min).

В радиоуправлении находят применение в основном сверхрегенеративные и супергетеродинные приемники. В данной книге предлагается использование и приемников прямого преобразования.

5.2. Сверхрегенеративные приемники АМ-колебаний

5.2.1. Принципы сверхрегенеративного приема

Общие положения

Сверхрегенеративные приемники издавна являются одной из самых распространенных радиолюбительских схем. Объясняется это, прежде всего, их способностью обеспечивать высокую чувствительность при минимуме схемотехнических затрат. Классический сверхрегенератор, содержащий 12–14 деталей, может обеспечить коэффициент усиления в несколько сотен тысяч, при чувствительности 3–5 мкВ.

Кроме того, работая в нелинейном режиме, такой приемник обладает способностью автоматически поддерживать уровень выходного сигнала практически постоянным при изменении входного сигнала в сотни и даже тысячи раз.

В разное время и в различных изданиях делались попытки описания принципа действия сверхрегенеративного приемника. Как правило, эти публикации содержали самые общие соображения по поводу процессов, происходящих в схеме, и рекомендации по настройке сверхрегенератора, основанные на практических экспериментах с приемником. Каждый радиолюбитель, собиравший сверхрегенератор, знает, насколько сложно добиться хороших результатов, действуя интуитивно, вслепую.

Трудности качественной настройки связаны с тем, что сверхрегенеративный каскад является многофункциональным. На одном транзисторе собран и усилитель высокой частоты, и генератор вспомогательных колебаний (генератор суперизации), и детектор, выделяющий полезный низкочастотный сигнал.

Если бы выполнение перечисленных функций было «поручено» разным каскадам, то каждый из них в отдельности легко можно было бы настроить на оптимальный режим работы. Поскольку качественное выполнение каждой из функций предъявляет к режиму работы свои, часто противоречивые требования, то в сверхрегенераторе приходится идти на компромисс, учитывая «пожелания» каждой из функций. В этом и заключается сложность настройки.

Режим работы любого каскада, как известно, с течением времени меняется под действием различных дестабилизирующих факторов. Поэтому еще одним недостатком сверхрегенератора можно считать невысокую устойчивость его работы. Компромисс нарушается, и параметры приемника со временем, что называется, «плывут».

Выскажу предположение, что качественно настроить приемник можно, только разобравшись детально со всеми процессами, происходящими в схеме, а также с влиянием на эти процессы всех элементов схемы. Решению данной задачи и посвящен материал этого раздела, тем более что «прозрачное» и полное описание принципа работы сверхрегенератора отыскать в имеющейся литературе не так то просто.

Явление умножения добротности колебательного контура

В начале небольшой экскурс в теоретические основы радиотехники, без которого было бы проблематичным понимание дальнейшего изложения материала.

Радиоволны, излучаемые радиопередатчиками, распространяются во все стороны от передающих антенн со скоростью света. С увеличением расстояния от антенны мощность электромагнитных волн уменьшается, в простейшем случае, обратно пропорционально квадрату расстояния:

ρ = P/4πR2 (5.1)

где Р — излучаемая мощность;

R — расстояние до точки приема;

ρ — плотность потока мощности (мощность, проходящая через квадратную площадку в 1 м2, находящуюся на расстоянии R от передатчика).

Очевидно, каким бы ни было большим расстояние R, плотность потока мощности никогда не обратится в нуль. Это означает, что в любой точке пространства присутствует излучение абсолютно всех радиостанций, работающих на земном шаре, что само по себе достаточно интересно. Электромагнитная волна представляет собой чередующиеся во времени и пространстве переменные электрические и магнитные поля. В любом проводнике, ориентированном параллельно силовым линиям напряженности электрического поля (Е) наводится ЭДС (ε) в соответствии с правилом

ε = Ehд, (5.2)

где hд — действующая высота проводника. При размерах проводника, существенно меньших длины волны, действующая высота равна половине геометрической длины проводника.

Что же мешает усилить этот сигнал в требуемое число раз, чтобы прием был обеспечен на любом расстоянии от передатчика? Все дело в том, что помимо полезного сигнала, в точке приема обязательно присутствуют помеховые сигналы. Кроме того, в любом приемнике существуют собственные хаотические токи и напряжения, вызванные тепловым движением электронов и называемые внутренними шумами приемника.

Полезная информация из принимаемого сигнала может быть извлечена только в том случае, если уровень полезного сигнала, наведенного в антенне, в заданное число раз превышает суммарный уровень помех и внутренних шумов приемника, приведенных к входу. Если даже каким-либо образом избавиться от помехи на входе приемника, то внутренние шумы останутся в любом случае. Именно они и определяют потенциальную чувствительность любого приемника.

Очевидно, им и должно уделяться особое внимание при конструировании приемников. Если к проводнику, в котором наводятся электрические сигналы, являющемуся фактически приемной антенной, подключить настроенный на частоту какой-либо радиостанции колебательный контур так, как это показано на рис. 5.1, то на его выходе выделится некоторое напряжение Uк. Выясним от чего зависит величина этого напряжения, обратив внимание на то, что фактически это напряжение на конденсаторе С1.

Рис. 5.1. Входная цепь приемника

Для простоты будем полагать, что соотношение числа витков в катушках L1, L2 и связь между ними таковы, что ЭДС взаимной индукции, наводимая в катушке L2, будет равна ЭДС, наведенной в антенне (формула 5.2). Под действием этой ЭДС ток в контуре будет протекать последовательно через катушку L2 и конденсатор С1.

Эквивалентную схему колебательного контура при этом можно представить в виде, изображенном на рис. 5.2. ЭДС, наводимая в контуре, учтена источником ε, а резистор rп учитывает активные потери в контуре. Потери обусловлены расходами энергии на нагревание проводника катушки и переизлучением части энергии элементами контура.

Рис. 5.2. Эквивалентная схема входного контура

Подробнее об этих процессах можно прочитать, например в [6]. Из рисунка видно, что по отношению к эквивалентному источнику с колебательный контур теперь является последовательным. В таком контуре, как известно, существует резонанс напряжений, при котором напряжения на реактивных элементах контура в Q раз больше ЭДС, введенной в контур. На основании этого можно записать

Uк = Qε, (5.3)

где Q = ρ/rп — добротность контура; (5.4)

ρ = √(L1/C1) = 1/ω0C1 — характеристическое сопротивление контура,

ω0 =1/√(L1C1) — резонансная частота контура.

Формула (5.3) показывает, что увеличением Q можно теоретически получить сколь угодно большое значение напряжения Uк, доведя тем самым принятый сигнал до величины, необходимой для нормальной работы последующих каскадов. К сожалению, на практике сложно достичь значения добротности контура выше 200–350. Кроме того, в реальных схемах к контуру, параллельно конденсатору С1, подключается остальная часть приемника, которую можно учесть ее входным сопротивлением Rвх. Очевидно, на этом сопротивлении будет рассеиваться часть принятой мощности. Возникающие дополнительные потери принято учитывать эквивалентным увеличением сопротивления потерь в контуре на величину rдоп. Формула для пересчета имеет вид

rдоп = ρ2/Rвх

Результирующая добротность контура, называемая эквивалентной (Qэ) или нагруженной, уменьшается:

Qэ = ρ/(rп + rдоп), (5.5)

и в практических конструкциях составляет величину 50—120. Чтобы картина была полной, необходимо было бы в знаменатель формулы (5.5) добавить третье слагаемое, учитывающее потери энергии в контуре за счет шунтирующего действия антенны. Для простоты дальнейшего изложения будем полагать эти потери равными нулю.

Существует давно известный способ повышения (умножения) добротности, подробно описанный, например в [6]. Суть его заключается в том, что потери в контуре компенсируются за счет энергии источника питания. Механизм компенсации понятен из рис. 5.3.

Рис. 5.3. Механизм компенсации потерь в контуре

К конденсатору контура подключен транзистор VT1. Напряжение Uк с конденсатора приложено к участку «база-эмиттер» транзистора, что вызывает изменение тока, протекающего в коллекторной цепи за счет источника питания V1. Амплитуда изменений определяется выражением Iк = UкS, где S — крутизна транзистора в рабочей точке. Протекая по катушке L2, этот ток наводит в катушке L1. ЭДС взаимной индукции Uoc = ω0∙M∙Iк, где М — взаимоиндуктивность катушек L1 и L2.

Фазировка катушек выбирается таким образом, чтобы напряжение Uос было синфазно с колебаниями, происходящими в контуре, что характерно для положительной обратной связи. Ток I в контуре теперь течет под действием суммы двух напряжений ε + Uос, и амплитуда колебаний нарастает. Обратим внимание на то, что амплитуда возрастает, в конечном счете, за счет энергии источника питания.

Поскольку при резонансе суммарное сопротивление реактивных элементов контура равно нулю, для входного контура справедливо выражение ε + Uосεω0∙M∙Iк = I∙(rп + rдоп). Напряжение на конденсаторе теперь можно записать в виде Uк = I/ω0C1 = I∙ρ. Откуда IUк/ρ. Подставив правые части выражений для I и Iк предыдущую формулу, получим:

Выражение (5.3) справедливо и для рассматриваемого случая, с той лишь разницей, что добротность теперь имеется ввиду эквивалентная (Qэ), учитывающая компенсацию потерь в контуре за счет положительной обратной связи. Воспользовавшись (5.3), предыдущее выражение перепишем в виде

Сократив обе части равенства на, выразим в явном виде эквивалентную добротность:

Пользуясь тем, что при резонансе ρ = 1/ω0C1 окончательно запишем:

Сравнивая выражения (5.5) и (5.6), можно сделать следующие полезные для практики выводы:

♦ в знаменателе выражения для добротности, за счет положительной обратной связи, появилось дополнительное слагаемое MS/C1, имеющее размерность сопротивления;

♦ знак этого сопротивления отрицательный, что уменьшает общее сопротивление потерь контура;

♦ манипулируя величиной М или S, можно сделать сопротивление потерь контура сколь угодно малым, в том числе и равным нулю;

♦ увеличивая эквивалентную добротность контура описанным способом в соответствии с формулой (5.3), можно получать на контуре колебания любой желаемой амплитуды.

Физический смысл отрицательного сопротивления, уменьшающего общее сопротивление потерь, заключается в том, что в контур за счет положительной обратной связи, вносится из коллекторной цепи энергия источника питания, компенсирующая потери энергии сигнала в контуре. Энергия вносится в виде колебаний той же частоты, что и у поступивших в контур из антенны.

Происходящая компенсация потерь или, другими словами, восстановление энергии сигнала называется регенерацией, а приемники, использующие рассмотренный принцип для повышения коэффициента усиления, — регенеративными.

Принципы сверхрегенерации

При всей привлекательности рассмотренного метода, он обладает существенным недостатком. Параметры, определяющие величину отрицательного вносимого сопротивления rвн = MS/C1 не стабильны во времени, из-за чего нестабильным получается и сам режим регенерации. Увеличение положительной обратной связи (увеличение rвн) до обращения в нуль знаменателя формулы (5.6) приводит к превращению усилителя в генератор, уменьшение — к существенному снижению расчетного коэффициента усиления, а значит и к потере чувствительности.

Кроме того, увеличение коэффициента усиления приемника за счет увеличения эквивалентной добротности ограничивается требованиями к полосе пропускания приемника (Δfпр). Последняя, как известно, определяется выражением Δfпр = f0/QЭ и не должна быть меньше активной ширины спектра принимаемого сигнала. Классическим примером обращения недостатка в достоинство является идея сверхрегенеративного усиления. Нетрудно согласиться с утверждением, что наибольший коэффициент усиления в регенераторе можно получить, находясь на границе самовозбуждения, когда знаменатель формулы (5.6) близок к нулю.

Однако это положение и наименее устойчиво именно из-за близости к режиму самовозбуждения. Идея сверхрегенеративного приема заключается в периодическом изменении вносимого отрицательного сопротивления таким образом, чтобы усилитель на определенную часть этого периода превращался в генератор, проходя через область максимального усиления. Рассмотрим эту идею подробнее.

Как было отмечено выше, величиной вносимого сопротивления можно варьировать, изменяя либо взаимоиндуктивность М, либо крутизну транзистора S. При рассмотрении принципов сверхрегенерации удобнее использовать S. Для начала выясним смысл этого параметра.

На рис. 5.4, а изображена входная характеристика транзистора, представляющая собой зависимость тока базы (iб) от напряжения между базой и эмиттером (uб). К базе обычно подключено напряжение смещения (u0), задающее положение рабочей точки (РТ1) на входной характеристике. При подаче на базу еще и переменного напряжения амплитудой Uб, ток базы будет меняться по тому же закону с амплитудой Iб (рис. 5.4, б).

Рис. 5.4. Зависимость крутизны от положения рабочей точки

При постоянной амплитуде напряжения, приложенного к базе, амплитуда тока, как это хорошо видно из рис. 5.4, будет зависеть от угла наклона входной характеристики в окрестностях рабочей точки. Количественно этот угол характеризуется крутизной входной характеристики Sб. Изменяя положение рабочей точки с помощью u0, можно менять Sб. Амплитуда коллекторного тока (/к) может быть определена по формуле Iк = Iбh21э, где h21э — коэффициент усиления транзистора по току в схеме с общим эмиттером. Величину S = Iк/Uб и будем называть крутизной транзистора.

Обратите внимание на то, что крутизна транзистора, как и величина Sб, зависит от положения рабочей точки транзистора на входной характеристике. Конкретная форма зависимости крутизны от напряжения смещения для разных транзисторов различна. Существенным же является тот факт, что крутизна тем больше, чем больше постоянное напряжение смещения U0, что хорошо видно из рисунка. При дальнейших рассуждениях для простоты будем полагать, что зависимость крутизны от напряжения смещения прямо пропорциональная (рис. 5.5, а).

Рис. 5.5. Прерывистая генерация в сверхрегенераторе

Теперь можно приступать к рассмотрению собственно режима сверхрегенерации. Обозначим значение крутизны транзистора, при которой знаменатель выражения (5.6) обращается в нуль (возникает генерация) через Sкр. Для получения этого значения на базу транзистора необходимо подать напряжение Uкр (рис. 5.5, а). В исходном состоянии на базу подают постоянное напряжение смещения U0, обеспечивающее такое положение рабочей точки транзистора (РТ), при котором крутизна S0 меньше критической. Генерация в этом случае отсутствует.

Если теперь к постоянному напряжению добавить некоторое вспомогательное, периодически изменяющееся, называемое напряжением суперизации (uсуп), то при достаточной его амплитуде рабочая точка будет переходить в область, где крутизна транзистора становится больше критической. Этой ситуации на рис. 5.5, б соответствует интервал времени t1t2. На это время знаменатель формулы (5.6) становится отрицательным, и в контуре обеспечиваются условия возникновения автогенерации.

Если в контур из антенны поступает напряжение сигнала амплитудой Uc, то колебания в контуре начнут нарастать, начиная с этого значения, по экспоненциальному закону, описываемому формулой [6]:

Uк(t) = Uce-δt, (5.7)

где δ = rэ/2L1 — коэффициент затухания колебаний в контуре;

L1 — индуктивность контура;

rэ = rп + rдопMS/C1 — эквивалентное сопротивление потерь контура,

При S > Sкр, что имеет место на интервале t1t2, величина rэ имеет отрицательное значение, показатель экспоненты в (5.7) — соответственно положительное, что и обеспечивает нарастание амплитуды колебаний до некоторого значения Um (рис. 5.5, в). После момента времени t2 крутизна становится меньше критической, показатель экспоненты в (5.7) — отрицательным, и колебания в контуре затухают. Образуется так называемая «вспышка» высокочастотных колебаний в контуре.

Если принимается АМ-сигнал, то к началу новой вспышки (момент t4 на рисунке) значение начальной амплитуды Uc будет отличаться от предыдущего (станет, например больше), соответственно изменится и амплитуда вспышки, что явствует из формулы (5.7) и рис. 5.5, в. В результате на контуре будет получена последовательность вспышек, амплитуда которых будет повторять закон изменения амплитуды принимаемых колебаний.

Надлежащим выбором параметров контура и величины S можно обеспечить такую скорость нарастания напряжения в контуре на интервале t1t2, при которой амплитуда вспышек Um будет достигать единиц вольт, при всего нескольких микровольтах, наведенных в антенне. Подавая вспышки на амплитудный детектор можно выделить их огибающую, которая и является полезным сигналом. Расчеты показывают, что коэффициент усиления сверхрегенератора может достигать сотен тысяч [7].

Необходимо отметить, что частота вспомогательных колебаний (Fсуп) должна быть такой, чтобы восстановление огибающей принимаемого сигнала происходило без потерь. Как известно, для этого должно быть выполнено условие Котельникова Fсуп >= 2Fв. Здесь Fв — верхняя частота в спектре модулирующего сигнала.

В практических схемах Fсуп лежит в пределах 30—100 кГц. Форма напряжения суперизации, как это ясно из рис. 5.5, принципиального значения не имеет. Важно лишь обеспечить на интервале t1t2 условие S > Sкр.

Предельно достижимая амплитуда вспышек на контуре Uпр ограничена параметрами схемы и напряжением питания. Если в процессе усиления сигналов амплитуда вспышек напряжения на контуре все время остается меньше Uпр, то зависимость амплитуды Um от Uc линейна и режим работы соответственно называется линейным. Достоинством режима является низкий уровень шумов и малый коэффициент нелинейных искажений.

Если начальная амплитуда в контуре или усиление в схеме настолько велики, что Um достигает значения Uпр на интервале t1t2, то амплитуда вспышек уже не зависит от амплитуды входного сигнала, и режим называется нелинейным. В этом режиме при изменении амплитуды входного сигнала будет изменяться площадь вспышек (рис. 5.6, а). Величина продетектированного напряжения изменяется в зависимости от входного сигнала по логарифмическому закону (рис. 5.6, б).

Рис. 5.6. Нелинейный режим сверхрегенератора

Такая зависимость выходного сигнала от входного аналогична действию АРУ в приемнике и расширяет его динамический диапазон. К недостаткам нелинейного режима относятся сильные нелинейные искажения, высокий уровень выходных шумов при отсутствии полезного сигнала и низкая избирательность по соседнему каналу. Сильные шумы на выходе приемника, представляющие усиленные во много раз собственные шумы каскада, являясь недостатком, одновременно, тем не менее, как раз и свидетельствуют о высоком коэффициенте усиления приемника.

По способу получения вспомогательных колебаний напряжения суперизации сверхрегенераторы подразделяются на две группы. Сверхрегенераторы с внешней суперизацией используют вспомогательные колебания, вырабатываемые специальными генераторами. В сверхрегенераторах с автосуперизаиией создаются условия для возникновения вспомогательных колебаний в самом регенеративном каскаде. Последний вариант используется чаще, так как требует меньших схемотехнических затрат (однако это не значит, что он является лучшим).

Читатели, знающие, что такое спектр сигнала, могут пропустить следующие три абзаца, остальным рекомендуется разобраться с этим понятием. Дело в том, что сигналы, используемые в радиотехнике, могут иметь самую различную форму.

Анализировать прохождение непосредственно самих сигналов через радиотехнические цепи, назначение и структура которых также весьма разнообразны, весьма сложная задача. Поэтому в радиотехнике принято при анализе заменять сигналы их спектрами. Из математики известно, что практически любую функцию можно представить в виде суммы других, более простых функций. Такое представление называется разложением функции в ряд. Любой реальный сигнал сколь угодно сложной формы представляет собой какую-либо функцию времени, а значит, может быть разложен в ряд.

Наиболее широко применяется разложение в тригонометрический ряд Фурье. При этом сигнал представляется в виде суммы гармонических колебаний, т. е. колебаний синусоидальной или косинусоидальной формы. Выбор обусловлен тем, что только эти колебания при прохождении через линейную цепь (а большинство радиотехнических цепей могут считаться линейными) не изменяют своей формы. У гармонического колебания может измениться только амплитуда и начальная фаза. Таким образом, анализ прохождения гармонического колебания через любое устройство сводится только к оценке изменения этих двух величин, а в большинстве практических задач — только к оценке изменения амплитуды. Гармонические колебания, в виде суммы которых можно представить исследуемый сигнал, называются его составляющими, а их совокупность и есть спектр сигнала. Выяснив, какие изменения претерпевает каждая из спектральных составляющих при прохождении через исследуемую цепь, достаточно сложить их на выходе, чтобы получить форму выходного сигнала.

При дальнейшем изложении будет использоваться спектр синусоидальных импульсов. Известно, что импульсы тока, представляющие собой отрезки синусоиды (рис. 5.7), содержат в своем составе постоянную составляющую I0 = a0(θ)∙Im и гармоники на частотах, кратных частоте следования синусоидальных импульсов ω. Так называемые коэффициенты Берга a0(θ) зависят от угла отсечки импульсов θ и номера гармоники n. Количество гармоник в общем случае равно бесконечности, однако их амплитуды с ростом номера гармоники уменьшаются. Обычно практический интерес представляют только несколько первых из них.

Рис. 5.7. Спектр синусоидальных импульсов

Принцип действия «классического» сверхрегенератора

Для решения задачи, заявленной в начале параграфа, рассмотрим подробно принцип действия реального сверхрегенеративного приемника с автосуперизацией, собранного по «классической» схеме (рис. 5.8). Схема содержит колебательный контур LкC5, настраиваемый на частоту сигнала, принимаемого антенной (А). Для уменьшения влияния антенны на параметры контура связь между ними реализована через конденсатор С3 небольшой емкости.

Рис. 5.8. Принципиальная схема классического сверхрегенератора

Необходимо отметить, что колебательный контур, в отличие от рис. 5.3, включен в коллекторную цепь транзистора, и компенсация потерь энергии сигнала будет происходить непосредственно коллекторным током.

Необходимая для этой цели обратная связь организована следующим образом. Поскольку верхний по схеме, вывод колебательного контура соединен с общим проводом через конденсатор С2, сопротивление которого на частоте сигнала пренебрежимо мало, высокочастотное напряжение Uк, существующее на нем, фактически действует между коллектором транзистора и корпусом (см. рис. 5.8).

Это напряжение приложено к делителю, состоящему из конденсатора обратной связи С6 и дросселя Др1. Нижний вывод дросселя соединен с корпусом через малое сопротивление конденсатора С4. Поскольку база транзистора также соединена с корпусом через конденсатор большой емкости C1, то высокочастотное напряжение обратной связи Uoc приложено фактически между эмиттером и базой транзистора.

Режим транзистора по постоянному току, как известно, определяется напряжением Uб-э. Так как сопротивлением дросселя Др1 постоянному току можно пренебречь, то это напряжение будет представлять собой разность Uб-э = UR2Uс. Оно и определяет положение рабочей точки на характеристиках транзистора.

Напряжение UR2 снимается с нижнего плеча делителя R1R2 и может регулироваться переменным резистором R1. Элементы R4C7 являются фильтром нижних частот и предназначены для выделения полезного сигнала.

В правильно собранной схеме при отсутствии входного сигнала существует режим прерывистых колебаний. Форма напряжений на контуре Uк и конденсаторе С4, полученные в результате включения схемы в системе схемотехнического моделирования Micro-Cap 6, приведена на рис. 5.9. Пилообразное напряжение, приведенное на втором графике, и является напряжением автосуперизации в рассматриваемой схеме. Для анализа процессов, происходящих в схеме, выделим одну вспышку высокочастотных колебаний и рассмотрим подробно механизм ее формирования.

Рис. 5.9. Эпюры напряжений в сверхрегенераторе

На рис. 5.10 приведена проходная характеристика транзистора КТ315Б, использованного в схеме, на которой отмечены

Рис. 5.10. Проходная характеристика транзистора

две характерные точки. Точка (1) соответствует напряжению на участке «база-эмиттер», при котором начинает протекать коллекторный ток. Из графика видно, что оно равно Uб_э = 0,45 В.

Точка (2) соответствует критической крутизне проходной характеристики Sкp, при которой в схеме выполняются условия самовозбуждения. Происходит это при Uб_э = 0,521 В. Коллекторный ток, соответствующий моменту самовозбуждения, равен 145 мкА. С помощью переменного резистора R1 устанавливается такое исходное напряжение Uб-э = UR2Uс при котором исходная крутизна Sи > Sкр. При таких условиях в схеме, как уже говорилось, возбуждаются прерывистые колебания.

Графики в характерных точках схемы, облегчающие понимание принципа действия, приведены на рис. 5.11.

Рис. 5.11. Графики, поясняющие принцип действия сверхрегенератора

Рис. 5.11. Графики, поясняющие принцип действия сверхрегенератора (продолжение)

Поскольку процесс в схеме периодический, рассмотрение можно начать с любого момента времени. Пусть в момент t = 0 напряжение на конденсаторе С4, обусловленное предыдущими процессами в схеме, таково, что текущее значение Uб-э = UR2Uс < 0,45 В (рис. 5.11, а, б). Транзистор в этой ситуации заперт, коллекторный ток его равен нулю (рис. 5.11, в, г), высокочастотное напряжение на контуре отсутствует (рис. 5.11, д). Происходит разряд конденсатора С4 через резистор R3. Напряжение на конденсаторе уменьшается по экспоненциальному закону

где Uсо — напряжение на конденсаторе в момент запирания транзистора в предыдущем цикле (момент, аналогичный точке 5 на графиках);

τр = R3C4 — постоянная времени цепи разряда конденсатора.

Как только напряжение Uб-э станет равным 0,45 В (точка 1), транзистор начнет открываться. Появится коллекторный ток, нарастающий во времени (интервал 1–2 на рис. 5.11, в, г). Хотя открывшийся транзистор обеспечивает протекание зарядного тока через конденсатор С4, напряжение на нем по-прежнему убывает (рис. 5.11, а) пока величина тока разряда конденсатора через резистор R3 больше зарядного тока.

Поскольку первый из них убывает, а второй нарастает, результирующая скорость роста напряжения Uб-э замедляется. Тем не менее, в точке 2 это напряжение достигает критического значения Uб-э = 0,521 В, что соответствует началу самовозбуждения каскада.

В контуре возникают высокочастотные колебания (рис. 5.11, д), амплитуда которых нарастает в соответствие с выражением (5.7). Здесь уже уместно сделать первый полезный для практики вывод.

Если после открывания транзистора зарядный и разрядные токи конденсатора С4 сравняются прежде, чем напряжение Uб-э достигнет Uкр (в нашем случае 521 мВ), то самовозбуждение каскада не произойдет и сверхрегенератор работать не будет. Скорость уменьшения тока разряда конденсатора определяется постоянной времени τр = R3C4 и величиной исходного напряжения на конденсаторе Uco.

Скорость же нарастания зарядного тока через открывающийся транзистор определяется крутизной транзистора в исходной рабочей точке Sи, что в свою очередь зависит от соотношения сопротивлений резисторов R1, R2 и R3 и параметра h21э транзистора. Напряжение Uб-э, соответствующее Sи, при желании можно измерить, преднамеренно устранив условия самовозбуждения в каскаде, например временным отключением конденсатора обратной связи С6. Как видно, резистор R3 влияет и на τр, и на Sи, что усложняет процедуру настройки.

На практике целесообразно выбрать величину R3, исходя из требуемого значения частоты суперизации, а затем подстройкой R1 получить прерывистую генерацию. Для полноты картины следует отметить, что величиной R, можно в небольших пределах управлять и частотой суперизации. Действительно, чем больше напряжение UR2, тем больше напряжение Uco, до которого зарядится конденсатор С4, а значит и больше будет время его разряда, определяющее период суперизации.

Вернемся к процессам, происходящим в схеме. Часть напряжения, возникшего на контуре, в виде сигнала обратной связи Uoc начинает суммироваться с медленно меняющимся напряжением на участке «база-эмиттер». Результирующее напряжение теперь представляет собой алгебраическую сумму трех напряжений (рис. 5.11, б) и описывается выражением:

Uб-эUR2 — (Uc + Uос).

Коллекторный ток в результате начинает изменяться по синусоидальному закону (интервал 2–3 на рис. 5.11, в). Поскольку транзистор при этом работает в режиме класса А, постоянная составляющая коллекторного тока на этом участке практически не меняется (рис. 5.11, г). Суммарное напряжение Uб-э на этом интервале тек же содержит синусоидальную составляющую, нарастающую во времени. В момент времени, соответствующий точке 3 на графиках, происходит существенное изменение режима. Суммарное напряжение Uб-э начинает «цеплять» линию Uб-э = 450 мВ (рис. 5.11, б), соответствующую запирающему напряжению транзистора.

Коллекторный ток теперь протекает только в те части периода высокочастотного напряжения, в течение которых напряжение Uб-э превышает уровень в 450 мВ (интервал 3–5 на рис. 5.11, в). Именно этот факт является одним из необходимых условий существования режима прерывистой генерации в каскаде и, как следствие, возможности усиления принимаемых колебаний. Посмотрим на процессы, происходящие на интервале 3–5, внимательнее.

С одной стороны короткие импульсы коллекторного тока и являются теми «толчками», которые раскачивают колебания в контуре. Другими словами, первая гармоника этих импульсов обеспечивает формирование на контуре нарастающего гармонического напряжения. Пропорционально растет и напряжение обратной связи, прикладываемое к базе транзистора. Это, в свою очередь, вызывает дальнейший рост амплитуды коллекторных импульсов и напряжения на контуре.

С другой стороны постоянная составляющая импульсов (рис. 5.11, г) обеспечивает заряд конденсатора С4, напряжение с которого уменьшает результирующую разность UR2Uc (рис. 5.11, б). В итоге уменьшается угол отсечки импульсов коллекторного тока, что должно препятствовать росту напряжения на контуре. Результат зависит от того, что больше: скорость нарастания амплитуды напряжения обратной связи, являющегося частью напряжения на контуре, или скорость нарастания напряжения на конденсаторе Uc.

В интервале 3–4 соотношение роста амплитуды импульсов коллекторного тока и уменьшения их угла отсечки таково, что и первая гармоника, и постоянная составляющая Iк0 этих импульсов растут. Последняя обеспечивает увеличение напряжения на конденсаторе Uс, более того, увеличивается и скорость роста этого напряжения, что хорошо видно на графике (рис. 5.11, а). Это (через уменьшение угла отсечки) приводит к уменьшению скорости роста напряжения на контуре, но до точки 4 она еще превышает скорость роста Uc.

Выполнение этого условия принципиально необходимо для нарастания амплитуды вспышки. Для его обеспечения в реальной схеме необходимо помнить, что Uос является частью напряжения на контуре Uк, и скорость его нарастания можно регулировать двумя способами: коэффициентом затухания δ через параметры, в него входящие (формула 5.7), и изменением коэффициента обратной связи, определяющимся соотношением реактивных сопротивлений конденсатора обратной связи С6 и дросселя Др1. Уменьшать скорость нарастания Uc можно, в частности, увеличением емкости С4.

В точке 4 рост амплитуды импульсов коллекторного тока полностью компенсируется уменьшением их угла отсечки. Как следствие, постоянная составляющая Iк0 перестает изменяться, достигнув своего максимального значения. Далее амплитуда импульсов еще некоторое время растет, но уменьшение угла отсечки уже таково, что постоянная составляющая коллекторного тока уменьшается. Это приводит к уменьшению крутизны нарастания напряжения на конденсаторе.

Само же напряжение продолжает нарастать, смещая рабочую точку транзистора вниз по характеристике, что приводит к уменьшению ее крутизны. Из-за этого начинает уменьшаться амплитуда коллекторных импульсов, что увеличивает скорость спада постоянной составляющей Iк0. Уменьшается и напряжение на контуре. В точке максимума напряжения Uc (рис. 5.11, а) значение постоянной составляющей таково, что ток заряда конденсатора становится равным току разряда, и далее ток разряда превалирует.

В точке 5 амплитуда напряжения на контуре уменьшается до такой величины, при которой напряжение обратной связи перестает превышать пороговый уровень в 450 мВ (рис. 5.11, б). Транзистор закрывается. Импульсы коллекторного тока исчезают, становятся равными нулю амплитуды первой гармоники и постоянной составляющей коллекторного тока. Напряжение на конденсаторе имеет величину Uc0. Энергия, запасенная в контуре к этому моменту, обеспечивает существование в нем затухающих колебаний, амплитуда которых убывает в соответствии с формулой (5.7).

Конденсатор С4, отсеченный от источника питания закрывшимся транзистором, разряжается через резистор R3 по экспоненте (5.8). Формирование вспышки закончено. Когда напряжение Uб-э за счет разряда конденсатора С4, достигнет величины 450 мВ, начнется процесс формирования новой вспышки.

Необходимо особо подчеркнуть, что если скорость уменьшения напряжения на конденсаторе будет больше скорости уменьшения амплитуды колебаний на контуре, то, как это явствует из рис. 5.11, б, импульсы напряжения обратной связи будут продолжать превышать пороговый уровень и срыва колебаний не произойдет. Каскад перейдет в режим непрерывной генерации. Вышеупомянутые скорости зависят соответственно от величин τр и δ. Очевидно, условие существования прерывистых колебаний имеет вид

До сих пор мы считали, что в контуре отсутствует напряжение сигнала. В этом случае процесс формирования всех вспышек абсолютно одинаков, и в результате их амплитуда, длительность и период следования постоянны. Соответственно постоянны эти параметры и у импульсов постоянной составляющей коллекторного тока (рис. 5.11, г). Пропустив эти импульсы через фильтр нижних частот, получим на его выходе постоянное напряжение, пропорциональное амплитуде импульсов постоянной составляющей.

При поступлении из антенны в контур напряжения сигнала картина меняется. В момент времени, соответствующий критическому значению крутизны транзистора (точка 2), напряжение в контуре начнет нарастать не с нулевого значения, а с величины, равной амплитуде сигнала в контуре. Соответственно увеличатся как максимальная амплитуда вспышек на контуре, так и амплитуда импульса постоянной составляющей коллекторного тока.

В свою очередь, это приведет к увеличению напряжения на выходе ФНЧ. Если сигнал, поступающий в контур, модулирован по амплитуде, то, в конечном счете, окажутся модулированными и импульсы постоянной составляющей коллекторного тока, а значит, сигнал на выходе ФНЧ будет повторять по форме огибающую входного сигнала.

Поскольку в контуре всегда существует собственное напряжение шумов, то при отсутствии входного сигнала напряжение, с которого будут начинаться высокочастотные вспышки, будет определяться значением шумового напряжения в момент, соответствующий точке 2 на графиках. От вспышки к вспышке напряжение шумов меняется по случайному закону, поэтому и на выходе ФНЧ напряжение будет представлять собой случайное колебание, которое воспринимается на слух в виде характерного «суперного» шума.

Фильтр нижних частот, выделяющий полезный сигнал, как следует из вышеприведенных соображений, должен находиться в коллекторной цепи. Иногда так и делается. Однако подробно рассмотренный процесс формирования, в частности, напряжения на конденсаторе С4, в котором принимает участие постоянная составляющая коллекторного тока I0, позволяет сделать вывод, что и амплитуда импульсов напряжения на этом конденсаторе так же будет меняться по закону огибающей входного сигнала.

В приведенной на рис. 5.8 схеме использован этот факт, и на вход ФНЧ, состоящего из резистора R4 и конденсатора С7, подается пилообразное напряжение суперизации с конденсатора С4.

В заключение необходимо отметить, что часть напряжения сигнала, поступившего из антенны в контур, по цепи обратной связи попадет на базу транзистора и будет складываться там с пилообразным напряжением суперизации и постоянным напряжением смешения. В результате, момент пересечения суммарным напряжением Uб-э уровня отпирания транзистора (точка 1 на графиках) от периода к периоду будет изменяться, вызывая изменение частоты следования вспышек во времени по закону огибающей входного сигнала.

При отсутствии полезного сигнала аналогичный процесс будет происходить под действием собственных шумов каскада. Этот факт можно использовать при оптимизации режима работы сверхрегенератора. Подключив осциллограф через конденсатор емкостью 5—15 пФ к коллектору транзистора, можно наблюдать вспышки колебаний на контуре. Выбрав длительность развертки осциллографа такой, чтобы на экране умещалось 4–5 вспышек, и синхронизируя развертку по первой из них, можно наблюдать «дрожание» остальных вдоль оси времени под действием собственных шумов.

В процессе настройки необходимо добиваться как можно большей амплитуды этих «дрожаний», что будет свидетельствовать о максимальном коэффициенте усиления приемника. Вместо высокочастотных вспышек можно наблюдать пилообразное напряжение суперизации, подключив осциллограф к конденсатору С4.

Изложенный подробный принцип действия сверхрегенератора при внимательном его рассмотрении радиолюбителями позволит облегчить процедуру настройки конкретных конструкций приемников и оптимизацию их параметров.

5.2.2. Классический сверхрегенератор

Принципиальная схема

Практическая схема сверхрегенеративного приемника, первый каскад которого ничем, по-существу, не отличается от рассмотренного в предыдущем параграфе, приведена на рис. 5.12. Подстроечный резистор R2 обеспечивает установку желаемой рабочей точки при настройке приемника.

Ограничительный резистор R1 препятствует выходу из строя транзистора VT1 при случайной установке движка R2 в процессе настройки в крайнее верхнее положение. С выхода фильтра нижних частот R5C7 продетектированный сигнал поступает на вход УНЧ, собранного на транзисторах VT2 и VT3. Непосредственное включение транзисторов с охватом схемы глубокой отрицательной связью по постоянному току через резистор R7 обеспечивает хорошую термостабилизацию положения рабочей точки. Общий коэффициент усиления УНЧ в такой схеме может достигать 1000–3000. Эмиттерный повторитель на транзисторе VT4 обеспечивает развязку приемника с последующими каскадами.

Рис. 5.12. Принципиальная схема классического сверхрегенератора

Детали и конструкция

Печатная плата изображена на рис. 5.13 и никаких комментариев не требует. Все конденсаторы, кроме электролитических С8 и С10, должны быть керамическими. Подстроечный резистор R2 может быть либо СПЗ-38б, либо РG1-6ЗМг. Все транзисторы — либо КТ315, либо КТ3102 с любыми буквенными индексами. Контурная катушка имеет 7 витков провода диаметром 0,5 мм на каркасе с подстроечным сердечником из карбонильного железа. Диаметр каркаса может быть в диапазоне 5–9 мм. Дроссель L1 — стандартный на 20–68 мкГн. В качестве антенны используется штырь либо гибкий провод длиной 20–40 см.

Рис. 5.13. Печатная плата

Настройка

Настройка заключается в установке оптимального режима сверхрегенерации с помощью R2 и настройке контура L2C5 в резонанс по сигналу своего передатчика. Конденсатор С6 должен иметь начальную емкость 15 пФ. Его значение уточняется в процессе настройки до получения максимума колебаний, наблюдаемых осциллографом в точке соединения конденсаторов С7 и С9. Настройка УНЧ сводится к установке на эмиттере транзистора VT4 напряжения, равного 4 В, путем подбора сопротивления резистора R7, для чего временно его целесообразно заменить переменным.

Соединительные провода должны при этом быть как можно короче во избежание наводок на базу VT2. При отсутствии осциллографа к выходу приемника можно подключить высокоомные наушники (например ТОН-2) и подобрать положение движка R2 и величину С6 по максимальной громкости прослушиваемых шумов при выключенном передатчике. Затем включить передатчик (имеется в виду, что он работает в режиме амплитудной модуляции сигналами с выхода шифратора), и настроить входной контур на максимальную громкость. Иногда после этого полезно подобрать положение движка потенциометра R2.

5.2.3. Сверхрегенератор с УРЧ

Основные положения

Поскольку сверхрегенератор представляет собой каскад, работающий в режиме прерывистой генерации, часть мощности колебаний, возникающих в контуре, через конденсатор связи попадает в антенну и излучается. Величина излучаемой мощности может достигать нескольких милливатт, что оказывает нежелательное воздействие на работающую поблизости радиоаппаратуру.

Одновременное управление несколькими моделями, например становится практически невозможным. Для развязки между антенной и сверхрегенеративным каскадом устанавливают усилитель радиочастоты. Проблема таким образом разрешается, поскольку сигнал в усилителе может распространяться только от входа к выходу. Справедливости ради необходимо отметить, что по-прежнему остается, хотя и менее мощное, паразитное излучение самого колебательного контура приемника. Для его устранения катушку контура целесообразно помещать в экран.

К сожалению, увеличения чувствительности УРЧ не дает. У сверхрегенеративного каскада она уже и так велика и определяется только собственными шумами каскада. Чувствительность будет повышена только в том случае, если собственные шумы каскада УРЧ меньше шумов сверхрегенератора.

В этом легко убедиться на простом примере. Пусть чувствительность сверхрегенератора равна 10 мкВ при отношении «сигнал/шум», равном 5. Это означает, что средний уровень собственных шумов, приведенных к входу, равен 10/5 = 2 мкВ. Теперь установим на входе УРЧ с коэффициентом усиления по напряжению Кu = 10, собранный на таком же транзисторе, что и в каскаде сверхрегенератора. Его собственные шумы также будут равны 2 мкВ. Подадим на вход УРЧ те же 10 мкВ.

На входе сверхрегенератора напряжение сигнала, прошедшего через УРЧ, будет равно 10x10 = 100 мкВ, а напряжение шумов соответственно 2x10 + 2 = 22 мкВ. Результирующее отношение «сигнал/шум» на входе сверхрегенератора стало равным 100/22 = 4,54, что меньше первоначального. Для того чтобы оно осталось прежним, на вход необходимо подавать уже 11 мкВ вместо 10. Как видим, УРЧ даже ухудшил чувствительность. Если же собственные шумы транзистора УРЧ составляют 1 мкВ, то нетрудно посчитать, что теперь будет достаточно сигнала величиной всего 6 мкВ. Но если на таком транзисторе собрать сам сверхрегенератор, результат будет еще лучше. Таким образом, применение УРЧ оправдывается только желанием уменьшить паразитное излучение через антенну.

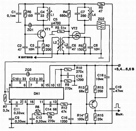
Принципиальная схема

Принципиальная схема приемника изображена на рис. 5.14. УРЧ собран на транзисторе VT1 по схеме с общей базой. Такое включение транзистора обеспечивает каскаду малое входное сопротивление, что делает его малочувствительным к разбросу параметров антенн. Нагрузкой каскада по переменному току является колебательный контур L1C7, одновременно входящий в состав сверхрегенератора, реализованного на транзисторе VT2. В отличие от предыдущей схемы, в нем, как и в УРЧ, применен высокочастотный кремниевый транзистор прямой проводимости, позволивший реализовать достаточно экономичный вариант приемника. Ток, потребляемый двумя первыми каскадами, не превышает 1,4 мА.

Микросхема DA1 исполняет роль усилителя низкой частоты. Резистор R12 определяет ток потребления микросхемы, ее максимальный коэффициент усиления и полосу пропускания. При указанных на схеме параметрах «обвязки» ток, потребляемый операционным усилителем, составляет всего 0,4 мА, а коэффициент усиления достаточен для получения выходных импульсов в уровнях, пригодных для непосредственной подачи на вход цифровых микросхем дешифратора или распределителя импульсов. Приемник питается от батареи типа «Крона» через стабилизатор DA2, обеспечивающий напряжение 6 В, что исключает «уход» параметров схемы по мере разряда батареи.

Рис. 5.14. Принципиальная схема сверхрегенератора с УРЧ

Детали и конструкция

Печатная плата изображена на рис. 5.15 и никаких особенностей не имеет. Транзисторы КТ3127А можно заменить на КТ3128. Катушка индуктивности L1 содержит 9 витков провода диаметром 0,35 мм на каркасе с резьбовым (М4) подстроечным сердечником из карбонильного железа. Конденсатор С8 лучше составить из двух: постоянного емкостью 24 пФ и подстроечного — 8—30 пФ. Соответствующие места на плате предусмотрены. В качестве антенны можно использовать отрезок провода длиной 20–40 см.

Рис. 5.15. Печатная плата

Настройка

Настройка сводится к подбору величины резистора R1 до получения на базе транзистора VT1 напряжения 4,2 В. Затем, по сигналам собственного передатчика, вращением сердечника катушки настраивается колебательный контур сверхрегенератора, а ротором конденсатора С8 — режим сверхрегенерации, до получения на выходе приемника максимальной амплитуды сигнала. Величина резистора R12 влияет на ток потребления микросхемы и полосу ее пропускания. Если крутизна фронтов выходных импульсов неудовлетворительна, резистор этот нужно уменьшать, однако платой за расширение полосы будет увеличение тока потребления.

5.2.4. Сверхрегенератор на транзисторе в барьерном режиме

Принципиальная схема

Сверхрегенеративный каскад собран на транзисторе VT1 (рис. 5.16). Особенностью каскада является работа транзистора в барьерном режиме. Его база по постоянному току соединена с коллектором через катушку L1. Такой режим, как известно, очень экономичен [8,9]. Ток, потребляемый каскадом, не превышает 70 мкА, и для его питания достаточно напряжения 2–3 В (контрольная точка Кт1).

Рис. 5.16. Принципиальная схема приемника

Для организации положительной обратной связи от части витков катушки L1 сделан отвод, соединенный по переменному току (через С4) с эмиттером транзистора. Глубина обратной связи выбрана такой, чтобы исходная рабочая точка транзистора находилась на участке характеристики с крутизной S > Sкр. В результате в каскаде возникают колебания на частоте настройки контура (рис. 5.17, а). По мере роста их амплитуды ток, потребляемый каскадом, увеличивается (увеличивая падение напряжения на резисторе R1) и, как следствие, уменьшается напряжение, питающее транзистор (рис. 5.17, б). Рабочая точка перемещается на участок с меньшей крутизной, и колебания срываются, что резко уменьшает ток через транзистор. Падение напряжения на R1 уменьшается, а в Кт2 растет по экспоненциальному закону, так как происходит заряд конденсатора С4, подключенного к этой точке. Когда напряжение возрастет до величины, при которой S > Sкр, процесс повторится, обеспечивая работу каскада в режиме прерывистой генерации.

Рис. 5.17. Эпюры в характерных точках

При поступлении в контур сигнала из антенны, амплитуда и частота экспоненциальных импульсов в Кт2 оказываются промодулированными огибающей входного сигнала. В спектре импульсов появляются гармоники огибающей. Выделенные фильтром нижних частот R3C6, они поступают на усилитель нижних частот, выполненный на первых трех элементах цифровой схемы DD1.

Резисторы цепи обратной связи R4, R5 обеспечивают работу микросхемы в линейном режиме. От их величины зависит коэффициент усиления УНЧ. На элементе DD1.4 реализован компаратор напряжения, порог которого регулируется потенциометром R6 таким образом, чтобы шумы с выхода УНЧ не вызывали его срабатывания.

Приемник имеет достаточно высокие характеристики. При напряжении питания 5 ±0,3 В ток потребления не превышает 1,8 мА. Чувствительность при отношении «сигнал/шум» в контрольной точке Кт3, равном четырем, не хуже 0,7 мкВ. При установлении порога компаратора, исключающего ложные срабатывания от шумов, чувствительность снижается до 1,5 мкВ. Выходной сигнал приемника представляет собой отрицательные импульсы амплитудой, практически равной напряжению питания. Диапазон перестройки приемника сердечником катушки L1 лежит в пределах 26–32 МГц. При использовании устройства для приема речевой информации, элементы схемы DD1.4, R7, R6, С11 необходимо исключить, а к нижнему (по схеме) выводу С9 подсоединить УНЧ.

Детали и конструкция

Печатная плата выполняется из одностороннего фольгированного стеклотекстолита или гетинакса в соответствии с рис. 5.18. Установочные размеры катушки L1 зависят от диаметра выбранного каркаса (5–7 мм) и могут быть изменены.

Рис. 5.18. Печатная плата

Катушка содержит 2 + 8 витков провода диаметром 0,5 мм. Подстроечный резистор R6 может быть любой, но на плате предусмотрено место для СПЗ-38б. Микросхема может быть заменена K176ЛE5. Не стоит пытаться устанавливать K561ЛA7, в активном режиме она работать не будет. Конденсаторы C1—С4 должны быть керамические, остальные — любого типа. На месте VT1 успешно будут работать транзисторы КТ3127А, КТ3128А. Отличные результаты получаются при использовании транзисторов типа КТ368А и КТ399А, но так как они n-р-n структуры, схему первого каскада нужно изменить согласно рис. 5.19. Естественно, придется поменять и чертеж соответствующего фрагмента печатной платы. Необходимо обязательно иметь ввиду, что полярность сигналов в Кт2, КтЗ и на выходе приемника поменяется на противоположную!

Питать приемник необходимо либо от внешнего стабилизированного источника, либо установить стабилизатор напряжения на плату, место для него предусмотрено (DA1). Подойдет любой маломощный стабилизатор, например КР1170ЕН5.

Рис. 5.19. Замена транзистора

Настройка

После проверки правильности монтажа подать питающее напряжение на плату. Сердечник катушки L1 ввернуть полностью. Проверить постоянное напряжение в Кт1. Оно должно находиться в пределах 2–2,5 В, в противном случае ввести его в эти пределы подбором R2. Подключить осциллограф к контрольной точке Кт2. Должны наблюдаться экспоненциальные импульсы, форма и параметры которых изображены на рис. 5.17, б.

Подбором величины R1 установить частоту их следования равной 40–44 кГц (период 22,7—25 мкс). Дрожание импульсов, начиная со второго, по оси времени является нормальным и свидетельствует об усилении каскадом собственных шумов. Отсутствие импульсов свидетельствует об отсутствии прерывистой генерации в каскаде. Причина может заключаться либо в сильном отклонении частоты настройки контура от указанного выше диапазона, либо в недостаточной величине коэффициента обратной связи в каскаде.

В первую очередь следует вращением сердечника попробовать добиться возникновения колебаний. При этом нужно иметь ввиду, что емкость конденсатора С2 на схеме указана для каркаса диаметром 5 мм. Если используется больший диаметр, индуктивность катушки растет, и емкость конденсатора нужно снижать. Так, при диаметре каркаса 9 мм емкость должна быть 27 пФ. Если генерация все же не возникла, необходимо попробовать увеличить число витков катушки до отвода на 0,5–1 виток.

Полезно проконтролировать форму высокочастотных вспышек на контуре. Для этого нужно подключить осциллограф, параметры которого должны позволять наблюдать высокочастотное напряжение 27 МГц, к коллектору транзистора VT1 через конденсатор, емкостью 2–5 пФ. Установить максимальную чувствительность осциллографа и длительность развертки 10 мкс/дел.

Форма высокочастотных вспышек должна быть примерно такая, как на рис. 5.17, а. Импульсы должны быть остроконечные и короткие (4–5 мкс). Если импульсы длиннее, о чем будет свидетельствовать наличие примерно плоской вершины, чувствительность приемника будет занижена. В этом случае полезно подобрать число витков катушки до отвода, изменяя их небольшими шагами (по 0,25—0,5 витка).

Усилитель низкой частоты, как правило, настройки не требует. Достаточно проконтролировать постоянное напряжение в Кт3. Оно должно лежать в пределах 2–3 В. Иная величина свидетельствует об ошибке монтажа или неисправности микросхемы.

Для настройки приемника на рабочую частоту необходимо либо подключить к его входу генератор стандартных сигналов в режиме внутренней модуляции, либо расположить на расстоянии 2–3 м включенный передатчик. В первом случае глубину модуляции установить равной 0,9 и амплитуду выходного сигнала — 10 мкВ. Осциллограф подключить к Кт4 и настроить входной контур в резонанс по максимуму наблюдаемого сигнала.

Компаратор настраивается по сигналам передатчика. Вращая движок потенциометра R6 из нижнего по схеме положения, добиться появления на выходе приемника отрицательных прямоугольных импульсов. Для обеспечения максимальной чувствительности продолжать вращение до тех пор, пока на экране не начнут проскакивать короткие импульсы, вызванные срабатыванием компаратора от шумов. Затем следует повернуть движок в обратную сторону на небольшой угол, при котором шумовые срабатывания пропадут.

В заключение отметим, что нагрузочная способность компаратора невелика, поэтому к приемнику можно подключать устройства, имеющие входное сопротивление не менее 10 кОм.

5.2.5. Сверхрегенератор на полевом транзисторе

Принципиальная схема

Чувствительность сверхрегенеративных приемников в значительной степени определяется собственными шумами используемого транзистора. В этом смысле целесообразно применение полевых транзисторов, как менее шумящих. На рис. 5.20 приведена схема одной из возможных реализаций такого приемника.

Рис. 5.20. Принципиальная схема приемника с УНЧ на транзисторах

Наиболее интересные параметры схемы сведены в табл. 5.1.

Результаты получены при напряжении питания 5 В, глубине модуляции испытательного сигнала m = 0,9 и частоте модуляции 1 кГц. Приемник предназначен для работы с импульсными сигналами, поэтому выбран нелинейный режим, обеспечивающий эффективную АРУ. При увеличении амплитуды входного сигнала с 3,5 мкВ до 4,5 мВ (в 1300 раз), уровень сигнала в контрольной точке Кт2 меняется всего в пределах 160–350 мВ. Приемник предназначен для работы с амплитудно-манипулированными сигналами.

Сверхрегенеративный каскад собран на транзисторе VT1. Колебательный контур включен в затворную цепь. Это, во-первых, практически исключило шунтирующее действие транзистора на контур, что существенно повысило его нагруженную добротность. Во-вторых, снизило мощность колебаний в контуре и, как следствие, паразитное излучение через антенну. Емкость контура образована двумя конденсаторами С2 и СЗ, точка соединения которых подключена к истоку транзистора, что и обеспечивает положительную обратную связь, необходимую для самовозбуждения каскада.

Величина резистора R1, постоянное падение напряжения на котором определяет исходное положение рабочей точки, выбрано такой, чтобы крутизна в этой точке превышала критическое значение. Совместно с конденсатором С5 этот резистор образует цепь формирования вспомогательных колебаний суперизации.

Форму и параметры колебаний можно проконтролировать осциллографом в контрольной точке Кт1. Они должны соответствовать рис. 5.21, б. Двузвенный фильтр нижних частот R2, С6, R4, С7 выделяет постоянную составляющую этих колебаний, изменяющуюся, как известно, по закону огибающей принимаемого сигнала, и подавляет колебания на частоте суперизации.

Рис. 5.21. Эпюры в характерных точках

Для того чтобы коэффициент передачи фильтра был близок к единице, он должен быть нагружен на сопротивление, существенно превышающее сумму R2 и R4. С этой целью далее установлен истоковый повторитель на полевом транзисторе VT2. Усилитель низкой частоты реализован на транзисторе V3 и никаких особенностей не имеет.

Конденсатор С9 дополнительно подавляет просочившееся напряжение суперизации. На выходе усилителя выделяется смесь полезного сигнала и шума, отношение амплитуд которых зависит от уровня входного сигнала (см. табл. 5.1). Каскад на транзисторе VT4 представляет собой, по сути, усилитель-ограничитель «снизу». Его рабочая точка выбрана таким образом, что, в отсутствие сигнала, амплитуды шумов недостаточно для отпирания транзистора и выходное напряжение равно нулю. Полезный сигнал, имеющий в точке Кт2 отрицательную полярность и превышающий уровень шумов минимум в четыре раза, открывает последний транзистор, и на его выходе формируются положительные импульсы амплитудой 5 В. Конденсатор С13 очищает фронты импульсов от остатков напряжения суперизации.

Детали и конструкция

Печатная плата приемника выполнена из одностороннего стеклотекстолита. Ее чертеж со стороны проводников приведен на рис. 5.22. Поскольку заявленные характеристики обеспечиваются в достаточно узком диапазоне питающих напряжений 5±0,5 В, источник питания должен быть стабилизирован. Стабилизатор, при желании, может быть размещен на плате приемника, для этого на ней предусмотрено место (элемент DA1). Подойдет, например интегральный стабилизатор 1170ЕН5 или его импортный аналог.

Рис. 5.22. Печатная плата

Транзистор VT1 может быть заменен на КП303А (Б, В, Ж), при этом может потребоваться подбор величины резистора R1 по указанной ниже методике. Можно использовать и КП303Г (Д, Е), КП302 с любой буквой, но напряжение питания обязательно придется повысить до 9 В из-за того, что у них значительно больше напряжение отсечки. Транзистор VT2 должен быть из серии КП303Г-Е при любом напряжении питания.

Транзисторы VT2, VT3 заменяются на КТ315 и КТ361 соответственно, с любыми буквенными индексами.

Контурная катушка содержит 8 витков и наматывается проводом 0,35—0,5 мм на каркасе диаметром 5–9 мм с карбонильным подстроечным сердечником. Можно использовать и ферритовый, но обязательно убедиться, что он марки 15–50 ВЧ. Высокочастотный дроссель Др1 стандартный, типа ДПМ-0,1, ДМ-0,1 индуктивностью 10–68 мкГн.

Можно использовать и самодельный, намотав 20–25 витков провода 0,15—0,25 мм на ферритовое кольцо диаметром 8—10 мм. Конденсаторы С2, С3 — керамические с хорошим ТКЕ (группы МЗЗ, ПЗЗ, МП0). Остальные могут быть любыми керамическими. Электролитические конденсаторы С8, С12 — любого типа на напряжение не менее 6,3 В. Никаких особых требований не предъявляется и к постоянным резисторам. В качестве антенны приемника используется отрезок провода длиной 25–50 см. Понятно, что чем больше длина антенны, тем больше будет дальность действия аппаратуры. Выход приемника рассчитан на подключение цифровой части, собранной на микросхемах серии КМОП.

Настройка

Настройку приемника желательно проводить с помощью осциллографа. Убедившись в правильности монтажа, временно заменить резистор R1 на подстроечный, сопротивлением 10–47 кОм, подсоединив его к плате как можно более короткими проводниками.

Осциллограф подключить к контрольной точке Кт1. Подать на плату питающее напряжение. Вращением ротора потенциометра добиться появления на экране пилообразных импульсов (рис. 5.21, б). Ручками синхронизации осциллографа обеспечить неподвижность первого импульса на экране. Подстройкой потенциометра установить частоту их следования равной 30–33 кГц.

Дрожание импульсов, начиная со второго, происходит из-за наличия собственных шумов каскада и свидетельствует о его нормальной работе. Амплитуда их должна быть равной 0,7–0,8 В. Подключив осциллограф к затвору первого транзистора через конденсатор емкостью 3–5 пФ, можно наблюдать вспышки высокочастотных колебаний на контуре (рис. 5.21, а). Измерить тестером сопротивление потенциометра, предварительно отключив его от схемы, и впаять постоянный резистор ближайшего номинала. Если требуемая частота и амплитуда импульсов одновременно не устанавливается, то подбором сопротивления потенциометра устанавливается нужная амплитуда импульсов, а затем подбором емкости конденсатора С5 — требуемая частота.

При отсутствии осциллографа можно поступить следующим, образом. Временно соединить затвор первого транзистора с корпусом небольшим отрезком провода, обеспечив срыв колебаний. Контролируя вольтметром постоянного тока напряжение в Кт1, вращением оси потенциометра установить его равным 0,6–0,65 В. Убрав перемычку, убедиться, что напряжение возрастает до 0,7–0,9 В, что свидетельствует о возникновении генерации. Установить оптимальные параметры «пилы» при этом методе, к сожалению, не удастся.

Для дальнейшей настройки потребуется либо генератор стандартных сигналов, либо передатчик, совместно с которым планируется использование приемника. Генератор подключается непосредственно к антенному входу и настраивается на требуемую частоту, его выходное напряжение устанавливается равным 100 мкВ, а глубина внутренней модуляции — 90 %. Если используется передатчик, его предварительно настраивают и располагают на расстоянии 2–3 м от приемника.

Осциллограф подключается к точке Кт2. Затвор транзистора VT2 временно соединяется с корпусом, а резистор R7 заменяется подстроечным, сопротивлением 47 кОм. Вращением ротора потенциометра необходимо установить постоянное напряжение в контрольной точке равным 3,15 В. При отсутствии осциллографа сделать это можно и с помощью вольтметра. Одновременно на базе транзистора VT4 (КтЗ) необходимо установить 4,65 В подбором величины резистора R10. В последнем случае на этом настройка и заканчивается.

Отпаять перемычку от затвора VT2. На экране осциллографа должны наблюдаться синусоидальные колебания частотой 1 кГц при использовании генератора или примерно прямоугольные импульсы, когда источником контрольного сигнала служит передатчик. Наличие только шумовой дорожки говорит о том, что входной контур приемника сильно расстроен. Вращением сердечника катушки контура необходимо добиться максимальной амплитуды наблюдаемого сигнала, что будет свидетельствовать о настройке в резонанс. Для обеспечения высокой точности настройки сигнал генератора необходимо постепенно уменьшать до границы чувствительности (передатчик относить на большее расстояние), о чем будет свидетельствовать появление на экране шумов заметной амплитуды. Окончательно установить движок потенциометра в положение, при котором отсутствует ограничение как положительных, так и отрицательных полуволн наблюдаемого сигнала. Заменить потенциометр постоянным резистором соответствующего сопротивления.

Переключить осциллограф на выход приемника. На экране должны наблюдаться положительные импульсы, размахом 5 В. Подбором R10 добиться, чтобы амплитуда шумовых всплесков в их основании не превышала 0,5 В; уменьшать их до нуля не следует, так как снижается чувствительность. На этом настройка приемника закончена.

В заключение следует отметить, что сверхрегенеративный каскад устойчиво работает в интервале питающих напряжений от 3 до 9 В, потребляя ток соответственно 120–650 мкА. Для каждого питающего напряжения необходимо тщательно подбирать величину резистора R1 и конденсатора С4 по приведенной выше методике. Если изменяется напряжение питания всего приемника, то необходимо уточнять и режимы по постоянному току транзисторов VT3 и VT4.

Если несколько снизить требования к экономичности, то усилитель низкой частоты и формирователь импульсов можно реализовать на операционном усилителе К140УД1208 по схеме, приведенной на рис. 5.23. Суммарный ток потребления приемника возрастет при этом до 1–1,2 мА. Конденсатор С9 добавлен для улучшения подавления напряжения суперизации, ухудшающего форму фронтов полезного сигнала. Операционный усилитель работает в режиме компаратора.

Рис. 5.23. Приемник с УНЧ на операционном усилителе

Настройка выходного каскада сводится к следующему.

Ротор потенциометра R10 устанавливается в нижнее (по схеме) положение. Потенциал на выводе 2 микросхемы DA1 оказывается ниже, чем на выводе 3, и контролируемое осциллографом напряжение на выходе каскада должно быть равно нулю. Подав на вход приемника сигнал одним из описанных выше способов, плавным вращением движка потенциометра добиться появления на выходе импульсов положительной полярности.

Поскольку амплитуда сигнала с выхода истокового повторителя лежит в пределах 2—15 мВ, разность потенциалов на выводах 3 и 2 должна быть 1—15 мВ, что требует тщательной установки порога. От величины последнего (разности потенциалов между выводах 3 и 2) зависит чувствительность приемника в целом. Наибольшей чувствительности соответствует такой порог, при котором снятие входного сигнала приводит к появлению на экране осциллографа хаотически изменяющихся импульсов амплитудой около 5 В, симметричных относительно уровня в 2,5 В.

Необходимо иметь в виду, что такая настройка будет вызывать беспорядочное срабатывание исполнительных устройств аппаратуры при отсутствии входного сигнала. Если это недопустимо, то необходимо в отсутствие входного сигнала плавно повышать порог уменьшением сопротивления R10 до того момента, когда шумовые выбросы на экране осциллографа пропадут. Чувствительность приемника при этом снизится до 4–5 мкВ.

Детали и конструкция второго варианта приемника

Печатная плата второго варианта приемника приведена на рис. 5.24. Для того чтобы настройки сохранялись в процессе эксплуатации, напряжение питания приемника должно быть стабилизировано. Стабилизатор может быть общий на все оборудование модели или предусмотренный только для приемника. В последнем случае его можно установить на печатной плате приемника, место для него предусмотрено (элемент DA2). Подойдет интегральный стабилизатор 1170ЕН5 или аналогичный импортный.

Рис. 5.24. Печатная плата второго варианта

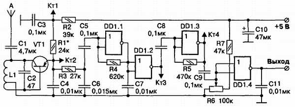
5.2.6. Сверхрегенератор на полевом транзисторе с внешней суперизацией

Ранее отмечалось, что многофункциональность сверхрегенеративного каскада усложняет его настройку и уменьшает устойчивость работы в процессе эксплуатации. В значительной степени эти недостатки устраняются применением внешней суперизации в каскаде. Вариант схемы такого приемника приведен на рис. 5.25. При напряжении питания +5 В приемник потребляет ток 1,6 мА. Его чувствительность при отношении «сигнал/шум» = 4 и глубине модуляции m = 90 % составляет 1–2 мкВ. Частота настройки— 27,12 МГц (28–28,2 МГц). Приемник предназначен для работы с импульсными сигналами.

Рис. 5.25. Приемник с внешней суперизацией

Первый каскад отличается от рассмотренного в предыдущем параграфе отсутствием RC-цепи, обеспечивавшей режим прерывистой генерации. Теперь такой режим реализован за счет того, что питание на каскад подается через электронный ключ, собранный на транзисторе VT3. Управляется ключ подачей в базу импульсов суперизации со специального генератора, реализованного на элементах DD1.1, DD1.2.

Форма вырабатываемых колебаний в контрольной точке Кт2 изображена на рис. 5.26, а. Частота суперизации устанавливается подбором величины R6. Интегрирующая цепочка R2C2 преобразует прямоугольные импульсы в экспоненциальные, форма которых в Кт1 приведена на рис. 5.26, б.

Параметры положительной обратной связи в каскаде подобраны таким образом, что условия самовозбуждения выполняются при напряжении на стоке транзистора, примерно равном Uс. кр = 1 В (горизонтальная линия на рис. 5.26, б). На интервале времени, в течение которого напряжение на стоке превышает критическое значение, в контуре возникают нарастающие по амплитуде высокочастотные колебания. На это же время напряжение на стоке транзистора получает дополнительный прирост. При внимательном рассмотрении графика на рис. 5.26, б это хорошо заметно.

По окончании упомянутого интервала колебания в контуре затухают по экспоненте с постоянной времени, определяемой добротностью контура (рис. 5.26, в). Существенным является тот факт, что величина прироста напряжения на стоке, а точнее площадь треугольной области стоковых импульсов, находящейся над уровнем Uс. кр, зависит от амплитуды высокочастотных вспышек.

Рис. 5.26. Эпюры напряжений в характерных точках

При наличии в контуре напряжения полезного сигнала, амплитуда и площадь высокочастотных вспышек будет изменяться во времени по закону изменения огибающей этого сигнала, аналогично будут меняться и площади упомянутых треугольных областей. Это означает, что в спектре стоковых импульсов содержатся гармоники огибающей принимаемого сигнала.

Выделить их можно с помощью фильтра нижних частот, роль которого в схеме играют элементы R1, С6, R3, С7. Конденсатор С5 предотвращает попадание постоянной составляющей стокового напряжения на базу транзистора VT2. На этом транзисторе собран усилитель низкой частоты, доводящий уровень выходного сигнала до 0,15—0,2 В.

К нагрузке усилителя (резистор R9) непосредственно подключен логический элемент DD1.3, выполняющий функции компаратора. Графики на рис. 5.27 поясняют работу этого устройства.

Напряжение в контрольной точке КтЗ (рис. 5.27, а) представляет собой сумму постоянного напряжения UКт3, принятого сигнала в виде отрицательных импульсов и напряжения шумов. Известно, что входное напряжение Uпор, при котором происходит переключение логического элемента, для микросхем 561-й серии составляет величину, примерно равную половине напряжения питания. С помощью потенциометра R5 устанавливается такое исходное напряжение в КтЗ, при котором пороговый уровень пересекается только отрицательными сигнальными импульсами (рис. 5.27, а). На выходе приемника при этом формируются положительные импульсы стандартной амплитуды 5 В (рис. 5.27, б).

Рис. 5.27. Работа компаратора

Детали и конструкция

Печатная плата приемника изображена на рис. 5.28 и никаких особенностей не имеет. В правом верхнем углу платы предусмотрено место для установки, при необходимости, интегрального стабилизатора напряжения типа КР1170ЕН5. Все детали сверхрегенеративного каскада такие же, как и в предыдущем варианте приемника.

Транзистор VT2 типа КТ315Б, VT2 — любой транзистор n-р-n структуры. Микросхема DD1 может быть либо K561ЛA7, либо К561ЛЕ5. Подстроечный резистор R5 марки СПЗ-38Б либо любой другой (при изменении рисунка печатной платы).

Настройка приемника. После проверки правильности монтажа подать на схему напряжение 5±0,2 В. Подключить осциллограф к контрольной точке Кт2 и подбором величины резистора R6 установить частоту наблюдаемых прямоугольных импульсов (рис. 5.26, а) в пределах 40–44 кГц. Убедится, что форма импульсов в Кт1 соответствует рис. 5.26, б. Подключить осциллограф или высокоомный вольтметр к контрольной точке КтЗ и движком потенциометра R5 установить уровень постоянного напряжения в ней равным 2,5 В.

От генератора стандартных сигналов подать на вход приемника высокочастотное напряжение на предполагаемой частоте работы приемника. Амплитуду установить 10 мкВ, глубину модуляции— 90 %. Вращением сердечника катушки L1 добиться появления на экране осциллографа, подключенного к КтЗ, синусоидального сигнала на частоте 1 кГц амплитудой 100–300 мВ (огибающая испытательного сигнала).

Отсутствие этого сигнала, а также шумовой дорожки на экране осциллографа свидетельствуют об отсутствии генерации в первом каскаде приемника. Дело в том, что питающим напряжением для каскада являются экспоненциальные импульсы (рис. 5.26, б) и, с учетом разброса параметров транзисторов, их амплитуды может оказаться недостаточно для самовозбуждения каскада. В этом случае следует временно заменить резистор R2 подстроечным на 3,3–6,8 кОм, и вращением его ротора не только добиться появления сигнала в контрольной точке КтЗ, но и сделать амплитуду этого сигнала максимальной.

Полезно иметь в виду, что чувствительность приемника зависит от длительности интервала времени, в течение которого выполняются условия самовозбуждения (рис. 5.26, б). Чем меньше эта длительность, тем выше чувствительность, поэтому необходимо тщательно подобрать величину резистора R2, чтобы амплитуда импульсов на стоке транзистора превышала порог Uск. р на небольшую величину. Однако чрезмерно малая величина превышения приводит к неустойчивой работе каскада из-за действия различных дестабилизирующих факторов. Требуется отыскать разумный компромисс между устойчивостью и чувствительностью.

Заключительный этап настройки лучше проводить по сигналам передатчика, совместно с которым планируется использовать приемник. Включив передатчик, расположенный на расстоянии 3–4 м от приемника, необходимо, контролируя сигнал в КтЗ, уточнить положение сердечника катушки L1, добиваясь настройки в резонанс. Затем необходимо уменьшить уровень выходного сигнала в КтЗ до величины, при которой он будет превышать уровень шумов в 4–5 раз (рис. 5.27, а). Уменьшение сигнала достигается отключением антенны от передатчика, помещением его в металлический сосуд (например кастрюлю), увеличением расстояния до него и т. д. После этого осциллограф переключить на выход приемника и отыскать такое положение движка потенциометра R5, вращая его в небольших пределах вокруг ранее установленной точки, при котором выходные импульсы будут образовываться только отрицательными импульсами сигнала, а срабатывание от шумовых выбросов будет отсутствовать.

Необходимо иметь в виду, что потенциометр R5 определяет величину постоянного напряжения UКт3. Чрезмерно большая величина зазора UКт3 Uпор. приведет к снижению чувствительности приемника, так как сигнал небольшой амплитуды не будет вызывать срабатывания компаратора. Малая же величина зазора приведет, как это видно из рис. 5.28, а, к срабатыванию компаратора от шумовых выбросов. Необходимо выбрать разумный компромисс.

В заключение отметим, что при отсутствии входного сигнала (передатчик выключен) амплитуда шумов в Кт3 возрастает и на выходе приемника появляются хаотические импульсы. Если это недопустимо, то порог нужно устанавливать именно в таком положении, добиваясь пропадания ложных срабатываний. Величину его при этом приходится увеличивать, и чувствительность приемника падает до 4–5 мкВ.

Рис. 5.28. Печатная плата

5.2.7. Сверхрегенератор с внешней суперизацией на двухзатворном транзисторе

Принципиальная схема

Основное достоинство этой схемы заключается в разделении функций, выполняемых различными частями схемы, что существенно упрощает настройку приемника. При напряжении питания 9 В и отношении «сигнал/шум» на выходе равном четырем, чувствительность приемника составляет величину 0,8–1 мкВ. Приемник способен работать в диапазоне 26–29 МГц при соответствующей настройке входного контура. Выход приемника аналоговый, поэтому при использовании его для приема импульсных сигналов к выходу следует подключить формирователь импульсов на базе какого-либо порогового устройства.

На транзисторе VT1 собран генератор (рис. 5.29), призванный компенсировать потери сигнала, поступающего в контур L1C4 из антенны через конденсатор С1 небольшой емкости. Положительная обратная связь реализована через элементы С2 и Др1, не требующие тщательного подбора.

Рис. 5.29. Принципиальная схема приемника на двухзатворном транзисторе

Последнее объясняется тем, что крутизна транзистора по первому затвору, от величины которой зависит наличие или отсутствие самовозбуждения в каскаде, управляется напряжением суперизации, продаваемым на второй затвор транзистора. Это напряжение вырабатывается автономным генератором прямоугольных импульсов, собранным на элементах DD1.1, DD1.2 по традиционной схеме. Частотой генератора можно легко управлять, подбирая постоянную времени цепи CnR5.

Резисторы R1, R2 обеспечивают требуемый режим транзистора по постоянному току, а конденсаторы С5 и С8 шунтируют их как на высокой частоте принимаемого сигнала, так и на сравнительно низкой частоте суперизации. Конденсатор С7 обеспечивает соединение по переменному току второго затвора с корпусом, что необходимо для нормальной работы транзистора. Это единственная деталь в схеме, которая выполняет двойную функцию.

Она, совместно с резистором R3, образует интегрирующую цепочку, превращающую прямоугольные импульсы генератора суперизации в треугольные. Регулируя амплитуду этих импульсов потенциометром R3, можно изменять продолжительность промежутков времени, в течение которых крутизна транзистора превышает критическое значение. Это позволяет изменять длительность вспышек высокочастотного напряжения на контуре тем самым, устанавливая желаемый режим работы сверхрегенератора: линейный либо нелинейный.

Как говорилось выше, полезная информация заключается в постоянной составляющей коллекторного (в нашем случае стокового) тока, меняющейся по закону амплитудной модуляции принимаемого сигнала. Для ее выделения используется фильтр нижних частот, состоящий из резистора R4 и конденсатора С6. Выделенный сигнал через конденсатор С9 поступает далее на У114, собранный на экономичном операционном усилителе DA1 по стандартной схеме включения. Манипулируя величиной R10, можно уменьшать ток потребления микросхемы. Необходимо иметь в виду, что коэффициент усиления при этом тоже будет уменьшаться.

Детали и конструкция

Конденсаторы С1—С8— керамические. С11 — либо пленочный, либо керамический с малым ТКЕ. С13 — любой электролитический. Остальные конденсаторы любого типа.

Транзистор VT1 лучше всего использовать типа BF964. Подойдут и отечественные КП306, КП350, КП327, немного ухудшив чувствительность. Микросхема DD1 типа K561ЛA7 или К561ЛЕ5. Операционный усилитель может быть любого типа, включенный по стандартной схеме. Контурная катушка L1 имеет 8–9 витков провода диаметром 0,35—0,5 мм и намотана на каркасе диаметром 5–7 мм с подстроечным сердечником из карбонильного железа.

Печатная плата выполнена из одностороннего фольгированного стеклотекстолита и никаких особенностей не имеет. Ее чертеж приведен на рис. 5.30.

Рис. 5.30. Печатная плата

Настройка

Для настройки желательно воспользоваться осциллографом. После проверки правильности монтажа и подключения питания, убедиться в наличии прямоугольных импульсов на выводе 4 микросхемы DD1. Подбором величины резистора R5 установить частоту следования этих импульсов равной 50–55 кГц. Проконтролировать постоянные напряжения на выводах 3 и 6 микросхемы DA1. При исправных деталях и правильном монтаже эти напряжения должны быть равны половине напряжения питания.

Измерить постоянное напряжение на верхнем выводе резистора R1. Величина напряжения должна лежать в пределах 0,6–1,2 В. Отсутствие напряжения свидетельствует о неисправности транзистора. Причиной этого обычно является неосторожное обращение с полевым транзистором, который следует предохранять от воздействия статического электричества. Особенно это касается транзисторов отечественного производства.

Подключить осциллограф к стоку транзистора VT1 через конденсатор емкостью 3–5 пФ. Вращая движок потенциометра R3, добиться появления вспышек высокочастотного напряжения на экране (осциллограф должен быть с полосой пропускания не ниже 10 МГц). Если этого достичь не удается, причина заключается в сильной расстройке колебательного контура. В последнем случае необходимо скорректировать настройку катушки L1, перемещая ее сердечник в окрестностях среднего положения.

Подключить к антенному входу генератор стандартных сигналов, настроенный на 27,12 МГц. Глубину модуляции установить 30 %. Уровень выходного сигнала — 50 мкВ. На экране осциллографа, подключенного к выходу приемника, должно наблюдаться гармоническое колебание частотой 1 кГц. Сердечником входной катушки настроить контур в резонанс по максимуму выходных колебаний.

Постепенно уменьшая амплитуду входного сигнала, уточнять положение движка потенциометра R3, обеспечивающее максимум выходного сигнала. Правильно настроенный приемник при амплитуде входного сигнала 1 мкВ должен обеспечивать на выходе амплитуду полезного сигнала 0,5–1 В, превышающего средний уровень шумов не менее чем в 4 раза.

Высокочастотная часть приемника сохраняет работоспособность в интервале питающих напряжений 3,3—12 В. Может потребоваться подстройка R3. Однако используемый операционный усилитель требует минимум 7 В. Применив низковольтный ОУ либо транзисторный УНЧ, можно обеспечить работоспособность всего приемника в указанном диапазоне питающих напряжений.

При отсутствии генератора и осциллографа приемник можно настроить по сигналам передатчика, с которым планируется работать. Подключив к выходу приемника высокоомные наушники (лучше через конденсатор емкостью 10 мкФ), необходимо многократным уточнением положения сердечника входной катушки и движка потенциометра R3 добиться максимальной громкости прослушиваемого сигнала.

В заключение отметим, что при использовании приемника для работы с импульсными сигналами на оставшихся свободными двух элементах микросхемы DD1 удобно выполнить нормализатор импульсов.

5.2.8. Сверхрегенератор с внешней суперизацией и УНЧ на цифровой микросхеме

Основные положения

В приводимой ниже схеме применен двухзатворный полевой транзистор BF964, имеющий коэффициент шума всего 1,2 дБ. Этот фактор совместно с режимом внешней суперизации и использованием цифровой микросхемы в качестве усилителя низкой частоты, позволил получить достаточно высокие характеристики (табл. 5.2 и табл. 5.3) приемника при относительной простоте его конструкции.

Устройство можно использовать как для приема речевой, так и импульсной информации (радиоуправление, охранные системы). В последнем случае к выходу приемника необходимо подключить какое-либо пороговое устройство (компаратор).

Принципиальная схема

Принципиальная схема приемника изображена на рис. 5.31. Сверхрегенеративный детектор собран на малошумящем транзисторе VT1. Каскад представляет собой автогенератор с автотрансформаторной обратной связью. Частота генерации определяется параметрами колебательного контура L1C2, настроенного на 27,12 МГц. Использование двухзатворного транзистора значительно упрощает реализацию режима внешней суперизации. Известно, что значение крутизны характеристики по первому затвору у таких транзисторов зависит от напряжения на втором затворе. Когда это напряжение равно нулю, крутизна меньше критической и генерация отсутствует.

Рис. 5.31. Принципиальная схема

На второй затвор через потенциометр R3 подается напряжение суперизации частотой 60–70 кГц от генератора, собранного на элементах DD1.1 и DD1.2. Конденсатор С5 соединяет второй затвор с корпусом по переменному току и, кроме того, придает импульсам суперизации треугольную форму. Регулировка амплитуды треугольных импульсов с помощью потенциометра R3 позволяет плавно изменять время, в течение которого крутизна превышает критическое значение, а значит и длительность высокочастотных вспышек в контуре L1C2. Тем самым можно изменять режим работы сверхрегенератора, устанавливая либо линейный, при котором достигается максимальная чувствительность, либо нелинейный, при котором наиболее эффективно реализуется АРУ.

Нагрузкой сверхрегенеративного детектора является низкочастотный фильтр R6C6. Полезный сигнал амплитудой порядка 1–3 мВ с этого фильтра через конденсатор С9 подается на УНЧ, в качестве которого использованы два оставшихся элемента микросхемы DD1. Отрицательная обратная связь по постоянному току через элементы R5, R7, С10 обеспечивает работу цифровой микросхемы в линейном режиме. Элементы С12, С13, R8 устанавливают частоту среза АЧХ усилителя в окрестностях 3 кГц.

Резистор R1 служит для образования на первом затворе отрицательного (по отношению к истоку) напряжения смешения, обеспечивающего исходное значение крутизны меньше критического. Весьма существенна вторая функция этого резистора. Его величина определяет исходное значение постоянной составляющей тока через транзистор, а значит и уровень собственных шумов. При указанных на схеме значениях элементов этот ток составляет всего 80–90 мкА, что, помимо прочего, делает пренебрежимо малым паразитное излучение сверхрегенератора, поскольку вся потребляемая им от источника мощность не превышает 0,5 мВт.

Конденсатор С3 выбран значительной величины, поскольку должен шунтировать резистор R1 как на несущей частоте, так и на частотах суперизации и огибающей принятого сигнала.

Детали и конструкция

Печатная плата приемника изображена на рис. 5.32 и никаких особенностей не имеет. С незначительным ухудшением характеристик приемника в качестве транзистора VT1 можно применить отечественные КП306, КП350, КП327, КП346А9, принимая меры по защите их от статического электричества при монтаже. Конденсатор С3 должен быть керамическим.

Его можно заменить на пленочный при условии параллельного подключения керамического конденсатора емкостью не менее 1000 пФ. Для обеспечения стабильной частоты суперизации конденсатор С8 желательно использовать пленочного типа, например К73-17. Потенциометр R3 — СПЗ-38б либо РП1-6ЗМг. Остальные детали могут быть любой марки. Контурная катушка намотана на каркасе диаметром 5 мм и содержит 9 витков провода диаметром 0,35—0,5 мм. Внутрь каркаса ввинчивается сердечник из карбонильного железа.

Поскольку нагрузочная способность микросхемы К561ЛЕ5 невелика, устройство, подключаемое к выходу приемника, должно иметь входное сопротивление не менее 30 кОм. В качестве усилителя низкой частоты вместо элементов DD1.3, DD1.4 можно использовать УНЧ любой конструкции с коэффициентом усиления не менее 1000. При напряжениях питания более 5 В хорошие результаты дает, например экономичный ОУ К140УД1208. Суммарный ток потребления при напряжении питания 9 В не превышает в этом случае 1,5 мА. Мультивибратор вспомогательных колебаний может быть собран и на транзисторах по любой известной схеме. Важно лишь выдержать требуемую частоту.

Рис. 5.32. Печатная плата

Настройка

После проверки правильности монтажа приемника установить движок потенциометра R3 в левое по схеме положение. Включить питание (номинальным является 4 В) и убедиться, что постоянное напряжение на резисторе R1 лежит в пределах 0,6–0,7 В. В противном случае транзистор неисправен и требует замены. Подключить осциллограф к выводу 10 DD1.2 и проверить наличие прямоугольных импульсов частотой 60–70 кГц.

При необходимости уточнить частоту подбором величины R4. Переключить осциллограф на выход приемника. Плавно поворачивая движок потенциометра R3, добиться появления на экране низкочастотных шумов. Подключить к антенному входу генератор стандартных сигналов, установив на его выходе колебания с частотой 27,12 МГц, амплитудой 100 мкВ и глубиной модуляции 0,9.

Вращением сердечника катушки настроить контур в резонанс по максимуму амплитуды на экране осциллографа. Вернуть движок потенциометра R3 в исходное положение (колебания на выходе приемника при этом исчезнут). Плавным вращением движка восстановить эти колебания и найти такое его положение, при котором амплитуда напряжения на выходе приемника перестанет нарастать. Уменьшив входное напряжение до 1 мкВ (при необходимости уточняя настройку контура), проконтролировать правильность положения движка потенциометра.

Такая настройка соответствует нелинейному режиму сверхрегенератора. Дальнейшее увеличение с помощью R3 напряжения суперизации нецелесообразно, поскольку полезный сигнал увеличивается незначительно, шумы же возрастают существенно. Если теперь движок потенциометра поворачивать в обратном направлении, установится линейный режим, при котором отношение «сигнал/шум» незначительно улучшается, однако амплитуда выходного сигнала падает.

Необходимо иметь в виду, что хотя интервал питающих напряжений, при котором сохраняются основные параметры приемника, указан 3–9 В, для каждого конкретного выбранного напряжения необходимо уточнять оптимальное положение движка потенциометра R3 по вышеприведенной методике.

При отсутствии ГСС можно воспользоваться передатчиком, с которым предполагается работа приемника, располагая его на таком удалении от приемника, при котором выходной сигнал еще не ограничивается.

В заключение необходимо отметить, что, как и у любого сверхрегенератора, помехоустойчивость приемника и его избирательность невелики, поскольку полоса пропускания, равная примерно двум частотам суперизации, составляет величину 120–140 кГц.

5.3. Супергетеродинные приемники АМ-сигналов

5.3.1. Приемник на транзисторах

Принципиальная схема

Достоинства супергетеродинных приемников и принципы обработки сигналов в них хорошо известны и поэтому здесь не рассматриваются. Принципиальная схема приемника показана на рис. 5.33. Сигнал с антенны поступает во входную цепь, представляющую собой два связанных через конденсатор С7 колебательных контура, настроенных на частоту 27,12 МГц. Такая конструкция обеспечивает высокую избирательность по зеркальному каналу при выбранной промежуточной частоте в 465 кГц.

Рис. 5.33. Принципиальная схема приемника на транзисторах

После УРЧ на транзисторе VT2 принятые колебания подаются на первый затвор VT3, выполняющий функции смесителя. На второй его затвор поступает напряжение с кварцевого гетеродина VT1. Сигнал промежуточной частоты селектируется пьезоэлектрическим фильтром ZQ2 и подается на УПЧ VT4—VT6. В качестве нагрузки смесителя применен колебательный контур L6, С14, обеспечивающий согласование с фильтром и подавление побочных продуктов преобразования за пределами полосы прозрачности фильтра.

УПЧ аналогичен описанному в [10] и имеет коэффициент усиления по напряжению не менее 6000. После детектора с удвоением, реализованного на диодах VD1, VD2, импульсы подаются на компаратор DA1. Потенциометром R19 устанавливается порог срабатывания компаратора, а подбором резистора R22 — величина «гистерезиса».

Детали и конструкция

Транзисторы VT1, VT4—VT6 можно заменить отечественными КТ3102 с любой буквой или импортными ВС546. Полевой транзистор VT2 — на КП303 с любой буквой, при этом несколько возрастет потребляемый ток. Можно использовать и КП307Ж или импортный BF245. Двухзатворный VT3 заменяется на BF981 или отечественный КП327 (КП306, КП350). В последнем случае необходимо принимать меры по защите от статического электричества при монтаже. Кварцевый резонатор ZQ1 можно использовать и на другую частоту, важно только обеспечить равенство |fкв. прдfкв. прм| = 465 (455) кГц при попадании fкв. прд в разрешенные диапазоны. Керамический фильтр ZQ2 — любого типа на 465 (455) кГц. Подстроечный резистор R19 использован типа СПЗ-19а. Данные катушек приведены в табл. 5.4.

Печатная плата изображена на рис. 5.34. Изготавливается из двустороннего стеклотекстолита. Фольга со стороны деталей обязательно оставляется и соединяется с общим проводом. В противном случае возможно самовозбуждение приемника.

Рис. 5.34. Печатная плата приемника

Настройка

После проверки правильности монтажа на плату подается питание. Подбором номинала R5 необходимо установить на втором затворе VT3 постоянное напряжение, равное 3 В, а подбором R11 — 4 В на коллекторе VT5. Подключить высокочастотный осциллограф ко второму затвору VT3 и убедиться в наличии гетеродинного напряжения. Отсутствовать оно может только по причине неисправных деталей в гетеродине или из-за неправильного монтажа. Переключить осциллограф к выходу фильтра ZQ2 (база VT6). При подключенной к входу приемника антенне включить в режим непрерывной генерации передатчик, с которым планируется его совместное использование, расположив его в 2–3 метрах от приемника.

Подбором чувствительности осциллографа добиться появления на экране синусоидального напряжения промежуточной частоты. Методом последовательных приближений, вращая сердечники катушек L1, L2, L4 и L6, добиться максимума амплитуды наблюдаемых колебаний.

Выключить передатчик и с помощью осциллографа пронаблюдать на входе компаратора (вывод 3 DA1) собственные шумы приемника. Запомнить их максимальную амплитуду. Переключить осциллограф на выход компаратора и установить движок потенциометра R19 в верхнее по схеме положение.

Напряжение на выходе компаратора должно быть близко к нулю, в противном случае уменьшить величину R16. Плавно перемещая движок вниз, добиться появления на экране осциллографа хаотичных положительных импульсов, вызванных срабатыванием компаратора по шумам. Повернуть движок потенциометра в обратную сторону до пропадания импульсов.

Включить передатчик в режим излучения командного сигнала. На выходе компаратора должны наблюдаться прямоугольные командные импульсы. Переключить осциллограф на вывод 3 компаратора. Увеличив чувствительность, убедиться в наличии скачков опорного напряжения. Если величина скачков меньше ранее измеренного напряжения шумов, подобрать величину резистора R22.

5.3.2. Супергетеродин со смесителем, совмещенным с гетеродином

Принципиальная схема

Приемник предназначен для работы с амплитудно-манипулированными сигналами. Рабочая частота — 28 МГц, чувствительность (при отношении «сигнал/шум» = 4) равна 1–1,5 мкВ, потребляемый ток не превышает 10 мА. Работоспособность сохраняется (при отсутствии стабилизатора) при снижении напряжения питания до 2,7 В с соответствующим уменьшением потребляемого тока до 4,7 мА. Выходной компаратор обеспечивает получение прямоугольных импульсов, совместимых по уровням с микросхемами КМОП-серии.

Принципиальная схема приемника изображена на рис. 5.35.

Рис. 5.35. Принципиальная схема приемника

Усилитель радиочастоты реализован на нижней части двухзатворного транзистора VT1. Колебательный контур входной цепи подключен непосредственно к первому затвору полевого транзистора, отрицательное напряжение смещения на этом затворе, определяющее положение рабочей точки, обеспечивается цепочкой R3C5. Верхняя часть транзистора, кварцевый резонатор и контур C4L4 образуют гетеродин.

Напряжение гетеродина, будучи приложено ко второму затвору, изменяет во времени крутизну транзистора по первому затвору, в результате чего происходит перемножение напряжений сигнала и гетеродина. В стоковой цепи транзистора появляется гармоника тока на промежуточной частоте, выделяемая с помощью фильтра C3L3, настроенного на 465 кГц.

Дополнительно отфильтрованное керамическим фильтром Z2, обеспечивающим избирательность по соседнему каналу не хуже 40 дБ, напряжение промежуточной частоты подается на вход микросхемы DA1. На микросхеме реализованы УПЧ с эффективной АРУ и амплитудный детектор.

Продетектированный сигнал амплитудой 0,5–1,5 В через фильтр нижних частот R8C13 поступает на компаратор, собранный на транзисторе VT2. Порог срабатывания компаратора устанавливается подбором величины резистора R8. Отрицательные импульсы, снимаемые с выхода, имеют амплитуду, практически равную напряжению питания.

Детали и конструкция

Печатная плата приемника никаких особенностей не имеет. Ее чертеж приведен на рис. 5.36. Контурные катушки входной цепи и гетеродина намотаны любым проводом диаметром 0,25 мм на каркасах диаметром 5–6 мм с карбонильными подстроечными сердечниками. Число витков соответственно равно L1 — 3, L2 — 8, L4 — 10.

Катушка ФПЧ (L3) содержит 160 витков провода диаметром 0,1 мм и размещена в ферритовых чашечках диаметром 6 мм с подстроечным сердечником. Можно использовать любую другую стандартную для ФПЧ арматуру с соответствующей коррекцией рисунка печатной платы.

В продаже можно найти уже готовые катушки. Их тоже можно использовать. Необходимо только иметь ввиду, что они, как правило, содержат меньшее количество витков и рассчитаны на использование совместно с конденсатором С3 емкостью 1000 пФ.

Двухзатворный полевой транзистор может быть заменен на 3SK60 или отечественные КП306, КП350, КП327. В последнем случае необходимо принимать меры по защите транзисторов от статического электричества, что требует особой аккуратности при монтаже.

Рис. 5.36. Печатная плата

Конденсаторы С2, С3, С4 должны быть керамическими с группой ТКЕ не хуже М47. Хотя С3 может быть и пленочным. Кварцевый резонатор применен на частоту 27,535 МГц. Приемник может работать на любой частоте в диапазоне частот 26,945—28,2 МГц с соответствующей заменой кварцевого резонатора в гетеродине. Электролитические конденсаторы любого типа.

Микросхема DA1 может быть заменена на аналог 237 серии с изменением рисунка печатной платы. Транзистор VT2 — любой маломощный кремниевый обратной проводимости. Стабилизатор напряжения DA2 на 5 В типа 1157ЕН5 или импортный аналог. Девятивольтовую батарею типа «Крона» можно заменить тремя — четырьмя полуторавольтовыми пальчиковыми элементами с заменой стабилизатора на 1157ЕНЗ. Можно вообще отказаться от стабилизатора и использовать любой источник на напряжение 3–6 В.

Настройка

Настройку приемника следует начинать с преобразователя частоты. Проверка режима транзистора по постоянному току сводится к контролю напряжения на его истоке и втором затворе. На истоке должно быть около 0,4 В (при напряжении питания 5 В), а на затворе— половина напряжения питания (2,5 В). Отличия контролируемых значений от указанных величин свидетельствует об ошибке в монтаже или неисправности транзистора.

Ввиду малой мощности гетеродина не следует пытаться проверять наличие генерации непосредственно на элементах схемы. Это может приводить к срыву работы гетеродина. Лучше всего установить на осциллографе максимальную чувствительность канала вертикального отклонения и закоротить его щупы петлей провода длиной 7—10 см. Петлю расположить вблизи катушки гетеродина, и вращением сердечника L4 добиться появления колебаний на экране осциллографа. Поскольку настройка контура влияет в небольших пределах на частоту колебаний, вырабатываемых гетеродином, то окончательное положение сердечника уточняется в дальнейшем.

Следующим этапом производится уточнение настроек всех контуров приемника. Осциллограф подключается к точке соединения R6 и С13 (при отсутствующем транзисторе VT2). К входу приемника через конденсатор на 1000 пФ подключается ГСС. На его выходе необходимо установить напряжение 300 мкВ частотой 28 МГц. Глубина внутренней модуляции должна быть 90—100 %. Еще лучше воспользоваться передатчиком, совместно с которым предполагается работа приемника, расположив его на расстоянии 1,5–2 м.

В этом случае к входу приемника следует подключить антенну, с которой он будет в конечном счете использоваться. Вращением сердечников катушек L1 и L3 добиться появления на экране осциллографа либо синусоидального колебания при использовании ГСС, либо положительных прямоугольных импульсов при настройке по сигналам передатчика.

Методом постепенного приближения с помощью сердечников всех трех катушек получить максимальную амплитуду неискаженного выходного сигнала, удаляя в процессе настройки передатчик или уменьшая напряжение на выходе ГСС. В последнем случае настройку можно считать удовлетворительной, если на выходе наблюдаются синусоидальные колебания частотой 1 кГц и амплитудой около 0,7–0,9 В, размытые шумами, при напряжении на выходе генератора 1–2 мкВ.

Компаратор настраивается по сигналам передатчика подбором величины резистора R8. Удалив передатчик с отключенной антенной на такое расстояние, при котором импульсы на выходе приемника сопровождаются шумовой дорожкой, составляющей 15–20 % от амплитуды импульсов, впаивают на место транзистор VT2. Переключив осциллограф на выход компаратора, подбором R8 добиться отсутствия срабатывания компаратора от шумовых выбросов.

В заключение необходимо отметить, что при входных сигналах приемника, превышающих 10 мВ, гетеродин переходит в режим захвата частоты входного сигнала и промежуточная частота обращается в нуль. Работоспособность приемника нарушается. Если предполагается работа приемника в условиях большого динамического диапазона входных сигналов, то гетеродин лучше выполнить на отдельном транзисторе, переделав входную часть приемника в соответствии со схемой, приведенной на рис. 537. Катушка L1 должна быть такой же, как и L4. Печатную плату в этом случае нужно будет скорректировать.

Рис. 5.37. Смеситель с раздельным гетеродином

5.3.3. Приемник на интегральной схеме

Принципиальная схема

Промышленность выпускает специализированную микросхему приемника АМ-колебаний К174ХА36А(Б). Диапазон входных частот, при котором сохраняется работоспособность микросхемы, простирается до 27,5 МГц, что позволяет применить ее в аппаратуре радиоуправления. Микросхема содержит УРЧ, смеситель, гетеродин, УПЧ, детектор, цепи АРУ и предварительный УНЧ с коэффициентом усиления 3–7. Принципиальная схема приемника, рассчитанного на входной сигнал частотой 27,12 МГц, приведена на рис. 5.38.

Рис. 5.38. Принципиальная схема, рассчитанная на входной сигнал частотой 27,12 МГц

Для повышения чувствительности примерно до 1 мкВ применен внешний УРЧ на транзисторе VT1. В остальном схема незначительно отличается от рекомендованного варианта включения [11]. Для уменьшения потребляемого тока предварительный УНЧ (выводы 6, 7, 8, 9) не используются. Схема выходного компаратора, обеспечивающего восстановление формы командного сигнала, полностью аналогична варианту, описанному в разделе 5.3.1. Намоточные данные катушек приведены в табл. 5.4.

Детали и конструкция

Печатная плата устройства изготавливается из двустороннего стеклотекстолита с использованием фольги со стороны расположения деталей в качестве общего провода. Для этой цели в двух-трех местах схемы необходимо выводы деталей, соединяемых с общим проводом, пропаять с двух сторон платы. Топология печатной платы приведена на рис. 5.39.

Рис. 5.39. Печатная плата

Транзистор VT1 можно заменить BF981 или отечественными КП306, КП350, КП327. Микросхема DA1 может быть и с индексом «Б», но при этом ее питающее напряжение не должно превышать 3 В. Керамический фильтр ФП1П-61,01(0,2; 0,3). Можно и ФП1П-60, но потребуется изменить фрагмент печатной платы в месте его установки.

В процессе настройки используется ГСС или передатчик, предназначенный для совместного использования с приемником. К приемнику подключается штатная антенна. Включив передатчик (частота несущей 27,12 МГц) в режим непрерывного излучения, подключают вход осциллографа к выводу 14 DA1. При включенном питании приемника, уточняя положения сердечников катушек L2, L5 и L7, необходимо добиться максимума амплитуды напряжения промежуточной частоты. Далее передатчик переводится в режим излучения командных импульсов. Осциллограф подключается к правому по схеме выводу резистора R13. Вращением сердечника катушки L9 необходимо добиться максимальной амплитуды наблюдаемых прямоугольных импульсов.

Настройка

Настройка компаратора полностью аналогична описанной в разделе 5.3.1.

5.3.4. Приемник на двух микросхемах

Принципиальная схема

На рис. 5.40 изображена схема достаточно компактного приемника, чувствительность которого не хуже 3–5 мкВ. При желании, добавлением УРЧ, аналогичного использованному в предыдущем параграфе, ее можно довести до 1 мкВ. Приемник выгодно отличается от предыдущего значительно меньшим количеством катушек индуктивности.

Входной сигнал селектируется контуром C2L1, настроенным на частоту используемого передатчика. Катушка связи L2 обеспечивает согласование контура с симметричным входом микросхемы, содержащей в себе смеситель и гетеродин, частота которого стабилизирована кварцем ZQ1.

Промежуточная частота селектируется керамическим фильтром ZQ2 и поступает на вход микросхемы DA2, содержащей в своем составе УПЧ, детектор и цепи АРУ. Низкочастотный сигнал с выхода детектора (выводе 9 DA2) подается на компаратор, реализованный на транзисторе VT1. Полярность выходных импульсов отрицательна!

Рис. 5.40. Принципиальная схема приемника

Детали и конструкция

Катушки L1, L2 содержат 9 и 3 витка соответственно и намотаны на одном каркасе диаметром 5–7 мм с подстроечным резьбовым сердечником М4 из карбонильного железа. DA1 можно заменить на К174ПС4. Транзистор VT1 — любой кремниевый маломощный обратной проводимости. Фильтр ZQ2 — типа ФП111-61,01 или ему аналогичный. Можно использовать и импортные на 455 кГц, если применить пару кварцев с соответствующей разницей частот.

Печатная плата приемника (рис. 5.41) двухсторонняя. Фольга со стороны деталей используется в качестве общего провода.

Рис. 5.41. Печатная плата

Настройка

Настройка производится по сигналу собственного передатчика, включенного в режим непрерывного излучения. К приемнику должна быть подключена штатная антенна, поскольку ее емкость влияет на настройку входного контура. Контролируя напряжение промежуточной частоты на правом выводе фильтра ZQ2, необходимо добиться его максимума вращением сердечника катушки L1. Переключив осциллограф на выход приемника (база транзистора), потенциометром R6 установить максимальный коэффициент усиления. Передатчик при этом желательно отнести на как можно большее расстояние или уменьшить его мощность излучения, накрыв заземленным ведром. Компаратор настройки не требует. При использовании транзистора другого типа может понадобиться подбор величины резистора R10 по пропаданию хаотических импульсов на выходе, образованных собственными шумами приемника. Подбор производится при отсутствии входного сигнала.

Вариант принципиальной схемы

В приемнике можно использовать и микросхему КР548ХА1, включив ее по стандартной схеме. Такой вариант УПЧ приведен на рис. 5.42. К выходу схемы в этом случае необходимо подключить компаратор из раздела 5.3.3. Печатная плата, очевидно, потребует коррекции.

Рис. 5.42. Вариант УПЧ

5.3.5. Приемник на микросхеме К174ХА2

Принципиальная схема

Микросхема К174ХА2 предназначена для вещательных АМ-диапазонов, однако она сохраняет свою работоспособность при частотах входных сигналах вплоть до 27 МГц, что позволяет использовать ее в аппаратуре радиоуправления. Приемник имеет чувствительность не хуже 3 мкВ, кроме того, применение в качестве избирательных устройств в УПЧ колебательных контуров позволяет выбрать промежуточную частоту в широких пределах (300—1000 кГц). Этот факт существенно облегчает подбор пары кварцевых резонаторов для передатчика и приемника.

Принципиальная схема приемника изображена на рис. 5.43.

Рис. 5.43. Принципиальная схема приемника

Микросхема DA1 использована в стандартном включении. Частота гетеродина задается кварцевым резонатором ZQ1. Компаратор полностью аналогичен примененному в разделе 5.3.1. Данные катушек приведены в табл. 5.5.

Параметры катушек индуктивности и конденсаторов фильтров ПЧ даны для частоты 465 кГц. При использовании другой промежуточной частоты fпр необходимо произвести пересчет количества витков и емкостей конденсаторов, пользуясь простым правилом. Для нового значения частоты вычисляем вспомогательный коэффициент n = fпр(кГц)/465. Новое значение емкости вычисляется по формуле С = 1000 (пФ)/n, а новое количество витков N = 78/√n.

Детали и конструкция

Печатная плата приемника изготавливается из двухстороннего стеклотекстолита в соответствии с рис. 5.44. При желании повысить чувствительность приемника, на его вход можно добавить УРЧ, собранный по такой же схеме, как у приемника на рис. 5.61.

Рис. 5.44. Печатная плата

5.4. Приемники прямого преобразования

5.4.1. Особенности работы приемников

Этот тип приемников, называемых еще гетеродинными, исчерпывающе описан Поляковым В. Т. в многочисленных публикациях. Достаточно познакомится, например с [12]. По этой причине отметим только самые существенные особенности.

Амплитудно-модулированное колебание в простейшем случае, когда модуляция осуществляется одним тоном, выглядит так, как это показано на рис. 5.45.

Аналитическое выражение АМ-колебания при этом имеет вид:

В правой части отчетливо видны три гармонические составляющие, которые и представляют собой спектр этого колебания. Спектр изображен на рис. 5.45, б.

Рис. 5.45. Графики AM-колебания

Такое колебание поступает в смеситель (рис. 5.46), где умножается на вторую гармонику гетеродинного напряжения, выражение для которой имеет вид

uг(t) = Uг. m∙cos(2π∙2fгt)

Рис. 5.46. Структурная схема приемника

Частота гетеродина (fг) выбирается в два раза меньше частоты сигнала (f0), чтобы предотвратить просачивание гетеродинного напряжения в антенну через входную цепь (ВЦ), настроенную на f0.

В приемнике используется смеситель на встречно-параллельных диодах, обеспечивающий преобразование на второй гармонике [12]. При этом обеспечивается равенство f0 = 2fг. В результате на выходе смесителя получается сумма гармоник:

Первое слагаемое в квадратных скобках представляет собой постоянную составляющую, так как аргумент косинуса равен нулю. Второе слагаемое имеет удвоенную частоту сигнала и через фильтр нижних частот (ФНЧ) не проходит. Третье и пятое слагаемые формулы имеют частоту Fm, и легко проходят через ФНЧ. Их сумма и представляет собой полезный сигнал, изменяющийся во времени по закону огибающей входного сигнала (рис. 5.45, г). Четвертое и шестое слагаемые имеют частоты, лежащие в окрестностях удвоенной частоты сигнала и не пропускаются ФНЧ на выход.

Таким образом, рассмотренный принцип приема позволяет без амплитудного детектора выделить полезный сигнал непосредственно (прямо) из принимаемого высокочастотного сигнала. Отсюда и название метода — прямое преобразование. Как видно из схемы и графиков, избирательность по соседнему каналу в таком приемнике будет определяться амплитудно-частотной характеристикой ФНЧ, а на низких частотах, как известно, легко получать несложные фильтры с крутыми спадами характеристики. Смеситель можно располагать непосредственно за ВЦ у самого входа приемника, а стало быть, все усиление можно реализовывать в УНЧ, что существенно упрощает борьбу с самовозбуждением усилителей. Достаточно одного-двух операционных усилителей для обеспечения чувствительности приемника не хуже 1 мкВ.

Существенным недостатком приемников прямого преобразования является очень жесткое требование к стабильности частоты гетеродина. Действительно, вышеприведенные рассуждения справедливы только при условии 2fг = f0. Отклонение одной из частот на 100–200 Гц сводит к нулю разборчивость сигнала на выходе приемника. Даже при одинаковых частотах, но меняющейся во времени разности фаз амплитуда выходного сигнала будет «плавать» во времени. Если идет речь о модуляции радиосигнала прямоугольными импульсами, как это имеет место в радиоуправлении, то выходные импульсы будут иметь не только плавающую амплитуду, но и меняющуюся полярность, что, конечно, недопустимо. По этой причине в описанных ниже конструкциях используется расстройка в 10–20 кГц между частотой излучаемого сигнала и частотой второй гармоники гетеродина. В этом случае, как можно самостоятельно убедиться, на выходе смесителя получится низкочастотный сигнал на разностной частоте, промодулированный прямоугольными импульсами (см. рис. 5.48, а).

5.4.2. Приемник на транзисторах

Принципиальная схема

Приемник предназначен для работы с амплитудно-манипулированными сигналами длительностью не менее 0,5 мс. Частота настройки — 28 МГц. Чувствительность, при отношении «сигнал/шум» = 10 — не хуже 1 мкВ (4–5 мкВ без УРЧ). Амплитуда положительных импульсов на выходах всех каналов практически равна напряжению питания (5–6 В).

Принципиальная схема устройства приведена на рис. 5.47.

Рис. 5.47. Принципиальная схема

Она очень похожа на схему приемника прямого преобразования, но, по сути, представляет собой супергетеродин с очень низкой промежуточной частотой (8—10 кГц). Принимаемый сигнал, представляющий собой высокочастотные импульсы с прямоугольной огибающей, через входной контур поступает на вход усилителя радиочастоты, собранного на транзисторе VT1. Постоянное напряжение на втором затворе управляет коэффициентом усиления транзистора и выбрано таким, при котором УРЧ имеет максимальное усиление (Кu ~ 10), не приводящее еще к самовозбуждению.

Усиленный входной сигнал поступает на традиционный для многих приемников прямого преобразования смеситель на встречно-параллельных диодах VD1, VD2. На другой вход смесителя через конденсатор С9 подается опорное напряжение частотой 14 МГц с гетеродина, собранного на транзисторе VT2 и стабилизированного кварцем.

Используемый смеситель, как известно, осуществляет преобразование на второй гармонике гетеродинного напряжения. Частоты кварцевых генераторов в передатчике и приемнике сдвинуты в противоположные стороны таким образом, чтобы на выходе смесителя выделялась разностная частота, лежащая в диапазоне 8—10 кГц. При минимальной длительности модулирующего импульса τ = 0,5 мс, полезный сигнал на выходе смесителя содержит 4–5 периодов частоты заполнения (рис. 5.48, а), чего вполне достаточно для выделения впоследствии их огибающей (рис. 5.48, б).

Рис. 5.48. Эпюры напряжений в разных точках приемника

При желании УРЧ можно из схемы исключить, изъяв детали С2, С3, С4, С5, R1, R2, R3 и транзистор VT1. В этом случае нижнюю по схеме точку соединения диодов VD1,VD2 необходимо подключить непосредственно к входному контуру (точка соединения С1 и L1). Чувствительность при этом ухудшится до 4–5 мкВ.

Фильтр нижних частот C9R7C11 подавляет побочные продукты преобразования и препятствует просачиванию напряжения гетеродина в последующие каскады. Сигнал с его выхода поступает на УНЧ, собранный на транзисторах VT3—VT6. В первом каскаде, от характеристик которого в значительной степени зависит чувствительность, использован малошумящий транзистор КТ3103Е с рекомендованным для минимизации собственных шумов режимом работы по постоянному току. Следующие три каскада с непосредственной связью имеют общий коэффициент усиления порядка 20000. Для защиты от «дрейфа нуля» каскады охвачены глубокой отрицательной обратной связью по постоянному току.

Сигнал разностной частоты, смешанный с шумом, с выхода УНЧ подается на компаратор, функции которого выполняет элемент DD1.2. Постоянное напряжение на коллекторе VT6 выбрано таким образом, чтобы не происходило срабатывания компаратора от шумов. На выходе компаратора выделяются прямоугольные импульсы стандартной амплитуды, следующие с частотой 8—10 кГц. Далее они поступают на последовательный амплитудный детектор, выполненный на элементах VD3, С14, R17. Для придания прямоугольной формы продетектированным импульсам используется элемент DD1.3. Если радиоканал применяется для передачи однократных импульсных команд, дальнейшую часть схемы можно не использовать.

Если имеется в виду аппаратура пропорционального управления, например восьмиканальная, то в этом случае командная посылка выглядит так, как это показано на рис. 5.49, а. В качестве синхронизирующего импульса здесь выступает синхропауза. Именно в таком виде выделяется сигнал на выходе 10 элемента DD1.3 приемника.

Рис. 5.49. Графики, поясняющие работу дешифратора

Для восстановления собственно командных импульсов τ1—τ8 этот сигнал поступает на счетный вход двоично-десятичного счетчика DD2. Номер выхода счетчика является номером соответствующего канала. Форма выходных канальных импульсов показана на рис. 5.49, е-з. Для выделения синхропаузы используются элементы DD1.1 и DD1.4. Принцип действия этой части устройства понятен из рис. 5.49, б-д. Короткий положительный импульс с выхода дифференцирующей цепочки C16R19 поступает на вход сброса счета микросхемы DD2, подготавливая ее к новому циклу работы.

Устройство можно использовать и для приема аналогового сигнала, например в связной радиостанции или аппаратуре дискретного управления. В этом случае сигнал снимается с коллектора транзистора VT6.

Детали и конструкция

Печатная плата приемника и размещение на ней деталей изображены на рис. 5.50. На плате предусмотрено место для стабилизатора напряжения на 5 Вольт типа КР1170ЕН5 (DA1), отсутствующего на принципиальной схеме. Его устанавливают, если в других блоках аппаратуры отсутствует стабилизированный источник соответствующего напряжения.

Рис. 5.50. Печатная плата

Контурные катушки L1, L2 наматываются на каркасах 5–6 мм и обязательно должны быть заключены в экраны. В противном случае УРЧ будет самовозбуждаться. Катушки одинаковые и содержат по 3+6 витков провода диаметром 0,25—0,3 мм. Катушка L3 намотана проводом диаметром 0,15—0,18 мм на резисторе МЛТ-0,5 сопротивлением не менее 100 кОм и содержит 24 витка с отводом от середины.

Кварцевые резонаторы в передатчике и приемнике желательно применить одинаковые на 14 МГц. В этом случае легко будет добиться их взаимной расстройки, обеспечивающей разностную частоту на выходе смесителя 8—10 кГц.

Диоды смесителя VD1,VD2 типа КД514 можно заменить на КД503А с некоторой потерей чувствительности (примерно в полтора раза). Полевой двухзатворный транзистор BF964 заменяется на отечественные КП306, КП350, КП327 с любой буквой. С изменением рисунка печатной платы можно установить и любой другой УРЧ по одной из схем, широко представленных в радиолюбительской литературе. Если не требуется дальность действия аппаратуры больше 20–30 м, УРЧ из схемы можно исключить так, как это говорилось выше.

Транзисторы VT2, VT4—VT6 могут быть типа КТ315 или КТ3102 с любыми буквенными индексами, VT3 желательно не заменять.

Электролитические конденсаторы — любого типа на напряжение не менее 6,3 В. Остальные конденсаторы — любые керамические.

Все резисторы — МKT-0,125 или им аналогичные. Микросхемы DD1 и DD2 можно заменить их функциональными аналогами из других серий, но обязательно КМОП-структуры.

Антенна приемника — отрезок провода длиной 15–30 см.

Настройка

После проверки правильности монтажа временно впаять вместо резистора R6 подстроенный на 3,3 кОм. Подключить питание той величины в диапазоне 5–6 В, при которой приемник будет эксплуатироваться, и убедиться, что гетеродин возбуждается. Для этого, контролируя осциллографом напряжение на среднем выводе катушки L3, вращением оси подключенного подстроечного резистора получить на экране высокочастотные колебания частоты 14 МГц.

Переключить осциллограф на коллектор транзистора VT6. С помощью потенциометра R13 установить напряжение равным 2 В. Подключив ко входу приемника через конденсатор емкостью не менее 0,01 мкФ генератор стандартных сигналов, установить на его выходе немодулированное напряжение амплитудой 100 мкВ и частотой 28 МГц. Изменяя частоту генератора в небольших окрестностях около 28 МГц, добиться на экране колебаний разностной частоты 8—10 кГц. Сердечниками катушек L1, L2 настроить контуры в резонанс по максимуму амплитуды наблюдаемых колебаний.

Коэффициент усиления настраиваемой части схемы существенно зависит от амплитуды гетеродинного напряжения, подаваемого на смеситель. Для ее оптимизации необходимо изменять амплитуду гетеродинного напряжения с помощью подстроечного резистора, включенного вместо R6, добиваясь максимума наблюдаемых на экране осциллографа колебаний.

Затем измерить сопротивление подстроечного резистора и на его место впаять постоянный, соответствующего номинала. Правильно настроенный приемник должен обеспечивать коллекторе VT6 напряжение разностной частоты не менее 1 В при входном напряжении с генератора стандартных сигналов, равном 5 мкВ.

Цифровая часть схемы никакой настройки не требует. Связь между номерами выводов микросхемы и номерами каналов приведена в табл. 5.7.

5.4.3. Приемник на базе микросхемы К157ХА2

Принципиальная схема

Приемник предназначен для работы с амплитудно-манипулированными сигналами длительностью не менее 0,5 мс. Частота настройки— 28 МГц. Чувствительность при отношении «сигнал/шум», равном 10, не хуже 1 мкВ (10 мкВ без УРЧ). Амплитуда положительных выходных импульсов не менее 200 мВ (Вых.1). Эффективная АРУ обеспечивает изменение этого сигнала в пределах 200–400 мВ при изменении входного в пределах 0,5—2500 мкВ.

Напряжение питания 5–6 В при токе потребления не более 7,5 мА (без УРЧ — 5 мА). Для согласования с цифровой частью аппаратуры (при необходимости) на выходе приемника предусмотрена установка компаратора. Выходной сигнал компаратора (Вых.2) представляет собой отрицательные прямоугольные импульсы стандартной амплитуды, практически равной напряжению питания.

Принципиальная схема устройства приведена на рис. 5.51.

Рис. 5.51. Принципиальная схема

УРЧ, гетеродин и смеситель полностью аналогичны предыдущему варианту.

При желании, как и в предыдущей схеме, УРЧ можно из схемы исключить, изъяв детали С1, С2, С4, С5, R1, R2, R4 и транзистор VT1. В этом случае верхнюю по схеме точку соединения диодов VD1, VD2 необходимо подключить непосредственно к входному контуру (точка соединения С4 и L1). Чувствительность при этом ухудшится до 10 мкВ.

Фильтр нижних частот C9-R3-C6 подавляет побочные продукты преобразования и препятствует просачиванию напряжения гетеродина в последующие каскады. Сигнал с его выхода поступает на микросхему DA1, выполняющую функции усилителя разностной частоты и детектора огибающей.

Первые два транзистора в этой микросхеме образуют предварительный усилитель с регулируемым коэффициентом усиления. Питание на него подается через эмиттерный повторитель встроенной системы АРУ и может изменятся в диапазоне 2,3–1,4 В в зависимости от амплитуды входного сигнала. Изменяющийся в результате коэффициент усиления обеспечивает в приемнике эффективную АРУ, параметры которой приведены в начале параграфа.

Через конденсатор С17 сигнал поступает на основной усилитель, собранный по дифференциальной схеме. Внешний резистор R8 задает режим работы усилителя по постоянному току. К выводу 4 микросхемы подключается конденсатор С19, определяющий величину отрицательной обратной связи по переменному току в каскаде, а значит и его коэффициент усиления. Продетектированный сигнал снимается с вывода 9 микросхемы. Постоянная составляющая продетектированного сигнала управляет коэффициентом усиления предварительного каскада.

Продетектированный сигнал, прошедший фильтр нижних частот R9-C20 (Вых.1), имеет амплитуду 0,2–0,4 В при синусоидальной огибающей и до 3 В при огибающей в виде коротких прямоугольных импульсов. Последнее обстоятельство обусловлено тем, что эффективность АРУ различна при непрерывной и импульсной огибающих.

Для преобразования выходных сигналов приемника к уровням, необходимым для нормальной работы цифровой части аппаратуры, на транзисторе VT3 собран компаратор напряжения, порог срабатывания которого регулируется подбором номинала резистора R11. Выходной сигнал компаратора (Выход 2) представляет собой прямоугольные импульсы отрицательной полярности.

Устройство можно использовать и для приема аналогового сигнала, например в связной радиостанции или аппаратуре дискретного управления. В этом случае сигнал снимается с Вых.1, а каскад на транзисторе VT3 из схемы исключается.

Детали и конструкция

Печатная плата приемника и размещение на ней деталей изображены на рис. 5.52. На плате предусмотрено место для стабилизатора напряжения на 5 В типа КР1170ЕН5 (DA2), отсутствующего на принципиальной схеме. Его устанавливают, если в других блоках аппаратуры отсутствует стабилизированный источник соответствующего напряжения.

Рис. 5.52. Печатная плата

Контурные катушки L1, L2 наматываются на каркасах 5–6 мм и обязательно должны быть заключены в экраны. В противном случае УРЧ будет самовозбуждаться. Катушки одинаковые и содержат по 3+6 витков провода диаметром 0,25—0,3 мм. Катушка L3 намотана проводом диаметром 0,15—0,18 мм на резисторе МЛТ-0,5 сопротивлением не менее 100 кОм и содержит 24 витка с отводом от середины.

Кварцевые резонаторы в передатчике и приемнике желательно применить одинаковые на 14 МГц. В этом случае легко будет добиться их взаимной расстройки, обеспечивающей разностную частоту на выходе смесителя 8—10 кГц. В принципе, можно применить любую пару кварцев при условии, что будет выполнено условие Δf = |fпрд - 2fгет| = 8…25 кГц. Необходимо только помнить, что разрешенными для передатчика являются частоты (fпрд), лежащие в интервалах 28–28,2 МГц и 27,12 МГц ± 0,6 % ~= 26,96–27,28 МГц. Испытания показали, что наибольший уровень сигнала на выходе микросхемы DA1, при значениях номиналов навесных элементов, указанных на схеме, получается в случае Δf = 20 кГц.

Диоды смесителя VD1,VD2 типа КД514 можно заменить на КД503А с некоторой потерей чувствительности (примерно в полтора раза). Полевой двухзатворный транзистор BF964 заменяется на отечественные КП306, КП350, КП327 с любой буквой. С изменением рисунка печатной платы можно установить и любой другой УРЧ по одной из схем, широко представленных в радиолюбительской литературе. Если не требуется дальность действия аппаратуры больше 20–30 м, УРЧ из схемы можно исключить так, как это говорилось выше.

Транзисторы VT2, VT3 могут быть типа КТ315 или КТ3102 с любыми буквенными индексами.

Электролитические конденсаторы — любого типа на напряжение, не менее 6,3 В. Остальные конденсаторы использовались импортные дисковые, керамические. Их можно заменить на отечественные, например КМ-6, но при этом может потребоваться увеличение установочных размеров на печатной плате.

Все резисторы — МЛТ-0,125 или им аналогичные. Микросхема К157ХА2 может быть заменена на К237ХА2 с изменением рисунка печатной платы.

Антенна приемника — отрезок провода длиной 15–30 см.

Настройка

После проверки правильности монтажа временно впаять вместо резистора R6 подстроечный на 10 кОм. Подключить питание той величины в диапазоне 5–6 В, при которой приемник будет эксплуатироваться, и убедиться, что гетеродин возбуждается. Для этого, контролируя осциллографом напряжение на среднем выводе катушки L3, вращением оси подключенного подстроечного резистора получить на экране высокочастотные колебания частоты 14 МГц.

Переключить осциллограф на 14 вывод микросхемы DA1. Отключить временно АРУ, закоротив вывод 6 микросхемы на корпус. Подключив к входу приемника через конденсатор емкостью не менее 0,01 мкФ генератор стандартных сигналов, установить на его выходе смодулированное напряжение амплитудой 100 мкВ и частотой 28 МГц. Изменяя частоту генератора в небольших окрестностях около 28 МГц, добиться на экране колебаний разностной частоты 8—10 кГц. Сердечниками катушек L1, L2 настроить контура в резонанс по максимуму амплитуды наблюдаемых колебаний.

Коэффициент усиления настраиваемой части схемы существенно зависит от амплитуды гетеродинного напряжения, подаваемого на смеситель. Для ее оптимизации необходимо изменять амплитуду гетеродинного напряжения с помощью подстроечного резистора, добиваясь максимума наблюдаемых на экране осциллографа колебаний. Затем измерить сопротивление подстроечного резистора и на его место впаять постоянный, соответствующего номинала. Правильно настроенный приемник должен обеспечивать на выводе 14 напряжение разностной частоты 12–15 мВ при входном напряжении с генератора стандартных сигналов, равном 10 мкВ.

Далее следует убрать перемычку, блокировавшую работу схемы АРУ и переключить осциллограф на Вых.1 схемы. Отключить временно базу транзистора VT3 от этой точки. На генераторе стандартных сигналов включить режим амплитудной модуляции и установить ее глубину равной 90 %. Уровень выходного сигнала — 100 мкВ. На экране осциллографа должно наблюдаться синусоидальное колебание частотой 1 кГц и амплитудой 300–400 мВ.

На наблюдаемую кривую может быть наложено колебание разностной частоты 8—10 кГц, амплитуда которого не должна составлять более 10 % от основного колебания (рис. 5.53).

Рис. 5.53. Вид сигнала на вых.1

Уменьшая уровень входного сигнала и подстраивая, при необходимости, входные контуры, убедиться, что чувствительность приемника не хуже 1 мкВ. Припаять базу транзистора VT3 на место.

При использовании на выходе приемника компаратора, его настройка сводится к подбору величины резистора R11. Лучше всего временно заменить его подстроечным, величиной 15 кОм. Перед включением схемы установить максимальное значение сопротивления этого резистора (в противном случае может выйти из строя транзистор) и после включения приемника, контролируя осциллографом сигнал на Вых.2, уменьшать величину сопротивления до тех пор, пока у наблюдаемых на экране импульсов прямоугольной формы длительность отрицательной части периода не станет в два раза меньше длительности положительной части. Уровень сигнала с выхода генератора при этом должен быть установлен 3–5 мкВ. Измерив величину получившегося сопротивления подстроечника, впаять в схему постоянный резистор ближайшего номинала.

Еще лучше настраивать приемник по сигналам передатчика, с которым предполагается совместная работа. Передатчик, включенный в режиме амплитудной манипуляции прямоугольными импульсами, расположить на расстоянии 2–3 м от приемника. Подстраивая частоту передатчика с помощью катушки индуктивности, включенной последовательно с кварцем, добиться на выводе 14 микросхемы прямоугольных импульсов с синусоидальным заполнением.

В пределах прямоугольного импульса длительностью 0,5 мс должно умещаться от 5 (минимум) до 10 периодов синусоидального заполнения. Если с помощью упомянутой катушки не удается уложиться в рекомендуемый диапазон, можно дополнительно попробовать изменить частоту гетеродина в приемнике, подбирая величину конденсатора С10. Максимума амплитуды наблюдаемых синусоидальных импульсов необходимо добиваться аналогично тому, как это рекомендовано при настройке с помощью ГСС.

5.4.4. Приемник прямого преобразования на микросхеме МС2833

Основные положения

Специализированных микросхем приемников прямого преобразования промышленность почему-то не выпускает. В предлагаемом разделе нетрадиционное использование микросхемы МС2833 фирмы MOTOROLA, предназначенной для построения передатчиков, с успехом восполняет этот пробел.

Используя только активные элементы, входящие в состав микросхемы, у предлагаемого устройства удалось получить достаточно высокие характеристики. Частота настройки фиксирована и может быть выбрана в диапазоне 26–32 МГц. При замене кварцевого резонатора на колебательный контур приемник можно сделать перестраиваемым. Чувствительность при отношении «сигнал/шум», равном 4, не хуже 0,5 мкВ. Амплитуда выходного сигнала, при сопротивлении нагрузки не менее 2 кОм, 200–300 мВ. Верхняя граничная частота среза УНЧ— 3,5 кГц. Напряжение питания 5–9 В. Ток потребления не превышает 15 мА.

Принципиальная схема

Принципиальная схема приемника приведена на рис. 5.54.

Рис. 5.54. Принципиальная схема

Транзистор VT1, имеющийся в составе микросхемы, использован в качестве УРЧ. Сигнал, принятый антенной, селектируется по частоте входным контуром L1, C1, C2. Для согласования контура с антенной и входным сопротивлением УРЧ, применено его частичное включение как по входу, так и по выходу. Режим транзистора по постоянному току, определяющий величину коэффициента усиления каскада, задается резистором R1.

Термостабилизация рабочей точки отсутствует, так как ее положение выбрано на линейном участке характеристики, и смешения рабочей точки на величине коэффициента усиления практически не сказываются. Усиленное высокочастотное напряжение сигнала через конденсатор С7 подается на смеситель, выполненный на встречно-параллельных диодах VD1,VD2.

В качестве гетеродина работает задающий генератор микросхемы. Элементы С4, С5 обеспечивают возбуждение генератора на основной гармонике кварцевого резонатора, а подстраиваемая индуктивность — необходимый для гетеродинного приема увод частоты. Через буферный усилитель и конденсатор С8 колебания подаются на второй вход смесителя.

Дроссель Др1 предназначен для обеспечения замыкания на корпус цепи протекания низкочастотных токов разностной частоты. Эти колебания далее отфильтровываются П-образным ФНЧ, состоящим из резистора R2 и конденсаторов С7 и С9. Левый по схеме вывод конденсатора С7 соединен по низкой частоте с корпусом через малое для этих частот сопротивление катушки L2 и блокировочный конденсатор С13.

Низкочастотные колебания с выхода фильтра через разделительный конденсатор С10 поступают на первую ступень УНЧ, собранную на транзисторе VT2, микросхемы. Элементы R3, R4, R5 и C11 обеспечивают выбор рабочей точки транзистора и ее термостабилизацию. Коллекторный ток транзистора не превышает 200–250 мкА, что минимизирует собственные шумы каскада, влияющие на итоговую чувствительность приемника. Модулирующий усилитель (МУ) микросхемы использован в качестве второй ступени УНЧ. Его коэффициент усиления задается резистором R7.

Детали и конструкция

Печатная плата приемника выполнена из одностороннего стеклотекстолита, ее чертеж приведен на рис. 5.55.

Рис. 5.55. Печатная плата

Катушки L1—L3 намотаны на одинаковых каркасах диаметром 5 мм с подстроечными сердечниками из карбонильного железа. Можно применить и другие каркасы диаметром 4–9 мм и сердечники из феррита марки 15—100 ВЧ, однако в этом случае придется корректировать число витков и установочные размеры катушек на печатной плате. Катушка L1 содержит 9 витков провода диаметром 0,25 мм. Отвод сделан от третьего витка. L2 такая же, но отвод выполнен от шестого витка. Начала катушек обозначены на схеме точками. Катушка L3 намотана проводом диаметром 0,15 мм и содержит 20 витков. Дроссель Др1 — стандартный, марки ДМ, на 50–68 мкГн. Его можно заменить самодельным, намотав 25–30 витков любого провода на кольце из феррита 400НН с внешним диаметром 8—10 мм. Катушки L1 и L2 обязательно должны быть снабжены экранами.

Смесительные диоды лучше использовать типа КД514, однако, с небольшим снижением чувствительности, подойдут и КД503А. Устанавливать на плату их придется вертикально.

Конденсаторы C1—С9 должны быть керамическими, С10 и С12 — любого типа, a C11 и С13 — электролитические на напряжение 10 В. Антенна приемника — отрезок провода не менее 15 см. Кварцевый резонатор должен иметь частоту fc/2, где fс — желаемая частота приема, лежащая в диапазоне 26–32 МГц.

На печатной плате предусмотрено место для установки стабилизатора DA2 и резистора R0, отсутствующих на принципиальной схеме. Стабилизатор КР1170ЕН5(6) устанавливается при питании приемника от автономного источника. Резистор R0 может понадобиться при настройке гетеродина.

Настройка

Настройку целесообразно начать с установки режима транзистора VT2 по постоянному току. Контролируя высокоомным вольтметром напряжение на выводе 9 микросхемы, подбором величины R4 сделать его равным 2,2–2,5 В.

Далее необходимо подать на вход приемника через конденсатор емкостью 0,01 мкФ сигнал амплитудой 100–300 мкВ с выхода ГСС, настроив его на рабочую частоту приемника. Внутренняя модуляция в генераторе должна быть отключена. С помощью осциллографа убедится в наличии генерации гетеродина, контролируя колебания либо на 14-ом, либо на 15-ом выводах микросхемы. При исправных деталях амплитуда высокочастотных колебаний на них должна быть соответственно равна примерно 120 и 180 мВ.

Переключить осциллограф на выход приемника и небольшими изменениями частоты работы ГСС добиться появления на экране синусоидальных колебаний разностной частоты 1–3 кГц. Вращением сердечников катушек L1 и L2 настроить УРЧ в резонанс по максимуму амплитуды наблюдаемых колебаний. Для этого потребуется постепенное уменьшение сигнала с выхода ГСС. Для получения максимальной чувствительности можно попробовать подобрать величину резистора R1 в диапазоне 47—220 кОм.

На чувствительность влияет также амплитуда гетеродинного напряжения. Подобрать оптимальную можно, переключив нижний конец конденсатора С8 с вывода 14 на вывод 15 (на плате это уже сделано) и изменяя амплитуду колебаний гетеродина с помощью переменного резистора. Переменный резистор на 15 кОм необходимо соединить последовательно с постоянным на 330 Ом и короткими проводами присоединить к соответствующим точкам платы (R0 на печатной плате).

Вращением движка потенциометра добиться максимальной амплитуды наблюдаемого выходного сигнала. Измерив суммарное сопротивление вспомогательных резисторов, установить на плату ближайший по номиналу постоянный резистор.

Может оказаться, что для конкретной пары смесительных диодов максимальная чувствительность получится при снятии гетеродинного напряжения с вывода 14 микросхемы. В этом случае необходимо сделать соответствующие изменения на печатной плате. Поскольку выводы 14 и 15 располагаются рядом, это не составит никакого труда.

5.5. Супергетеродинные приемники ЧМ-сигналов

Из теории известно, что различные способы передачи импульсных сигналов обладают и различной помехозащищенностью. Так, при равной энергии сигналов и отношении «сигнал/шум» на выходе приемника равном 20, вероятность ошибки приема двоичного сигнала при амплитудной манипуляции составляет 0,01, при частотной манипуляции — 0,001, а при фазовой — 0,00001 [14].

Очевидно, что наилучшей является фазовая манипуляция, но ее практическая реализация затруднена необходимостью точного знания на приемной стороне начальной фазы принимаемого сигнала. Частотная модуляция достаточно просто реализуется современными средствами. Хорошо разработана и схемотехника приемников ЧМ-сигналов. Можно считать частотную манипуляцию наиболее приемлемой для использования в аппаратуре радиоуправления.

5.5.1. Приемник на ИМС К174УР7 со смесителем на полевом транзисторе

Принципиальная схема

Приемник (рис. 5.56) представляет собой супергетеродин с однократным преобразованием частоты.

Рис. 5.56. Принципиальная схема приемника

Гетеродин собран на транзисторе VT1 и никаких особенностей не имеет. Смеситель реализован на двухзатворном полевом транзисторе VT2, нагрузкой которого является пьезоэлектрический фильтр ZQ2. Такие фильтры имеют паразитную полосу пропускания в области частот выше резонансной настройки. Для ее подавления используется колебательный контур в стоковой цепи, настроенный на промежуточную частоту. Подобное решение ощутимо заметно отношение «сигнал/шум» на выходе приемника.

В качестве УПЧ и частотного детектора применена экономичная микросхема К174УР7, включенная по стандартной схеме. Для повышения крутизны дискриминационной характеристики частотного детектора вместо опорного контура использован керамический резонатор ZQ3. Если не удастся его приобрести, то можно применить колебательный контур, настроенный на 465 кГц. Продетектированные импульсы с выхода ЧД (вывод 10 микросхемы) подаются на неинвертирующий вход внутреннего операционного усилителя (вывод 12).

Коэффициент усиления ОУ определяется отношением сопротивлений резисторов R9/R8. С выхода ОУ (вывод 13) усиленный сигнал поступает на компаратор напряжения, собранный на транзисторе VT3. Порог компаратора выбран подстройкой R14 таким образом, чтобы шумы не вызывали срабатывания компаратора. В результате на выходе приемника формируются положительные прямоугольные импульсы стандартной амплитуды, примерно равной напряжению источника питания.

Детали и конструкция

Поскольку микросхема работает в достаточно узком диапазоне питающих напряжений 5,4–6,6 В, целесообразным может оказаться применение стабилизатора. Место для него (DA2) на плате предусмотрено. Транзистор VT1 — КТ315 (КТ3102) с любым буквенным индексом. Для максимизации коэффициента передачи смесителя может понадобиться подбор амплитуды гетеродинного напряжения с помощью резистора R1. В качестве VT2 желательно использовать BF964. Ближайшая замена — КП327А.

Транзистор компаратора VT3 может быть КТ361 (КТ3107) с любым буквенным индексом. Кварцевый резонатор применен на частоту 27,535 МГц. Пьезоэлектрический фильтр — ФП1П1-61-01 или ему аналогичный на частоту 465 кГц. Керамический резонатор ZQ3 также на частоту 465 кГц.

Контурные катушки L1, L2 и L3 намотаны на каркасах диаметром 5–6 мм с резьбовым (М4) подстроечным сердечником из карбонильного железа. L1 и L3 содержат по 8 витков провода 0,25 мм диаметром, a L2 — 3 витка провода диаметром 0,15—0,18 мм, намотанных поверх L3. Катушка L4 размешена в стандартной для фильтров ПЧ арматуре и имеет 135 витков провода диаметром 0,1–0,12 мм. Все катушки желательно снабдить экранами. Все неэлектролитические конденсаторы должны быть керамическими.

Печатная плата приемника (рис. 5.57) никаких особенностей не имеет.

Рис. 5. 57. Печатная плата

Настройка

Настройка приемника производится по сигналам собственного передатчика, расположенного на расстоянии 3–5 м. Вначале убеждаются в работе гетеродина, для чего достаточно расположить короткозамкнутые щупы осциллографа вблизи катушки L1 и включить максимальную чувствительность осциллографа. Подстроечником катушки нужно добиться максимума размаха изображения на экране.

Далее включают передатчик, не подавая на его вход модулирующий сигнал. Осциллограф подключают к выходу фильтра ZQ2. Последовательно подстраивая входной контур и катушку L4, необходимо добиться максимальной амплитуды синусоидального напряжения на экране (частота напряжения должна быть 465 кГц). Далее следует подать модулирующий сигнал на вход передатчика и контролировать импульсный сигнал на выходе приемника (точка соединения резистора R12 и конденсатора С18).

Поскольку дискриминационная характеристика ЧД очень узкая благодаря применению керамического резонатора, может потребоваться подстройка задающего генератора в передатчике с помощью сердечника катушки, включенной последовательно с кварцем. Вместо кварцевого фильтра можно использовать стандартный контур ПЧ, состоящий из параллельно соединенных конденсатора на 1000 пФ и катушки индуктивности на 117 мкГн. Катушка содержит 78 витков провода диаметром 0,1–0,12 мм, помешенных в ферритовый горшкообразный сердечник.

В последнюю очередь устанавливается порог выходного компаратора. Временно на место R14 припаивается подстроечный резистор на 220 кОм. Контролируя осциллографом картину на выходе компаратора, необходимо установить такой порог, при котором, что называется, только-только пропадают срабатывания компаратора от собственных шумов приемника. Это обеспечит максимальную чувствительность приемника. Измерив сопротивление потенциометра, впаивают на место постоянный резистор ближайшего номинала.

5.5.2. Приемник на ИМС К174УР7 со смесителем на биполярном транзисторе

Принципиальная схема этого варианта приемника отличается от предыдущей высокочастотной частью, которая изображена на рис. 5.58. Катушки L2 и L3 содержат по 9 витков провода диаметром 0,25—0,35 мм на цилиндрическом каркасе диаметром 5–7 мм с резьбовым подстроечным сердечником М4 из карбонильного железа. Катушка L1 имеет 3 витка того же провода и намотана поверх L2.

L4— 24 витка провода диаметром 0,12 мм, намотанных на резисторе МЛТ-0,25 сопротивлением не менее 51 кОм. Отвод сделан от середины. В процессе настройки необходимо подобрать величину резистора R8 по максимуму колебаний промежуточной частоты, наблюдаемых с помощью осциллографа на выходе керамического фильтра. Катушки УРЧ должны быть помешены в заземленные экраны.

Рис. 5.58. Принципиальная схема приемника со смесителем на биполярном транзисторе

5.5.3. Приемник на ИМС К174УР7 со смесителем на К174ПС1

Схема приведена на рис. 5.59. УРЧ приемника точно такой же, как и в предыдущем варианте. Сигнал на вход микросхемы подается с катушки L5, содержащей 3 витка провода диаметром 0,25 мм, которую необходимо намотать поверх катушки L3. Никакой дополнительной настройки смеситель не требует.

Рис. 5.59. Принципиальная схема приемника со смесителем на К174ПС1

5.5.4. Приемник на ИМС К174УР7 со смесителем на SA612A

Активный двойной балансный смеситель фирмы «Philips Semiconductors» рассчитан на использование в радиоприемных устройствах вплоть до частоты 500 МГц. Его основные характеристики можно посмотреть в [13]. Вариант его использования в описываемом приемнике приведен на рис. 5.60. Катушка L6 имеет 9 витков провода диаметром 0,25—0,35 мм, намотанных на таком же каркасе, что и катушки УРЧ. Др1 — стандартный дроссель типа ДМ-0,1.

Гетеродинная часть на схеме изображена для случая применения гармоникового кварца. Если в распоряжении имеется резонатор, работающий на основной гармонике, то элементы С4, L6 можно изъять. Безусловно, во всех вариантах можно использовать кварцевые резонаторы и на другие частоты. Важно, чтобы разность между частотами передатчика и гетеродина приемника равнялась частоте настройки применяемого керамического фильтра. Последние выпускаются как на 465, так и на 455 кГц.

Рис. 5.60. Смеситель на SA612А

5.5.5. Приемник на микросхеме К147ХА26

Принципиальная схема

Этот приемник имеет чувствительность не хуже 1 мкВ за счет УРЧ, собранного по каскодной схеме (рис. 5.61). Такое построение каскада обеспечивает высокий устойчивый коэффициент усиления за счет уменьшения результирующей проходной емкости, обычно «виновной» в самовозбуждении каскадов УРЧ.

Микросхема содержит в своем составе гетеродин, смеситель, УПЧ и квадратурный частотный детектор, опорный контур которого подключается к выводу 8. Имеющиеся в составе микросхемы элементы подавителя шумов здесь не используются. Диод VD1 обеспечивает стабилизацию положения рабочей точки компаратора VT3, что сохраняет высокую чувствительность приемника в широком диапазоне температур и питающих напряжений. Его применение позволило отказаться от стабилизатора напряжения питания.

Рис. 5.61. Принципиальная схема приемника

Детали и конструкция

Микросхема DA1 может быть заменена полным импортным аналогом МС3359. Кварцевый резонатор ZQ1 и керамический фильтр ZQ2 должны быть рассчитаны на обеспечение промежуточной частоты 465 (455) кГц при работе с соответствующим кварцем в передатчике. Параметры входного и нагрузочного контура УРЧ такие же, как у варианта на рис. 5.58. Катушка связи L4 имеет 3 витка провода диаметром 0,25 мм, намотанного поверх L3. Опорный контур частотного детектора стандартный на частоту 465 (455) кГц. Его параметры при самостоятельном изготовлении можно посмотреть в предыдущих вариантах.

Печатная плата приемника изображена на рис. 5.62. Все колебательные контуры должны быть снабжены экранами.

Рис. 5.62. Печатная плата

Настройка

Настройка производится по сигналам собственного передатчика. Подключив осциллограф к выводу 5 микросхемы, уточняют положение сердечников входного и нагрузочного контура, добиваясь. максимальной амплитуды напряжения промежуточной частоты. Частоту, при наличии возможности, полезно измерить, и если она отличается от номинала 465 (455) кГц больше, чем на 2 кГц, необходимо подстроить частоту гетеродина сердечником катушки L5.

Переключив осциллограф на базу транзистора VT3, добиваются максимальной амплитуды наблюдаемых отрицательных импульсов вращением сердечника катушки L6. Если наблюдаемые импульсы имеют положительную полярность, это означает, что контур дискриминатора сильно расстроен по отношению к требуемой частоте. Вращением сердечника необходимо добиться именно отрицательной полярности у выходных импульсов.

Если гетеродин не возбуждается, это свидетельствует о том, что предусмотрена работа кварцевого резонатора на третьей механической гармоники. В этом случае схема подключения кварца должна быть такая же, как на рис. 5.60.

При напряжении питания приемника больше 5 В необходимо на выходе включить резистор величиной 10–15 кОм, чтобы не вывести из строя входные цепи дешифратора.

5.5.6. Приемник на микросхеме МС3361Р

Принципиальная схема

Принципиальная схема приемника приведена на рис. 5.63.

Рис. 5.63. Принципиальная схема приемника с дешифратором

Применена далеко не новая, но хорошо себя зарекомендовавшая микросхема МС3361. Ее паспортная чувствительность 2,6 мкВ, однако чувствительность приемника может быть легко улучшена до 0,5 мкВ. Для этого достаточно включить на входе апериодический УРЧ на полевом транзисторе КПЗОЗЕ (рис. 5.64). На печатной плате приемника, приводимой ниже, места для этих элементов предусмотрены.

Рис. 5.64. Схема УРЧ

Микросхема представляет собой супергетеродинный приемник с однократным преобразованием частоты. Частота гетеродина стабилизирована кварцем ZQ1. Катушка L2 предназначена для обеспечения точного совпадения промежуточной частоты с центральной частотой пьезоэлектрического фильтра ZQ2, входящего в состав УПЧ.

В качестве опорного элемента частотного дискриминатора, входящего в состав микросхемы, использован резонатор ZQ3 на частоту 465кГц. При отсутствии такого резонатора между выводом 8 микросхемы и плюсом источника питания, вместо установленных на схеме элементов, может быть включен параллельный колебательный контур, настроенный на 465 кГц. В качестве индуктивности такого контура можно с успехом использовать катушку на стандартной арматуре от фильтров ПЧ промышленных приемников индуктивностью 117 мкГн. Конденсатор контура должен иметь емкость 1000 пФ. Вывод 9 микросхемы является выходом частотного детектора. Фильтр нижних частот R1, С6 обеспечивает подавление высокочастотных шумов на выходе детектора.

Через разделительный конденсатор С7 принятые импульсы поступают на вход операционного усилителя (вывод 10), имеющегося в составе микросхемы. Его коэффициент усиления определяется резистором R3. С выхода ОУ (вывод 11) усиленный сигнал поступает на селектор импульсов.

Потенциометр R4 обеспечивает установку порогового напряжения на входе ОУ, препятствующего прохождению шумов на его выход. Если приемник будет использоваться автономно, селектор импульсов и последующий дешифратор — а это часть схемы, начинающаяся с элемента DD1.2— из схемы изымаются, и к выводу 11 DA1 подключается нормализатор импульсов (рис. 5.65).

Рис. 5.65. Нормализатор импульсов

Если подразумевается использование в составе аппаратуры пропорционального управления, то целесообразно собирать всю схему вместе с дешифратором, потому что дешифратор разрабатывался именно под этот вариант приемника.

Селектор импульсов собран на микросхеме DD1 и обеспечивает преобразование выходных импульсов приемника искаженной формы в прямоугольные, с крутыми фронтами и постоянной амплитудой. Это необходимо для нормальной работы распределителя импульсов на микросхеме DD2. Кроме того, селектор выделяет из принятого сигнала синхропаузу.

Принцип действия

Логическая часть схемы приемника работает следующим образом. Положительные импульсы с вывод 11 DA1 (рис. 5.66, б) подаются на элемент DD1.2 для нормализации. С его выхода импульсы стандартной амплитуды (рис. 5.66, в) поступают на счетный вход 14 микросхемы DD2. При наличии низкого уровня на 13 выводе этой микросхемы счет разрешен и на выводах 2 и 4 последовательно во времени появляются первый и второй канальные импульсы соответственно (рис. 5.66, з, и).

Рис. 5.66. Эпюры напряжений в дешифраторе

Помимо этого, нормализованные импульсы инвертируются элементом DD1.1 и запускают схему выделения синхропаузы, состоящую из элементов VD1, R6, С13, DD1.4. Отрицательными импульсами с вывода 3 DD1.1 конденсатор С13 быстро разряжается через малое сопротивление открытого диода VD1 до нуля и медленно заряжается в паузах между импульсами через резистор R6 значительной величины.

Постоянная времени цепи заряда выбрана таким образом, что даже при максимальной длительности канальных импульсов напряжение на конденсаторе не успевает дорасти до уровня логической единицы (рис. 5.66, д) и напряжение на выходе элемента DD1.4 остается равным нулю. По окончании последнего канального импульса напряжение на конденсаторе через некоторое время достигает единичного уровня, и элемент DD1.4 «опрокидывается». Положительный скачок напряжения, соответствующий переднему фронту синхропаузы, через дифференцирующую цепочку С15, R8 подается на вход обнуления счетчика DD2.

Первый же из пришедших импульсов синхропаузы с вывода 11 DD1.4 через диод VD2 заряжает конденсатор С14, обеспечивая на выводе 10 DD1.3 нулевое напряжение, которое, будучи поданным на вход 13 DD2, обеспечивает разрешение счета импульсов по входу 14. Постоянная времени цепи разряда конденсатора С14 выбрана настолько большой, что он не успевает значительно разрядиться в промежутках между импульсами синхропаузы, чем обеспечивается разрешение счета на все время присутствия сигнала на входе приемника. При выключении передатчика входной сигнал пропадает, конденсатор медленно разряжается до нуля и на выходе 10 DD1.3 появляется высокий потенциал, запрещая счет микросхеме DD2. Делается это для того, чтобы счетчик не срабатывал от шумовых выбросов на выходе приемника, что приводило бы к беспорядочному срабатыванию рулевой машинки и регулятора хода и, в итоге, к «подергиваниям» модели. Напряжение питания приемника желательно застабилизировать.

Детали и конструкция

Печатная плата приемника изображена на рис. 5.67. Пунктирная линия под микросхемой DD1 обозначает перемычку, которую необходимо впаять со стороны деталей перед монтажом микросхемы. К контакту X1 припаивается антенна (отрезок провода длиной 15–30 см), к Х2 — провод питания. На плате в непосредственной близости от этого контакта предусмотрено место для установки местного стабилизатора напряжения на 5 В, например К1157ЕН502А. ХЗ и Х4 соединяются с входом регулятора хода и рулевой машинки соответственно.

В случае замены резонатора ZQ3 на колебательный контур, катушка впаивается в отверстия, предназначенные для ZQ3 и С5, а контурный конденсатор — вместо резистора R2. Катушка содержит 78 витков провода диаметром 0,12 мм и помещена в ферритовый сердечник от стандартных катушек ПЧ промышленных приемников. Наличие экранов на катушках необязательно.

Все постоянные резисторы в приемнике — типа МЛТ-0,125. Подстроенный R4 — СПЗ-19а. Конденсаторы С13, С14 — типа К73-17, все остальные, кроме С7 и С10, керамические типа КМ-6 или импортные дисковые. С2, С4 и С5 обязательно должны иметь хороший ТКЕ (МЗЗ, М47).

Пьезоэлектрический фильтр ZQ2 марки ФП1П1-61-01 или ему аналогичный на частоту 465 кГц. ZQ3 — пьезоэлектрический резонатор на частоту 465 кГц. Кварцевый резонатор ZQ1 — на частоту 26,655 МГц. Катушки L1, L2 — на каркасах, аналогичных вышеописанным. Их данные приведены на рис. 5.63. Микросхема DA1 может быть заменена аналогичными устройствами других фирм производителей LM3361 или КА3361.

Рис. 5.67. Печатная плата приемника

Настройка

Настройку приемника удобно производить по сигналам передатчика. Приемник с подключенной антенной необходимо расположить на расстоянии 50—100 см от включенного передатчика и подключить осциллограф к выводу 5 микросхемы DA1. На экране должны наблюдаться синусоидальные колебания на частоте, примерно равной 465 кГц (результат взаимодействия в смесителе входного сигнала и гетеродинного напряжения).

Проверять наличие колебаний гетеродина непосредственно, подключаясь к выводу 1 или 2, не следует, так как подключение осциллографа может приводить к срыву генерации. Вращением сердечников катушек L1 и L2 необходимо добиться максимума амплитуды наблюдаемых колебаний. Для более точной настройки катушек, передатчик целесообразно удалять от приемника в процессе настройки, оставляя уровень сигнала на экране осциллографа минимально необходимым для наблюдения.

Отсутствие колебаний промежуточной частоты на выводе 5 при любом положении сердечника катушки L2 свидетельствует о том, что гетеродин не возбуждается. Если монтаж выполнен правильно и кварц заведомо исправен, можно попробовать подобрать емкость конденсатора С4 в пределах 24–75 пФ. Отрицательный результат говорит о том, что резонатор гармониковый и его нужно включить в соответствии со схемой, приведенной на рис. 5.60.

Следующий этап наиболее ответственный. От тщательности настройки частотного дискриминатора существенно зависит чувствительность приемника, а значит и качество работы системы в целом. Осциллограф подключается к точке соединения резистора R1 и конденсатора С7 (выход фильтра низкой частоты частотного детектора). При включении передатчика вместо шумов на экране должны появиться отрицательные импульсы примерно треугольной формы (рис. 5.66, а).

Отсутствие импульсов либо положительная их полярность говорят о том, что частота используемого резонатора ZQ3 не равна точно 465 кГц. В этом случае вместо С5 необходимо временно впаять, на как можно более коротких проводниках подстроечный конденсатор на 25—150 пФ, и вращением его ротора добиться амплитуды отрицательных импульсов 0,3–0,4 В.

Измерив получившуюся емкость, впаять постоянный конденсатор. В случае использования опорного колебательного контура, того же эффекта добиваются подстройкой сердечника катушки. Необходимо иметь ввиду, что настройка частотного дискриминатора возможна в трех точках, две из которых ложные. Признаком ложной настройки является положительная полярность наблюдаемых импульсов.

Переключить осциллограф на вывод 11 DA1 и потенциометром R4 добиться на экране осциллографа подавления шумовой дорожки в основании импульсов (рис. 5.66, б). Проконтролировать эпюры напряжений, приведенные на рис. 5.66, в соответствующих точках селектора и распределителя импульсов. При отсутствии ошибок монтажа эта часть схемы настройки не требует.

5.5.7. Приемник с двойным преобразованием частоты

Принципиальная схема

В [15] предлагается существенно улучшить характеристики приемника, применив две одинаковые микросхемы МС3361Р. Выигрыш достигается в основном за счет того, что первая промежуточная частота выбрана достаточно высокой — 10,7 МГц. В этом случае зеркальный канал отодвигается от основного на 21,4 МГц, что позволяет эффективно его подавлять с помощью простейшего одноконтурного преселектора.

А это означает, что уровень внешних шумов уменьшается практически в полтора раза, за счет чего и растет чувствительность. В указанной статье она задекларирована равной 0,35 мкВ. На рис. 5.68 приведена схема, позаимствованная из этой статьи.

Рис. 5.68. Принципиальная схема приемника с двойным преобразованием частоты

Микросхема DA1 используется частично, в качестве первой ступени преобразования частоты. Поскольку частота гетеродина достаточно низкая и кварц работает на первой гармонике, нет необходимости применения колебательного контура в его цепях. Включение второй микросхемы ничем не отличается от предыдущего варианта приемника, кроме, естественно, гетеродинных цепей.

Детали и конструкция

Все конденсаторы, кроме С13 и С16, должны быть керамическими, у пленочных слишком велика собственная индуктивность. Катушка индуктивности L1 содержит 6 витков провода диаметром 0,16—0,2 мм, намотанных на каркасе диаметром 5 мм рисунка печатной платы здесь сделана перестановка элементов, входящих в состав DD1, что никак не влияет на работу схемы.

Если дешифратор не нужен, у печатной платы отсекается практически вся ее нижняя половина, и выходной сигнал приемника в виде положительных импульсов амплитудой не менее 200–250 мВ, снимается с вывода 11 микросхемы DA2.

Рис. 5.69. Печатная плата приемника с дешифратором

Настройка

Настройка приемника сводится к регулировке входного контура по максимуму напряжения промежуточной частоты на выводе 6 DA2 и подбору величины С11 по максимуму отрицательных импульсов на выводе 10 DA2. Далее потенциометром R6 необходимо установить такое постоянное смещение на выводе 10, при котором пропадает шумовая дорожка в основании прямоугольных импульсов на выводе 11. Настройка производиться по сигналам передатчика.

Данные кварцевых резонаторов и фильтров приведены для частоты входного сигнала 27,12 МГц. Понятно, что можно использовать и другие комбинации параметров этих элементов. Важно только, чтобы были обеспечены равенства fZQ2 = |fвхfZQ1I и fZQ4 = |fZQ2fZQ3I.

5.5.8. Приемник на микросхеме МС3372

Принципиальная схема

В три раза лучшую чувствительность, чем предыдущая, имеет микросхема МС3372. На рис. 5.70 изображена схема приемника на ее базе.

Рис. 5. 70. Принципиальная схема приемника на микросхеме МС3372

Последовательно с антенной включена удлинительная катушка L1, обеспечивающая компенсацию емкостной составляющей укороченной антенны, что благотворно сказывается на ее согласовании с входным контуром. Собственно выходом приемника является вывод 9 микросхемы. Выделенный им сигнал через ФНЧ R2, С12 далее поступает на операционный усилитель (вывод 10), коэффициент передачи которого определяется резистором R5. К выходу усилителя (вывод 11) подключен компаратор напряжения, реализованный на элементах встроенного шумоподавителя.

Приемник целесообразно (но не обязательно) использовать совместно с дешифратором и канальным распределителем, реализованным на микросхеме DD1. На его вход подаются отрицательные импульсы нормированной амплитуды с выхода компаратора (вывод 14).

Элементы VD1, С14 и R9 образуют детектор синхропаузы. Работает он следующим образом. Короткие отрицательные импульсы, соответствующие фронтам командных (рис. 5.71, а) подаются на динамический вход счетчика DD1. Счет ведется по положительным перепадам этих импульсов. В результате на выводе 2 DD1 появляются канальные импульсы первого канала (рис. 5.71, в), а на выводе 4 — второго (рис. 5.71, г). Каждый из коротких входных импульсов успевает через диод VD1 зарядить конденсатор С14 до напряжения питания, делая потенциал выводе 14 равным практически нулю. В промежутке между импульсами конденсатор разряжается через резистор R9.

Напряжение на выводе 14, определяемое выражением U14 = UпитUС14, нарастает по экспоненте. Постоянная времени разряда выбрана такой, что нарастающее напряжение не успевает достичь уровня срабатывания (примерно Uпит/2) входа сброса за время командного импульса. Напомним, что максимальная длительность командного импульса может составлять 2 мс. Синхропауза имеет длительность Тпаузы минимум в два раза большую, поэтому происходит превышение порога (точка А на рис. 5.71, б), и счетчик обнуляется. Далее цикл работы устройства повторяется.

Рис. 5.71. Эпюры в характерных точках дешифратора

Детали и конструкция

Печатная плата приемника изображена на рис. 5.72. Поскольку монтаж достаточно плотный, во избежание самовозбуждения приемника плату целесообразно изготовить из двухстороннего стеклотекстолита, используя фольгу со стороны установки деталей в качестве общего провода. Высокочастотные катушки лучше снабдить экранами.

При входной частоте 27,12 МГц кварцевый резонатор ZQ1 должен быть на 26,655 или 27,585 МГц. Фильтр ZQ2 и резонатор частотного дискриминатора ZQ3 — на 465 кГц. Катушки наматываются проводом диаметром 0,16 мм на цилиндрических каркасах диаметром 5–6 мм с карбонильными подстроечными сердечниками. L1 содержит 12 витков, L2 — 6, a L3 — 9 витков. Резистор R4 устанавливается на плате вертикально. Все конденсаторы, кроме электролитических, керамические. С14 желательно применить пленочный, чтобы исключить влияние температуры на настройку дешифратора.

Рис. 5.72. Печатная плата приемника

Настройка

Методика настройки приемника аналогична вариантам, рассмотренным в предыдущих параграфах. В дешифраторе достаточно только подобрать емкость конденсатора С14 в диапазоне 0,047—0,1 мкФ, добиваясь обнуления счетчика только от импульсов синхропаузы.

Осциллограммы напряжений на выводах 14, 15, 2 и 4 микросхемы DD1 должны мало отличаться от графиков, приведенных на рис. 5.71, а, б, в, г соответственно. Понятно, что наблюдать осциллограммы необходимо при включенном передатчике комплекта радиоуправления.

5.5.9. Приемник на микросхеме МС3371

Принципиальная схема

Микросхема МС3371 мало чем отличается от предыдущей, но она дешевле. В [16] опубликован неплохой приемник на ее базе. Приведем схему приемника (рис. 5.73), рассчитанного на работу с входным сигналом частотой 27,12 МГц.

Рис. 5.73. Принципиальная схема приемника на микросхеме МС3371

Основное преимущество применения МС3371 заключается в чрезвычайно простой реализации схемы шумоподавителя. Для его работы используется выход RSSI — измерителя интенсивности радиочастотного сигнала (вывод 13). Увеличение номинала резистора R1 по сравнению с типовым (типовое значение по описанию — 51 кОм) дает возможность поднять напряжение на выводе 13 до уровня, позволяющего управлять работой внутреннего ключа МС3371. Для этого выход RSSI (вывод 13) и управляющий вход ключа (вывод 12) соединены между собой. При высоком уровне входного сигнала выход ключа МС3371 (вывод 14) находится в высокоимпедансном состоянии и не влияет на прохождение информационного сигнала на вход DD1. При недостаточном уровне входного сигнала внутренний ключ замыкает вывод 14 на «землю» и блокирует прохождение шума с выхода МС3371 на вход DD1. Это позволяет избежать самопроизвольного срабатывания рулевых машинок при выключенном передатчике.

Обнуление регистров DD1 для формирования правильной последовательности канальных импульсов осуществляется схемой выделения синхропаузы R7R8VT1R9C13. Синхроимпульс с коллектора VT1 поступает на вход «D» DD1 (вывод 15). Далее DD1 осуществляет «раздачу» последовательности импульсов по канальным выходам с первого по четвертый (выводы 13, 12, 11 и 2 соответственно). При желании число каналов можно увеличить, задействовав второй регистр, имеющийся в корпусе микросхемы, но плату при этом придется переделать.

Настройка

Схема имеет всего две точки настройки. Во-первых, настраивается входной контур на частоту 27,12 МГц по максимуму колебаний на выводе 5 DA1 при передатчике, включенном в режим немодулированной несущей. Затем осциллограф следует подключить к нижнему выводу резистора R2 и убедиться в наличии отрицательных импульсов амплитудой не менее 300 мВ. Передатчик должен быть переведен в режим излучения командной посылки.

Во-вторых, подбирается номинал резистора R5, определяющего уровень срабатывания внутреннего компаратора. Указанный резистор заменяется последовательной цепочкой из постоянного резистора номиналом 220–330 кОм и подстроечного резистора номиналом 1,5–2,2 МОм.

Вращением подстроечника требуется получить первой ножке микросхемы DD1 импульсы шириной 0,3–0,4 мс. После этого цепочка выпаивается, замеряется и заменяется соответствующим постоянным резистором.

Детали и конструкция

Катушка L1 содержит 8, a L2 — 3 витка провода диаметром 0,25 мм, намотанного на каркасе диаметром 5 мм с резьбовым сердечником М4 из карбонильного железа. Дроссели Др1 и Др2 использованы готовые (импортные типа ЕС24). Первый имеет индуктивность 1,8 мкГн, второй — не менее 300 мкГн.

Печатная плата четырехканального варианта приведена на рис. 5.74. Необходимо в первую очередь впаять со стороны расположения деталей перемычки П1 и П2. Отверстия под ножки микросхемы DD1 с номерами 3–7 и 9, 10 на плате не высверливают. Эти ножки у микросхемы следует откусить.

Печатная плата приемника изображена на рис. 5.74. Внешний вид приемника показан на рис. 5.75.

Рис. 5.74. Печатная плата

Рис. 5.75. Внешний вид приемника

Более 800 000 книг и аудиокниг! 📚

Получи 2 месяца Литрес Подписки в подарок и наслаждайся неограниченным чтением

ПОЛУЧИТЬ ПОДАРОК