Глава 6 ДЕШИФРАТОРЫ КОМАНД

Принятый сигнал должен быть преобразован в последовательность импульсов, адресованных конкретным исполнительным устройствам. Такое преобразование осуществляется дешифраторами, схемотехнике которых посвящена данная глава.

6.1. Дешифраторы дискретных команд

6.1.1. Дешифратор частотно-кодированных сигналов

Принципиальная схема

В качестве частотно-избирательных элементов таких дешифраторов долгое время использовались колебательные контуры. Поскольку для шифрации команд используются низкие частоты, катушки индуктивности выполнялись на броневых ферритовых сердечниках и имели значительные размеры и вес. Применение активных полосовых фильтров на базе операционных усилителей лишено указанных недостатков. Вариант такого дешифратора приведен на рис. 6.1.

Рис. 6.1. Принципиальная схема дешифратора

Частота настройки фильтра может регулироваться всего лишь одним элементом — резистором R2. Номиналы этого резистора для выбранных ранее частот (раздел 2.2.1) указаны на схеме. АЧХ фильтров для указанных номиналов изображены на рис. 6.2.

Рис. 6.2. АЧХ фильтров

Принцип действия

Сигнал с выхода приемника поступает на входы всех четырех фильтров. Выходной сигнал будет максимален только у того фильтра, частота настройки которого совпадает с частотой командного сигнала. Пусть для примера это первый фильтр (рис. 6.1). Переменное напряжение с его выхода (вывод 13 микросхемы DA1) выпрямляется детектором и поступает на вход компаратора, реализованного на нижнем по схеме операционном усилителе DA1. Напряжение на выводе 5 уменьшается и становится ниже опорного, подаваемого на вывод 6 от общего для всех фильтров делителя R3, R4. На выводе 9 микросхемы появляется высокий потенциал, который далее может использоваться для включения исполнительного устройства. Чувствительность компаратора можно регулировать подбором величины резистора R6.

На рис. 6.3 приведен возможный вариант печатной платы. Полезно иметь ввиду, что коэффициент передачи фильтра около 50, поэтому необходимо обеспечивать, входной сигнал не более 100 мВ.

Рис. 6.3. Печатная плата дешифратора

6.1.2. Дешифратор импульсных команд

Принципиальная схема

Устройство, схема которого изображена на рис. 6.4, предназначено для совместной работы с шифратором, описанным в разделе 2.2.2. На вход необходимо подавать отрицательные командные импульсы амплитудой не менее 3 В. Элементы DD1.1 и DD1.2 образуют триггер Шмидта, обеспечивающий четкое фиксирование фронта и среза импульсов с выхода приемника и доведение их амплитуды до уровня, стандартного для микросхем КМОП-структуры. Сделано это для устранения «дребезга» срабатывания микросхем дешифратора, который может иметь место при размывании шумами фронтов принимаемых импульсов.

Рис. 6.4. Принципиальная схема дешифратора импульсных команд

При наличии на входе триггера Шмидта отрицательного импульса, он будет продублирован на выходе (вывод 4 DD1.2), но уже в уровнях КМОП. Через конденсатор С1 импульс запустит ждущий мультивибратор DD1.3, DD1.4. Длительность импульса, снимаемого с его выхода (вывод 11 DD1.4) выбрана равной 0,5 с, что немного больше времени прохождения командной посылки максимальной длительности (см. раздел 2.2.2).

Этот импульс подается на входы всех элементов DD2.3—DD5.3 и блокирует прохождение сигналов с выхода счетчика DD3 на все время счета. Только после того, как на выходе счетчика установится окончательное значение переданной команды, откроется путь для ее прохождения к исполнительным устройствам.

Команды с номерами 6–9 являются командами с памятью. Они вызывают срабатывание триггеров DD7.1—DD8.2, в результате исполнительные устройства, подключенные к их выходам, остаются включенными до повторного нажатия на соответствующую кнопку. Таким образом, любые из последних четырех команд могут исполняться одновременно.

При поступлении продолжительного (длительность 0,6 с) импульса общего сброса в течение 0,1 с, логическая единица поступит и на вывод 1, и на вывод 2 DD2.1. В результате сигнал логической единицы с вывода 4 DD2.2 поступит на входы сброса как счетчика, так и триггеров, переведя дешифратор в исходное состояние.

Цепь задержки R3, СЗ служит для исключения ложных срабатываний устройства сброса. Никакой настройки дешифратор не требует. Для обеспечения стабильности длительности импульса ждущего мультивибратора конденсатор С2 необходимо применить пленочного типа, например К73-17. Устройство питается от любого источника, напряжением 5—12 В.

Детали и конструкция

Печатная плата приведена на рис. 6.5. Она выполняется из одностороннего стеклотекстолита. Со стороны деталей, перед их впаиванием, устанавливаются перемычки П1—П13. Конденсатор С4, отсутствующий на принципиальной схеме, на плату установить желательно. Его величина должна быть 0,1–0,33 мкФ. Выходы дешифратора обозначены на плате цифрами 1–9. Количество команд, исполнение которых производится с запоминанием и без запоминания, можно произвольно изменять, добавляя или исключая инверторы и триггеры в соответствующих цепях. Плату при этом придется корректировать.

Рис. 6.5. Печатная плата

6.1.3. Дешифратор кодово-импульсных команд

Дешифратор, принципиальная схема которого приведена на рис. 6.6, предназначен для совместной работы с шифратором из раздела 2.2.4.

Рис. 6.6. Принципиальная схема дешифратора

Сигнал с выхода приемника, имеющий вид, изображенный на рис. 6.7, a, поступает на вход дешифратора. Для примера закодировано число 3. На элементах DD1.1, DD1.3 собрана схема восстановления тактовых импульсов, которые, напомним, соответствуют по времени границам разрядных интервалов.

Выделенные тактовые импульсы подаются на схему формирования импульсов записи, реализованную на элементах VD2, С5, R5, DD1.4. Выходной сигнал этого узла приведен на рис. 6.7, б. Положительные перепады, как видно, располагаются внутри разрядных интервалов.

Рис. 6.7. Принцип дешифрации команды

Этими перепадами, поступающими на вход записи сдвигающего регистра DD2, производится последовательная запись информации с входа «D» микросхемы, куда подан сигнал с выхода приемника (рис. 6.7, а). По окончании четвертого такта записи на выходах регистра DD2 сформировано двоичное число, соответствующее номеру переданной команды. Дешифратор DD4 преобразует это двоичное число в единичный уровень на соответствующем своем выходе. В рассматриваемом примере это вывод 15.

Часть схемы, реализованная на элементах DD1.2 и DD3, обеспечивает формирование импульса разрешения считывания команды (рис. 6.7, в), который появляется на выходе счетчика DD3 только после окончания записи в регистр всех четырех разрядов поступившей кодовой посылки. Для нормальной работы исполнительных устройств выходы 1–9 дешифратора должны быть подключены к схемам «И-НЕ» точно так же, как это сделано в предыдущем варианте дешифратора (рис. 6.4). Импульс разрешения считывания команды (вывод 12 DD3 на рис. 6.6) необходимо подать на соединенные вместе входы элементов «И-НЕ». Этот сигнал аналогичен по назначению сигналу на выводе 11 DD1.4 на рис. 6.4.

Если в пришедшей кодовой посылке в младшем разряде записана единица, то схема формирования импульсов записи вырабатывает один лишний импульс. Чтобы не происходило сдвига декодируемого числа на один лишний такт, прохождение пятого импульса записи на вход регистра блокируется схемой монтажного «И», собранной на элементах VD3, VD4, R6. Сигнал управления блокировкой формируется на выводе 1 элемента DD3 путем подсчета поступивших на вход импульсов записи.

Если предполагается использовать команды с запоминанием, то входы сброса «R» триггеров DD7, DD8 необходимо соединить с корпусом.

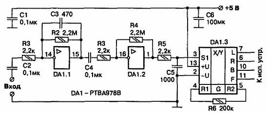
6.1.4. Дешифратор на специализированной микросхеме

Этот дешифратор предназначен для совместной работы с шифратором, описанным в разделе 2.2.5. Микросхема PTBF978B содержит все элементы, необходимые для усиления командного сигнала с выхода приемника и последующей его дешифрации. Принципиальная схема и печатная плата дешифратора приведены на рис. 6.8 и рис. 6.9 соответственно.

Рис. 6.8. Принципиальная схема дешифратора

Рис. 6.9. Печатная плата

На элементах DA1.1, DA1.2 выполнен усилитель сигнала, обеспечивающий чувствительность схемы порядка 10–30 мВ, что обеспечивает возможность подключения дешифратора непосредственно к выходу, например сверхрегенеративного каскада. Выходные сигналы дешифратора имеют уровни КМОП-логики.

6.2. Дешифраторы команд пропорционального управления

6.2.1. Двухканальный дешифратор

Задачей любого дешифратора команд является выделение из выходного сигнала радиоприемника канальных импульсов прямоугольной формы и стандартной амплитуды. Длительность выделенных импульсов должна быть равна длительности соответствующих командных импульсов, сформированных в передатчике. Простейший дешифратор, схема которого приведена на рис. 6.10, предназначен для совместной работы с двухканальными шифраторами, описанными в разделе 2.3.1–2.3.3.

Рис. 6.10. Принципиальная схема двухканального дешифратора

Поскольку все рассмотренные ранее приемники имеют на выходе устройства, доводящие амплитуду выходных сигналов до стандартных уровней микросхем КМОП-логики, дешифратор рассчитан на работу с входными сигналами амплитудой не менее 80 % от величины питающего напряжения.

Схема представляет собой, по сути, триггер Шмидта, с которого снимаются прямой (вывод 11) и инверсный (вывод 10) сигналы. Напомним, что у соответствующих шифраторов (представляющих собой различные типы мультивибраторов) командные импульсы первого канала есть не что иное, как положительные импульсы мультивибратора, а командные импульсы второго канала — паузы между ними: прямой сигнал на выходе триггера, очевидно, и есть командный сигнал первого канала, а инверсный — соответственно второго.

Соотношение величин резисторов R1, R2 определяет величину «гистерезиса» и чувствительность триггера. При указанных на схеме номиналах требуемая минимальная амплитуда входного сигнала составляет 4 В, а «гистерезис» — 1,5 В. Наладки дешифратор не требует. Печатная плата ввиду простоты ее разводки не приводится.

6.2.2. Многоканальные дешифраторы

Принципиальная схема

При описании схем приемников в разделах 5.5.6, 5.5.8 и 5.5.9 рассмотрены три варианта многоканальных дешифраторов, которые с успехом можно использовать с любыми другими приемниками. Подробно изложен принцип их работы и порядок настройки. Приведены печатные платы этих дешифраторов (в составе соответствующих приемников), но, при необходимости, эти «шпаргалки» облегчат изготовление и автономных вариантов дешифраторов.

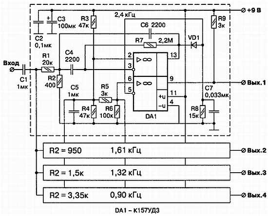
В данном разделе рассмотрим еще один, достаточно универсальный вариант дешифратора на базе сдвоенного компаратора. Его принципиальная схема приведена на рис. 6.11.

Рис. 6.11. Многоканальный дешифратор

Сигнал с выхода приемника любого типа подается на вход дешифратора. Приведенный на рисунке вариант рассчитан на работу с отрицательными входными импульсами. Компаратор, собранный на верхней части микросхемы, обеспечивает формирование на своем выходе (вывод 1 DA1) положительных импульсов, длительность которых определяется длительностью принятых командных импульсов, а амплитуда практически равна напряжению питания схемы. Этот сигнал подается на счетный вход (вывод 14) канального распределителя, реализованного на микросхеме DD1.

Через диод VD1 первый же из этих импульсов заряжает конденсатор С3 до амплитудного значения. В результате на выводе 7 DA1 устанавливается нулевой потенциал. В паузах между импульсами конденсатор С3 разряжается через резистор R8.

Постоянная времени выбрана такой, что напряжение на конденсаторе не успевает уменьшиться до опорного напряжения, установленного на прямом входе компаратора (вывод 5) за время даже самого длинного командного импульса. За время же синхропаузы конденсатор успевает разрядиться, на выводе 7 компаратора появляется положительный скачок напряжения, который через дифференцирующую цепь C4R10 подается на вход обнуления счетчика (вывод 15), подготавливая его к следующему циклу работы.

Для обеспечения работы дешифратора с положительными входными импульсами, элементы C1, R1, R2 необходимо подключить к выводу 3 микросхемы DAI, a R3, R4, С2 — к выводу 2. Величину резистора R3 при этом нужно уменьшить до 91 кОм.

Детали и конструкция

Печатная плата дешифратора изображена на рис. 6.12. Конденсатор С3, определяющий постоянную времени в схеме выделения синхропаузы, должен быть пленочным. К остальным деталям никаких особых требований не предъявляется.

Рис. 6.12. Печатная плата

Настройка

Настройка дешифратора сводится к установке порога срабатывания компаратора с помощью потенциометра R4. Осциллограф подключается к выводу 1 DA1, а вход дешифратора — к выходу работающего приемника. Вращением оси потенциометра необходимо добиться появления на экране осциллографа хаотичных прямоугольных импульсов, что будет свидетельствовать о срабатывании компаратора от выходных шумов приемника.

Далее, уводя движок потенциометра вверх по схеме, необходимо «загрубить» чувствительность до пропадания этих импульсов. Напряжение на выходе компаратора при этом должно установиться практически равным нулю. При поступлении на вход приемника сигналов передатчика, на выходе компаратора появляются прямоугольные граничные импульсы.

Распределитель импульсов на микросхеме DD1 в настройке не нуждается.

Более 800 000 книг и аудиокниг! 📚

Получи 2 месяца Литрес Подписки в подарок и наслаждайся неограниченным чтением

ПОЛУЧИТЬ ПОДАРОК