Глава 2 ФОРМИРОВАТЕЛИ КОМАНД

Глава посвящена шифраторам — устройствам формирования команд. Основное внимание уделено схемотехнике шифраторов (систем дискретного и пропорционального управления). Каждая схема сопровождается описанием, инструкцией по сборке, настройке и рисунком печатной платы.

2.1. Предварительные замечания

Шифраторы для аппаратуры с частотным кодированием изначально строились на базе генераторов гармонических колебаний [2]. В предыдущей главе отмечалось, что кодовые частоты должны иметь небольшие значения, а это требует применения в колебательных контурах катушек индуктивности значительной величины. В описываемом в [2] генераторе по схеме Колпитца, например для самого низкочастотного канала требуется индуктивность в 0,44 Гн.

Конструктивно ее можно реализовать либо на броневом, либо на кольцевом сердечнике из феррита. Катушка при этом должна содержать 450–500 витков; чтобы их можно было разместить на сердечнике, внешний диаметр кольца должен иметь минимум 16–20 мм. Даже четырехканальный шифратор будет иметь уже значительные размеры.

Кроме того, за счет разброса параметров сердечников невозможно точно реализовать расчетную индуктивность и приходится подбирать число витков для каждой катушки индивидуально, что весьма неудобно при изготовлении. С учетом этих особенностей оказалось более целесообразным выполнять генераторы колебаний прямоугольной формы (меандр) с последующим (при необходимости) сглаживанием фронтов импульсов для сужения ширины спектра. Частотозадающими элементами таких генераторов являются RC-цепи, что существенно снижает их габариты и упрощает подстройку частоты.

Таким образом, все формирователи или шифраторы, как их еще называют, по каким бы схемам они не строились, призваны формировать прямоугольные импульсы, длительность или расстояние между которыми изменяются в процессе управления.

В основе работы большинства устройств, генерирующих прямоугольные импульсы, лежат процессы заряда или разряда конденсатора через некоторое сопротивление. Познакомимся с этими процессами подробнее.

Известно, что если конденсатор емкостью С подключить к источнику напряжением U через резистор сопротивлением R в некоторый момент t0, то напряжение на конденсаторе будет нарастать во времени u(t) по экспоненциальному закону u(t) = U(1 — е-t/τ). График этой зависимости для τ = τ1 изображен на рис. 2.1 (кривая 1).

Рис. 2.1. Кривые заряда конденсатора

Скорость нарастания экспоненты будет определяться так называемой постоянной времени цепи заряда τ = RC (в секундах). Считается, что конденсатор практически полностью зарядится до напряжения питания через время, равное 3τ.

Схемы генераторов импульсов строятся таким образом, что в момент t0 с помощью электронного ключа к конденсатору подключается зарядная цепь. Этот момент соответствует началу формирования импульса. Полезно отметить, что ток заряда конденсатора в первый момент времени t0 максимален и равен величине U/R, так как разряженный конденсатор для скачка тока не представляет никакого сопротивления (его можно считать короткозамкнутым). По мере заряда ток убывает по экспоненциальному закону. Нарастающее на конденсаторе напряжение сравнивают с некоторым пороговым напряжением Uпop. В момент их равенства специальная схема обрывает формируемый импульс.

Таким образом, длительность полученного импульса (рис. 2.1) будет определяться как уровнем порогового напряжения, так и наклоном экспоненты, зависящим от постоянной времени τ. В целях иллюстрации последнего утверждения кривая 3 построена для τ3 = 3τ1. Отметим, что длительность импульса определятся еще и напряжением, от которого заряжается конденсатор.

Кривые 1 и 2 соответствуют одной и той же τ1, но построены для разных напряжений источника. Длительностью вырабатываемых импульсов можно управлять, изменяя следующие параметры:

♦ напряжение, от которого заряжается конденсатор (U);

♦ уровень порогового напряжения (Unop);

♦ постоянную времени цепи заряда τ = RC.

В последнем случае несложно реализовать плавное изменение τ с помощью переменного резистора, что и делается в большинстве конструкций.

Подобно заряду, разряд конденсатора происходит также по экспоненте, только теперь она убывает: u(t) = Uе-(t/τ).

Генераторы импульсов могут строиться как на использовании фазы заряда, так и фазы разряда конденсатора.

При любом способе управления длительностью (для обеспечения пропорциональности между варьируемым параметром и длительностью получаемых импульсов) необходимо использовать как можно более линейный участок кривой, т. е. самое начало экспоненты. Так как обычно имеются серьезные аргументы в пользу выбора значительной величины напряжения порога, необходимо использовать либо цепи с большими постоянными времени, либо увеличивать напряжения, питающие зарядно-разрядные цепи.

Последнее достигается применением на стадии формирования импульса режима перезаряда конденсатора. В самом деле, если конденсатор предварительно зарядить до напряжения U (рис. 2.2, а), а затем, поменяв местами его выводы, подключить к этому же источнику, то перезаряд будет происходить под действием удвоенного напряжения (рис. 2.2, б, кривая 2). Изложенные соображения полезно помнить при рассмотрении принципов действия конкретных формирователей, описанных ниже.

Рис. 2.2. Перезаряд конденсатора: а — заряд, б — перезаряд

И, в заключение, еще об одной функции конденсатора: обладая даже незначительной емкостью, он способен практически без изменения передавать через себя скачки напряжения. Механизм этого явления поясняется рис. 2.3.

Рис. 2.3. Передача конденсатором скачков напряжения

Если к входу изображенной цепи достаточно долго приложено напряжение U0, то за счет зарядного тока I конденсатор, через время, равное 3τ, зарядится до этого напряжения.

Протекание тока через конденсатор и резистор прекратится, и выходное напряжение будет равно нулю. Если теперь входное напряжение скачком увеличится (уменьшится) на величину ΔU (момент I,), то возникнет ток, заряжающий конденсатор до нового значения U0 + ΔU. В первый момент этот ток максимален и, протекая через резистор R, создаст на выходе точно такой же скачок напряжения ΔU (рис. 2.3).

По мере заряда конденсатора ток будет уменьшаться по экспоненциальному закону, по такому же закону уменьшится и выходное напряжение. Процесс закончится, когда конденсатор зарядится до нового значения. Выходное напряжение опять станет равным нулю.

Если в момент t2 входное напряжение вернется к исходному значению, то конденсатор С также будет разряжаться до этого значения. Разрядный ток в первый момент будет максимальным и потечет от положительной обкладки конденсатора через внутреннее сопротивление источника входного сигнала (на рисунке не показано) и через резистор R — снизу вверх на правую обкладку конденсатора. Протекая через резистор R, ток создаст на нем падение напряжения точно такой же формы, что и в момент t1, но противоположного знака. Рассмотренную цепь часто называют дифференцирующей, если длительность выходных всплесков напряжения существенно меньше длительности входного импульса.

2.2. Шифраторы для аппаратуры дискретного управления

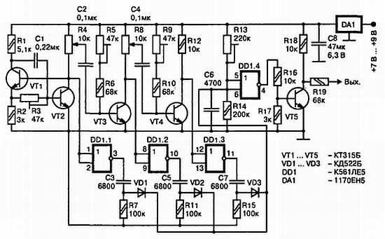
2.2.1. Четырехканальный шифратор с частотным кодированием на транзисторах

Принципиальная схема

На рис. 2.4 приведен классический вариант автоколебательного мультивибратора на транзисторах. С принципом действия такого устройства можно познакомиться в разделе 2.3.2. В силу симметрии плеч мультивибратора, последний вырабатывает практически прямоугольные колебания (меандр), частота следования которых определяется переключаемыми резисторами R3—R6 и емкостями конденсаторов С2, С3.

Рис. 2.4. Принципиальная схема шифратора

Для повышения стабильности вырабатываемых частот напряжение питания мультивибратора стабилизировано микросхемой DA1. При указанных на схеме номиналах канальных резисторов обеспечивается генерация частот 0,9; 1,32; 1,61 и 2,4 кГц.

Транзистор VT3 представляет собой электронный ключ, через который в коллекторную цепь включается нагрузка, например задающий генератор передатчика. Амплитуда выходных импульсов +5 В, отдаваемый ток — до 200 мА в импульсе, что необходимо учитывать при «стыковке» шифратора с передатчиками команд.

Детали и конструкция

Транзисторы VT1, VT2 могут быть заменены любыми маломощными обратной проводимости, a VT3 — прямой.

Стабилизатор напряжения заменяется на полный импортный аналог 78L05 или отечественные КР1157ЕН501А(Б), КР1157ЕН5А. Необходимо только учесть, что цоколевка, а в последнем случае и корпус стабилизаторов, отличаются от примененных в схеме.

Частотозадающие конденсаторы С2, С3 лучше взять пленочные, например типа К73-17. Если применяются керамические, то обязательно с низким ТКЕ (температурным коэффициентом емкости), в противном случае возможны непозволительные «уходы» канальных частот.

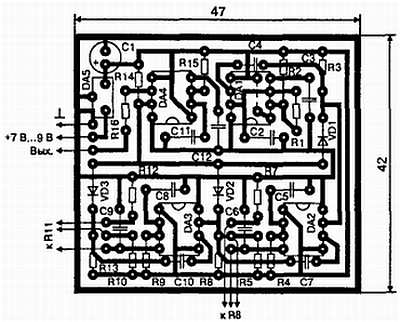
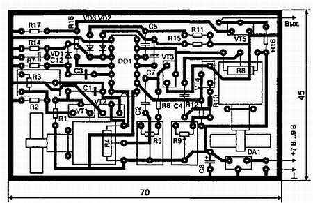
Возможный вариант печатной платы приведен на рис. 2.5. Показан вид со стороны печатных проводников.

Рис. 2.5. Рисунок печатной платы

Настройка

Для точной установки частот, вместо соответствующего канального резистора, целесообразно временно включить подстроечный: подобрав частоту, измерить тестером значение его сопротивления и установить постоянный резистор соответствующего номинала. Еще лучше подстроечные резисторы установить прямо на печатную плату, что лишь немного увеличит ее размеры.

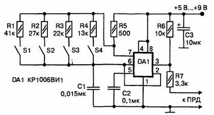
2.2.2. Четырехканальный шифратор с частотным кодированием на таймере КР1006ВИ1

Принципиальная схема

Универсальность микросхемы таймера позволяет построить на ее базе автоколебательный мультивибратор. Принципиальная схема такого устройства приведена на рис. 2.6.

Рис. 2.6. Принципиальная схема шифратора на КР1006ВИ1

Известно, что длительность положительных импульсов на выводе 3 микросхемы определяется, например при замкнутом S1, выражением τи = 0,685(R1 + R5)C1.

Длительность паузы между ними — формулой

τп = 0.685R1C1.

Если обеспечить условие R5 << R1, то вырабатываемую последовательность можно считать меандром с периодом повторения

Тп τиτп = 0,685(R5 + 2R1)C.

Очевидно, что частоту колебаний можно менять переключением резисторов R1—R4. На схеме указаны номиналы, обеспечивающие генерацию частот 0,9; 1,32; 1,61 и 2,4 кГц. Точную настройку частоты производят так же, как и в предыдущей схеме.

Конденсатор С1 должен быть пленочным или металлобумажным.

Амплитуда выходных импульсов практически равна напряжению питания. Нагрузку необходимо выбирать так, чтобы выходной ток не превышал 10 мА.

Детали и конструкция

Микросхему можно заменить импортным аналогом — таймером 555 с любым буквенным префиксом (например NE555), несущем информацию лишь о фирме-производителе.

Печатная плата изображена на рис. 2.7 и никаких особенностей не имеет. Контакты 1–5 предназначены для подключения кнопок управления S1—S4.

Рис. 2.7. Печатная плата

2.2.3. Четырехканальный шифратор с частотным кодированием на микросхеме CD4047

Принципиальная схема

Несложен и шифратор, выполненный на микросхеме CD4047 (отечественный аналог отсутствует). Здесь требуется минимум навесных элементов (рис. 2.8). Микросхема содержит автоколебательный мультивибратор, частота работы которого определяется постоянной времени цепи RC, подключаемой к выводам 1–3.

Рис. 2.8. Принципиальная схема шифратора на CD4047

Генерируемая последовательность может не иметь скважность [отношение периода следования (повторения) электрических импульсов к их длительности], равную двум, поэтому внутри микросхемы имеется делитель на два, реализованный на синхронном триггере, что обеспечивает на выводе 10 практически идеальный меандр.

Период следования выходных импульсов, с учетом внутреннего делителя и разброса параметров микросхем, определяется выражением Тп = (2,2–2,31). Напряжение питания может лежать в пределах 3—15 В, период повторения при этом изменяется не более, чем на 2 %.

Детали и конструкция

Номиналы резисторов указаны для частот 0,9; 1,32; 1,61 и 2,4 кГц. Конденсатор С3 обязательно пленочный или металлобумажный. Точная подгонка осуществляется аналогично описанной в предыдущих вариантах шифраторов. Амплитуда выходных импульсов равна напряжению питания, выходной ток не должен превышать 10 мА. Печатная плата шифратора приведена на рис. 2.9. К контактам 1–8 подключаются кнопки управления S1—S4. При желании количество команд во всех приведенных шифраторах можно увеличить до десяти, дополнив их соответствующими резисторами и кнопками.

Рис. 2.9. Печатная плата

2.2.4. Импульсный шифратор на счетчике К561ИЕ8

Принципиальная схема

Ранее (раздел 1.2.1) отмечалось, что в импульсных шифраторах информация о номере команды заключена в количестве передаваемых импульсов. В радиолюбительской литературе встречаются различные варианты схемной реализации таких шифраторов. Ниже приводится наиболее компактный вариант, позаимствованный из [3]. Принципиальная схема устройства приведена на рис. 2.10.

Рис. 2.10. Принципиальная схема импульсного шифратора

Логика работы шифратора предполагает его совместное использование с вариантом дешифратора, описанным в разделе 6.1.2.

Девятиканальная аппаратура позволяет включать и выключать исполнительные устройства модели в любой последовательности, а также включать некоторые команды на длительное время с возможностью оперирования в это время другими командами. В шифраторе предусмотрена кнопка оперативного сброса дешифратора приемника и выключения ложной команды, если произошло срабатывание дешифратора по случайной помехе.

Передатчиком команд управляет ключевой транзистор VT1, в базу которого подаются импульсы с выхода тактового генератора, собранного на элементах DD1.2 и DD1.3. Генератор вырабатывает импульсы только при наличии на выводе 2 DD1.2 логической единицы.

Схема работает следующим образом. При включении напряжения питания выключателем SA1 короткий положительный импульс с выхода дифференцирующей цепочки C4R3 поступает на вход сброса «R» счетчика DD2, обнуляя его. На выходе «О» счетчика устанавливается уровень логической единицы, на остальных выходах — логические нули (рис. 2.11, г — ж, интервал времени 0—t1 на графиках).

Если ни одна из кнопок не нажата, то этот единичный уровень (через нормальнозамкнутые контакты всех кнопок) поступает на вход инвертора DD1.1. На выходе (вывод 11) последнего устанавливается логический нуль, запрещающий работу тактового генератора (рис. 2.11, а). Электронный ключ VT1 разомкнут, команды не передаются.

При нажатии любой кнопки, например SB3, на вход инвертора DD1.1 подается уровень логического нуля с выхода 3 DD2. На выходе инвертора устанавливается единичный уровень, разрешая работу тактового генератора (момент t, на рис. 2.11, а). Положительные импульсы с его выхода начинают поступать на базу электронного ключа, приводя в действие передатчик команд (рис. 2.11, б). Через инвертор DD1.4 импульсы поступают и на вход счетчика (рис. 2.11, в). Счет ведется по положительным перепадам этих импульсов, поэтому положительный перепад на выходе 3 DD2 появляется по окончании формирования третьего импульса (рис. 2.11, ж).

Кнопка SB3 должна удерживаться в нажатом положении до выполнения команды моделью (момент t3 на рис. 2.11). Поэтому в момент t2 положительный перепад с выходе 3 DD2, проинвертированный элементом DD1.1, запретит работу тактового генератора. Формирование кодовой посылки из трех импульсов закончится. К моменту отпускания кнопки t3 на выходе 0 счетчика присутствует логический нуль (рис. 2.11, г). Следовательно, в этот момент на выводе 2 DD1.2 появится логическая единица, снова разрешив генерацию. Продолжится счет импульсов на выходах DD2 до 10, после чего появившаяся на выходе 0 DD2 логическая единица оборвет генерацию окончательно.

Рис. 2.11. Графики, поясняющие работу шифратора

Количество генерируемых импульсов после отпускания командной кнопки всегда будет дополнять количество командных импульсов до 10. Это необходимо для сброса переданной команды (обнуления аналогичного счетчика) в дешифраторе модели. Начиная с момента t4 шифратор готов к передаче очередной команды. Период следования импульсов тактового генератора примерно равен 40 мс.

Следовательно, время передачи самой длинной команды из девяти импульсов не будет превышать 0,4 с. В дешифраторе предусмотрена выдержка в 0,5 с, препятствующая прохождению информации с выхода дешифратора в процессе работы счетчика. По истечении этого времени работа счетчика будет гарантированно закончена, и не возникнет неоднозначности в приеме команды.

Кнопка S10 предназначена для общего сброса всех команд и установки счетчика дешифратора в исходное состояние. Для правильного восприятия импульса сброса его длительность должна превышать 0,6 с.

Детали и конструкция

Микросхемы DD1 и DD2 можно заменить импортными аналогами CD4011 и CD4017 соответственно. Транзистор VT1 — любой маломощный обратной проводимости. Времязадающий конденсатор С2 должен быть пленочным, остальные — любых типов.

Печатная плата шифратора приведена на рис. 2.12 и никаких особенностей не имеет.

Рис. 2.12. Печатная плата импульсного шифратора

Настройка

Настройка заключается в установке периода следования импульсов задающего генератора. Для этой цели вход элемента DD1.1 временно отключают от кнопки SB9 и соединяют с корпусом. Генератор в этом случае работает в непрерывном режиме. Подключив осциллограф к выводу 4 DD1.3, подбором сопротивления R1 устанавливают период равным 40 мс.

При желании можно существенно увеличить темп передачи команд, уменьшив пропорционально величину постоянной времени R1C2. Такое изменение обязательно нужно будет учесть при настройке параметров дешифратора.

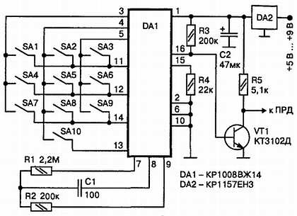
2.2.5. Импульсный шифратор на микросхеме КР1008ВЖ14

Принципиальная схема

Если не нужна высокая оперативность передачи команд, десятиканальный шифратор можно реализовать на специализированной микросхеме телефонного номеронабирателя. Выпускается достаточно широкий ассортимент как отечественных, так и импортных микросхем для телефонных аппаратов. Отличительной особенностью таких микросхем является низкое напряжение питания и малый ток потребления. Для используемого экземпляра это 1,5–4,5 В и 150 мкА соответственно.

Принципиальная схема шифратора (рис. 2.13) практически полностью повторяет стандартную схему включения.

Рис. 2.13. Шифратор на КР1008ВЖ14

Обычно частота следования выходных импульсов микросхем не превышает 10 Гц. Изменением номиналов частотозадающих элементов R2, С1, по сравнению с рекомендуемыми, автору удалось повысить частоту лишь в три раза. Дальнейшее уменьшение постоянной времени приводит к завалу фронтов импульсов тактового генератора (вывод 9 DA1) и, как следствие, к уменьшению их амплитуды. Большая инерционность микросхемы, очевидно, является платой за малую мощность потребления.

На выходе электронного ключа VT1 при нажатии на какую либо из командных кнопок появляется соответствующее количество прямоугольных импульсов амплитудой 5 В.

Детали и конструкция

Микросхему DA1 можно поменять на КР1008ВЖ10,11 с любым цифровым индексом в конце обозначения с соответствующей корректировкой печатной платы. Подойдут на тех же условиях импортные аналоги WE9192B, KS5805A, KS5851 и т. п. Транзистор VT1 может быть любым маломощным структуры n-р-n. Стабилизатор напряжения DA2 на 3 В заменяется любым импортным аналогом, например 78L03. В качестве командных кнопок SA1—SA10 удобно использовать стандартную клавиатуру от телефонных аппаратов. В этом случае SA10 на клавиатуре соответствует кнопка «0».

Печатная плата выполнена из одностороннего стеклотекстолита. Ее топология приведена на рис. 2.14.

Рис. 2.14. Печатная плата

2.2.6. Кодово-импульсный шифратор

Принцип действия

Основное преимущество кодово-импульсной модуляции перед импульсной заключается в существенно большем числе передаваемых команд при том же количестве импульсов в кодовой посылке. Если в только что рассмотренном шифраторе десятью импульсами можно передать лишь десять разных команд, то при использовании десятипозиционного двоичного кода — 210 = 1024 команды.

Такой тип кодирования широко используется в различных системах охранной сигнализации, для которых выпускаются специализированные микросхемы кодеров и декодеров. Часто одна и та же микросхема выполняет обе эти функции и называется кодеком.

Как правило, в них заложена возможность генерации сотен тысяч кодов, но программирование конкретного варианта производится однократно, и оперативная перестройка не предусматривается. Это затрудняет их использование в качестве многоканальных шифраторов, да и такое количество кодов при дистанционном управлении не требуется.

Кроме того, пульты управления моделями не настолько миниатюрны, чтобы отказаться от построения шифраторов на более доступных универсальных цифровых микросхемах. Именно такой вариант исполнения шифратора и рассмотрен ниже.

Принципиальная схема

Принципиальная схема девятиканального шифратора приведена на рис. 2.15.

Рис. 2.15. Принципиальная схема импульсно-кодового шифратора

Логика функционирования и технические характеристики устройства предполагают его использование совместно с дешифратором, описанным в разделе 6.1.3.

Рассмотрим принцип действия шифратора. Заявленное количество каналов требует использования четырехразрядного двоичного кода. Принцип формирования модифицированной кодовой посылки проиллюстрирован ранее (рис. 1.2). Из рисунка видно, что вначале необходимо сформировать последовательность тактовых импульсов, расстояние между которыми будет определять интервал времени, отводимый на передачу одного разряда двоичного числа.

Эта задача решается с помощью тактового генератора, представляющего собой автоколебательный мультивибратор, реализованный на элементах DD3.2, DD3.3. Величина разрядного интервала τр определяется постоянной времени R10, С1 и выбрана равной 5 мс.

Как известно, мультивибратор на логических элементах вырабатывает последовательность прямоугольных импульсов, близкую по форме к меандру. Для формирования узких тактовых импульсов последовательность пропускается через укорачивающее устройство, реализованное на базе дифференцирующей цепи С2, R11 и элемента DD5.1.

Принцип укорачивания импульсов иллюстрирует рис. 2.16, на котором приведены результаты моделирования узла с помощью программы Micro-Cap 8.

Рис. 2.16. Эпюры напряжений в характерных точках тактового генератора:

a — импульсы на выходе мультивибратора (вывод 4 DD3.3); б — импульсы на выходе дифференцирующей цепи (вывод 1 DD5.1); в — выходные импульсы формирователя

Величина, обозначенная как Uср, представляет собой напряжение срабатывания логического элемента DD5.1 и для микросхем КМОП соответствует примерно половине напряжения питания (2,5 В). Постоянная времени дифференцирующей цепи выбрана так, чтобы длительность выходных импульсов (τв) была равна 0,5 мс.

Двоичное число, представляющее код команды, формируется на выходах А1—А4 шифратора DD1 при нажатии одной из командных кнопок SA1—SA9. Это число подается на входы параллельной записи D1—D4 регистра DD2. Запись числа в регистр производится при наличии высокого потенциала на переключающем входе «Р/S» микросхемы. При подаче на этот вход низкого потенциала производится последовательный вывод разрядов двоичного числа (через выход «Q3» регистра) по передним фронтам тактовых импульсов, подаваемых на вход «С» микросхемы. Для полного вывода числа, очевидно, требуется четыре тактовых импульса.

Управление переключением режимов параллельной записи и последовательного вывода производится с помощью служебных импульсов, вырабатываемых счетчиком DD4 из тактовой последовательности, подаваемой на его вход «С». Счетчик в течение четырех тактов обеспечивает на своем выходе 12 высокий потенциал, необходимый для режима записи, а в течение следующих четырех — низкий переключающий регистр в режим последовательного вывода.

Элементы DD3.1, DD5.2, DD5.3 и DD3.4 обеспечивают формирование модифицированной кодовой посылки в форме, изображенной на рис. 1.2, в. Читатели, желающие разобраться с процедурой формирования подробней, могут получить графики сигналов в характерных точках, моделируя работу шифратора в упомянутой выше программе.

Интегрирующая цепь R12-C6, совместно с элементом DD5.4 устраняет короткие всплески («иголки») в начале и конце формируемых импульсов, возникающие из-за неточного временного совпадения импульсов на входах логических элементов. При отсутствии такой цепи на приемной стороне возникали бы ошибки при дешифрации команд.

Детали и конструкция

Указанные на схеме цифровые элементы могут быть заменены импортными аналогами:

♦ КР1564ИВЗ — 74НС147;

♦ К561ИР9 — CD4035B;

♦ К561ИЕ9 — CD4022;

♦ К561ЛЕ5 — CD4001;

♦ К561ЛП2 — CD4030.

Конденсаторы С1 и С2 должны быть пленочными или металлобумажными, например К73-17.

Печатная плата устройства приведена на рис. 2.17.

Рис. 2.17. Печатная плата шифратора

Настройка

Настройка устройства заключается в установке периода следования импульсов на выводе 4 элемента DD3.3 равным 5 мс (контролируется на экране осциллографа). Для этого подбирается величина резистора R10. Далее щуп осциллографа переносят на вывод 3 DD5.1, и подбором величины резистора R11 устанавливают длительность тактовых импульсов равной 0,5 мс.

При исправных деталях и аккуратном монтаже на выходе шифратора должна наблюдаться картина, аналогичная изображенной на рис. 1.2, в. Двоичное число (младший разряд справа) соответствует номеру нажатой командной кнопки. Кодовая посылка будет повторяться с периодом 40 мс все время, пока будет нажата командная кнопка. Если ни одна из кнопок не нажата, при включенном питании шифратор все время вырабатывает кодовую комбинацию 0000.

2.2.7. Шифратор на специализированной микросхеме

Принципиальная схема

Фирма «Pericon Technology inc.» выпускает комплект микросхем РТ8А977В и РТ8А978В, представляющих собой пару «кодер — декодер» для дискретного дистанционного управления.

Комплект позволяет поочередно или параллельно передавать до пяти различных команд, чего вполне достаточно для управления большинством моделей. На рис. 2.18 приведена типовая схема включения кодера в качестве дискретного шифратора.

Рис. 2.18. Принципиальна» схема шифратора на РТ8А977ВР

Микросхема содержит тактовый генератор, частота которого определяется величиной резистора R1 (в рассматриваемой схеме равна 128 кГц). При отжатых кнопках схема находится в дежурном режиме и потребляет очень малый ток (около 5 мкА). При передаче команды (кнопки SB1—SB5) ток возрастает до 100 мкА, и на выходе «SО» формируется кодово-импульсная посылка, готовая для подачи на вход модулятора.

При использовании ИК-передатчика (передатчика, работающего в инфракрасном диапазоне) используется выход «SC», на котором кодовые импульсы заполняются поднесущей частотой, что необходимо для нормальной работы ИК-приемника. Частота заполнения равна половине тактовой. При желании ее можно довести до 30 кГц подбором резистора R1. На выходе «РС» на все время передачи команды появляется единичный уровень напряжения, что можно использовать для включения питания передатчика.

Детали и конструкция

Печатная плата достаточно проста и поэтому здесь не приводится.

2.3. Шифраторы для аппаратуры пропорционального управления

2.3.1. Простой шифратор на транзисторах

Принципиальная схема

В разделе 1.2.2 отмечались недостатки двухканального шифратора, выполненного на базе автоколебательного мультивибратора. Однако в целом ряде случаев (например для простейших моделей-игрушек) взаимной связью между каналами можно пренебречь. Если модель находится в поле зрения оператора, то несложно отработать поправку на эту связь в процессе управления. Положительным же качеством такого шифратора является его простота.

Принципиальная схема шифратора приведена на рис. 2.19.

Рис. 2.19. Принципиальная схема шифратора

Он реализован на транзисторах VT1,VT2 по схеме автоколебательного мультивибратора с коллекторно-базовыми связями.

Транзистор VT3 играет роль электронного ключа, с помощью которого можно управлять работой передатчика (ПРД). В открытом состоянии транзистора сопротивление между точкой 1 и корпусом не превышает 30–50 Ом.

Если используется передатчик с частотной модуляцией, то между точкой «1» и плюсом источника необходимо включить резистор сопротивлением 3–5 кОм. Импульсы с выхода VT3 в этом случае необходимо подавать на варикап задающего генератора ПРД. Транзистор VT3 помимо функции электронного ключа выполняет еще и роль развязывающего устройства, исключающего влияние подключаемого к его коллекторной цепи каскада на параметры вырабатываемых импульсов.

Детали и конструкция

Печатная плата шифратора выполняется из одностороннего стеклотекстолита и никаких особенностей не имеет. Ее чертеж со стороны печатных проводников приведен на рис. 2.20.

Рис. 2.20. Печатная плата шифратора

Потенциометры R2 и R6, механически связанные с ручками управления, располагаются за пределами платы и соединяются с ней шестью проводниками. Для обеспечения большого срока службы эти потенциометры желательно выбрать с высокой степенью износостойкости, например типа СП4-1, СПЗ-33-32 (25000 циклов) или еще лучше РП1-46д (100000 циклов).

Транзисторы подойдут КТ315 либо КТ3102 с любым буквенным индексом. Времязадающие конденсаторы С1 и С2 должны иметь низкий ТКЕ, лучше всего использовать пленочные типа К73-16 или аналогичные. Конденсатор С3 должен быть керамическим, например типа КМ6. В качестве DA1 можно использовать любой малогабаритный стабилизатор напряжения на 5–6 В.

Постоянные резисторы — любого типа.

Настройка

Настройка сводится к установке требуемых исходных длительностей положительных и отрицательных импульсов на коллекторе транзистора VT2 и пределов их изменения при отклонении ручек управления. Без осциллографа здесь не обойтись. Его щуп подключается к коллектору транзистора VT2. Выше отмечалось, что длительности импульсов определяются как величиной базовых резисторов R3, R4, так и текущими напряжениями на движках потенциометров. Существенной является еще и емкость конденсаторов С1 и С2, однако их номиналы процессе настройки менять нецелесообразно.

Можно начать с длительности положительных импульсов. Для ее регулировки вместо резистора R4 с помощью коротких проводников временно подпаиваются последовательно соединенные потенциометр и постоянный резистор номиналами 100 кОм и 82 кОм, соответственно. Вместо R1 — потенциометр на 6,8—10 кОм.

Движок потенциометра R2 устанавливается в нижнее (по схеме) положение. Рекомендуется затем повернуть его обратно на 5—72°, так как в крайних положениях контакт ползунка с токоведущим слоем не всегда надежен. Закрепить на оси потенциометра ручку управления таким образом, чтобы ее положение соответствовало максимальному рабочему углу отклонения.

Вращением вспомогательного потенциометра (100 кОм) установить длительность положительного импульса равной 2 мс.

Ручку управления перевести в другое крайнее положение (обычно полный угол поворота выбирается 60–90°), длительность импульса должна уменьшиться.

С помощью потенциометра, замещающего резистор R1, установить длительность импульса равной 1 мс. Вернуть ручку управления в первоначальное положение. Если длительность импульса стала существенно отличаться от 2 мс, скорректировать ее потенциометром базовой цепи. Установить заново ручку управления в положение минимальной длительности и, при необходимости, подстроить ее до 1 мс эквивалентом R1.

Необходимо добиться изменения длительности импульса в пределах 1–2 мс, неоднократно проделав вышеописанные манипуляции. Далее тестером измеряются текущие значения сопротивлений вспомогательных потенциометров, и на их место припаиваются ближайшие по номиналу постоянные резисторы. Следует убедиться, что в среднем положении ручки управления длительность импульса соответствует исходному значению —1,5 мс.

Аналогично устанавливаются границы изменения длительности отрицательного импульса, с той лишь разницей, что используются резисторы R3, R5 и потенциометр R6.

Временно включив между выходом шифратора (коллектор VT3) и плюсом источника питания резистор номиналом 1–3 кОм, необходимо убедиться (с помощью осциллографа) в наличии на выходе проинвертированных импульсов амплитудой, примерно равной напряжению источника питания. Отсутствовать они могут только при неисправности транзистора VT3 или ошибках, допущенных во время монтажа.

В заключение можно отметить, что ток, потребляемый шифратором от стабилизатора напряжения, не превышает 3,5 мА.

2.3.2. Двухканальный формирователь на таймере КР1006ВИ1

Принцип действия

При рассмотрении общих принципов пропорционального управления отмечалось, что в простейших устройствах на базе мультивибраторов взаимное влияние каналов весьма существенно. Было показано, что введение асимметрии между канальными импульсами улучшает ситуацию. Можно, кроме того, оставлять исходные длительности одинаковыми, но увеличивать их абсолютные значения. При этом будет расти период повторения (безболезненно его можно увеличивать до 20 мс) и уменьшаться относительное влияние каналов. Имеется в виду, что максимальное значение Δτ в каждом канале остается при этом неизменным и равным 0,5 мс.

Увеличение периода повторения, помимо положительного эффекта, все же усложняет задачу построения канальных удлинителей импульсов в приемной части аппаратуры. В предлагаемой конструкции применен компромиссный вариант с увеличением периода повторения до 10 мс за счет использования асимметричных канальных импульсов (рис. 2.21) с параметрами:

τ= 1,5 мс;

τ = 8,5 мс;

Тпо = 10 мс;

Δτ = ±0,5 мс.

Формирователь построен на базе таймера КР1006ВИ1 по схеме автоколебательного мультивибратора с раздельной регулировкой длительностей положительного и отрицательного импульсов.

Рис. 2.21. Асиметричные канальные импульсы

Принципиальная схема

Принципиальная схема формирователя приведена на рис. 2.22.

Рис. 2.22. Принципиальная схема формирователя

Длительность положительных импульсов определяется постоянной времени заряда конденсатора С1 через диод VD1 и регулируется в пределах τ1 = 1–2 мс переменным резистором R2, связанным механически с ручкой управления моделью. По окончании стадии формирования импульса конденсатор разряжается через открывающийся ключевой транзистор микросхемы, коллектор которого соединен с выводом 7.

Длительность отрицательного импульса, формируемого при этом на выходе микросхемы (вывод 3), устанавливается в пределах 8–9 мс переменным резистором R4, также связанным с ручкой управления. Резисторы R1, R3 служат для подгонки границ диапазонов изменения длительностей командных импульсов.

Вывод 5 микросхемы является входом электронной регулировки длительностей импульсов, в данной схеме не используется и зашунтирован конденсатором С2 для исключения «дребезга» фронтов вырабатываемых импульсов. Микросхема питается через стабилизатор напряжения DA2 для устранения влияния разряда батареи на параметры вырабатываемых команд.

Командные импульсы (рис. 2.21) через развязывающий резистор R7 подаются в канал связи с управляемым объектом, их амплитуда (на выводе 3) практически равна напряжению источника питания. При необходимости импульсы можно сделать одинаковыми, уменьшив величину R3 до 1 кОм и превратив, тем самым, мультивибратор в симметричный.

Детали и конструкция

Печатная плата формирователя изображена на рис. 223.

Рис. 2.23. Фрагмент печатной платы передатчика

При практической реализации какого-либо варианта аппаратуры в целом, плату формирователя целесообразно выполнить фрагментом общей печатной платы передатчика. Переменные резисторы R2, R4 закрепляются на плате в горизонтальном положении с помощью хомутиков, охватывающих втулки, через которые выходят оси потенциометров, и проводников, соединяющих выводы резисторов с соответствующими отверстиями на плате.

Овальные отверстия в плате предназначены для вывода рычагов управления, закрепляемых на осях потенциометров.

Габаритные размеры рассчитаны на установку потенциометров типа СП4-1, имеющих высокую износостойкость (25000 циклов). Возможно применение и других типов с соответствующей коррекцией размеров печатной платы, важно лишь, чтобы потенциометры были группы А, обеспечивающей линейную зависимость величины сопротивления от угла поворота.

Внимание! Речь идет о потенциометрах отечественного производства: у импортных аналогичная характеристика обозначается литерой В. Более того, нередко встречаются китайские изделия, у которых реальная зависимость не соответствует заявленной!

Времязадающий конденсатор С1 должен быть обязательно пленочным, например К73-17. Диоды VD1, VD2 — типа КД521Б или аналогичные. Микросхема DA1 — типа КР1006ВИ1, может быть заменена импортным аналогом — таймером 555 производства любой фирмы (например LM555).

Настройка

Настройка заключается в установке исходных значений длительностей командных импульсов и диапазонов их изменения.

После проверки правильности монтажа необходимо подать питание на устройство и проверить наличие +5 В на выходе стабилизатора DA2. Затем подключают осциллограф к выходу формирователя (правый по схеме вывод резистора R7). Регулировками осциллографа добиваются на экране изображения одного-двух периодов командных импульсов (рис. 2.21).

Поворотом оси потенциометра R2 необходимо установить длительность τ = 1.5 мс. Закрепить рычаг управления на оси потенциометра в вертикальном положении. Отклоняя его на ±30°, убедиться, что длительность меняется на ±0,5 мс. Если диапазон изменения меньше указанного, следует немного уменьшить номинал резистора R1, и потенциометром R2 вновь установить исходные 1,5 мс. Рычаг управления на оси закрепить в новом положении, соответствующем исходной длительности. Вновь проверить диапазон изменения и т. д.

Аналогично устанавливаются параметры второго командного импульса, с тем лишь отличием, что исходная длительность должна быть равна τ = 8,5 мс (по-прежнему Δτ = ±0,5 мс).

Точную настройку крайних значений длительностей командных импульсов можно осуществить подбором размеров отверстий в плате, через которые проходят ручки управления, т. е. изменением диапазона отклонения рычагов управления.

2.3.3. Двухканальный шифратор на микросхеме К564АГ1

Принципиальная схема

Шифратор, полностью аналогичный предыдущему по характеристикам, можно собрать на микросхеме К561АГ1, содержащей в себе два ждущих мультивибратора с входами перезапуска [4]. Последнее обстоятельство позволяет реализовать автоколебательный мультивибратор с раздельной регулировкой длительностей положительных и отрицательных импульсов.

Принципиальная схема шифратора в этом случае будет иметь вид, приведенный на рис. 2.24. Схема отличается от предыдущей меньшим количеством деталей.

Рис. 2.24. Принципиальная схема шифратора на К564АГ1

Длительность положительных импульсов на выводе 10 микросхемы определяется выражением

τ+ ~= 0,5(R1 + R2)·C1.

Длительность отрицательных — параметрами аналогичной цепочки (R3 + R4, С2. Поскольку для каждого импульса необходимо обеспечить одновременно и требуемую исходную длительность (τ+ = 1,5 мс; τ- = 8,5 мс), и заданную величину ее изменения Δτ = ±0,5 мс, для удобства настройки в каждом плече мультивибратора использовано по два потенциометра.

Стабилизатор напряжения DA1 призван исключить изменение параметров вырабатываемых импульсов при разряде батареи.

Впрочем, даже исключение DA1 из схемы приведет к отклонению параметров не более чем на 2 %. Если управляемым элементом передатчика команд служит варикап (при ЧМ-модуляции), то ключевой каскад на транзисторе VT1 можно исключить, используя импульсы непосредственно с вывода 10 микросхемы.

Амплитуда импульсов при этом равна напряжению на выходе стабилизатора. Подавать модулирующие импульсы на варикап следует через развязывающий резистор величиной 100–150 кОм. При желании, мультивибратор можно сделать симметричным, установив в обоих плечах одинаковые потенциометры.

Детали и конструкция

Печатная плата, как и в предыдущем случае, может быть общей с передатчиком. Для автономного варианта исполнения шифратора ее внешний вид изображен на рис. 2.25. Перемычка П1 устанавливается со стороны расположения деталей перед впаиванием микросхемы DD1.

Рис. 2.25. Печатная плата

Транзистор

VT1 может быть любого типа n-р-n проводимости. Электролитический конденсатор С3 — рабочим напряжением не менее 6 В.

Подстроечные резисторы R1, R3 можно использовать типа СПЗ-38б или РП1-63М6. Стабилизатор напряжения DA1 может быть любым из серии малогабаритных на выходное напряжение 5 В. Времязадающие конденсаторы С1 и С2, от стабильности которых зависит стабильность длительности вырабатываемых импульсов, лучше всего применить пленочные, типа К.73–17. Можно использовать и бумажные (МБМ), но придется несколько увеличить расстояния между отверстиями на плате для их установки.

Настройка

Настройка шифратора полностью аналогична предыдущему варианту. Потенциометры R1, R3 после настройки можно заменить постоянными резисторами.

2.3.4. Шифратор на транзисторах со стабилизацией периода повторения

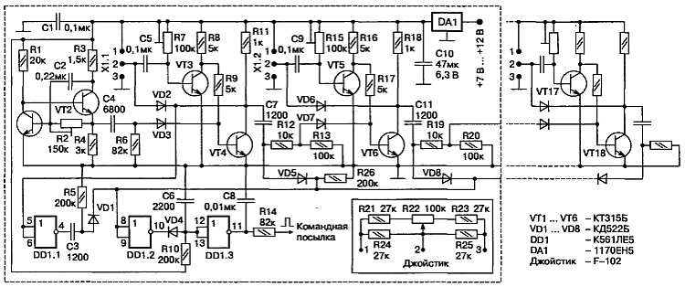
Принципиальная схема

Ранее отмечалось, что исключить взаимное влияние каналов можно лишь стабилизировав период повторения канальных импульсов. В таких схемах командные импульсы формируются ждущими мультивибраторами, а их запуск осуществляется импульсами тактового генератора, который и определяет период повторения.

На рис. 2.26 приведена схема, в которой реализованы упомянутые моменты. Пунктиром обведена часть схемы, обеспечивающая двухканальное управление.

Рис. 2.26. Принципиальная схема шифратора

Период повторения командной посылки Тп выбран равным 10 мс, длительности канальных импульсов в нейтральном положении ручек управления τ0 = 1,5 мс, диапазон изменения канальных импульсов Δτ = ± 0,5 мс.

Выходные импульсы имеют положительную полярность и амплитуду U = 5 В. При необходимости количество каналов можно увеличивать вплоть до восьми, подключая дополнительные секции к правой части схемы. Период повторения при этом необходимо увеличить до 20 мс.

Принцип действия

Рассмотрим работу составных частей схемы. На транзисторах VT1, VT2 и элементах, их окружающих, собран тактовый генератор. Он формирует короткие положительные импульсы, следующие с требуемым периодом повторения Тп. Импульсы снимаются с катода диода VD3 и поступают на запуск ждущего мультивибратора первого канального импульса.

Тактовый генератор работает следующим образом. При подаче питающего напряжения начинает заряжаться конденсатор С2 (от положительной клеммы источника питания, через резистор R3 и участок «база-эмиттер» транзистора VT1 на корпус). Ток заряда в первый момент максимален и создает на базе транзистора напряжение около 1 В.

На рис. 2.27, а хорошо видно, что этого напряжения достаточно для поддержания транзистора в открытом состоянии, так как оно превышает Uбо (напряжение отпирания транзистора). Величина зарядного тока в первый момент равна Uпит/(R3 + сопротивление участка «база-эмиттер») и достаточна для перевода транзистора в режим насыщения. Напряжение на его коллекторе, как следствие, практически равно нулю (рис. 2.27, в).

К коллектору подключена база транзистора VT2, который в результате надежно заперт. Ток через него не течет, и поэтому напряжение на резисторе R4, оно же Uэ2, практически равно нулю (рис. 2.27, г).

Напряжение на конденсаторе С2 нарастает по экспоненте (рис. 2.27, а), так как постоянная времени заряда τ~= R3C2 невелика. Ток заряда, наоборот, уменьшается, вызывая уменьшение напряжения на базе транзистора VT1 (рис. 2.27, б). В момент времени t1 это напряжение достигает напряжения запирания Uбо, и начинается лавинообразный процесс «опрокидывания» схемы.

Рис. 2.27. Эпюры в характерных точках тактового генератора

Обратим внимание на то, что конденсатор С2 к этому моменту зарядился до напряжения, близкого к напряжению источника питания (в рассматриваемом примере это примерно 4,2 В, как видно из рис. 2.27, а) таким образом, что на его правой обкладке образовался положительный потенциал. Как только VT1 начинает запираться, напряжение на его коллекторе, а значит и на базе VT2, начинает расти (рис. 2.27, в), приводя к отпиранию транзистора VT2 и, как следствие, к уменьшению напряжения на его коллекторе.

Это скачкообразное уменьшение передается через конденсатор С2 на базу транзистора VT1, еще сильнее снижая напряжение на ней, что вызывает еще больший рост напряжения на его коллекторе и т. д. Процесс сам себя «подталкивает», т. е. развивается лавинообразно. Заканчивается он тем, что транзистор VT2 полностью открывается, a VT1 — закрывается. Сопротивлением участка «коллектор-эмиттер» открытого VT2 можно пренебречь.

Через транзистор протекает ток и создает на резисторе R4 напряжение порядка 3,3 В (рис. 2.27, г). Заметим, что его величина определяется соотношением сопротивлений резисторов R3 и R4. Можно считать, что правая обкладка конденсатора С2 через открытый VT2 подключена к верхнему выводу резистора R4. Отрицательно заряженная левая обкладка конденсатора подключена к базе VT1. Таким образом между базой VT1 и корпусом оказываются последовательно включенными два напряжения: отрицательное с конденсатора С2 (4,2 В) и положительное с резистора R4 (3,3 В).

Результирующее напряжение на базе VT1 в момент t1 очевидно будет отрицательным и имеет величину U1 = -4,2 + 3,3 = -0,9 В (см. рис. 2.27, б). Это напряжение надежно удерживает транзистор VT1 в запертом состоянии, а большое напряжение на его коллекторе — транзистор VT2 в открытом состоянии.

Конденсатор С2 начинает разряжаться через полностью открытый VT2 и резистор R2. Напряжение на нем уменьшается, как следствие, напряжение на базе VT1 растет (интервал t1 — t2 на рис. 2.26, а, б). Все это время через резистор R4 протекает ток, обеспечивая формирование на нем положительного импульса (рис. 2.27, г). Процесс прекратится, как только напряжение на базе VT1 достигнет величины Uбо (момент t2 на графиках).

Транзистор VT1 начнет открываться, что приведет к уменьшению напряжения на его коллекторе и на базе VT2. Последний начнет закрываться, скачок напряжения на его коллекторе через конденсатор С2 передастся на базу VT1, еще сильнее его открывая, и т. д. Произойдет лавинообразное опрокидывание схемы в исходное состояние, начнется заряд конденсатора С2, и все повториться сначала. Поскольку транзистор VT2 окажется запертым, станет равным нулю и напряжение на резисторе R4 (рис. 2.27, г).

Период повторения импульсов представляет собой сумму длительностей положительного и отрицательного выходных импульсов. На длительность отрицательной фазы влияет только постоянная времени цепи заряда конденсатора С2 и величина напряжения Uбо. Это напряжение для большинства маломощных транзисторов примерно одинаково и составляет величину 0,6–0,8 В для кремниевых транзисторов и 0,4–0,5 В для германиевых.

Отсюда возможности по управлению длительностью: изменением величины С2 либо R3. Необходимо иметь в виду, что увеличение R3 будет одновременно уменьшать амплитуду выходных импульсов, снимаемых с R4, так что здесь возможности невелики. Длительность будет зависеть и от напряжения питания каскада, что, скорее, можно отнести к недостатку схемы.

Длительность положительной фазы, как это видно из рис. 2.27, б, зависит величины U1, и от скорости разряда конденсатора С2 через резистор R2. U1, в свою очередь, можно изменять, меняя соотношение сопротивлений R3 и R4, что, очевидно, будет влиять и на амплитуду выходных импульсов. Последнее нежелательно. Удобнее изменять постоянную времени цепи разряда конденсатора с помощью R2, что и предусмотрено в схеме.

Импульсы с эмиттера VT2 подаются на дифференцирующую цепь С4—R6, на выходе которой формируются два коротких всплеска, соответствующих переднему и заднему фронтам положительного импульса (рис. 2.27, д). Отрицательные всплески срезаются диодом VD3, а положительные, расстояние между которыми равно периоду повторения, подаются на запуск ждущего мультивибратора первого канала. Ждущий мультивибратор собран на транзисторах VT3, VT4.

Полностью аналогичен ему мультивибратор второго канала, который будет запускаться задним фронтом первого канального импульса. В качестве манипулятора в устройте использован стандартный компьютерный джойстик типа F-102, в котором сделаны небольшие доработки. Джойстик содержит два потенциометра по 100 кОм.

К каждому из них припаиваются по четыре резистора (рис. 2.26) для обеспечения требуемого диапазона изменения длительностей импульсов при отклонении ручки джойстика в крайние положения. Отклонения ручки вперед — назад изменяют скорость и направление вращения тягового двигателя модели, а поперечные отклонения — соответственно угол поворота рулевого устройства.

Джойстик подключается к командоаппарату через штатный разъем, ответная часть которого распаяна на соединители X1.1 и X1.2. Естественно органы управления можно оформить любым другим, удобным для моделиста способом. Полезно при этом сохранить номиналы резисторов манипуляторов.

Запуск мультивибратора происходит положительными импульсами, подаваемыми на базу транзистора VT4. Исходное состояние схемы, предшествующее подаче синхроимпульса, таково (интервал 0—t1 на рис. 2.28). Транзистор VT3 открыт и насыщен за счет подачи на его базу положительного смещения от источника питания через подстроечный резистор R7. Напряжение это несколько превышает напряжение отпирания Uбо (рис. 2.28, б).

Потенциал коллектора при этом очень невелик (рис. 2.28, в). Часть этого потенциала передается на базу транзистора VT4 через резистор R9 и она существенно ниже напряжения отпирания (рис. 2.28, д). Как следствие, транзистор заперт, и напряжение на его коллекторе равно напряжению питания (рис. 2.28, е).

Правая обкладка конденсатора С5 имеет потенциал базы транзистора VT3, что составляет примерно 0,8 В. Левая обкладка через контакт 2 разъема X1.1 подключена к движку потенциометра, находящегося в джойстике, и ее потенциал определяется текущим положением движка. В рассматриваемом примере это примерно 2,6 В. Таким образом, конденсатор во время предыдущего продолжительного промежутка времени был заряжен до напряжения UcS = 2,6–0,8 = 1,8 В (рис. 2.28, г). Схема находится в устойчивом состоянии.

В момент времени t1 короткий положительный импульс с выхода дифференцирующей цепи через диод VD3 поступает на базу VT4 (рис. 2.28, а). Начинается лавинообразный процесс опрокидывания схемы. Действительно, этот импульс, превысив порог Uбо, вызывает первоначальное отпирание VT4. Напряжение на его коллекторе скачкообразно уменьшается. Этот отрицательный скачок напряжения через диод VD2 и конденсатор С5 передается на базу VT3, обеспечивая начало его запирания.

Увеличивающееся на коллекторе напряжение через резистор R9 попадает на базу VT4, открывая последний, и т. д. В результате транзистор VT4 оказывается открытым. Через малое сопротивление участка «коллектор-эмиттер» этого транзистора и диод VD2 левая обкладка (положительно заряженная) конденсатора С5 подключается к корпусу. К базе VT3 по-прежнему остается подключенной отрицательно заряженная обкладка этого конденсатора, что надежно запирает транзистор (рис. 2.28, б), обеспечивая на его коллекторе высокий потенциал, часть которого, будучи приложенной к базе VT4, надежно удерживает его в открытом состоянии (рис. 2.28, д).

Напряжение на выходе схемы практически равно нулю (рис. 2.28, в). Далее начинается стадия формирования первого канального импульса. Конденсатор С5 перезаряжается по цепи: плюс источника питания, резистор R7, диод VD2 и открытый транзистор VT4. Напряжение на нем уменьшается и, как следствие, повышается потенциал базы VT3 (интервал t1 — t2 на рис. 2.28, б). Когда конденсатор перезарядится до такой степени, что результирующее напряжение на базе достигнет величины Uбо (момент t2), транзистор VT3 начнет открываться, и произойдет обратное лавинообразное опрокидывание схемы.

На коллекторе VT4 будет сформирован отрицательный импульс, длительность которого зависит как от постоянной времени перезаряда C5R7, так и от величины исходного (в момент t1) напряжения на конденсаторе С5. Изменение постоянной времени с помощью R7 используется при установке среднего значения длительности командного импульса в процессе настройки, а изменение исходного напряжения на конденсаторе с помощью движка потенциометра джойстика — для регулировки длительности в процессе управления моделью.

Рис. 2.28. Эпюры в характерных точках ждущего мультивибратора

После дифференцирования отрицательного импульса цепью С7, R12, R13 короткий положительный импульс, соответствующий заднему фронту канального, подается через диод VD7 на запуск формирователя второго канального импульса, схема которого полностью аналогична только что рассмотренной, все последующие формирователи устроены одинаково.

Формирователь командной посылки обеспечивает создание на своем выходе прямоугольных положительных импульсов стандартной длительности 0,5–0,6 мс, временное положение которых должно совпадать с границами между канальными импульсами. Реализован он на трех инверторах микросхемы DD1.

Первый импульс должен соответствовать переднему фронту первого канального импульса. Для его формирования отрицательный командный импульс с коллектора VT4 инвертируется элементом DD1.1 и подается на дифференцирующую цепь С3, R5. Короткий положительный всплеск с ее выхода через развязывающий диод VD1 поступает на нормализатор длительности и амплитуды, собранный на остальных двух элементах микросхемы. Сюда же подаются (через диод VD5) положительные всплески с выходов дифференцирующих цепей С7, R12, R13 и С11, R19, R20. Они, как нетрудно убедиться, соответствуют окончаниям первого и второго канальных и импульсов соответственно(рис. 2.29, а, б).

Рис. 2.29. Эпюры в характерных точках формирователя

График напряжения на входе элемента DD1.2 изображен на рис. 2.29, в. Поскольку этот вход соединен с корпусом через резистор R26, то в отсутствие входных сигналов на его выходе (вывод 10) напряжение соответствует логической единице (+5 В). Логические элементы серии КМОП переходят как из единичного состояния в нулевое, так и наоборот, когда входное напряжение пересекает уровень, примерно равный половине напряжения питания (2,5 В).

В результате на выводе 10 DD1 формируются короткие отрицательные импульсы отрицательной полярности (рис. 2.29, г). На время действия этих импульсов нижняя обкладка конденсатора С6 через диод VD4 подключается к корпусу, вызывая быстрый разряд конденсатора. Затем следует его заряд через большое сопротивление R10 (рис. 2.29, д).

В моменты пересечения напряжением на конденсаторе уровня 2,5 В происходят опрокидывания элемента DD1.3, в результате чего на его выходе формируются положительные импульсы.

Длительность этих импульсов определяется, как это видно из рисунка, постоянной времени цепи заряда конденсатора С6, и при настройке устанавливается равной 0,5–0,6 мс подбором величины либо С6, либо R10. Конденсатор С8, установленный на выходе, немного заваливает фронты формируемых импульсов, тем самым сужая их спектр.

Необходимо это для того, чтобы активная ширина спектра излучаемых сигналов, которая и при амплитудной, и при частотной модуляции зависит от ширины спектра модулирующих импульсов, не превышала разрешенной ГИЭ величины. Резистор R14 препятствует шунтирование этим конденсатором варикапа задающего генератора передатчика (при ЧМ). При амплитудной модуляции выходные импульсы подаются обычно на базу транзисторного ключа, в этом случае резистор играет роль ограничителя тока базы, и его величину необходимо уменьшить до 10–15 кОм.

Детали и конструкция

Вариант печатной платы для двухканальной аппаратуры изображен на рис. 2.30. Пунктирной линией на ней изображена перемычка, которую необходимо впаять со стороны расположения деталей. К используемым деталям никаких особых требований не предъявляется, за исключением конденсаторов, стоящих в цепях формирования временных интервалов (С2, С5 и С9). Здесь лучше всего использовать пленочные, например типа К73-17, К73-16В. Конденсаторы СЗ, С4, С6, С7 и С11 установлены в дифференцирующих (интегрирующих) цепях и тоже должны быть стабильными.

Рис. 2.30. Печатная плата двухканального шифратора

Если использовать на их месте керамические конденсаторы типа КМ-6, то с низким температурным коэффициентом емкости (группа не ниже М1500). Вместо микросхемы К561ЛЕ5 можно применить К561ЛА7. Транзисторы — на КТ3102 с любой буквой, или им аналогичные. Диоды подойдут любые малогабаритные.

Если вместо джойстика будут использоваться ручки управления другой конструкции, то в них можно установить по одному потенциометру на 33 кОм, исключив дополнительные постоянные. Поскольку эти потенциометры будут эксплуатироваться в интенсивном режиме, целесообразно применять СП4-1.

Подстроечные резисторы — типа СШ-38, но можно использовать любые малогабаритные, изменив соответственно установочные размеры на плате. С целью экономии места последние можно заменить постоянными резисторами, предварительно (в процессе настройки) подобрав требуемые номиналы.

Настройка

Настройка сводится к установке требуемых временных параметров. Подключив осциллограф к эмиттеру транзистора VT2 и включив питание, необходимо потенциометром R2 установить период следования наблюдаемых импульсов равным 10 мс (для двухканального варианта) или 20 мс (для восьмиканального). В последнем случае придется увеличить емкость конденсатора С2 до 0,5 мкФ. Соотношение длительностей положительных и отрицательных импульсов значения не имеет.

Далее щуп осциллографа подключается к коллектору VT4. На экране должны наблюдаться отрицательные прямоугольные импульсы (рис. 2.29, а). Установив ручку управления в среднее положение, подстроечным резистором R7 необходимо добиться длительности импульсов равной 1,5 мс. Отклонив ручку управления в крайнее положение, проверить величину изменения длительности.

Если Δτ меньше 0,5 мс, удерживая ручку управления в нейтральном положении, необходимо повернуть ось потенциометра (либо его корпус) на небольшой угол. Поворачивать необходимо таким образом, чтобы часть сопротивления, включенная между контактами 2 и 3 разъема X1.1, увеличивалась. При этом увеличится исходная длительность канальных импульсов. Ее необходимо вернуть к значению 1,5 мс, меняя сопротивление R7.

Манипуляции производятся до тех пор, пока методом последовательного приближения не будут удовлетворены одновременно и требования к исходной длительности, и к величине Δτ. Если Δτ больше 0,5 мс, процедуры аналогичны, но корпус потенциометра нужно поворачивать в обратную сторону.

Если длительность выходных импульсов командной посылки (вывод 11 DD1) существенно отличается от 0,5 мс, ее корректируют подбором либо конденсатора С6, либо резистора R10.

2.3.5. Транзисторный шифратор на базе электронных ключей

Принципиальная схема

В предыдущей схеме ждущие мультивибраторы, на которых собраны формирователи канальных импульсов, можно заменить транзисторными ключами, несколько изменив цепи их запуска.

На рис. 231 приведена схема такого двухканального шифратора. Очевидно, что его можно дополнить до восьмиканального.

Рис. 2.31. Принципиальная схема шифратора на ключах

Основные характеристики те же самые, что и у предыдущей схемы. Тактовый генератор, определяющий период следования командных посылок, собран на транзисторах VT1, VT2 по схеме, полностью аналогичной предыдущему варианту. Несколько увеличено только сопротивление резистора R1, влияющее на длительность отрицательного импульса на коллекторе VT2. Дело в том, что, как это будет показано ниже, потенциал коллектора этого транзистора должен быть практически равен нулю в течение всего времени формирования первого канального импульса, максимальная длительность которого может быть равной 2 мс.

Формирователь первого канального импульса реализован на транзисторе VT3. В исходном состоянии транзистор открыт за счет протекания базового тока через резисторы R5, R6. Напряжение на его коллекторе близко к нулю. Времязадающий конденсатор С2 на предыдущем этапе работы схемы заряжен практически до напряжения питания через верхнюю часть резистора R4 и базовый переход транзистора VT3 (рис. 2.32, б). На левой его обкладке — потенциал источника (+5 В), а на правой — небольшое базовое напряжение (окаю 0,8 В) открытого транзистора VT3.

Рис. 2.32. Эпюры в характерных точках формирователя

С появлением на коллекторе VT2 отрицательного импульса (рис. 2.32, a, момент t1) нижний вывод резистора R4 подключается через открывшийся VT2 к корпусу. Напряжение на базе транзистора VT3 теперь определяется алгебраической суммой отрицательного напряжения на С2 и положительного напряжения с движка потенциометра R4. Его вполне достаточно для надежного запирания VT3 (рис. 2.32, в). Напряжение на коллекторе этого транзистора скачком возрастает (рис. 2.32, г), и начинается формирование канального импульса. Его окончание наступит в момент времени t2, когда за счет перезаряда конденсатора С2 напряжение на базе VT3 достигнет величины отпирания (примерно 0,8 В).

Длительность сформированного импульса будет определяться постоянной времени цепи перезаряда

τ = C2(R5 + R6)

и величиной напряжения на движке потенциометра. Последнее обстоятельство и используется для управления канальным импульсом.

Для улучшения формы вырабатываемого импульса используется элемент DD1.2, сигнал на выходе которого изображен на рис. 232, д.

В течение первого канального импульса транзистор VT3 заперт, а значит нижний вывод потенциометра R5 отключен от корпуса. Происходит быстрый заряд конденсатора С4 через верхнюю часть этого резистора до напряжения питания, подготавливая его к стадии формирования второго канального импульса (рис. 232, е). Она начнется, как только закончится первый канальный импульс с отпиранием транзистора VT3 (момент t2). Процесс формирования ничем не отличается от только что рассмотренного.

Отрицательные импульсы нормированной длительности, соответствующие границам между канальными (рис. 2.33, вывод 11 микросхемы DD1), формируются элементом DD1.4 из продифференцированных импульсов с выводов 3, 4, 10. Их длительностью можно управлять, меняя постоянное напряжение на выводе 12, 13 с помощью подстроечного резистора R13.

Подобные манипуляции приводят к смещению положительных экспоненциальных импульсов с выхода дифференцирующих цепочек по вертикали (рис. 233, вывод 12) относительно уровня опрокидывания элемента DD1.4 (приблизительно 2,5 В). Каскад на транзисторе VT5 инвертирует указанные импульсы и используется в случае применения шифратора совместно с ЧМ-передатчиком.

Рис. 2.33. Эпюры напряжений в нормирователе

Если в аппаратуре предусмотрена амплитудная манипуляция, то необходимость в нем отпадает, а вывод 11 микросхемы используется для замыкания на корпус эмиттерной цепи транзистора задающего генератора передатчика либо одного из его промежуточных каскадов.

Печатная плата двухканального варианта приведена на рис. 2.34.

Рис. 2.34. Печатная плата

Как видно, потенциометры, связанные с ручками управления, закрепляются непосредственно на плате с помощью хомутиков и проводников, соединяющих выводы потенциометров с отверстиями в плате. Ручки управления пропускаются сквозь прямоугольные вырезы в плате. Разводка сделана в расчете на применение в конструкции потенциометров типа СП4-1. Их износостойкость составляет не менее 25000 циклов. Если потенциометры располагать не на печатной плате, то можно использовать практически любые, важно лишь, чтобы их характеристика была типа А (линейная зависимость сопротивления от угла поворота).

Детали и конструкция

Транзисторы могут быть типов КТ315 или КТ3102 с любым буквенным индексом. Микросхему DD1 можно заменить на K561J1A7. Конденсаторы С1, С2, С4, С6 желательно использовать пленочные или бумажные (К73-17, МБМ и др.). Диоды любые малогабаритные.

Настройка

Настройка периода повторения и длительностей канальных импульсов полностью повторяет аналогичные операции в предыдущем варианте шифратора. Требуемая длительность импульсов командной посылки (0,5 мс) на 11 выводе DD1 устанавливается потенциометром R13. При реализации восьмиканального варианта период повторения устанавливается равным 20 мс, для чего емкость конденсатора С1 увеличивается до 0,5 мкФ.

2.3.6. Многоканальный шифратор на таймерах КР1006ВИ1

Принципиальная схема

Микросхема таймера КР1006ВИ1 является многофункциональным устройством и используется в самых различных радиолюбительских конструкциях. На ее базе удобно реализовывать как автоколебательные, так и ждущие мультивибраторы.

Длительность импульсов в обоих случаях можно регулировать изменением постоянных времени цепей заряда и разряда накопительного конденсатора или изменением величины постоянного напряжения на выводе 5 микросхемы.

Как при настройке предлагаемого образца, так и при самостоятельном конструировании других устройств с использованием КР1006ВИ1, полезно представлять ее внутреннее устройство.

Остановимся на этом подробнее.

На рис. 235 приведена структура микросхемы. Она содержит делитель, обеспечивающий формирование опорных напряжений 1/3Uп и 2/3Uп, два операционных усилителя, RS-триггер, два транзисторных ключа и инвертор U1. Для того чтобы рассмотрение было предметным, на микросхеме собран автоколебательный мультивибратор, для чего потребовались только три внешних элемента.

Рис. 2.35. Структура микросхемы КР1006ВИ1

В момент подачи питающего напряжения начинается заряд конденсатора С1 через последовательно включенные R1 и R2.

Напряжение с конденсатора прикладывается к прямому входу ОУ1, и до момента t1 остается меньше опорного напряжения на его инверсном входе (рис. 236, а). Все это время на выходе ОУ, а значит и на входе «R» триггера напряжение близко к нулю (логический 0).

Это же напряжение приложено и к инверсному входу ОУ2 и некоторое время остается ниже опорного напряжения на его прямом входе (1/3Uп). Как известно, в этом случае напряжение на выходе ОУ близко к напряжению питания (логическая 1). Оно прикладывается к входу «S» триггера. При такой комбинации сигналов на входах, напряжение на выходе триггера равно нулю, а на выходе инвертора (вывод 3 микросхемы) — соответственно, напряжению питания.

Транзисторный ключ VT1 заперт и не оказывает никакого влияния на работу схемы. Ключ VT2 в этом варианте включения микросхемы постоянно заперт, так как его база соединена с эмиттером. В момент превышения напряжением на конденсаторе опорного уровня 1/3Uп напряжение на выходе ОУ2 скачкообразно обращается в нуль. Теперь на обоих входах триггера логические нули, но состояние его выхода не меняется, так как для этого должны поменяться на противоположные состояния обоих входов. В момент t1 напряжение на конденсаторе достигает второго опорного уровня, и нуль на выходе ОУ1 сменяется единицей.

Рис. 2.36. Эпюры напряжений в характерных точках таймера

При этом комбинация сигналов на входе триггера становится противоположной исходной, и состояние его выхода изменяется с нуля на единицу. На выходе инвертора соответственно начинается фаза формирования отрицательного импульса (см. рис. 2.36, б). Кроме того, единица с выхода триггера прикладывается к базе транзистора VT1. Читателя не должна смущать непосредственная подача высокого потенциала на базу транзистора.

На схеме отражены только функциональные связи без излишней детализации. В реальной схеме, разумеется, предусмотрены соответствующие базовые цепи. Ключ открывается, подключая точку соединения резисторов R1 и R2 к корпусу. Начинается разряд конденсатора С1 через резистор R2.

Практически сразу же напряжение на прямом входе ОУ1 становится меньше опорного, а на его выходе скачком опять устанавливается логический «0». К опрокидыванию триггера это не приводит, так как меняется состояние только одного входа «R». Триггер как бы подготавливается к опрокидыванию. Когда же напряжение на конденсаторе уменьшится до величины 1/3Uп (момент t2 на рисунке), изменится состояние на выходе ОУ2 и входе «S» триггера — произойдет его обратное переключение, и напряжение на выходе инвертора опять станет высоким. Ключ VT1 разомкнется, и начнется заряд конденсатора С1.

Далее процессы будут повторяться. Очевидно, период следования вырабатываемых импульсов будет равен сумме длительностей положительного и отрицательного импульсов. В свою очередь, длительность положительного импульса определяется постоянной времени C1(R1 + R2) и может быть приближенно вычислена по формуле τ+ = 0,685∙(R1 + R2)∙C1; длительность отрицательного определяется постоянной времени разряда конденсатора и вычисляется по формуле τ- = 0,685∙R2C1.

Из рис. 2.36, а видно, что если с помощью внешних цепей принудительно менять напряжение на выводе 5 микросхемы, то будут меняться опорные уровни и, как следствие, длительность обоих импульсов. Этот факт используется для электронного управления длительностями. Работа схемы в режиме ждущего мультивибратора во многом аналогична рассмотренной ранее, поэтому здесь не приводится.

Следует только упомянуть, что формирование выходного положительного импульса в этом случае может быть в любой момент прервано подачей короткого отрицательного импульса на вход 4, который должен быть подключен к плюсу источника через резистор величиной 1–3 кОм. Отрицательный импульс вызовет отпирание ключа VT2, что в свою очередь — отпирание VT1 и быстрый разряд накопительного конденсатора. Схема подключения конденсатора в режиме ждущего мультивибратора отличается от рассмотренной (см. рис. 2.37, например канал № 1).

Рис. 2.37. Принципиальная схема многоканального шифратора

Теперь собственно о шифраторе. Его схема приведена на рис. 3.36. Генератор тактовых импульсов реализован на DA1 по схеме автоколебательного мультивибратора. Требуемый период повторения устанавливают подбором величины R1 или R2. Вывод 5 микросхемы зашунтирован конденсатором СЗ для предотвращения попадания на опорный вход помех, что приводило бы к хаотическому изменению периода повторения.

Импульсы с выхода генератора (рис. 2.38, а) дифференцируются цепью C4R3, на выходе которой формируются короткие всплески, соответствующие фронтам (рис. 2.38, б).

Рис. 2.38. Эпюры напряжений в различных точках шифратора

Отрицательные всплески, следующие с периодом Тп, запускают ждущий мультивибратор, собранный на таймере DA2. Исходная длительность его импульсов определяется постоянной времени τ = R4C8, а регулировка в пределах ±0,5 мс — изменением постоянного напряжения на выводе 5 с помощью потенциометра R6.

Точная подгонка границ изменения достигается подбором R5 и R7. Канальный импульс формируется на выводе 3 микросхемы (рис. 2.38, в). После его дифференцирования цепью C7R8 отрицательный всплеск, соответствующий заднему фронту, запускает полностью аналогичную схему формирователя второго канального импульса (рис. 2.38, г). В случае восьмиканального варианта последующие каскады строятся по точно таким же схемам.

Отрицательные импульсы с дифференцирующих цепей всех трех каскадов через диоды VD1—VD3 поступают на ждущий мультивибратор формирования кодовой посылки DA4. Последний вырабатывает короткие импульсы стандартной длительности τ = 0,5 мс (рис. 2.38, д).

Параметры этих импульсов определяются постоянной времени τ = R15C11. Расстояние между передними фронтами соседних пар равно длительностям соответствующих канальных импульсов.

Детали и конструкция

Печатная плата двухканального варианта изображена на рис. 2.39, а восьмиканального — на рис. 2.40.

Рис. 2.39. Печатная плата двухканального варианта

Рис. 2.40. Печатная плата восьмиканального варианта

Перед установкой микросхем DA1 необходимо впаять перемычку со стороны расположения деталей, на рисунках она изображена пунктирной линией. Микросхемы таймеров можно заменить импортным аналогом, например LM555. Оптимально использовать микросхемы типа 556, содержащие в одном корпусе по два таймера.

Разводку платы, естественно, придется изменить. Наилучший выбор — микросхемы типа 7555 и 7556, выполненные по технологии КМОП и имеющие существенно меньшие токи потребления. Все времязадающие конденсаторы (С2, С5, С8, C11) должны быть пленочными. Диоды — любые малогабаритные.

Стабилизатор, используемый в схеме, допускает повышение входного напряжения вплоть до 20 В. Потенциометры R6, R11 должны обладать повышенной износостойкостью, их характеристика регулирования — типа А (линейная).

Настройка

Временно припаяв вместо R1 переменный резистор на 100 кОм, устанавливают период повторения равным 20 мс для восьмиканального варианта и 10 мс для двухканального. В последнем случае емкость конденсатора С1 можно уменьшить до 0,22 мкФ.

Далее, установив ручку управления, связанную с движком R6, в нейтральное положение, подбором величины R4 необходимо установить длительность канального импульса на выводе 3 микросхемы равной 1,5 мс. Для этой цели удобно временно припаять вместо постоянного резистора переменный.

Отклонив ручку управления в крайнее положение, проконтролировать изменение длительности импульса. Если оно больше 0,5 мс, то ось или корпус потенциометра нужно повернуть так, чтобы сопротивление между движком и нижним выводом уменьшилось. Подбором R4 восстановить исходную длительность импульсов в нейтральном положении ручки управления.

Проделав эти операции несколько раз, добиться требуемых параметров канального импульса. Настройка остальных каналов полностью аналогична. По окончании настройки вместо временных переменных резисторов впаиваются эквивалентные постоянные.

2.3.7. Многоканальный шифратор на триггерах К561ТВ1

Принципиальная схема

Экономичный шифратор получается на базе микросхем, выполненных по технологии КМОП. Ток потребления четырехканального варианта не превышает 1,7 мА. Его схема приведена на рис. 2.41.

Рис. 2.41. Принципиальная схема четырехканального шифратора

Тактовый генератор собран на элементах DD1.1, DD1.2 по традиционной схеме. Требуемый период повторения командных посылок устанавливается подбором величины резистора R1.

Основой формирователей канальных импульсов являются JK-триггеры К561ТВ1. Для выяснения принципа их работы в качестве ждущих мультивибраторов необходимо разобраться с их собственными возможностями. Прежде всего отметим, что каждый корпус микросхемы содержит по два одинаковых триггера. Каждый триггер имеет синхронные входы «J» и «К», сигналы на которых изменяют состояние выходов «Q» и «Q-» только по приходу положительного перепада напряжения на тактовый вход «С».

Отрицательный перепад на этом входе на состояние триггера не влияет. Асинхронные входы «S» и «R» не нуждаются в подаче тактовых импульсов и определяют состояние выходов триггера непосредственно. Для используемого варианта включения, когда на входы «S» всегда принудительно подключен корпус (логический 0), подача высокого уровня на вход «R», вне зависимости от комбинации сигналов на других входах, приведет к установлению низкого уровня на выходе «Q».

Когда же на входе «R» низкий потенциал, состояние триггера будет определяться только сигналами входов «J» и «К». Вход «J» в схеме постоянно подключен к плюсу источника, а вход «К» — к корпусу. В таком состоянии до прихода тактового импульса на вход «С» на выходе «Q» будет низкий потенциал, а по положительному перепаду на входе он скачком изменится на высокий.

Принцип действия

Перейдем к рассмотрению процедуры формирования канальных импульсов на примере первого ждущего мультивибратора, собранного на DD2.2. В исходном состоянии (после окончания предыдущей командной посылки) напряжение на тактовом входе «С2» (рис. 2.42, а) низкое. Поскольку на входе «J2» высокий потенциал, а «К2» соединен с корпусом, на выходе «Q2» логический О (рис. 2.42, б). Наличие диода VD2 обеспечивает низкий потенциал и на входе «R2» (рис. 2.42, г). На инверсном выходе «Q-2» потенциал всегда противоположен потенциалу прямого выхода (рис. 2.42, в). Конденсатор С5, очевидно, заряжен до напряжения питания (положительный потенциал на верхней по схеме обкладке).

С приходом положительного перепада на вход «С2» (момент времени t1) напряжение на выходе «Q2» скачком меняется на высокое. Конденсатор С5 начинает от этого напряжения перезаряжаться через резистор R3, напряжение на его нижней обкладке (а значит и на входе «R2») растет практически линейно (рис. 2.42, г). Напряжение логической единицы для входов микросхем серии КМОП составляет величину, примерно равную половине напряжения питания.

При достижении этого уровня на входе «R2» (момент времени t2) в соответствии с ранее рассмотренной логикой работы триггера происходит обнуление выхода «Q2». Таким образом, на этом выходе формируется положительный прямоугольный импульс, длительность которого определяется положением движка потенциометра R3. Низкий потенциал на выходе Q2 и высокий на выходе Q-2 переводят схему в исходное состояние. Конденсатор С5 через открытый диод VD2 быстро заряжается до прежнего значения, подготавливая схему к следующему такту.

Рис. 2.42. Эпюры напряжений в характерных точках мультивибратора

Положительный перепад с инверсного выхода подается на тактовый вход «С1» верхнего триггера микросхемы, запуская аналогичный процесс формирования второго канального импульса, и т. д. Выходные импульсы всех каналов (рис. 2.43, б-д) подаются на входы соответствующих дифференцирующих цепей (например C7R5 для первого). Короткие положительные всплески, пройдя через соответствующие развязывающие диоды, суммируются на резисторе R11.

Каждый из них, пересекая уровень опрокидывания элемента DD1.3 (примерно 2,5 В), формирует на его выходе короткие отрицательные импульсы. Эти импульсы быстро разряжают конденсатор С13 через открывающийся диод VD10. Конденсатор затем медленно заряжается через резистор R12. В результате двукратного превышения уровня опрокидывания элемента DD1.4 напряжением на конденсаторе, на выходе этого элемента формируются нормированные по амплитуде и длительности импульсы командной посылки (рис. 2.43, е).

Рис. 2.43. Формирование кодовой посылки

Стабилизатор напряжения DA1 делает схему некритичной к напряжению используемого источника питания.

Очевидно, что количество каналов в рассмотренном шифраторе можно произвольно менять от одного до восьми путем исключения (добавления) звеньев ждущих мультивибраторов, дифференцирующих цепочек и развязывающих диодов.

Детали и конструкция

Печатная плата для четырехканального варианта приведена на рис. 2.44. При монтаже деталей необходимо обратить внимание на наличие перемычек П1—П5, которые следует впаять в первую очередь. Требования к используемым деталям обычные. Времязадающие конденсаторы С3-С5, С8, С9 и С13 — пленочные. Конденсаторы дифференцирующих цепей С6, С7, C10—С12 можно использовать керамические (КМ6, например) из группы по ТКЕ не хуже М4700.

Потенциометры регулировки длительностей канальных импульсов должны иметь как можно большую износостойкость и характеристику типа «А». Вместо триггеров К561ТВ1 можно установить их зарубежный аналог CD4027. Поскольку элементы DD1 используются в качестве инверторов, допустима их замена на K561ЛA7. Стабилизатор напряжения DA1 — любого типа на напряжение 5 В. Все диоды типа КД521(522) с любым буквенным индексом.

Рис. 2.44. Печатная плата четырехканального шифратора

Настройка

В процессе настройки путем подбора величины резистора R1 период повторения импульсов задающего генератора устанавливается равным 20 мс. Исходная длительность и диапазон изменения канальных импульсов при установке требуют внимания. Корпус потенциометра необходимо зафиксировать в таком положении, при котором отклонение ручки управления из одного крайнего состояния в другое вызывает изменение его сопротивления в два раза. Тем самым будет обеспечен соответствующий диапазон перестройки длительности.

Затем, установив ручку управления в среднее положение, убедиться, что исходная длительность канального импульса (на выводе 15 DD2 для первого канала, например) равна 1,5 мс. При необходимости ее коррекции, например в сторону увеличения, придется либо припаять дополнительную емкость параллельно конденсатору С5, либо дополнительный резистор последовательно с потенциометром R3.

В последнем случае необходимо развернуть корпус потенциометра таким образом, чтобы в рабочем диапазоне углов отклонения результирующее сопротивление опять бы имело коэффициент перекрытия, равный двум.

В заключение подбором R12 устанавливают длительность импульсов командной посылки на выводе 10 DD1 примерно равной 0,5 мс.

2.3.8. Многоканальный шифратор на триггерах Шмидта К561ТЛ1

Принципиальная схема

Микросхема представляет собой четверку двухвходовых элементов «И» с инверсией, передаточная характеристика которых имеет петлю гистерезиса. Опыт показывает, что использование в генераторах (вместо К561ЛА7) этой микросхемы обеспечивает формирование импульсов прямоугольной формы более высокого качества. Кроме того, работоспособность сохраняется не до трех вольт, как это заявлено для большинства микросхем серии 561,а до 1,8 В. Это позволяет строить достаточно экономичные шифраторы с низковольтным питанием.

На рис. 2.45 представлена принципиальная схема восьмиканального формирователя, обеспечивающего стандартные параметры импульсов командной посылки.

Рис. 2.45. Принципиальная схема восьмиканального шифратора

Тактовый генератор собран на элементах DD1.1, DD1.2. Он вырабатывает прямоугольные импульсы, период повторения которых определяется, в основном, постоянной времени цепи R1C2. Для восьмиканального варианта аппаратуры период повторения должен быть равен 20 мс. Регулировка периода осуществляется потенциометром R1. Отрицательный фронт генерируемых импульсов через дифференцирующую цепочку C3R4 запускает ждущий мультивибратор первого канального импульса, собранный на элементах DD2.1, DD2.2.

Принцип действия

Мультивибратор работает следующим образом. В исходном состоянии к выводу 12 DD2.1 подключено напряжение питания через резистор R4, что соответствует логической 1. На выводе 13 так же 1 с выхода инвертора DD2.2, так как его вход заземлен через потенциометр R5. Две единицы на входах DD2.1 обеспечивают нулевой потенциал на выводе 11, так как элемент снабжен инвертором. Обе обкладки конденсатора С4 находятся под нулевым потенциалом.

Состояние схемы устойчиво. Отрицательный импульс с выхода дифференцирующей цепи, подаваемый на вывод 12, эквивалентен логическому 0. Как следствие, на выводе 11 скачкообразно потенциал повышается до уровня 1. Начинается заряд конденсатора С4 через резистор R5. В первый момент зарядный ток максимален, и падение напряжения на резисторе R5 равно напряжению питания (логическая 1).

На выходе элемента DD2.2 скачкообразно устанавливается логический 0, который, будучи приложенным к выводу 13 DD2.1, надежно удерживает этот элемент в новом состоянии даже после окончания запускающего импульса на выводе 12. Схема находится в новом устойчивом состоянии до тех пор, пока напряжение на потенциометре R5, убывающее в процессе заряда конденсатора, не достигнет порога опрокидывания элемента DD2.2 (примерно половина напряжения питания).

В момент достижения этой величины на выводах 3 и 13 установится логическая 1, и схема вернется в исходное состояние. Конденсатор С4 разрядится через обнуленный вывод 11 микросхемы и резистор R5.

Длительность вырабатываемого на выводе 11 положительного импульса определяется сопротивлением потенциометра R5, ось которого связана с ручкой управления первого канала, и емкостью конденсатора С4. Своим задним фронтом этот импульс, через дифференцирующую цепь C6R7, запускает ждущий мультивибратор второго канального импульса, собранный на элементах DD2.3, DD2.4, и так далее, вплоть до восьмого.

Нижние по схеме элементы каждого ждущего мультивибратора инвертируют канальные импульсы таким образом, что их заднему фронту соответствуют положительные перепады напряжения. Короткие положительные всплески с выходов соответствующих дифференцирующих цепей (C5R6, C8R9 и т. д.), пройдя через диоды VD2, VD3—VD9, суммируются на резисторе R3. Сюда же через диод VD1 поступает положительный импульс, соответствующий переднему фронту первого канального импульса.

Через инвертор DD1.4 эти импульсы запускают нормализатор, собранный на элементе DD1.3 и интегрирующей цепочке C9R10. Каждый из коротких отрицательных импульсов, соответствующих границам между канальными импульсами, быстро разряжает конденсатор С9 через малое сопротивление открытого диода VD4.

На выводе 10 элемента DD1.3 устанавливается уровень логической единицы. Затем напряжение на конденсаторе начинает расти в результате его заряда через резистор R10. При достижении напряжения опрокидывания, на выходе DD1.3 устанавливается напряжение логического нуля. Длительность сформированного таким образом положительного импульса на выводе 10 выбрана равной 0,5 мс.

Сформированная последовательность подается на модулятор передатчика. Временной интервал до начала следующей командной посылки колеблется в пределах 4—12 мс и играет роль синхропаузы, определяющей на приемной стороне момент начала каждой очередной посылки.

Стабилизатор напряжения DA1 обеспечивает неизменные значения длительностей вырабатываемых импульсов при разряде питающей батареи.

Изымая лишние ячейки ждущих мультивибраторов (начиная с последней), количество каналов можно менять от одного до восьми. Формирователь совместно с передатчиком удобно использовать для независимого одновременного управления четырьмя моделями, например при организации соревнований.

Для каждой из моделей достаточно изготовить свой пульт управления, содержащий только два потенциометра, связанных с ручками управления.

Пульты должны соединятся двухпроводными кабелями с командоаппаратом, в котором размещается передатчик (один на всех) и собственно формирователь. Принцип выделения на каждой из моделей своих командных импульсов из общей командной посылки будет изложен при рассмотрении дешифраторов команд.

Детали и конструкция

Печатная плата формирователя приведена на рис. 2.46.

Рассмотрен вариант для шифратора, содержащего только два канала. При необходимости увеличения их количества разработка печатной платы не вызовет затруднений, так как добавлять нужно будет узлы, аналогичные имеющимся в предлагаемом варианте.

На плате предусмотрено место для одного из вариантов передатчика. Конденсаторы С2, С4, С7, С9, участвующие в формировании временных интервалов, должны быть пленочными. С10 — любой электролитический. Остальные конденсаторы могут быть керамическими (например КМ6). Микросхемы К561ТЛ1 можно заменить на К561ЛА7, но при этом необходимо повысить питающее напряжение с 3 до 5 В.

Рис. 2.46. Фрагмент печатной платы передатчика с шифратором

Настройка

Настройка формирователя сводится к установке периода повторения командной посылки (потенциометр R1) и исходных длительностей канальных импульсов. Операции при этом полностью аналогичны описанным в предыдущем параграфе. При использовании формирователя в двухканальном варианте период повторения целесообразно уменьшить до 10 мс, что позволит уменьшить емкости конденсаторов в удлинителях импульсов приемной части аппаратуры. Для этой цели емкость конденсатора С2 необходимо снизить до 0,068 мкФ.

2.3.9. Многоканальный шифратор на мультивибраторах К564АГ1

Принципиальная схема

Шифратор, собранный по схеме, приведенной на рис. 2.47, содержит минимальное количество деталей. Тактовый генератор, реализованный на микросхеме DD1 (К561АГ1), полностью аналогичен описанному в разделе 2.3.3. Период повторения тактовых импульсов определяется выражением

Тп = 0,5∙(R1C1 + R2C2).

Подбором величины резистора R1 он устанавливается равным 10 мс в двухканальном варианте и 20 мс в восьмиканальном.

Шифраторы всех каналов собраны на тех же микросхемах, вариант включения которых предполагает ждущий режим работы. Их запуск осуществляется подачей на вывод 4 импульсов с инверсного выхода мультивибратора предыдущего канала.

Поскольку запуск осуществляется по положительному перепаду этих импульсов, начало канального импульса каждого последующего канала совпадает с окончанием импульса на прямом выходе предыдущего, т. е. таким же образом, как и во всех предыдущих схемах.

Рис. 2.47. Принципиальная схема шифратора

Для формирования коротких импульсов командной посылки (временное положение которых должно совпадать с границами промежутков между импульсами соседних каналов), все канальные импульсы с инверсных выходов мультивибраторов (выводы 7 и 9 каждого корпуса микросхемы) подаются на одинаковые дифференцирующие цепи C5R4, C6R6, C7R7 и т. д.

Короткие положительные всплески, соответствующие задним фронтам каждого канального импульса, с выходов дифференцирующих цепей через развязывающие диоды поступают на запуск ждущего мультивибратора D6.1, который и формирует требуемые выходные импульсы. Длительность последних подбирается резистором R9. Для формирования первого импульса командной посылки, соответствующего переднему фронту первого канального, дифференцируется и положительный импульс с прямого выхода DD1.1 (вывод 6).

Длительность канальных импульсов управляется потенциометрами R3, R5 и т. д., связанными с ручками управления.

Двухканальный вариант должен включать лишь каскады, собранные на микросхемах DD1, DD2, DD6.

Печатная плата такого варианта изображена на рис. 2.48.

Перемычку, соединяющую четвертую и девятую ножки микросхемы DD1, необходимо впаять до установки на плату микросхемы. Конденсаторы C1, С2, СЗ, С4, С9 должны быть пленочными или бумажными, типа К73-17, МБМ и т. п. В качестве DA1 можно применить любой малогабаритный стабилизатор на напряжение +5 В.

Как и в предыдущих конструкциях, переменные резисторы R3 и R5 желательно использовать с повышенной износостойкостью.

Настройка

Настройка шифратора сводится к установке требуемого периода повторения путем подбора величины R1. Осциллограф при этом можно подключить либо к выводу 6, либо выводу 7 микросхемы DD1. Установка исходной длительности канальных импульсов равной 1,5 мс и диапазона ее изменения при отклонениях ручки управления (±0,5 мс) производится в соответствии с рекомендациями раздела 2.8.

Рис. 2.48. Печатная плата

2.3.10. Комбинированный многоканальный шифратор

Принципиальная схема

Принципиальная схема двухканального варианта шифратора приведена на рис. 2.49. За основу взята схема, рассмотренная в разделе 2.3.5, которая дополнена логическими элементами, улучшающими форму вырабатываемых канальных импульсов. Изменена также и схема формирователя выходных импульсов. Увеличение количества каналов производится простым добавлением одинаковых формирующих секций.

Тактовый генератор собран на элементах DD1.4, DD1.3 по традиционной схеме. Период следования импульсов регулируется подстроечным резистором R1. Дифференцирующая цепочка C1,R3 совместно с диодом VD1 формирует короткий положительный импульс начала командной посылки. В этот же момент времени отрицательный перепад напряжения на выводе 10 DD1.3 запускает формирователь первого канального импульса, собранный на транзисторе VT1 и инверторах DD1.1, DD1.2.

Рис. 2.49. Принципиальная схема шифратора

Принцип действия

В исходном состоянии транзистор VT1 открыт за счет подачи положительного смещения в базу через резисторы R5, R6 (рис. 2.50, а). Конденсатор С4 заряжен практически до напряжения питания, так как оба крайних вывода потенциометра подключены к плюсу источника (на выводе 10 DD1.3 в исходном состоянии уровень логической единицы), а нижняя обкладка конденсатора находится под небольшим потенциалом на базе открытого транзистора.

Положительной при этом является верхняя по схеме обкладка конденсатора. В момент отрицательного перепада напряжения на выводе 10 DD1.3 нижний по схеме вывод потенциометра R4 оказывается подключенным к корпусу. Начинается перезаряд конденсатора С4 по цепи: «плюс» источника питания — резисторы R5, R6 — конденсатор С4 — нижняя часть потенциометра R4 — корпус.

Напряжение на базе VT1 скачком смешается в область отрицательных значений на величину, определяемую положением движка потенциометра R4, связанного с ручкой управления скоростью движения модели (рис. 2.50, а). Транзистор запирается, и на его коллекторе формируется положительный импульс напряжения, а на выходах инверторов DD1.2, DD1.3 — отрицательные импульсы (рис. 2.50, б).

Рис. 2.50. Эпюры напряжений в характерных точках

Длительность формируемого импульса определяется временем перезаряда конденсатора, которое зависит как от величины скачка напряжения на базе, так и от постоянной времени цепи перезаряда, определяемой емкостью конденсатора С4 и суммарным сопротивлением резисторов R5, R6 (сопротивлением нижней части потенциометра R4 на их фоне можно пренебречь). Так как перезаряд происходит практически от удвоенного напряжения питания, а рабочим является начальный участок экспоненты, напряжение на базе меняется по линейному закону (рис. 2.50, а), что обеспечивает пропорциональность длительности импульсов положению движка потенциометра R4.

Импульс заканчивается при достижении напряжением на базе порога открывания транзистора. Инверторы на выходе формирователя обеспечивают требуемую полярность и высокую крутизну фронтов вырабатываемых импульсов. По окончании отрицательного импульса на выводе 10 DD1.3, длительность которого, кстати, обязательно должна быть больше максимально возможной длительности канального импульса, происходит быстрый заряд конденсатора С4 через резистор R4 до исходного значения.

Зависимость длительности импульсов формирователя от двух величин (номиналов сопротивлений R4 и R6) существенно облегчает установку исходной длительности и требуемого диапазона ее изменения (при настройке).

Формирователь второго канального импульса реализован на транзисторе VT2 р-n-р структуры и инверторах DD2.1 и DD2.2 по аналогичной схеме, с той лишь разницей, что все импульсы и перепады напряжений имеют противоположную полярность, что приводит к необходимости двойного инвертирования коллекторных импульсов перед подачей на дифференцирующую цепочку.

При увеличении количества каналов следующая пара формирователей подключается к выводу 3 DD2.1. Входом при этом должен являться нижний по схеме вывод резистора, аналогичного в этой паре потенциометру R4.

Короткие положительные импульсы с выходов диодов VD1—VD3, соответствующие границам между канальными импульсами, суммируются на резисторе R14 и поступают на вход формирующего устройства, собранного на элементах DD2.3, DD2.4 и интегрирующей цепочке R15, С9. В исходном состоянии напряжение на выводе 10 DD2.3 равно нулю. Каждый из входных импульсов инвертируется элементом DD2.4 и быстро разряжает до нуля конденсатор С9, вызывая скачкообразное нарастание выходного напряжения на выводе 10 до уровня логической единицы.

Затем начинается заряд С9 через большое сопротивление R15. При достижении напряжением на конденсаторе уровня логической единицы, элемент DD2.3 опять опрокидывается, формируя тем самым на своем выходе положительный прямоугольный импульс, длительность которого определяется постоянной времени заряда конденсатора С9. Конденсатор С10 необходим для «заваливания» фронтов выходных импульсов с целью сужения их спектра.

Детали и конструкция

Печатная плата приведена на рис. 2.51. Помимо рассматриваемого шифратора, на ней размещен также вариант ЧМ-передатчика из раздела 3.6.2. Печатная плата выполнена из одностороннего стеклотекстолита толщиной 1–1,5 мм.

Ручки управления произвольной конструкции пропускаются в прямоугольные прорези платы и крепятся на осях потенциометров R4 и R9. В простейшем случае они могут быть вырезаны из двухстороннего стеклотекстолита толщиной 2,5—З мм и припаяны к осям. Сами потенциометры припаиваются к плате горизонтально своими выводами и выступами, имеющимися на корпусе.

В схеме шифратора все постоянные резисторы — типа МЛТ-0,125 или им аналогичные. Подстроечные резисторы R1, R6, R11 могут быть типа СПЗ-38б или РП1-63Мг. Переменные R4 и R9— типа СПЗ-16а. Можно применить и СП4-1, но это повлечет изменение установочных размеров и способа крепления к плате. Транзисторы КТ315 и КТ361 можно заменить соответственно на КТ3102 и КТ3107 с любым буквенным индексом.

Конденсатор С8 — любой малогабаритный электролитический. С2, С4, С6, С9 — обязательно пленочные, например К73-17. Остальные конденсаторы — керамические КМ-6 или им аналогичные. Диоды КД522Б можно заменить на любые кремниевые малогабаритные.

Рис. 2.51. Печатная плата

Настройка

Движки подстроечных и переменных резисторов следует установить в среднее положение. После подключения источника питания необходимо убедиться в наличии +3 В на выходе стабилизатора DA1. Подключив осциллограф к выводу 10 DD1.3, проконтролировать наличие положительных импульсов.

Потенциометром R1 установить период следования Тп = 10 мс (при количестве каналов более двух — Тп = 20 мс. Для этого может потребоваться увеличение емкости С2).

Переключить осциллограф к базе VT1 и установить потенциометром R4 амплитуду отрицательной «пилы» (рис. 2.50, а) равной 1 В. Зафиксировать ручку управления на оси потенциометра. Потенциометром R6 установить длительность отрицательных импульсов на выводе 3 DD1.1 τк.1 = 1,5 мс (рис. 2.50, б). Отклоняя ручку управления в крайние положения (±30°) убедиться, что Δτ = ±0,5 мс. Если Δτ < ±0,5 мс, уменьшить амплитуду пилы на базе VT1 с помощью R4, зафиксировав новое положение ручки управления как нейтральное, и вновь установить потенциометром R6 τ1 = 1,5мс. Если Δτ > ±0,5 мс, то амплитуду пилы увеличить. Манипуляции повторять до тех пор, пока в нейтральном положении длительность импульсов станет равной 1,5 мс, а в крайних положениях приращение составит 0,5 мс.

Аналогично устанавливаются границы импульсов на всех остальных формирователях. Необходимо учитывать, что «пила» на базах транзисторов р-n-р структуры имеет положительную полярность.

Подключить осциллограф к выводу 12 DD2.4 и убедиться в наличии коротких треугольных импульсов амплитудой не менее 2 В. В противном случае увеличить емкость конденсаторов С1, С5, С7 до 1500–2200 пФ. Подбором емкости конденсатора С9 установить длительность положительных импульсов на выводе 10 DD2.3 приблизительно равной 0,5 мс.

Более 800 000 книг и аудиокниг! 📚

Получи 2 месяца Литрес Подписки в подарок и наслаждайся неограниченным чтением

ПОЛУЧИТЬ ПОДАРОК