Глава 8 СЕРВИСНОЕ ОБСЛУЖИВАНИЕ ПОСЛЕДОВАТЕЛЬНЫХ ЦИФРОВЫХ СХЕМ

В главе 7 был дан обзор основных типов логических элементов. Каждый из этих приборов имеет одно стабильное логическое состояние на выходе в ответ на определенную комбинацию входных сигналов. Многие из этих схем можно соединить вместе для построения более сложных комбинационных структур. Но определенное сочетание входных сигналов в известный момент времени всегда дает предсказуемый выходной сигнал 1 или 0.

Логические схемы с памятью, судя по названию, отвечают на входные сигналы различным способом, в зависимости от их предыдущего состояния. Другими словами, они реагируют на последовательность входных сигналов. Это придает другое измерение анализу таких схем, где учитывается время и предыдущее состояние.

В этой главе описаны некоторые типичные логические схемы с памятью, а также методы их тестирования и оценки их действия. Описываются различные элементы, которые используются для построения схем с памятью, а также их применение для построения более сложных схем. Поскольку в данной главе рассматриваются различные приборы и системы, здесь указаны некоторые простейшие способы контроля работоспособности с применением минимума оборудования, а также более сложные методы тестирования. Представленный учебный пример демонстрирует применение схем комбинированной логики и схем с памятью.

Системы счисления

Всем нам хорошо знакомая десятичная система счисления основана на цифрах от 0 до 9. Комбинируя эти значения, мы можем представить бесконечное количество с целью подсчета или различения объектов друг от друга. В цифровых системах также необходимо работать с числами. К сожалению, в двоичной системе только два символа: 0 и 1. Сочетая эти базовые значения, мы также можем представить бесконечное число.

Мы считаем в десятичной системе: от 0 до 9. Для представления следующей величины нам необходимо использовать вторую цифру, расположенную на одну позицию влево, которая представляет собой число, кратное 10, показывающее, сколько раз мы посчитали до десяти (от 0 до 9). Каждый раз, когда мы досчитали от 0 до 9, следующий разряд увеличивается на единицу (инкрементируется), а в младшем разряде опять появляется 0, свидетельствующий о переходе на новый десяток.

Двоичная система счисления работает точно так же. Символы 0 и 1 называются двоичными цифрами, или, для краткости, битами. После того, как последняя значащая цифра становится равной 1, она сбрасывается в 0, а следующий разряд слева инкрементируется, что представляет количество двоек в числе. Следующий разряд слева представляет количество четверок, следующий — восьмерок и т. д. С каждым разрядом число увеличивается вдвое (таб. 8.1).

Сталкиваясь с большими двоичными числами, трудно отслеживать нули и единицы. Один из способов решения этой проблемы заключается в преобразовании двоичных чисел в десятичные с помощью сложения удельного веса разрядов, в которых находятся 1. Например:

8 4 2 1

1 1 0 1 - двоичное = 8 + 4 + 1 = 13 — десятичное

При больших двоичных числах такое преобразование становится сложным и порождает много ошибок. Более простой и распространенный способ представления больших двоичных чисел заключается в их преобразовании в шестнадцатеричную систему счисления.

Шестнадцатеричная система счисления использует 16 символов, поэтому она является системой с основанием 16. Первые 10 символов такие же, как в десятичной системе — от 0 до 9. Остальные 6 символов — это буквы от А до F, представляющие десятичные числа 10–15 соответственно.

Причина привлекательности шестнадцатеричной системы заключается в том, что преобразование чисел между ней и двоичной системами счисления выполняется очень просто. Для преобразования двоичного числа в шестнадцатеричное двоичное число делится на группы по 4 бита, начиная с наименее значимого бита (правого). Каждая группа из 4 битов затем непосредственно преобразуется в эквивалентный шестнадцатеричный символ, как указано в табл. 8.1. Приведенный ниже пример иллюстрирует типичное преобразование.

1010011101 — > 10 1001 1101 —> 29D

Шестнадцатеричная система счисления не меняет того факта, что цифровые системы работают с двоичными числами. Она просто упрощает нам обращение со значениями в двоичной системе. Гораздо проще использовать число 29D, чем 1010011101, при этом оба они представляют ту же величину. Более подробно с системами счисления и преобразованиями между ними вы можете познакомиться в любом из многих популярных изданий.

Комбинационные логические приборы

Базовые элементы, которые были рассмотрены в главе 7, используются для построения более сложных комбинационных логических приборов, имеющих самую разную структуру, каждая их которых обладает собственными свойствами. Рассмотрим некоторые наиболее популярные и распространенные типы ИМС комбинационной логики.

Дешифраторы

Комбинационные приборы чаще всего выступают в качестве дешифраторов и шифраторов. Декодирование можно рассматривать как выявление соответствующего некоему условию входного двоичного сигнала с соответствующей реакцией на выходе. На рис. 8.1 показан элемент И-НЕ с четырьмя входами, который используется для декодирования величины 0В шестнадцатеричное (1011 двоичное).

Рис. 8.1. Декодирование шестнадцатеричного числа ОВ

Выход этой схемы имеет уровень НИЗКИЙ только тогда, когда на его входах формируется двоичное число 1011 (шестнадцатеричное 0В). Любая другая комбинация битов на входах дает на выходе логический уровень ВЫСОКИЙ.

Множество типов дешифраторов с различными функциональными возможностями выпускаются в корпусах ИС. Очень популярен дешифратор «три на восемь» 74138 с двоичным входом на три разряда и 8 отдельных выходов с активным низким уровнем, а также три разрешающих входа, которые должны быть активированы для работы схемы (рис. 8.2).

Рис. 8.2. Дешифратор три на восемь 74138

Таблица истинности показывает, что для получения уровня НИЗКИЙ на выходе, G1 должен иметь высокий уровень, а G2A и G2B — низкий уровень. Это разрешающие входы. Двоичные величины, поданные на входы А, В, С определяют, на каком именно выходе будет низкий уровень. Другими словами, каждый выход «декодирует» или обнаруживает определенное входное число. Эти дешифраторы используются для выбора одного из группы до восьми приборов, каждый из которых представлен трехбитовым двоичным числом.

Процедура оценки работоспособности дешифратора при поиске неисправностей будет различной в зависимости от системы, в которой он задействован. Если система постоянно использует входы дешифратора, то можно достаточно просто определить, работает ли дешифратор. С помощью логического пробника убедитесь, что разрешающие входы находятся в активном состоянии. Для схемы 74138 G1 должен иметь высокий уровень, G2A и G2B — низкий уровень. Затем с помощью пробника определите логические уровни на входах А, В, С. После этого с помощью логического пробника проверьте уровень на соответствующем выходе схемы. Этот процесс можно повторить для каждого состояния входов прибора.

Если какой-либо тест дал отрицательный результат, вы должны определить, возникла ли проблема в дешифраторе или в схемах, с которыми он соединен.

Варианты:

1. Микросхема находится в панельке. В этом случае извлеките ее, загните вывод того выхода, где предполагается проблема, и снова вставьте микросхему на место. Затем проверьте выходной сигнал на загнутом выводе. Если сигнал все еще неправильный, замените ИМС.

2. Микросхема припаяна. Для изолирования выхода от других схем вы можете или отрезать вывод, или перерезать фольгу на плате. Многие цифровые системы не дают статического набора входных сигналов на дешифратор. Задача дешифратора обычно заключается в том. чтобы ждать нужного состояния быстро изменяющихся входных сигналов, и реагировать только после этого. В этом случае, для одновременного наблюдения всех сигналов лучше всего использовать логический анализатор. Если какого-либо сигнала нет, можно выполнить некоторые другие тесты. Когда на выходе не появляется низкий логический уровень, это может быть следствием трех факторов:

♦ на входах не возникает необходимого состояния, чтобы выход имел низкий уровень;

♦ микросхема неисправна;

♦ расположенные на выходе схемы всегда удерживают выход на высоком уровне.

Чтобы удостовериться в поступлении всех входных сигналов, можно поместить исправную микросхему на исследуемую и отогнуть проверяемый вывод установленной сверху микросхемы (рис. 8.3).

Рис. 8.3. Способ проверки дешифратора с помощью помещения поверх него исправной микросхемы

Вам придется несколько загнуть выводы, чтобы обеспечить хороший контакт. Если выход новой микросхемы активируется, значит, входы работают нормально. Затем проверьте выходные сигналы при статических сигналах на входах (см. выше). Рис. 8.4 показывает полную диаграмму поиска неисправностей для локализации проблем дешифратора.

Рис. 8.4. Диаграмма поиска неисправностей дешифратора

Шифраторы

Шифраторы используются для генерации двоичного числа по какому-либо единичному событию, например нажатию клавиши. Некоторые шифраторы представляют собой простые комбинированные логические схемы, другие являются очень сложными цифровыми схемами, которые просматривают матрицу входов и вырабатывают двоичный выходной сигнал, отражающий нажатие клавиши. Схема 74922 принадлежит к последнему типу. Она использует матрицу клавиатуры 4x4, как показано на рис. 8.5.

Рис. 8.5. Диаграмма поиска неисправностей дешифратора

Схема 74922 представляет собой генератор синхроимпульсов, счетчик и дешифратор, которые сканируют клавиатуру, находя нажатые клавиши и преобразуя это событие в определенный двоичный код. Когда происходит нажатие клавиши, ИС переводит линию DAV в высокое состояние, показывая, что поступили данные.

Если на выходе 74922 неправильный выходной сигнал, это может быть следствием:

♦ отсутствия сигнала разрешения;

♦ неисправной схемы 74922;

♦ неисправных периферийных компонентов;

♦ неисправных схем. подключенных к выходу.

На рис. 8.6 представлены некоторые этапы поиска неисправностей, связанных со схемой 74922. Цель заключается в устранении возможных причин. Проверка генератора определяет, работает ли С1, и дает нам возможность понять, что часть схемы функционирует.

Рис. 8.6. Диаграмма поиска неисправностей для 74922

Для проверки генератора поместите щуп осциллографа на конденсатор С1. Если генератор работает, конденсатор будет циклически заряжаться и разряжаться. В противном случае микросхема или конденсатор неисправны. Можно проверить и конденсатор генератора и конденсатор защиты от дребезга контактов с помощью омметра, а затем шунтировав их исправным конденсатором. Если в конденсаторе обрыв, схема начнет работать, тогда его следует заменить. Этот прибор сканирует клавиатуру, подавая логический сигнал низкого уровня на каждый столбец но очереди. Если генератор работает, но на линии сканирования не поступают сигналы, ИС может быть неисправна.

Как показывает этот пример, самой важной предпосылкой локализации неисправностей является правильное понимание роли каждого компонента и смысла каждого сигнала.

Логические устройства с памятью

Большинство систем, которые мы считаем цифровыми: будильник, компьютер, схемы памяти ЭВМ изготовлены из логических устройств с памятью. Выход этих схем определяется входным током, а также предыдущим состоянием выходов. Для того чтобы понять работу этих систем, мы рассмотрим основные элементы построения схем с памятью.

Асинхронные RS-триггеры

Основным строительным блоком логических устройств с запоминанием является RS-триггер-защелка. Защелка может быть выполнена из двух элементов И-НЕ, выходы которых перекрестно соединены с входами друг друга, как показано на рис. 8.7.

Рис. 8.7. RS (set/reset) — триггер-защелка с активным низким уровнем входного сигнала

Отличительной особенностью схем с памятью и комбинационных схем является наличие обратной связи с выхода на вход. Это приводит к зависимости выхода от текущего состояния выхода.

Защелка RS имеет нормальное состояние входов: ВЫСОКИЙ, а два выхода всегда должны иметь противоположные состояния. Если на вход Set (Установить) подается низкий уровень, выход Q имеет уровень ВЫСОКИЙ. Если на выход Reset (Сброс) подастся низкий уровень, выход Q имеет уровень НИЗКИЙ. Когда оба входа — Set и Reset — имеют логический уровень ВЫСОКИЙ, выход защелки остается в том же состоянии, что был до этого.

Типичная область применения такой схемы — в системах подачи тревожного сигнала, как показано на рис. 8.8.

Рис. 8.8. Схема защелки для подачи сигнала тревоги при превышении уровня тепла

В этом случае два входа будут в нормальном состоянии иметь уровень ВЫСОКИЙ, что показывает состоянии «без изменений». Предположим, что тревожный выход изначально находится в состоянии НИЗКИЙ (нет сигнала тревоги). Когда чувствительный к температуре переключатель регистрирует тепло, превышающее его порог срабатывания, переключатель замыкается, подавая низкий уровень на вход защелки Set. Это переводит состояние выхода подачи тревожного сигнала на высокий уровень. Даже если температура снизится и переключатель разомкнется, сигнал тревоги будет продолжаться, поскольку последнее состояние было Set, а текущее состояние означает «нет изменений». Тревогу можно отключить только при нажатии оператором кнопки Reset.

Очень популярным вариантом использования схем с памятью является хранение двоичных чисел. Эти приборы часто называют регистрами, или запоминающими устройствами. Защелка D — один из типов элементов, являющихся основой построения регистров.

Как вы можете видеть на рис. 8.9, регистр выполнен на основе RS-защелки, чьи входы все время имеют противоположный уровень. Единственный случай, при котором может измениться статус выходного сигнала, это когда вход разрешения имеет высокий уровень. При этом выход всегда такой же, как и D-вход. Это часто называют прозрачным режимом. Когда на входе разрешения вновь установится низкий уровень, установившийся на Q уровень будет сохраняться даже при изменении входа D. Схема запомнила, или «защелкнула» заданную величину.

Рис. 8.9. D-защелка

Синхронные триггеры

Триггеры представляют собой защелки, которые могут изменять выход только при изменении сигнала на тактовом входе с одного уровня на другой. Чтобы отличить синхронные триггеры от асинхронных защелок, этот вход называют входом синхронизации. Системные часы представляют собой генератор прямоугольных импульсов, который определяет точное время, когда должно измениться состояние триггера.

Синхронный D-триггер работает, как и D-защелка, но он передает сигнал с входа на выход только во время прохождения тактового синхроимпульса. Триггеры обычно имеют также и набор асинхронных входов, которые называются Preset (Установка) и Clear (Сброс). Они называются асинхронными входами, поскольку выход отвечает на сигналы на этих входах в любое время, когда они активируются, независимо от входа синхронизации (рис. 8.10).

Рис. 8.10. D-триггер и его таблица истинности

JK-триггер похож на асинхронный RS-триггер-защелку. Вход J можно рассматривать как вход Set с активным высоким уровнем, а вход К как вход Reset с активным высоким уровнем. Кружок на входе синхронизации JK-триггера 7476, показанного на рис. 8.11 означает, что этот прибор срабатывает по отрицательному фронту. Выходы изменяются, когда уровень синхроимпульса переходит с высокого на низкий.

Рис. 8.11. JK-триггер и его временные диаграммы

Основное дополнение в JK-триггере заключается в том, что входы J и К могут активироваться одновременно. В этом режиме, называемым счетным, происходит переключение выхода при поступлении каждого синхроимпульса. Этот триггер также имеет асинхронные входы установки и сброса.

Счетчики

Режим переключения JK-триггера используется для построения счетных схем. Рассмотрим триггерную схему, показанную на рис. 8.12. Каждый выход Q используется для запуска входа синхронизации следующего триггера. На временной диаграмме обратите внимание на то, что каждый триггер переключается, когда предыдущий триггер изменяет состояние выхода с высокого на низкий.

Поскольку каждый триггер реагирует на изменение выхода предыдущего элемента, это соединение называется счетчиком со сквозным переносом.

Рис. 8.12. Использование JK-триггера для деления частоты синхроимпульсов

Заметьте, что максимальное количество состояний зависит от числа триггеров. Имеет место следующее соотношение:

Максимальное количество состояний = 2n, где n — количество триггеров.

Часто желательно изменить последовательность переключений, чтобы считать число состояний меньшее, чем максимальное. Наиболее распространенные счетчики работают в десятичной системе с 10 состояниями в каждом разряде. Построить подобный счетчик можно, как показано на рис. 8.13.

Рис. 8.13. Четырехразрядный десятичный счетчик

Триггер работает, как и обычный двоичный счетчик, до тех пор, пока число синхроимпульсов не превысит 9. Когда на выходе появляется число 1010, дешифратор опознает его и запускает линию сброса сигналом низкого уровня, что сразу сбрасывает выходное число с 1010 в 0000.

Счетчики можно также покаскадно соединять друг с другом. Например, для того чтобы сосчитать число минут от 0 до 59, цифровые часы должны иметь 2 счетчика. Первый считает от 0 до 9 (имеет десять состояний), после чего он снова сбрасывается в 0, самый старший разряд дает отрицательный фронт для инкрементирования второго счетчика. Второй счетчик считает от 0 до 5 (шесть состояний). В результате получается счетчик, который считает от 0 до 59 (шестьдесят состояний), как показано на рис. 8.14.

Рис. 8.14. Счетчик BCD, который считает от 0 до 59

В некоторые счетчики можно предварительно загрузить заданную величину, чтобы они считали от нее, возрастая до максимума, или убывая до минимума. Максимальную или минимальную величину часто называют конечным отсчетом, при достижении которого может происходить дешифрация этого события и повторная загрузка для начала следующего цикла. Например, счетчик может регистрировать количество объектов, которые находятся в коробке, емкостью 12 объектов. В счетчик записывается числом 1100 (двоичное) 12 при загрузке каждого объекта счетчик уменьшается на единицу. Когда счетчик достигает 0, дешифратор выдает импульс — сигнал для замены полной коробки на пустую.

Регистры сдвига

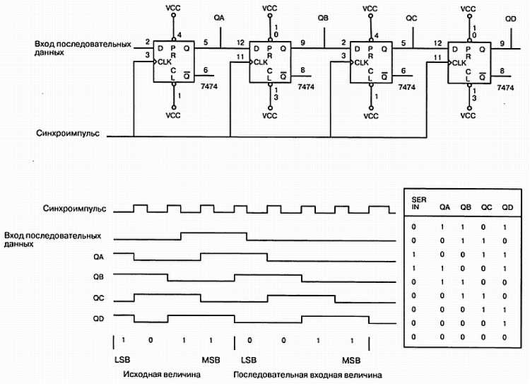
Регистры сдвига состоят из триггеров, которые соединяются для передачи информации от одного триггера другому, как показано на рис. 8.15. Регистры сдвига синхронизируются общим источником синхросигналов. Когда поступает активный фронт синхросигнала, установленное на последовательном входе число записывается в первый триггер. Предыдущее содержимое этого триггера записывается в следующий регистр и т. д. Диаграмма времени и график состояний на рис. 8.15 демонстрируют пример того, как исходное содержимое регистра 1101 сдвигается через QD, бит за битом. При этом новые последовательные данные (1100) поступают на QA через последовательный вход.

Рис. 8.15. Регистр сдвига на D-триггерах

Регистры сдвига можно соединить параллельно, аналогично счетчикам. Это полезно для преобразования параллельной формы представления двоичного числа (когда каждый вывод микросхемы соответствует определенному разряду) в последовательную форму, например, в последовательность импульсов, которую можно передать по одному проводу. На другом конце кабеля последовательные данные снова поступают в регистр, и из него считывается параллельная величина (рис. 8.16).

Рис. 8.16. Преобразования параллельных данных в последовательные и наоборот

Форма сигналов с временными характеристиками, приведенная на рис. 8.16, показывает распространенный формат асинхронной передачи данных. Асинхронная передача означает, что передатчик может послать символ в любое время. Передача такого рода может быть осуществлена по одной паре витых проводов: один провод для сигнала, другой — для земли. Стартовый бит необходим для оповещения приемника о предстоящей передаче данных.

Между передачами линия считается незанятой и всегда находится в состоянии логической 1. Стоповый бит обеспечивает, по крайней мере, время передачи 1 бита в незанятом режиме между символами.

 Между стартовым и стоповым битом данные сдвигаются по одному биту, начиная с наименьшего.

Микросхемы, которые используются для последовательной передачи данных, представляют собой универсальные приемопередатчики. Эти приборы содержат отдельные регистры сдвига и все остальные схемы, которые необходимы для добавления стартовых и стоповых битов и координации работы.

Уровень сигналов ТТЛ (5 В) плохо подходит для передачи по длинным кабелям. Поэтому входные и выходные сигналы типичного приемо-передатчика проходят через схемы преобразования уровня ТТЛ (+5 В и земля) в +12 В и -12 В для логического 0 и 1, и, соответственно, наоборот.

Для передачи сигналов на большие расстояния и для повышения помехоустойчивости, например, на телефонной линии, логические сигналы необходимо промодулировать высокой частотой. Эту работу выполняет модем (сокращение от модулятор/демодулятор). Скорость передачи данных измеряется в бодах и представляет собой количество передаваемых в секунду бит. Сервисное обслуживание систем последовательной передачи данных часто включает тестирование целостности линии и правильного соединения приемника и передатчика.

Если сигнал не поступает, необходимо провести диагностику неисправности с помощью осциллографа для прослеживания сигнала между различными каскадами передатчика. Другой способ убедиться в том, что кабель и приемник работают нормально, заключается в замене передатчика на заведомо исправное или тестовое устройство, которое обычно выдает закодированные символы ASCII, например буквы от А до Z.

Сигналы в компьютерной системе связи университета Пурдю (Purdue) часто передаются по кабелю на несколько километров, через множество соединительных устройств и коммутационных панелей. Часто возникают проблемы в линиях. Был разработан специальный инструмент поиска неисправностей при последовательной передаче для идентификации проблемы и тестирования системы. Этот диагностический блок может передавать и принимать последовательные данные, выводя их на жидкокристаллический экран. Он может также провести полное тестирование кабелей. Для использования функции тестирования проводки специалист подключает набор диодов к одному концу кабеля, а тестовый прибор — к другому концу. Прибор посылает импульсы по каждому проводу и регистрирует сигналы, возвращающиеся по другим проводам. Оценивая ответный сигнал, тестовый прибор определяет наличие в каждом проводе обрывов, короткого замыкания и неправильного подключения к терминалам.

Сервисное обслуживание триггерных схем

Выпускается множество ИМС для построения счетчиков, регистров и регистров сдвига. Все эти схемы используют триггеры. При поиске неисправностей сначала определите, получает ли схема правильные синхроимпульсы. Убедитесь в том, что асинхронные выходы (установка, сброс, загрузка), которые не зависят от синхросигналов, не активируются постоянным несоответствующим или ложным сигналом. Для этой цели хорошо подходит импульсная функция логического пробника. Если хотя бы один разряд не работает, следует определить, исправна ли запускающая схема и нет ли на входе загрузки постоянного высокого или низкого уровня.

Для определения правильности работы схемы с памятью необходимо установить должную последовательность состояний. Если она не указана в сервисном руководстве, прилагаемом к прибору, специалисту нужно проанализировать триггерную схему, чтобы предсказать эту последовательность. Можно построить таблицу соответствия текущего и следующего состояния, в которой будут отображены все возможные комбинации состояний на всех выходах. В схемах с памятью выходы обычно логически комбинируются с другими логическими сигналами и подаются на входы триггеров. Оценивая комбинационную логику, можно определить текущие состояния входов каждого триггера. Если это известно, всегда можно предсказать следующее состояние (рис. 8.17).

Рис. 8.17. Чертеж и таблица для анализа схемы привода шагового двигателя

Специалист может использовать подобную таблицу для определения правильности сигналов на входе, сравнивая данные с результатами своих измерений. Если они отличаются, то неисправна комбинационная схема. Когда результаты измерений соответствуют таблице, то может быть неисправна триггерная схема.

Логический пробник поможет определить, что данный выход ИС вообще не изменяется. Но как узнать, происходит ли это из-за неисправности в данной ИС, или же из-за того, что не подаются надлежащие входные сигналы? Выход может зависеть от одновременного состояния четырех или более входов. Если состояния входов меняются быстро, для оценки их работоспособности обычно необходимо специальное тестовое оборудование. Логический анализатор является прекрасным средством отображения реальных временных соотношений в логической схеме. К сожалению, установка и подключение логического анализатора требуют много времени, и он не всегда доступен вследствие высокой стоимости. Многоканальные осциллографы также очень полезны, но обычно ограничиваются отслеживанием четырех сигналов и имеют недостаточное количество условий запуска.

Формы цифровых сигналов

Во многих учебниках и справочных пособиях по цифровой технике логические сигналы изображаются в виде идеальных прямоугольных импульсов с красивыми ровными уровнями и мгновенным фронтом. Высокие и низкие уровни реальных импульсов очень часто испытывают воздействие и других сигналов (рис. 8.18).

Рис. 8.18. Пример формы цифрового сигнала

Физически невозможно мгновенно изменить уровень сигнала с 0 до 5 В. Для этого требуется бесконечно большая мощность. Время, затрачиваемое для перехода от одного уровня к другому, зависит от прибора, который генерирует импульсы, и от реакции (в основном, емкостной) нагрузочной схемы. Количество «мусора», или паразитных колебаний, которое будет наблюдаться на уровнях сигнала, зависит от быстродействия схемы и близости прохождения других сигналов. До тех пор, пока импульсные помехи не превысят логические уровни, схема будет работать хорошо.

Имейте также в виду, что с помощью осциллографа для наблюдения форм непериодического сигнала, вы не сможете получить статичную картинку. Другой важный момент касается источника запуска осциллографа. Если для запуска используется младший бит, это может вызвать расплывчатое изображение или стабильное, но некорректное изображение формы сигнала.

Пример сервисного обслуживания последовательной цифровой схемы

Мы рассмотрим типичный прибор — высокоскоростное устройство тиражирования аудиозаписей на магнитной ленте, изготовленное фирмой Telex Communications Inc., похож на другие цифровые схемы и может послужить примером методики сервисного обслуживания цифровых систем.

Прежде всего необходимо понять, каковы критерии нормальной работы прибора. Руководство пользователя часто дает всю необходимую информацию К счастью, фирма Telex предлагает технические инструкции по очень разумной цене.

Этот раздел даст вам представление о том, какая информация содержится в техническом руководстве. Мы также увидим, как цифровые схемы работают вместе в небольшой системе и научимся тому, что необходимо сделать для локализации неисправности в схеме.

 Следующие два абзаца взяты из первой части руководства фирмы Telex, чтобы познакомить вас с прибором.

Copyette (TM) 1 &3 Telex представляет собой двуканальное двудорожечное монофоническое устройство тиражирования аудиозаписей на магнитной ленте, выполненное не базе полупроводниковых электронных приборов, размещенных на съемной модульной плате из стеклотекстолита. Это легкий, переносной настольный прибор, предназначенный для высокоскоростного копирования. Устройство может выполнять три копии с оригинала. Copyette 1&3 дублирует кассеты С-60 с длительностью записи на каждой стороне 30 мин за один проход менее чем за две минуты. Запуск осуществляется нажатием на кнопку Cycle.

Лентопротяжный механизм, который питается от сети переменного тока и потребляет не более 60 Вт, содержит два двигателя и приспособление для верхней загрузки кассет, расположенных в прочном пластмассовом корпусе. Перемещение ленты обеспечивается двигателем постоянного тока с электронным управлением. Нажатие кнопки Cycle подает питание на все четыре лентопротяжных устройства одновременно. На лентопротяжном механизме ORIGINAL воспроизводится кассета, а другие осуществляют запись на свободные магнитные ленты. Операция продолжается до тех пор, пока на приспособлении ORIGINAL не будет обнаружен конец ленты, после чего лентопротяжный механизм останавливается. После чего Copyette 1&3 переходит в режим ожидания».

Отметим, что в рабочем цикле устройства 4 состояния:

1. Ожидание.

2. Начальная перемотка перед копированием.

3. Копирование.

4. Перемотка всех четырех лент.

Следующий раздел сервисного руководства называется «Теория работы». Он описывает схемы, электропитания, звуковые усилители, предусилители воспроизведения, систему управления двигателем и схемы управления протяжкой ленты. Поскольку эта глава касается поиска неисправностей в цифровых схемах, мы рассмотрим только последние схемы. При чтении раздела о теории работы схемы, необходимо обратится к изображениям (рис. 8.19).

1. Емкость всех конденсаторов приведена в микрофарадах, если не указано иначе.

2. Сопротивление резисторов указано в Омах, рассеиваемая мощность 0.25 Вт ± 5 %. если не указано иначе.

3. Все напряжения — это напряжения постоянного тока, измеренные с помощью вольтметра с высоким импедансом относительно земли.

4. Все напряжения типовые и могут незначительно отличаться вследствие допусков элементов схемы.

5. СМ — двигатель вращения вала, РМ — двигатель позиционирования.

6. Эта схема может изменяться при модернизации устройства.

Рис. 8.19. Схема цепей устройства Copyette 1&3

 «Все режимы работы Copyette 1 &3 задаются счетчиком и соответствующей логикой дешифратора. Счетчик U2 (4013) представляет собой сдвоенный D-триггер. Этот счетчик с делением на 2 может выдавать четыре различных двоичных состояния (соответствующие четырем состояниям процесса копирования). Когда на Copyette 1&3 подается питание, логические схемы переходят в состояние ожидания (U4A и сопутствующими компонентами). Интерфейс Copyette 1&3 позволяет при нажатии кнопки переходить сразу к следующему циклу, независимо от текущего состояния. Кроме того, для схемы позиционирования головки необходима определенная логика. При включении питания устройство проверяет положение головки, чтобы определить, в каком режиме находится механика (с помощью оптических датчиков положения ED5 и ED6). Для соответствия требованиям режима ожидания прижимной ролик и скоба головки должны быть отведены назад. Соответствующий датчик ED5 формирует сигнал выключения (логический уровень низкий на Р7-5.

Каждый накопитель снабжен схемой регистрации конца ленты, которая состоит из оптрона инфракрасного излучения с открытым каналом IR. Отражающий элемент прикреплен к валу, схема формирования сигнала окончания ленты состоит из двух элементов И-НЕ (часть U5, U6) и RC элемента задания постоянной времени (C4-R15, C5-R18, C8-R22, C9-R25). Отражающий элемент расположен не вокруг всего вала, поэтому отражение любого падающего света во время вращения прерывистое. Каждая оптоэлектронная пара IR настроена так, чтобы отражать и принимать излучение во время вращения вала. Рабочие напряжения и формы сигналов приведены на рис. 8.20.

Выход всех четырех схем EOT подается через входные диоды (CR3, 4, 7, 8), катоды которых соединены вместе. Любой переход уровня высокий-низкий на катодах диодов оказывает такое же воздействие, как нажатие кнопки Cycle: устройство переходит к следующей операции. Например, если машина находится в состоянии перемотки перед копированием, переход ВЫСОКИЙ-НИЗКИЙ на линии означает, что во всех накопителях перемотка закончилась и можно начинать копирование. Однако можно заметить, что когда устройство находится в режиме копирования, следующая операция (перемотка после копирования) начинается, когда прекращает движение лента в накопителе ORIGINAL, даже если одна или более лент, на которые производится копирование, все еще движется. В режиме копирования схема обнаружения конца ленты для всех накопителей отключается высоким логическим уровнем на выводе 4U4. Причина заключается в том, что просто нет необходимости продолжать копирование».

Рис. 8.20. Схемы для поиска неисправностей из сервисного руководства фирмы Telex

Чтобы помочь вам понять работу схемы, необходимо привести следующие пояснения. Copyette 1&3 механически определяет направление, в котором вращается лента и положение головок и ролика, перемещая направляющий винт полностью по часовой стрелке (головки в действии) или против часовой стрелки (головки убраны). Двигатель, который приводит в действие этот направляющий винт, показан в дальней части правой стороны схемы и называется позиционирующим двигателем (РМ). Рабочее положение служит для копирования (вал вращается вперед). Положение с убранными головками используется для всех остальных режимов работы (при перемотке вал вращается в обратном направлении). Обратите внимание, что транзисторы привода двигателя управляются элементами комбинированной логики U3B, U4C, U3D, которые используются для декодирования состояния счетной схемы и регистрируют механическое положение.

Это сервисное руководство детально описывает правильную работу системы. На рис. 8.20 показана страница из руководства, которая содержит три полезных таблицы. Первая дает логические уровни для каждого из основных элементов при грех активных режимах работы. Вторая (3.4) определяет логические состояния U2 для каждого режима. Третья (3.5) показывает типичные формы сигналов в контрольных точках схемы.

Если в сервисном руководстве содержится подобная информация, это может оказать серьезную помощь для быстрой локализации проблемы. Иначе специалист должен восстановить значительную часть ее с помощью тщательного анализа схемы. В любом случае мастер обязан понимать, каковы должны быть правильные логические уровни сигналов, прежде чем измерять их реальные значения.

Важно также, чтобы специалист понимал условия и предпосылки, при которых нормальные логические уровни должны действовать. В этом примере это «статические» уровни. Это означает, что они корректны, когда устройство работает должным образом в заданном режиме. Они некорректны для периода изменения состояний. Например, когда двигатель, определяющий положение постоянно возникают у первого и редко в присутствии второго. Когда в устройстве возникает неисправность такого рода, это выражается в следующем. После полной перемотки всех лент двигатель, как всегда, меняет скорость, но затем двигатель позиционирования лишь слегка перемещает головки, в то время как по правилам головки должны полностью выходить. Следует обратить внимание на еще подозрительные факторы. Когда во время копирования ролик не вращается, кнопка Cycle не переходит к следующему состоянию и кажется, что-то перегревается, пора обратиться к специалисту (табл. 8.2).

Таблица 8.2. Схема поиска неисправностей для Copyette 1&3

Симптом ∙ Возможная причина

1. Переключатель включен, нет питания

а) сетевой предохранитель;

б) выключатель S2;

в) питание

2. В режиме копирования лента не движется, валы не вращаются

а) проскальзывает ремень привода

б) проверьте:

— выключатель S2;

— схему привода двигателя;

— регулировку скорости двигателя

3. В режиме копирования нет движения ленты, валы вращаются

а) заклинивание кассеты

б) заедание вала

в) слабая или сломанная пружина.

4. Скоба ролика прижатия головок не выдвигается до конца

а) В+;

б) механизм прижима ролика;

в) транзисторы Q9, Q10

5. Скоба ролика прижатия головок не возвращается до конца

а) В+;

б) схему управления перемотки;

в) транзисторы Q9, Q10

6. Чрезмерный шум и вибрация

а) заедание кассеты;

б) ролик и/или тонвал засорены;

в) подшипник тонвала грязный или засорен;

г) засорен подшипник вала

7. Лента движется, но копирования не происходит или оно плохое

а) грязная или неисправная головка;

б) намагничена головка или тонвал;

в) плохое качество оригинала;

г) сломаны или отсоединены провода головки;

д) проверьте:

— ориентировку головки;

— уровень записи:

— смещение головки записи;

— аудиоплату В+

8. Копирование происходит на неправильную дорожку

а) неправильное подключение головки

9. Двигатель работает, но не поддерживает скорость

а) ремень привода;

б) потенциометр R2;

в) схему управления двигателя

10Двигатель работает, но не поддерживает скорость перемотки

а) потенциометр R10;

б) транзистор Q4

Поскольку вышеописанная неисправность возникает непостоянно, причины перегрева можно исключить. Для начала мы тестируем источник питания В+ и отмечаем, что он работает нормально. Проверяем транзисторы Q9 и Q10 с помощью омметра, они также в порядке. Проверим схему привода копирования.

Первое, что мы должны сделать, — это использовать наши органы чувств, как описано в главе 1. Некоторые из мощных резисторов (0,5–1 Вт) окрасили плату под собой в коричневый цвет. В этом нет ничего необычного. Область вокруг диода CR23 тоже выглядит странно, но быстрый тест с помощью функции проверки диода цифрового вольтметра показывает, что он исправен. В режиме работы без нагрузки никакие детали не нагреваются слишком сильно.

В соответствии с признаками кажется, что в режиме копирования имеют место две неполадки. Головки не выдвигаются, и кнопка Cycle не работает. На основании этих фактов необходимо принять решение о том, с чего начать поиск проблемы. Специалист должен сформулировать гипотезу, которая соответствует фактам и может, выявить источник неприятностей.

Рассмотрим следующую гипотезу: возможно из-за того, что кнопка Cycle не работает, счетчик работает неправильно и в результате двигатель позиционирования головок не выдвигает их. К несчастью, поскольку двигатель позиционирования не полностью выдвигает головки, в режиме копирования статические диаграммы неприменимы. Мы должны полагаться на наше понимание структуры компонентов схемы, чтобы решить, работают ли они правильно.

Сначала в режиме ожидания мы используем логический пробник для проверки состояния счетчика (U2). Выводы 2, 12 и 13 имеют соответственно значение 1, 1 и 0, как описано в табл. 3.4 на рис. 8.20. Мы помещаем логический пробник на вход синхронизации — вывод 3 ИС U2 — и нажимаем кнопку Cycle, после чего сразу же активируется индикатор импульса, чтобы затем через несколько секунд загореться снова, когда двигатель пленки поменяет скорость. До сих пор работа идет как надо. Дальнейшие попытки нажать кнопку Cycle не вызывают появления импульсов на этом входе. Он всегда имеет уровень ВЫСОКИЙ. Отслеживая прохождение сигнала назад, мы помещаем пробник на вывод 9 схемы U3A. На этом выводе импульс появляется каждый раз, когда мы нажимаем кнопку Cycle. Однако вывод 8 этой ИС имеет уровень НИЗКИЙ, что не позволяет импульсам проходить через схему И НЕ. Проверив выходы счетчика в этом состоянии, мы обнаруживаем, что они правильно работают в режиме копирования (выводы 2, 12, 13 имеют значение 1,0, 1 соответственно). Дальнейший анализ показывает, что в режиме копирования, для того чтобы запустить U3A, по меньшей мере, один из роликов ленты должен вращаться. Это означает, что наша первая гипотеза была неправильной. Кнопка Cycle не работает потому, что механизм позиционирования головок не выдвигает их, а не наоборот, как мы предположили.

Неисправность, как теперь кажется, находится между счетчиком и двигателем позиционирования. Счетчик работает правильно, но не может пройти вперед из-за того, что ролики не вращаются. Ролики не вращаются, поскольку головки не выходят вперед. Мы готовы выдвинуть гипотезу 2: проблема в схеме, которая запускает двигатель позиционирования.

В качестве средства запуска двигателя схема указывает Q6, Q7 и Q10. Исследуя U3D должна активировать эти компоненты запуска двигателя, когда датчик положения ED6 указывает, что сейчас головки не выдвинуты (то есть имеет место высокий логический уровень), а счётчик указывает, что текущий режим работы — копирование (высокий уровень на выводе 4 U4). Наш логический пробник показывает, что выводы 12 и 13 ИС U3D имеют высокий уровень, а вывод 11 — низкий. Позиционирующий двигатель для выхода головок должен вращаться, но он не вращается.

Мы используем цифровой вольтметр для измерения напряжений транзисторов Q6 и Q7. Они, как и ожидается, оба включены и коллектор Q7 имеет напряжение — 16 В. Однако, напряжение на базе Q10 должно быть около -16 В, а оно близко к нулю. Усиливается запах горелого углерода. Напряжение на R45 около 16 В (пытается рассеять около 4 Вт). Мы выключаем питание для того, чтобы он остыл, и ищем новую информацию.

Все схемы, которые запускают двигатель выдвижения головок, работают правильно, кроме заключительного транзистора Q10. При том напряжении, которое в настоящее время имеет место на его базе, он не может включиться.

Наступило время для гипотезы 3: какая-то другая причина воздействует на правильный выход головок. Может быть, она пытается отвести головки назад и в то же время вывести их! Используя логический пробник, мы определяем, что вывод 8 U4D имеет логический уровень ВЫСОКИЙ. Это происходит тогда, когда система убирает головки. Гипотеза 3 правильна! Теперь мы должны найти причину.

Что-то должно заставлять вывод 9 U4D иметь высокий уровень, но он имеет НИЗКИЙ уровень. Оценивая схему U4C мы определяем, что она должна иметь высокий уровень, поскольку механизм позиционирования не находится в положении, когда головки отведены назад. В этом состоянии вывод 4 U4B должен выдавать высокий уровень, который отключает привод отвода головок. Мы устанавливаем логический пробник на ввод 4 схемы U4B и видим, что он все еще имеет высокий уровень. Высокий уровень на аноде CR23 и низкий уровень на катоде (соединенном с выводом 9 схемы U4D) может означать только, что в схеме CR23 обрыв.

Мы отпаиваем диод с помощью устройства удаления припоя, описанного в главе 7. Диод, вынутый из платы, рахчамывается пополам — тот самый, который показался нам странным полчаса назад. Но омметр засвидетельствовал, что он исправен. Это еще один хороший урок: не надо пропускать очевидного. Теперь мы знаем, что неисправные элементы при тестировании могут давать удовлетворительные показания при работе в ненагруженном состоянии. К счастью, новый диод за 10 центов решил проблему.

Ремонт сложных электронных цифровых схем

В современном производстве происходит постепенная замена традиционных печатных плат с компоновкой стандартных интегральных микросхем (ИМС) с двурядным расположением выводов и пассивных элементов с выводами для объемного монтажа. Возросшие системные требования, корпуса меньших размеров, стоимость производства и т. д. стимулируют разработчиков и изготовителей к применению специализированных ИМС, увеличению плотности монтажа элементов и уменьшению размеров плат. В результате характеристики новейших электронных изделий как бытовых, так профессиональных, непрерывно улучшаются. Современные технологии автоматизированного проектирования и производства повышают плотность деталей на единицу площади платы, но также делают ремонт почти невозможным без специального оборудования.

К подобным случаям относятся приборы поверхностного монтажа, применяемые ранее лишь в производстве так называемых гибридных микросхем (см. главу 6). Компоненты, имеющие проволочные или штыревые выводы, в прошлом размещались на печатных платах с одной стороны, а паяные соединения с другой. Выводы каждой детали проходили через контактную площадку с отверстием в плате. Технология поверхностного монтажа не требует отверстий для выводов ИМС. но предлагает медную контактную площадку для каждого вывода ИМС.

Выводы ИМС изгибаются в соответствующем направлении для обеспечения достаточной площади пайки к контактным площадкам. Компоненты для поверхностного монтажа автоматически размещаются станком, наклеиваются на площадки, а затем припаиваются вместе с остальными составляющими. Компоненты для поверхностного монтажа, содержащие интегральные схемы малой и средней степени интеграции, можно заменить на печатной плате, используя описанные в главе 6 приемы и инструменты.

Многие цифровые системы содержат одну или более ИМС специального назначения с большой степенью интеграции. Они часто изготавливаются по технологии сверхбольших интегральных схем (СБИС) и имеют десятки входов и выходов. Для размещения столь многофункционального кристалла в относительно небольшом корпусе ИС приходится уменьшать расстояние между выводами и располагать их по всему периметру корпуса ИМС. Оба эти способа делают ручной ремонт неисправных деталей чрезвычайно трудным.

Для того чтобы обеспечить связь между многочисленными ИМС в системе, часто приходится располагать слои медных печатных проводников внутри слоев самой платы. Эти многослойные платы имеют сквозные металлизированные отверстия для связи в нужных точках. Поскольку соединения расположены в толще платы, невозможно визуально отследить соединения элементов, что ранее часто приходилось делать специалисту.

Еще один способ повышения плотности монтажа — объединение многочисленных плат модульной системы в одну. Это повышает надежность устройства в целом за счет устранения кабелей и разъемов — основных источников неисправностей — и использовать сборочную линию для изготовления одной системной печатной платы, вместо разнородных плат меньшего размера. Установка такой платы в корпус устройства гораздо проще и выгодней.

Однако во многих случаях обслуживание таких систем сложнее. Например, процесс локализации неисправности в прежних модульных системах часто заключался в последовательной замене определенных плат из системы, для того чтобы проверить, исчезнут ли признаки неисправности. Замену компонентов поверхностного монтажа часто невозможно выполнить вручную, вследствие ограниченных допусков на размещение деталей. Выводы настолько близко расположены друг к другу и их так много. Попытка сделать что-либо вручную чаще всего приводит к образованию перемычек из припоя между контактными площадками. Нередко фирмы-изготовители имеют автоматизированные ремонтные предприятия, которые могут повторно использовать печатные платы такого тина. Тогда специалисту, работающему непосредственно на объекте, остается убедиться в неисправности такой системной платы и отправить ее на замену или ремонт. Стоимость платы при замене обычно составляет небольшую часть стоимости новой платы. Во многих случаях система использует светодиодные индикаторы или коды ошибок какого-либо типа для помощи в поиске неисправностей. Как следствие, в данном случае специалист не нуждается в глубоком понимании, которое необходимо для обслуживания на уровне компонентов, однако профессионал должен быть оснащен соответствующим диагностическим оборудованием.

Профилактическое техническое обслуживание

Электронные цифровые схемы могут работать много лет, если они находятся в условиях, предусмотренных техническими характеристиками. Полупроводниковые схемы ИМС не имеют ограниченных сроков службы, как их предшественники на вакуумных лампах. Однако если эти приборы подвергаются воздействию повышенной температуры в течение длительного периода, они преждевременно выйдут из строя. В цифровых системах, состоящих из множества плат, каждая их которых содержит несколько рядов ИМС, общее рассеяние энергии может составлять сотни Вт.

Самой первой процедурой при техническом обслуживании таких систем является очистка и обеспечение притока воздуха. Если на компонентах оседает слишком много пыли, то она действует как теплоизоляция, сохраняя тепло внутри схемы. Если нет достаточной циркуляции воздуха возле платы, местная температура будет постепенно возрастать. Периодически открывайте корпус и струей сжатого воздуха удаляйте пыль. Проверьте все вентиляторы и убедитесь, что они исправны. В небольших вентиляторах, установленных на шасси, часто возникают проблемы, связанные с истиранием или загрязнением подшипников, что приводит к усилению трения и уменьшению числа оборотов в минуту. Это означает, что они больше не вращаются так быстро, как должны, и подают меньше воздуха. Очистите и смажьте подшипники, а по необходимости замените их. Убедитесь, что вентиляционные отверстия в корпусе не перекрыты посторонними предметами.

Многие цифровые системы используют торцевые разъемы для печатных плат, выполненные из печатных контактных площадок с покрытием (серебром, золотом и т. п.), которые вставляются в общие разъемы. Если необходимо удалить печатную плату, то желательно также хорошо прочистить и разъем. Используйте обычный ластик для чистки медных или золоченых контактов на печатных платах. Обработайте их высококачественным средством для очистки контактов в аэрозольной упаковке. Удалите с помощью струи сжатого воздуха пыль с соответствующих контактов в общих разъемах и также обработайте их аэрозолем для очистки контактов. Когда оно испарится, можно поместить плату на место.

Вопросы для самоконтроля

Выберите правильный ответ:

1. Логические схемы, выходной сигнал которых зависит от входного сигнала, а также от предшествующего состояния выхода, называются:

а) комбинированные логические схемы;

б) логические схемы с памятью;

в) дешифраторы;

г) мультиплексоры.

2. Основная проблема при попытке поиска неисправностей в сложных цифровых системах заключается в:

а) сигналы изменяются слишком быстро;

б) опасность поражения высоким напряжением;

в) цифровые схемы не могут работать при подключении тестового оборудования;

г) выходной сигнал непредсказуем.

3. Десятичный эквивалент двоичного числа 1001:

а) одна тысяча один;

б) одиннадцать;

в) семь;

г) девять.

4. Десятичное число 14 в двоичном виде выражается как:

а) 1010;

б) 1000;

в) 1110;

г) 11111.

5. Десятичное число 13 в шестнадцатеричном виде это:

а) А;

б) В;

в) С;

г) D.

6. Шестнадцатеричная величина, равная двоичному числу 1100, это:

а) А;

б) В;

в) С;

г) D.

7. Задача использования шестнадцатеричной системы счисления заключается в:

а) компьютеры могут обрабатывать только шестнадцатеричные числа;

б) это простой способ обращаться с большими двоичными числами;

в) это смущает специалистов по аналоговым устройствам;

г) их проще использовать для математических операций, чем десятичные.

8. Прибор, который выдает выходной сигнал при подаче на вход определенной двоичного числа, называется:

а) защелка;

б) микропроцессор;

в) триггер;

г) дешифратор.

9. Если выход предшествующего дешифратора никогда не изменяется, проблема, возможно, заключается в том, что:

а) входы никогда не находятся в искомом состоянии;

б) дешифратор неисправен;

в) схема, подключенная к выходу дешифратора, удерживает выходной сигнал на низком уровне;

г) ничего из перечисленного.

10. Если схема 74922 работает корректно, что из следующих утверждений правильно?

а) линия DAV всегда будет иметь высокий уровень;

б) конденсатор генератора будет заряжаться и разряжаться;

в) выходы данных будут всегда иметь высокий или низкий уровень;

г) линия DAV всегда будет иметь низкий уровень.

11. Основным составляющим элементом для схем с памятью является:

а) дешифратор;

б) синтезатор;

в) триггер-защелка;

г) микропроцессор.

12. Какое из указанных ниже условий должно выполняться, чтобы данные были зафиксированы в D-триггере?

а) на D-входе должны находиться данные;

б) вход синхронизации должен изменить состояние;

в) для сохранения данных должно поддерживаться питание;

г) все указанное выше.

13. Асинхронные входы предварительной установки и сброса триггера:

а) работают независимо от сигнала синхронизации;

б) синхронизируются сигналом на входе синхронизации;

в) их действие можно отменить сигналами на других входах;

г) все указанное выше.

14. Последовательное соединение двух счетчиков М и N дает общий модуль:

а) M + N;

б) M — N;

в) M x N;

г) M/N.

15. Частота выходного сигнала триггера в счетном включении (Т-триггер) составляет:

а) половину тактовой частоты;

б) удвоенную тактовую частоту;

в) равна частоте поступающих импульсов;

г) ничего из перечисленного.

16. Регистры сдвига можно использовать для:

а) временного хранения данных;

б) преобразования параллельных данных в последовательные;

в) преобразования последовательных данных в параллельные;

г) все перечисленное.

17. Основное преимущество последовательной передачи данных заключается в том, что:

а) используется множества регистров сдвига;

б) данные можно передавать по одной линии;

в) она быстрее параллельной передачи;

г) все перечисленное.

18. Когда осциллограф используется для наблюдения формы сигналов цифрового счетчика, источником запуска должен служить:

а) сигнал синхронизации;

б) наименее значащий бит;

в) наиболее значащий бит;

г) ничего из перечисленного.

19. Большие функциональные возможности в меньших корпусах достигаются за счет:

а) совмещении функций схем в специализированной ИС;

б) уменьшения расстояния между выводами;

в) отказа от использования корпусов с двухсторонним расположением выводов;

г) все перечисленное.

20. Последовательная передача данных обычно осуществляется:

а) по восьми отдельным проводам;

б) в виде логических импульсов ТТЛ уровней;

в) с использованием высоковольтных логических уровней;

г) все перечисленное.

Вопросы и проблемы

1. Назовите три диагностических прибора, наиболее полезные при поиске неисправностей в цифровых схемах с памятью.

2. Перечислите три причины, по которым выход дешифратора может никогда не активизироваться.

3. Перечислите три причины, по которым дешифратор 74922 может работать некорректно.

4. Заполните таблицу, показывающую работу RS-триггера-защелки с активным высоким входом.

5. Опишите режимы работы счетчика.

6. Определите термин «каскадное соединение».

7. Перечислите три причины, почему поиск неисправностей на уровне микросхем становится менее практичным.

8. Объясните, почему цифровые сигналы не выглядят как идеальные прямоугольные импульсы, показанные в учебниках.

9. Дайте определение специализированным интегральным микросхемам.

10. Дайте определение СБИС.

11. Опишите технологию поверхностного монтажа.

12. Опишите многослойные печатные платы.

13. Что такое универсальный асинхронный приемопередатчик?

14. Какой бит данных выходит из асинхронного приемопередатчика первым?

Более 800 000 книг и аудиокниг! 📚

Получи 2 месяца Литрес Подписки в подарок и наслаждайся неограниченным чтением

ПОЛУЧИТЬ ПОДАРОК