Простой терморегулятор [4]

В предлагаемой конструкции используется сетевое напряжение 220 В. Поэтому при сборке, налаживании и эксплуатации прибора следует строго соблюдать меры предосторожности, необходимые при работе с высокими напряжениями.

Предлагаемый терморегулятор представляет собой обычный переключатель переменного тока, в котором источником управляющего сигнала является термистор, а в качестве переключающего элемента используется симметричный тиристор. Принципиальная схема прибора приведена на рис. 9.

Рис. 9. Принципиальная схема простого терморегулятора

Основу терморегулятора составляют датчик температуры, схема управления, выполненная на транзисторах Т1-Т5, а также переключающий элемент Тс1. В качестве датчика температуры в данной конструкции используется термистор R22, имеющий отрицательный тепловой коэффициент. Это означает, что при низкой температуре такой термистор имеет большое сопротивление, а при повышении температуры его сопротивление уменьшается. Именно это свойство термистора используется в данной конструкции для оценки изменений температуры окружающей среды.

Сигнал от датчика температуры поступает на схему управления, выполненную на транзисторах Т1-Т5. При этом на транзисторах Т4 и Т5 собран триггер Шмитта, формирующий управляющее напряжение смещения для транзистора Т3. Каскад на транзисторе Т3 выполняет роль усилителя переменного напряжения, а также обеспечивает включение нагрузки при нулевом сетевом напряжении. Усиленный сигнал подается на каскады, выполненные на транзисторах Т1 и Т2, на выходе которых формируются управляющие импульсы для переключающего элемента. В качестве переключающего или ключевого элемента в предлагаемой схеме использован симметричный тиристор Тс1, который, в отличие от обычного тиристора или транзистора, позволяет переключать обе полуволны сетевого напряжения.

Термистор R22 вместе с регулировочным резистором R21 и резистором R17 образует делитель напряжения, обеспечивающий формирование напряжения смещения, подаваемого на базу транзистора Т4. При этом определенным положениям движка резистора R21 соответствует значение выбираемой величины температуры, при которой переключается триггер и, соответственно, включается или отключается нагрузка. С поворотом движка резистора R21 в ту или иную сторону изменяется величина напряжения смещения на базе транзистора Т4, что приводит или к его открыванию, или к запиранию. В результате срабатывает триггер Шмитта, выполненный на транзисторах Т4 и Т5.

Для под держания нужной температуры положение движка резистора R21 необходимо выбрать таким образом, чтобы при достижении этой температуры происходило переключение триггера. Так, например, если температура окружающей среды меньше, чем выбранная, то транзистор Т4 закрыт, а транзистор Т5 открыт. При этом делитель, образованный резисторами R13 и R14, обеспечивает формирование напряжения смещения необходимой величины, которое подается на базу транзистора Т3. Каскад на транзисторе Т3 усиливает уменьшенные импульсы сетевого напряжения, поступающие через резисторы R1 и R9. Усиленные импульсы подаются на схему переключения, образованную транзисторами T1, Т2 и симистором Тс1. В результате симистор открывается, а на нагрузку подается питающее напряжение. Если в качестве нагрузки используется нагревательный элемент, то он начнет функционировать в обычном режиме, обогревая, например, помещение. Когда температура окружающей среды станет равной той величине, которая выбрана с помощью регулятора R21, напряжение на базе транзистора Т4 станет равно порогу, необходимому для срабатывания триггера Шмитта.

В этом случае транзистор Т4 откроется, а транзистор Т5 закроется. В результате напряжение смещения, подаваемое на базу транзистора Т3, изменится. Поэтому перестанут поступать управляющие импульсы на схему переключения, а нагревательный элемент отключится от сети. Если температура немного понизится, то на базе транзистора Т4 появится пороговое напряжение, достаточное для срабатывания триггера. Триггер опять переключится, на нагревательный элемент вновь поступит напряжение питания. Необходимо отметить, что особенностью такого триггера является то, что при его срабатывании наблюдается явление гистерезиса. Это означает, что для включения схемы на вход триггера необходимо подать иное, большее напряжение, чем для выключения.

Как известно, при включении нагрузки в момент, когда величина напряжения в сети отличается от нуля, из-за большого скачка тока появляются помехи, распространяющиеся в сети и влияющие на работу других электроприборов, в первую очередь телевизионной и радиоаппаратуры. Одна из отличительных особенностей предлагаемого устройства заключается в том, что включение нагрузки происходит в тот момент, когда сетевое напряжение проходит через нулевую точку. В результате указанные помехи ограничиваются или почти полностью устраняются. Для этого используется каскад на транзисторе Т3, на базу которого через резисторы R1 и R9 подается сетевое напряжение. Естественно, данный каскад функционирует только в том случае, когда на базе транзистора Т3 присутствует напряжение смещения необходимой величины. В этом случае уменьшенное переменное напряжение сети усиливается и далее поступает на схему переключения, в состав которой входят транзисторы Т1 и Т2, а также дифференцирующие цепочки, выполненные на элементах R7C2 и R8C3.

Из поступающих с коллектора транзистора Т3 положительных и отрицательных импульсов дифференцирующие цепочки, выполненные на элементах R7C2 и R8C3, формируют управляющие импульсы для симистора. Сформированные импульсы усиливаются транзисторами Т1 и Т2 в зависимости от их полярности. Каскад на транзисторе Т1 усиливает отрицательные импульсы, а каскад на транзисторе Т2 — положительные. Далее усиленные импульсы подаются на управляющий электрод симистора и открывают его. Таким образом, каскады на транзисторах Т1 и Т2 вместе с указанными дифференцирующими цепочками формируют в начале каждого полупериода импульс тока, который обеспечивает открытие симистора. В результате симистор подключает нагрузку к сетевому напряжению от начала до конца каждого полупериода. При этом напряжение сети подается на нагревательный элемент.

Симметричные тиристоры (симисторы) могут включаться при подаче управляющего импульса не только при прямом, но и при обратном напряжении на аноде, поэтому такие тиристоры могут работать в цепях управления переменным током. Через симистор, находящийся в выключенном состоянии, проходит незначительный ток утечки. Если же симистор включен и находится в проводящем состоянии, то при протекании значительного тока остаточное напряжение на нем не превышает величин от десятых долей до единиц вольт.

Одной из особенностей симистора является то, что если его открыть импульсом, подаваемым на управляющий электрод, то симметричный тиристор останется открытым до тех пор, пока протекающий через него ток не станет нулевым. В предлагаемой конструкции именно в этот момент на управляющий электрод симистора подается следующий импульс. Таким образом обеспечивается практически непрерывное нахождение симистора в открытом состоянии.

Для питания схемы используется напряжение величиной примерно 15 В, которое формируется из сетевого напряжения диодом D2 и стабилитроном D1. Снижение величины сетевого напряжения до необходимого уровня обеспечивается конденсатором С1. Сопротивление R2 ограничивает скачки тока, протекающего через конденсатор С1.

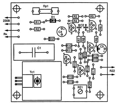
Все детали терморегулятора размещены на печатной плате размером 77x77 мм. Печатная плата приведена на рис. 10.

Рис. 10. Печатная плата терморегулятора

Расположение элементов на печатной плате прибора приведено на рис. 11.

Рис. 11. Расположение элементов на печатной плате терморегулятора

При изготовлении терморегулятора можно использовать резисторы типа МЛТ-0,125. Вполне подойдут и другие малогабаритные резисторы. Конденсаторы С4 и С5 — типа К50-12 или любые другие на номинальное напряжение не менее 16 В. Конденсаторы С2 и С3 могут быть металлокерамическими или керамическими, к примеру, типа КМ-6. Исключение составляет лишь конденсатор С1, реактивное сопротивление которого обеспечивает снижение величины сетевого напряжения до уровня, необходимого для формирования напряжения питания каскадов регулятора. Величину этого сопротивления можно рассчитать по формуле:

где:

Xc — реактивное сопротивление конденсатора (Ом);

f — частота сетевого напряжения (Гц);

С — емкость конденсатора (Ф).

Так, например, для конденсатора емкостью 330 нФ эта величина составляет 9,6 кОм.

Использование конденсатора вместо резистора предпочтительнее по той причине, что для больших нагрузок при одной и той же величине падения напряжения размеры конденсатора соответствующей емкости значительно меньше, чем резистора с необходимым сопротивлением. К тому же конденсатор, в отличие от резистора, практически не нагревается. Особое внимание следует обратить на то, что используемый конденсатор должен быть рассчитан на напряжение 250 В переменного напряжения или 630 В постоянного напряжения.

Указанные на схеме р-n-р транзисторы ВС308А (Т1-ТЗ) можно заменить на импортные транзисторы ВС308В, ВС308С или ВС557А-С, а также на отечественные транзисторы КТ3107Г, КТ3107Д или КТ3107К. Вместо n-p-n транзисторов ВС238В можно установить импортные транзисторы ВС238С или ВС546В и ВС546С, а также отечественные транзисторы КТ3102В. Диод 1N4148 (D3) можно заменить на отечественные диоды КД510, КД521 или КД522, обращая особое внимание на маркировку выводов катода и анода. Вместо диода 1N4007 (D2) можно установить отечественные диоды КД105, КД208, КД209 или КД243.

Установку элементов на печатной плате следует проводить в обычном порядке, то есть сначала необходимо впаять пассивные малогабаритные детали, затем полупроводниковые элементы, а после этого — крупногабаритные детали. При этом резистор R17 временно не устанавливается, а вместо резистора R20 следует установить перемычку. Особое внимание необходимо обращать на правильное расположение выводов транзисторов, симистора и электролитических конденсаторов.

Перед тем как устанавливать на печатную плату симистор, следует решить, для включения нагрузки какой мощности предполагается использовать данный регулятор. При мощности нагрузки до 400 Вт симистор рекомендуется разместить на небольшом радиаторе, который можно установить на печатной плате. Для нагрузки с потребляемой мощностью от 400 Вт до 1200 Вт симистор необходимо установить на радиатор с большой площадью рассеивания. Не следует забывать и о том, что в этом случае предохранитель Пр1 должен быть рассчитан на более высокий ток. Так, например, для мощности нагрузки 800 Вт должен использоваться предохранитель на ток 4 А.

Поскольку в данной конструкции на некоторых участках печатной платы протекают сравнительно большие токи, контактные дорожки между контактами симистора и входными контактами сетевого напряжения, а также контактами для подключения нагрузки желательно хорошо пропаять. Это необходимо для того, чтобы уменьшить токовую нагрузку на медные проводники.

После того как все компоненты будут установлены на печатной плате, еще раз следует проверить правильность монтажа. Лишь после этого к соответствующим контактам платы можно припаять выводы термистора R22. Сам же термистор должен быть размещен так, чтобы обеспечивалось его адекватное реагирование на изменения температуры окружающей среды. В последнюю очередь к печатной плате припаиваются выводы для подключения нагрузки и сетевой провод. После этого прибор можно подключить к сети и проверить его работоспособность.

Собранный без ошибок и из исправных деталей терморегулятор не нуждается в дополнительном налаживании, за исключением выбора необходимого диапазона температур и калибровки положения движка регулятора R21. Калибровку прибора можно провести с использованием какой-либо посуды с жидкостью, например с водой, нагретой до необходимой температуры. В жидкость помещаются термометр и термистор терморегулятора. Особое внимание следует обратить на то, чтобы в воде не оказались открытые контакты термистора. После этого необходимо несколько раз нагреть и охладить жидкость, контролируя ее температуру с помощью термометра. Изменяя температуру жидкости и вращением движка регулятора R21 включая и выключая терморегулятор, можно произвести достаточно точную калибровку прибора.

В случае если диапазон эксплуатационных температур не удовлетворяет предъявляемым требованиям, он может быть изменен подбором величин резисторов R17 и R20. Резистор R20 обеспечивает установку минимальной температуры срабатывания, величина его сопротивления может быть от нуля до сотен Ом. Поэтому в процессе налаживания прибора вместо установленной первоначально перемычки следует установить резистор, имеющий соответствующее сопротивление.

Резистор R17 обеспечивает установку максимальной температуры срабатывания, величина его сопротивления может составлять от сотен Ом до десятков кОм. При необходимости резистор R17 можно вообще исключить.

Если при эксплуатации терморегулятора потребуется часто менять выбираемую температуру, то подстроечный резистор R21 можно заменить на переменный резистор сопротивлением 10 кОм с линейной характеристикой.

Более 800 000 книг и аудиокниг! 📚

Получи 2 месяца Литрес Подписки в подарок и наслаждайся неограниченным чтением

ПОЛУЧИТЬ ПОДАРОК