1.2. Испытатель элементов питания [2]

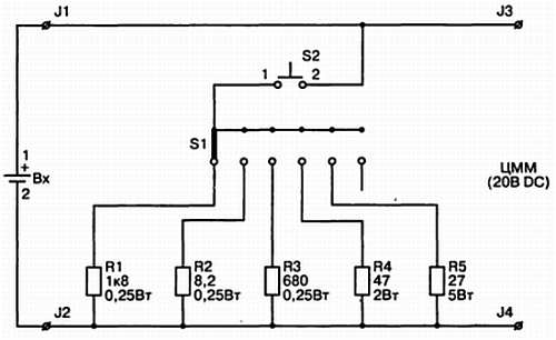
На рис. 3 изображена принципиальная схема простого устройства, с помощью которого можно проверить состояние батареи или элемента питания посредством сравнения его напряжения без нагрузки и при подключении нагрузки.

Испытываемая батарея Вх подключается к клеммам J1 и J2. Напряжение батареи измеряется любым цифровым мультиметром (ЦММ), который подключается к клеммам J3 и J4.

В состав устройства входят нагрузочные резисторы R1-R5, выбор одного из которых осуществляется с помощью переключателя S1. При проверке батареи в режиме нагрузки выбранный резистор к тестируемому элементу кратковременно подключается при нажатии кнопки S2.

Рис. 3. Принципиальная схема испытателя элементов питания

Резистор R1 используется в качестве нагрузки при проверке малогабаритных элементов питания, имеющих напряжение от 1,5 В до 3 В при рабочем токе до 2 мА. Резистор R2 исполняет роль нагрузки при тестировании пальчиковых батарей и аккумуляторов типов R6 и R16, имеющих напряжение 1,5 В при рабочем токе до 180 мА. В качестве нагрузки для батарей типа «Крона» и им аналогичных на напряжение 9 В при токе до около 13 мА применяется резистор R3. Резистор R4 используется в качестве нагрузки при проверке батарей, состоящих из нескольких пальчиковых элементов, имеющих напряжение от 6 В до 9 В при рабочем токе до 190 мА.

Нагрузкой для батарей напряжением от 9 В до 12 В емкостью 1 Ач при рабочем токе до 444 мА служит резистор R5.

Более 800 000 книг и аудиокниг! 📚

Получи 2 месяца Литрес Подписки в подарок и наслаждайся неограниченным чтением

ПОЛУЧИТЬ ПОДАРОК