6.1. Электронный пес

Pavel Меса [14]

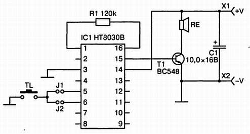
На рис. 17 приведена принципиальная схема генератора звукового сигнала, который воспроизводит лай собаки.

Рис. 17. Принципиальная схема генератора, имитирующего лай собаки

Основу данной конструкции составляет микросхема НТ8030В от фирмы HOLTEK, изготовленная по технологии CMOS. Питание генератора осуществляется от источника напряжения величиной от 2,5 В до 5 В. Поскольку ток покоя, потребляемый устройством, не превышает 1 мкА, его можно не выключать. В памяти микросхемы записан реальный звук лая собаки в качестве PCM-образца. Этот сигнал преобразован 8-битовым D/A преобразователем в аналоговый сигнал, который усиливается транзистором Т1 и подается на репродуктор.

Величина сопротивления резистора R1 определяет частоту внутреннего генератора, что позволяет изменять скорость воспроизведения и звуковой оттенок фонограммы. Пусковая кнопка замыкает на корпус один из выводов микросхемы IO1, выбираемых с помощью перемычек J1 и J2. При установке перемычки J1 будет воспроизводиться один цикл лая, а при установке перемычки J2 лай будет повторяться два раза. Если кнопку TL нажать и не отпускать, звуковой сигнал будет повторяться непрерывно.

Для установки микросхемы используется панелька типа DIL16, конденсатор С1 на плате установлен в «лежачем» положении. В качестве репродуктора RE следует использовать громкоговоритель с диаметром диффузора не менее 5 см, поскольку с меньшими размерами динамика звук становится нереальным. Транзистор типа ВС548 можно заменить транзистором типа КС238. Сопротивление резистора R1 может изменяться в пределах от 100 КОм до 120 КОм. Активация генератора осуществляется как с помощью кнопки TL, так и от внешнего источника управляющего сигнала.

Более 800 000 книг и аудиокниг! 📚

Получи 2 месяца Литрес Подписки в подарок и наслаждайся неограниченным чтением

ПОЛУЧИТЬ ПОДАРОК