Электронный кладоискатель

Это несложное устройство можно использовать для занимательной игры — поиска клада. Какого? Об этом нужно подумать организаторам праздника. Это может быть железная коробка с конфетами или какой-либо предмет, обернутый металлической сеточкой.

Зимой «клад» можно спрятать около елки и закрыть сверху ватой или декоративной тканью. Летом, если праздник проводится в лагере, «клад» можно даже зарыть на небольшую глубину в землю.

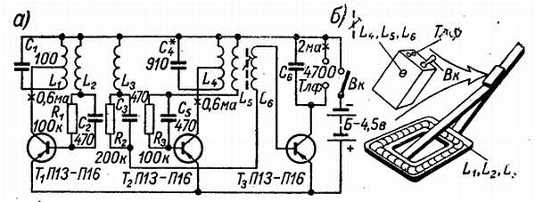
Устройство для поиска клада состоит из двух однокаскадных генераторов, собранных на транзисторах типа П13—П16, и однокаскадного усилителя, собранного на транзисторе такого же типа. Принципиальная схема устройства показана на рис. 35.

Рис. 35. Металлоискатель

Генерация создается за счет обратной связи между катушкой L1,включенной в цепь коллектора Т1 (первый генератор), и катушкой L2, включенной в цепь базы. Частота генерации (порядка 80—100 кгц) определяется индуктивностью катушки L1 и емкостью конденсатора С1. Аналогично работает и второй генератор, собираемый на транзисторе Т1. Через последовательно соединенные катушки связи L3 и L6 генерируемые колебания подводятся к усилителю, который собирается на транзисторе Т3. К выходу усилительного каскада подключаются головные телефоны Тлф.

Во время работы устройства через головные телефоны протекают переменные токи с частотой обоих генераторов и с разностью этих частот. Изменение частоты одного из генераторов (при внесении в зону контура железных предметов) сразу же отразится на высоте звука в телефонах.

Работу по сборке конструкции лучше всего начать с изготовления катушек L1, L2 и L3, которые наматываются в виде рамки. Для этого нужно из гетинакса или органического стекла выпилить рамку с внешними размерами 300х400 мм. По углам рамки укрепляются стойки — четыре болта или шпильки, на которые и укладываются витки этих катушек. Чтобы не повредить изоляцию катушек, болты нужно обернуть изоляционной лентой. Сначала наматывается катушка L1 (с отводом от 15-го витка, считая сверху). Затем наматываются витки катушки L2 и, наконец, L3. Данные всех катушек устройства приведены в табл. 1 (при намотке катушек не забудьте оставить выводы длиною 20–25 см). Верхние (по схеме) концы катушек соединяются между собой в один общий вывод. К общему выводу и ко второму выводу катушки L1 припаивается конденсатор C1.

Намотанные катушки и конденсатор C1 слегка приподнимаются и обматываются сверху двумя-тремя слоями изоляционной ленты. Затем, для лучшего закрепления катушек (осторожно тонким сверлом вдоль расположения витков), просверливаются два ряда отверстий. Через эти отверстия пропускается рыболовная леска, и, таким образом, катушки будут прочно прикреплены к рамке. Теперь угловые стойки-болты не нужны, их можно осторожно удалить. К рамке прикрепляется рукоятка. Ее можно сделать из деревянных брусков или бамбуковых палок.

При монтаже устройства желательно применять транзисторы одного типа с коэффициентом усиления В = 30–40, конденсаторы со слюдяным диэлектриком типа КСО-1 и КСО-2, резисторы — малогабаритные мощностью 0,12—0,25 вт. Катушки второго генератора наматываются на карбонильном сердечнике типа СБ-4. Он, в свою очередь, имеет подстроечный сердечник диаметром 8 мм, который выводится через стенку корпуса. После сборки прибора на него одевается ручка, и он служит для подстройки прибора. На сердечник СБ-4 сначала наматывается катушка L4 (с отводом), затем на нее наматываются катушки L5 и L6. Данные катушек прибора приведены в табл. 2. При налаживании прибора сначала при помощи частотомера или осциллографа определяется частота первого генератора, затем на эту же частоту настраивается и второй генератор. При настройке первого генератора второй генератор отключается; для этого отпаивается вывод эмиттера транзистора Т2. При настройке второго генератора отпаивается эмиттер транзистора Т1, а настройка проводится путем подбора величины конденсатора С4 при среднем положении подстроечного сердечника катушек L1, L5, L6. При увеличении емкости конденсатора С4 частота колебаний уменьшается и наоборот. Регулировкой частоты второго генератора нужно добиться «нулевых» биений, при этом звук в головных телефонах исчезает. Затем нужно немного сдвинуть настройку — должен хорошо прослушиваться звук низкого тона, что соответствует максимальной чувствительности прибора. Если теперь рамку с катушками поднести к металлическому предмету, звук в головных телефонах должен измениться.

Электронная часть (все детали прибора вместе с источником питания) монтируется в небольшом металлическом корпусе. В корпусе делается отверстие для соединительных проводов, идущих к катушкам L1, L2, L3, и для подстроечного сердечника катушек L5, L6. На корпусе монтируются два гнезда для головных телефонов Тлф и выключатель питания Вк1 типа тумблер. Корпус укрепляется в средней или верхней частях рукоятки рамки.

При поисках «клада» рамку нужно вести на небольшом расстоянии от пола или от земли. Прибор хорошо реагирует на предметы, находящиеся от рамки на расстоянии 100–150 мм.

Более 800 000 книг и аудиокниг! 📚

Получи 2 месяца Литрес Подписки в подарок и наслаждайся неограниченным чтением

ПОЛУЧИТЬ ПОДАРОК