Электронные гонги

Сейчас на радиостудиях, в театрах, на стадионах применяются специальные электрозвуковые устройства, они служат для передачи позывных сигналов, сигналов-гонгов, воспроизведения боя часов и в других случаях. Устройства эти по своей конструкции (рис. 26, а) могут быть электронными и с электромеханическим механизмом. Датчиком для акустических сигналов может служить звуковой генератор, собранный по схеме симметричного мультивибратора на двух низкочастотных транзисторах одинаковой проводимости Т1 и Т2 типа П13—П16 (рис. 26, б). Для увеличения силы звукового сигнала подключен дополнительный усилительный каскад, собранный на транзисторе Т3 типа П4. Звуковой сигнал воспроизводится при помощи электродинамического громкоговорителя типа 0,15 ГД-ШМ-3, включенного в коллекторную цепь транзистора Т3.

Рис. 26. Электронный гонг

Музыкальный гонг

Такие гонги устанавливают в театрах, клубах, на стадионах.

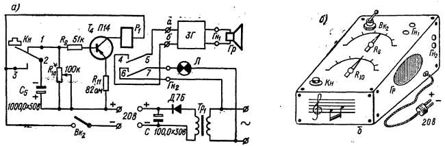
Простой электронный гонг лучше всего выполнить в виде звукового генератора, работающего на вход мощного радиотрансляционного усилителя через реле времени. Здесь можно применить простое реле времени с выдержкой от 1 до 30 сек, которое можно собрать, руководствуясь схемой, показанной на рис. 27.

Рис. 27. Музыкальный гонг с реле времени

Для сборки электронного реле деталей понадобится немного, данные этих деталей указаны на схеме. Следует обратить внимание на следующее: транзистор Т4 — П16 может быть заменен транзистором П13 или П15. Можно применять реле Р1 типа РЭС-10 с ослабленными возвратными пружинами. Если реле с ослабленными пружинами не срабатывает и его ток не достигает 12–15 ма, необходимо намотать новую обмотку проводом ПЭЛ-0,05 до полного заполнения каркаса. Хорошо подходят и реле типа РСМ-1 и РСМ-2 с небольшим током срабатывания. Кнопка Кн — переключающая, она имеет три пластины: две неподвижных 1 и 3 и одну подвижную 2.

Работает реле времени следующим образом. Разрядка конденсатора, заранее заряженного от батареи, производится через большое сопротивление. Это происходит за сравнительно большой^ промежуток времени и определяется постоянной времени τ = R·C

Плавная регулировка выдержки времени осуществляется изменением величины переменного сопротивления, за счет которого происходит разрядка конденсатора.

В нашей схеме конденсатор С5 заряжается от батареи при нажатии кнопки Кн, то есть при соединении контактов 3 и 2. Затем кнопка отпускается — происходит замыкание контактов 2 и 1. Так как конденсатор С5 заряжен, то правая часть схемы получает питание, ток проходит через транзистор Т4 и реле Р1 срабатывает, его контактные пластины замыкаются. При замыкании контактных пластин замыкается цепь питания звукового генератора ЗГ (рис. 27, а).

По мере разрядки С5 через переменное сопротивление R10 величина тока, проходящего через транзистор и реле, падает, при достижении минимальной величины, тока срабатывания якорь реле P1 отпускается и пластины размыкаются — звуковой генератор отключается.

Таким образом, устанавливая движок переменного сопротивления на разные точки, можно добиться различных выдержек времени. Эти выдержки можно выверить при помощи, секундомера и обозначить в виде шкалы, которая вычерчивается на листе плотной бумаги и наклеивается на лицевой панели прибора рядом с ручкой переменного сопротивления.

Для питания прибора понадобится батарея с напряжением 20 в. Питание реле времени и генератора можно осуществить и через выпрямитель, однако в этом случае желательно иметь хороший стабилизатор напряжения, так как при изменении напряжения питающей сети диапазон выдержек времени будет изменяться и не соответствовать заранее выверенной шкале.

Собирается электрогонг в небольшом деревянном или пластмассовом корпусе. Внутри корпуса монтируются панель с деталями, клеммы для подключения батарей и укладываются сами батареи.

На верхней лицевой панели устанавливаются выключатель Вк, переменные резисторы R6 и R10, громкоговоритель и гнезда для подключения вилки проводов, идущих к мощному усилителю. Нижнюю часть лицевой панели можно сделать съемной для свободного доступа внутрь кожуха при смене сработавшихся батарей (рис. 27, б).

Более 800 000 книг и аудиокниг! 📚

Получи 2 месяца Литрес Подписки в подарок и наслаждайся неограниченным чтением

ПОЛУЧИТЬ ПОДАРОК