Глава 8. Парадоксы KB-приемников

«Аматор»: Мы снова пришли надоедать Вам, уважаемый Спец!

«Спец»: Ничуть не бывало! Мы продолжаем нашу «прогулку по структурной схеме приемника Роде»!

Да, действительно, жизнь складывается так, что техника и политика часто завязаны в такой узел, когда развязать его можно только в том случае, если одновременно потянуть за оба конца! А по-отдельности вообще ничего понять невозможно!

«А»: Неужели чувствительность радиоприемников — это политика?

«С»: Вне сомнений! К счастью для него, Незнайкин не помнит это время, поскольку тогда «он был крайне мал, он был — дитя!»

Тоталитарное советское общество строилось таким образом, чтобы компартия (ее «вожди») посредством своего «боевого отряда» (КГБ) — имела возможность постоянно контролировать информацию, которую «скармливали» народу. Что касается кинофильмов, театральных постановок, журналов и газет — тут все понятно и комментарии излишни!

Но радиоволны без труда преодолевали любые «границы на замке»!

Короткие волны — вот предмет постоянной заботы «доблестных» не летчиков!

И хотя это были не тридцатые годы, каждый высококлассный японский или американский красавец-приемник, проникший легальным или полулегальным путем на территорию СССР, немедленно заносился в особую картотеку и его хозяин уже считался «нашим» не на все сто!

И все равно было ясно, что «щитом и мечом» прогресс не остановить.

Транзисторная техника, чтоб ей!.. Ее можно перевозить в сумке, слушать на даче, в лесу, в поле…

А в эфире «Голос Америки», «Немецкая волна», «Свобода» и т. д. и т. п.! И там говорят совсем не то, о чем советские люди могут прочесть на страницах, так называемой, «Правды» или «Коммуниста»! Радиоволны несут иную информацию, которую «простому советскому человеку» знать не полагалось!..

«А»: По этой причине все советские приемники с КВ диапазоном и были лишены таких поддиапазонов, как 19; 16; 13 и 11 метров?

«С»: Да, именно поэтому! Строжайше запрещено было вводить эти диапазоны, как наиболее удобные и «дальнобойные», во ВСЕ советские радиоприемники, даже так называемого «высшего класса»!

«Н»: Но техническая база действительно позволяла их реализовать, если бы не запрет?

«С»: Без сомнений!.. В то же, примерно, время, когда была выпущена «Спидола» (1963 г.), где-то через годик малыми сериями в Прибалтике выпускался транзисторный приемник «Гауйя». Причем в двух модификациях. В «экспортном» и «советском» вариантах.

Заявленная в паспорте чувствительность экспортного варианта составляла 40 микровольт, что в ДВА С ПОЛОВИНОЙ РАЗА превышало чувствительность ЛЮБЫХ других советских транзисторных приемников! Имелся и диапазон 16–19 метров! В «совдеповском» варианте ничего подобного не было и даже рисунок печатной платы был другим!

«А»: А в торговую сеть «экспортный» вариант поступал?

«С»: Нет, никогда! Но дело отнюдь не ограничивалось ТОЛЬКО отсутствием определенных диапазонов!

Схемы гетеродинов были выбраны такими, что попытки повысить частоту генерации путем подпайки катушки с уменьшенным числом витков, приводили к резкому возрастанию нестабильности и заметному ухудшению формы генерируемого синусоидального сигнала! Естественно, что прием становился, практически, невозможным!

Но самая «хитрая хитрость» заключалась в том, что ни в одном учебнике по радиоприемным устройствам НЕ РАССМАТРИВАЛИСЬ вопросы, посвященные проблеме просачивания сигнала гетеродина в антенну!

«А»: Ну, а это с чем связано?

«С»: Проникая в антенну приемника, сигнал собственного гетеродина «передавал в эфир» информацию о том, какую радиостанцию «ловят» в той или иной квартире! Иначе говоря, в какой квартире чем «дышат»!

«Н»: Разве такое возможно?

«С»: Вполне! Представь себе, что ты слушаешь, например, радио «Свободу»! Твой входной преселектор (широкий, как чья-то натура) настроен на соответствующую частоту. А, следовательно, гетеродин генерирует ту же самую частоту плюс… еще 465 кГц!

Через емкости сигнал проникает в антенную цепь и… излучается в эфир!

Мощность этого паразитного излучения невелика. Но вполне достаточна, чтобы соответствующая ДЕЙСТВИТЕЛЬНО чувствительная аппаратура установленная, например, в спецавтотранспорте, зарегистрировала тот факт что ведется слушание именно станции «Радио Свобода»!

«А»: Ну ладно, а как определить, в какой именно квартире ведется прослушивание данной радиостанции?

«С»: И на этот счет есть способы… Но это особая тема и потому не будем излишне отвлекаться на нее!

Тем более, что для того, чтобы все равно сделать невозможным прослушивание определенных участков КВ диапазона, очень большое распространение в семидесятые-восьмидесятые годы нашли методы радиоэлектронного противодействия. Например, как их прозвали в народе — «глушилки»!

«А»: Это, когда на волне прослушиваемой станции вдруг возникал непереносимый гул, напоминающий охрипшую сирену?

«С»: Очень образное сравнение! Да, учитывая крайне низкие радиотехнические параметры советских радиоприемников «высших» классов, не требовалось что-то совершенно уникальное, чтобы перекрестные и интермодуляционные помехи плюс мощная «глушилка» делали прослушивание «забугорных» радиостанций просто физически болезненным делом!

«А»: Получается, что если в приемнике нет усилителя высокой частоты, стоящего перед смесителем, то «пролаз» гетеродина в антенну будет значительным?

«С»: Да, отчасти это так. Но не следует думать, что достаточно поставить в некачественный приемник УВЧ и все станет хорошо само-собой! Это смотря еще — какой это УВЧ! Мы подробно коснемся этого вопроса, когда будем говорить о принципиальных электрических схемах.

«А»: Но в статье Роде говорится о ДВУХТАКТНЫХ УВЧ! Я не встречался с ними в схемах советских радиоприемников!

«С»: А я о чем толкую? Двухтактные УВЧ, да еще построенные с использованием специальных ПОЛЕВЫХ транзисторов — это замечательная штука! Их линейная область по входному сигналу получается почти на порядок шире, чем в «совдеповских» приемниках как «первого», так и «высшего» классов!

Полевые транзисторы при этом обеспечивают коэффициент перекрестной модуляции на 40–45 дБ лучше, чем подобные же схемы на биполярных транзисторах.

«Н»: До чего мне жаль, что я не имею достаточной информации ни о полевых, ни о биполярных транзисторах, хотя и слыхал, что таковые в природе имеются!

«С»: «Терпение, мой друг, терпение», как говаривал актер Кадочников в фильме «Подвиг разведчика»!.. Всему свое время.

«А»: Следующий квадратик — СМЕСИТЕЛЬ?

«С»: Очевидно так!.. Но я по твоим глазам вижу, любезный Аматор, что ты готов задать ну совершенно экстренный вопрос!?

«А»: А то нет!.. Мы так много говорили о том, что промежуточная частота стандартизирована и всегда должна быть МЕНЬШЕ, чем частота входного сигнала! А что мы наблюдаем в приемнике Роде!? Промежуточная частота ПРЕВЫШАЕТ 40 МГц! Может здесь какая-то ошибка?…

«С»: Да ровным счетом — никакой ошибки, дорогой друг!

Во-первых, я никогда в наших беседах не утверждал, что промежуточная частота (ПЧ) ВСЕГДА ДОЛЖНА БЫТЬ меньше частоты сигнала! ПЧ ничего и никому не должна!.. Ни гривны, ни полтинника! Напротив, с этим вредным предрассудком пора покончить!

В самом деле, борьба с «зеркальным» каналом может быть эффективной только в том случае, если 2fпр — достаточно велико! В нашем случае ПЧ превышает 40 МГц! Значит «зеркалка» находится в 80 МГц от частоты основного канала! Это тебе не 930 кГц! И селективность составляет уже не 28–36 дБ, а ОКОЛО 80 ДЕЦИБЕЛ!

То есть не в десятки раз, а в несколько тысяч раз подавляется «зеркальная» помеха! Это, естественно, требует совершенно иного гетеродина! Но зато «пролаз» в антенну — исключается. Радиоприемник действительно становится другом, а не «Павликом Морозовым»!

Излишне говорить, что и смеситель для этого необходим совсем иной!

«А»: Советские приемники 70-х годов включали в себя, помнится, совмещенный смеситель. Подобное решение еще находит применение?

«С»: Во всяком случае в серьезной аппаратуре — нет, нет и еще раз нет!

Вообще, друзья, мне тоже не терпится начать разговор по принципиальным схемам смесителей, но полагаю, что мы еще недостаточное внимание уделили рассмотрению структурной схемы приемника Роде. По этой причине, опуская (пока) вопрос о том, какое схемное решение годится для качественного смесителя, запомним, что на его выходе получаем fпр1 = 40,525 МГц, хотя это значение в настоящее время в различных конструкциях варьируется от 40 МГц и до 120 МГц!

«А»: Ну хорошо, а что представляет из себя фильтр ПЧ, обозначенный, как Z1? На нем еще имеет место символ кварца?

Вообще вы можете рассказать об этом чуть подробнее?

«С»: «Я могу, а потому — обязан»!.. Вообще в УПЧ применяют различные виды фильтров: с LC — контурами, RC — цепями, с электроакустическими и цифровыми системами. Но в рассматриваемом приемнике, который получил в радиотехнике наименование ПРИЕМНИКА С ПРЕОБРАЗОВАНИЕМ ВВЕРХ, к фильтру Z2 предъявляются исключительно высокие требования по обеспечению селективности по соседнему каналу! Давайте оценим, какая для этого требуется добротность (хотя бы приблизительно)!

Пусть fпр = 40 МГц, а полоса пропускания = 20 кГц!

«Н»: …Получается, что Q = 2000!..

«С»: Фактически, она должна быть даже несколько больше! Не станем забывать, что встречаются подобные фильтры, у которых полоса пропускания равна всего 3 кГц, а частота — выше, чем 40 МГц!..

Поэтому понятно, что обычные фильтры здесь не проходят! И возможны несколько вариантов.

Прежде всего, применить в качестве фильтра Z2 — «цепь Юзвинского»!

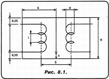
Вторая возможность — это применение так называемых «спиральных резонаторов»! Они представляют собой четвертьволновой коаксиальный резонатор, внутренний проводник которого для уменьшения габаритов, свернут в спираль. Спиральные резонаторы в подобных фильтрах обычно индуктивно связаны. Эта связь выполняется снижением высоты экрана, разделяющего два соседних резонатора со стороны заземленных концов спиральных катушек…

«Н»: А можно это изобразить на рисунке?

«С»: Ну почему нет? Вот, прошу вас (рис. 8.1)…

«А»: На всякий случай, может приведете расчетную формулу?

«С»: Конечно же, я предпочел бы иное решение, чем применение спирального резонатора! Но… раз вытребуете расчетную формулу, то вот она:

Здесь: N — число витков спирали;

S — показано на рис. 8.1;

σ — толщина стенки каркаса, на который намотана спираль, см. рис. 8.1;

ε — диэлектрическая проницаемость каркаса.

При этом S определяется, исходя из требуемой добротности Q0 по формуле:

Добротность, согласно исследованиям авторов этой конструкции, можно довести до 800!

«А»: Я полагаю, что возни с подобным фильтром будет немало, но проблема при этом до конца не решится! Верно?

«С»: Да, я тоже считаю так, поскольку полосу селекции сделать лучше, чем 50 кГц вряд ли удастся!

«Н»: При fпр = 40 МГц?

«С»: Ну конечно! Так что на спиральный резонатор можно согласиться только в совершенно пиковом случае!..

Иная картина получается, если удастся достать ПОЛОСОВОЙ КВАРЦЕВЫЙ ФИЛЬТР! Этот фильтр представляет из себя сложную многорезонаторную систему, включающую в свой состав согласующие ВЧ-трансформаторы, подстроечные элементы и т. д. При этом сами кварцы включены по, так называемой, дифференциально-мостовой схеме, помещены в общий экран, индивидуально настроены и герметизированы.

Вот подобный фильтр, хотя его стоимость и высока — это действительно решение проблемы!

«Н»: А эти фильтры выпускаются промышленностью?

«С»: Обязательно, Незнайкин! Например, одним из заводов города Волгограда (Царицына) в России. Мне приходилось встречаться с несколькими разновидностями таких фильтров, настроенных, соответственно, на частоты 40 МГц; 45 МГц; 55,5 МГц.

«А»: А как именуются эти изделия?

«С»: Они называются: ФП2П (2–1); ФП2П (4–1). Кроме того, имеются великолепные японские, американские и западноевропейские изделия! Но мы подробнее поговорим о названиях позднее.

«А»: Отлично! Идем дальше по схеме… Усилитель А2 — пропускаем, ведь он такой же, как и А1. Верно?

«С»: …Почти. Следующий квадратик — второй смеситель U2.

«А»: Но я вижу, что второй гетеродин — неперестраиваемый! Ну это, допустим, еще понятно. А вот почему он кварцованный? Что вообще реально может дать применение в генераторе кварца?

«С»: Стабильность частоты LC — генераторов во многих случаях недостаточна! Она зависит от множества факторов. От температурных коэффициентов индуктивности и емкости. Обычно в составе гетеродинов используют именно LC — генераторы. Подобные гетеродины имеют относительную частотную нестабильность Δf/f0 равную 10-3—10-4.

Это означает, что при f0 = 50 МГц, при нестабильности 10-4 Δf = 5 кГц! То есть дрейф частоты гетеродина равен ПОЛУШИРИНЕ полосы пропускания! Для рассматриваемого приемника это величина недопустимо большая!

Максимальная нестабильность, с которой еще можно как-то мириться, для второго гетеродина составляет величину (2–3)∙10-6.

Это нормально для обычного кварцованного генератора! Хотя следует сказать, что в случае двойного термостатирования кварцевых генераторов нестабильность может быть ограничена уровнем ДЕСЯТЬ В МИНУС ДЕВЯТОЙ СТЕПЕНИ!

«А»: Но ведь это решает наши проблемы!

«С»: Ну, если и не все, то многие!.. Разработаны (и довольно давно) очень неплохие схемы с кварцевыми резонаторами. Например, кварцевые генераторы на основе схем Хартли и Колпитца!

«А»: То есть этот вопрос решается! Тогда, уважаемый Спец, перейдем к следующим квадратикам структурной схемы!

«С»: Далее у нас идет второй смеситель U2. Он каких-то особых, принципиальных отличий от U1 не имеет. Далее идет еще один фильтр — Z3!

«Н»: Какой смысл во втором преобразователе частоты? Почему нельзя было обойтись только одним?

«С»: Преобразование ВВЕРХ позволило кардинально решить проблему избирательности по «зеркалке»! А, кроме того, ликвидировать неприятности связанные с «пролазом» гетеродина в антенну! Но окончательную «обработку» и усиление сигнала удобнее проводить на значительно более низкой частоте!

«Н»: А чем плоха для этого частота 465 кГц? Или, например, 5,5 МГц, которую часто употребляют профессионалы?

«С»: Сам по себе фильтр Z3 — многозвенный, обеспечивающий крутые наклоны характеристики. Он может быть электромеханическим или пьезомеханическим. Или, что еще более предпочтительно — кварцевым, поскольку в этом случае его относительное изменение средней частоты минимально и составляет величину: 5х10-7 град-1.

«А»: Усилитель второй промежуточной частоты A3 разве имеет какие-то особенности?

«С»: Если и да, то на чисто схемотехническом уровне. Поэтому сейчас мы его не рассматриваем.

«Н»: А детектор U3?

«С»: О нем будем говорить отдельно и позже, поскольку это особый вопрос!

«А»: Получается, что на данный момент мы рассмотрели ВСЮ структурную схему приемника Роде?

«С»: Кроме двух принципиальных вопросов! Кстати сказать, на структурной схеме они не отмечены вообще! Речь идет об АВТОМАТИЧЕСКОЙ РЕГУЛИРОВКЕ УСИЛЕНИЯ — АРУ, а также о современном устройстве контроля настройки.

«Н»: Вы считаете, что индикация частоты настройки в современном высококлассном приемнике должна быть цифровой?

«С»: Без всяких сомнений! И это еще минимум — миниморум того, что должно быть на дисплее приемника!

«Н»: Интересно, а есть фирмовые приемники, в которых реализовано вышесказанное?

«А»: Погоди, Незнайкин! Мы ведь действительно еще не рассмотрели вопроса об АРУ!

«С»: Обещаю подробно ответить на твой вопрос, дорогой Незнайкин, но сначала поговорим об АРУ!

Автоматическая регулировка усиления (АРУ) — применяется для расширения динамического диапазона приемника и поддержания в заданных пределах выходного напряжения. При этом устраняются перегрузки в каскадах при приеме сильных сигналов и, таким образом, предотвращается появление недопустимых нелинейных искажений. Следовательно, оконечные устройства приемников работают в режиме обработки сигналов оптимального уровня!

Принцип действия системы АРУ состоит в автоматическом изменении коэффициентов усиления (передачи) отдельных каскадов приемника при изменении уровня принимаемого сигнала. Система АРУ, в самом общем случае, должна содержать регулируемые каскады усиления или делители напряжения и… цепь регулирования ЦР. Вот некоторые основные структурные схемы АРУ (см. рис. 8.2).

При этом цепь регулирования (ЦР) вырабатывает управляющее напряжение, воздействующее на регулируемые элементы усилительного тракта.

Обычно ЦР содержит амплитудный детектор АД и фильтр низкой частоты — ФНЧ. Эффективность АРУ оценивают двумя величинами, выраженными в децибелах, — Dвх/Dвых,

где

Dвх = 20∙lg(Uвх. max/Uвх. min),

а

Dвых = 20∙lg(Uвых. max/Uвых. min),

При этом Dвых значительно меньше, чем Dвх. Инертность системы АРУ обычно оценивают постоянной времени АРУ.

«А»: А почему на рисунке представлены не одна, а целых ТРИ системы АРУ?

«С»: Различают три основные системы АРУ: с ОБРАТНЫМ (рис. 8.2, а), ПРЯМЫМ (рис. 8.2, б) и СМЕШАННЫМ (рис. 8.2, в) регулированием.

При обратном регулировании управляющее напряжение определяется напряжением сигнала (его уровнем) на выходе. Это наиболее простая АРУ и весьма действенная.

В системе с прямым регулированием управляющее напряжение определяется напряжением сигнала на входе.

«А»: Тогда, если не ошибаюсь, смешанное регулирование в той или иной степени является комбинацией первых двух?

«С»: Да, так оно и есть! Кроме того, различают АРУ задержанные и незадержанные. Например, при задержанной АРУ регулирующее воздействие начинает проявляться, если напряжение сигнала на входе приемника достигает некоторого уровня, соответствующего некоторой наперед заданной величине.

«А»: Я где-то встречал такие аббревиатуры, как БАРУ и МАРУ! Что это такое?

«С»: Это просто классификация систем АРУ по инерционным свойствам! А именно — быстродействующие (БАРУ) и медленные, инерционные (МАРУ). В нашем случае мы имеем дело с инерционными АРУ.

И еще: системы АРУ могут быть ОДНОПЕТЛЕВЫМ И и МНОГОПЕТЛЕВЫМИ! Для нас, как покажет дальнейшее, наибольший интерес представляют ДВУХПЕТЛЕВЫЕ системы. Они обладают необходимыми нам свойствами.

«Н»: А все-таки, что можно сказать о применении всех этих замечательных систем и устройств в реальных радиовещательных приемниках?

«С»: Многое! Но об этом поговорим в нашу следующую встречу.

Более 800 000 книг и аудиокниг! 📚

Получи 2 месяца Литрес Подписки в подарок и наслаждайся неограниченным чтением

ПОЛУЧИТЬ ПОДАРОК