Глава 21. Стабилизатор напряжения — тонкости и нюансы

«Аматор»: Ну тогда вам, Спец, и карты в руки!

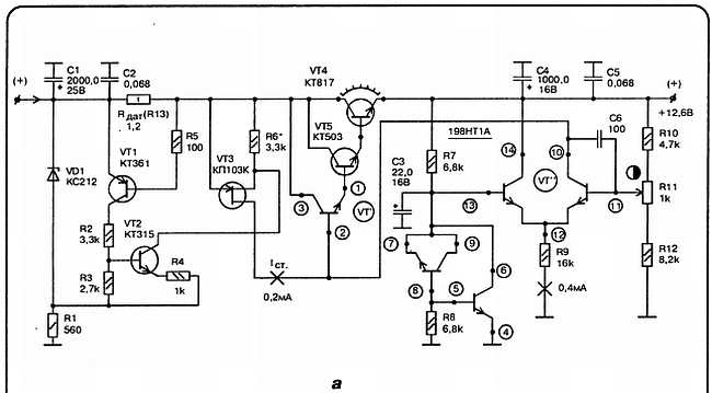
«Спец»: Вот какую принципиальную электрическую схему электронного стабилизатора напряжения я предлагаю сперва для обсуждения, а затем для реализации (рис. 21.1).

«Незнайкин»: Есть моменты в этой схеме, которых я не понимаю совершенно! Например, какую функцию выполняет транзистор КП103К?

«С»: Очень важную, дорогой Незнайкин! Этот типичный jFET, имеющий канал p-типа, включен в качестве СТАБИЛИЗАТОРА ТОКА. Этот стабилизатор тока удобен именно тем, что выполняется по схеме БЕЗ использования вспомогательного напряжения, благодаря чему это дает возможность включить его как ДВУХПОЛЮСНИК.

Его внутреннее сопротивление (как источника тока) несколько превышает 500 кОм! Второе преимущество этой «простой» схемки — работа в области «термостабильной» точки, что делает величину Iс. ст (тока стока) независимой от температуры окружающей среды…

«А»: Если я верно понял, ток стока полевого транзистора затем разделяется и одна часть его является базовым током транзистора КТ312, а другая — является коллекторным током транзистора VT6. Интересно вот только, как соотносятся между собой эти части. А также — зачем потребовалось такое странное включение транзисторов VT2, VT3 и VT4?

«С»: Это «странное» включение называется СХЕМА ДАРЛИНГТОНА или иначе — СОСТАВНОЙ ТРАНЗИСТОР.

Служит она только для получения на основе «обычных» транзисторов «прибора» со сверхвысоким значением В. Обычной величиной является 20000 — 50000! Следовательно, без учета воздействия суммарного Iко (обратного коллекторного тока), для нормальной работы VT4, при среднем токе нагрузки стабилизатора 300 мА, необходим базовый ток около 6 мА. Для VT3 базовый ток равен приблизительно 300 микроампер. Откуда базовый ток VT2 — 5 микроампер!

«Н»: Значит при этом из 200 микроампер, которые обеспечиваются источником тока на jFET VT1, собственно в базу VT2 идет 5 микроампер, а на долю коллекторного тока VT6 остается 195 мкА? А этого хватит для нормальной работы КТ315?

«С»: Вполне! Вообще запомни, что планарно-эпитаксиальные транзисторы типа КТ315; КТ312; КТ342 и подобные им, уже при коллекторных токах от 100 микроампер и выше имеют высокие значения В!

«А»: А какую задачу выполняет VT5?

«С»: Представь себе, что жизнь сложилась так, что напряжение Uвых по каким-то причинам уменьшилось. Тогда его значение понизилось и на базе VT6. Следовательно, уменьшится и ток коллектора Iк транзистора VT6. И, естественно, эмиттерный ток тоже.

Так вот, не будь транзистора VT5, потенциал эмиттера VT6 уменьшился бы тоже. Но VT5 реагирует на это увеличением своего коллекторного тока, компенсируя тем самым начавшееся было уменьшение потенциала на эмиттерном резисторе R3.

«А»: Иными словами, «свято место пусто не бывает»! Но ведь ток коллектора VT6 все равно уменьшился?

«С»: Без вариантов! Теперь он равен уже не 195 мкА, а, например, 185 мкА или даже меньше! Что же произойдет дальше?

«А»: Я полагаю, что поскольку стабилизатор тока на jFET стойко держит свои 200 мкА. (и никаких гвоздей), a VT6 свои прежние 195 мкА коллекторного тока брать на себя не желает, а «согласен» только на 185 мкА, то эти самые 10 мкА пойдут в базу VT2, увеличивая, тем самым проводимость составного транзистора.

«С»: Все так! Это приводит к тому, что проводимость VT4 — увеличивается, а его напряжение коллектор-эмиттер УМЕНЬШАЕТСЯ. Следовательно, это приводит к возрастанию Uвых!

«Н»: Ну, а если Uвыx почему-то увеличилось?

«А»: В этом случае VT6 начинает увеличивать свой эмиттерный ток. Потенциал его эмиттера при этом ВСЕ РАВНО НЕ ИЗМЕНИТСЯ, поскольку VT5 соответственно, уменьшит значение коллекторного (а значит и эмиттерного) тока. Но базовый ток составного транзистора — уменьшится. Следовательно, уменьшится проводимость VT4. Таким образом, система автоматического регулирования «отрабатывает» все изменения выходного напряжения, немедленно компенсируя их!

«С»: Вот и разобрались! Какие еще неясности?

«Н»: Зачем в схеме конденсатор С4?

«С»: Для предотвращения возможного самовозбуждения схемы.

«Н»: А почему применено такое странное параллельное включение конденсаторов С1 и С2?

«А»: Этого момента спервоначала не понимают многие… Дело в том, что любой конденсатор С можно рассматривать, как последовательный колебательный контур, образуемый не только емкостью С, но и собственной паразитной индуктивностью Lc! А электролитические конденсаторы характеризуются вполне ощутимой собственной индуктивностью. Чтобы «закоротить» эту индуктивность, практикуют параллельное с электролитом подключение КЕРАМИЧЕСКОГО конденсатора.

«Н»: Мы рассмотрели работу стабилизатора напряжения (СН) на +12 вольт.

А как устроена схема СН на-12 вольт? В ней есть какие-либо принципиальные отличия?

«С»: Все транзисторы заменяются своими комплементарными аналогами. Изменяются полярности подключения стабилитронов и электролитов. Единственный транзистор, который остается тем же — это jFET типа КП103!

«А»: Именно из-за того, что наш стабилизатор тока — ДВУХПОЛЮСНИК, достаточно просто поменять местами его выводы «а» и «б»!

«С»: Большего и не требуется!

«А»: Но все же мне непонятно одно! Ведь есть же неплохие интегральные стабилизаторы напряжения серии К142ЕН… Почему бы не применить их?

«С»: Если ты внимательно ознакомишься с их параметрами, то заметишь, что их коэффициент стабилизации как по напряжению, так и по току оставляет желать много лучшего.

«Н»: А что это такое — КОЭФФИЦИЕНТ СТАБИЛИЗАЦИИ?

«С»: КОЭФФИЦИЕНТ СТАБИЛИЗАЦИИ ПО НАПРЯЖЕНИЮ равен отношению изменения напряжения на входе схемы СН к вызванному им изменению напряжения на выходе схемы СН при некотором токе нагрузки.

Обычно ток нагрузки приравнивается к номинальному.

Kст = ΔUвхUвых.

Величина, обратная Кст называется КОЭФФИЦИЕНТОМ НЕСТАБИЛЬНОСТИ.

«Н»: Тогда коэффициент стабилизации по току, означает, как изменяется выходное напряжение при изменении выходного тока в некотором промежутке значений?

«С»: Да, при изменении тока нагрузки от минимального до максимального при условии, что входное напряжение не меняется!

«А»: Но ведь в реальных схемах меняются в некоторых пределах, случайным образом, и входное напряжение, и ток нагрузки?

«С»: Несомненно! Поэтому и говорят о некотором суммарном коэффициенте стабилизации. Так вот, на микросхемах 142 серии этот показатель получается в 3–5 раз хуже, чем в предложенной нами схеме.

«Н»: То есть имеет смысл немедленно взяться за ее изготовление?

«С»: Не раньше, чем мы выясним еще один важный вопрос. Самым мощным, естественно, является транзистор VT4, который называется ПРОХОДНЫМ. Но как вы считаете, что произойдет, если закоротить клемму Uвых на землю?

«А»: Ток проходного транзистора резко возрастает, поскольку ничем не ограничен. А всё напряжение, которое в состоянии обеспечить выпрямитель приходится на переход коллектор — эмиттер VT4. Мощность значительно превышает максимально допустимую и транзистор, естественно, полностью выходит из строя. Пробой транзистора означает, что на выходе будет повышенное нестабилизированное напряжение, которое станет представлять опасность уже для основных электронных радиотехнических узлов.

«Н»: Но предложенный вами стабилизатор, дорогой Спец, не защищен ведь от короткого замыкания на выходе?

«С»: Вот именно для того, чтобы избежать последствий, в случае короткого замыкания выхода, я предлагаю следующее дополнение к ранее приведенной схеме (рис. 21.2).

«А»: Я так понимаю, что пока ток нагрузки (рис. 21.2, а) не превышает некоторый максимально допустимый, например 500 мА, падение напряжения на резисторе R13 недостаточно для отпирания VT1. Следовательно, его коллекторный ток можно считать равным нулю. Но в этом случае заперт и VT2. Следовательно, коллекторный ток VT2 так же равен нулю!

«С»: Верно! Ну, а в случае короткого замыкания на выходе?

«А»: В этом случае падение напряжения на Rдат превышает 0,6 В. VT1 переходит в состояние насыщения и его коллекторный ток «отопрет» транзистор VT2. В свою очередь, его коллекторный ток создаст на истоковом резисторе падение напряжения такой полярности, что это вызовет запирание полевого транзистора.

«С»: Процесс этот, прошу заметить, носит динамический характер. То есть максимальный ток, проходящий через проходной транзистор, очень просто подсчитывается по формуле:

Imах к.з. = 0.6∙B/Rдат.

Таким образом при Rдат = 1 Ом, максимальный ток короткого замыкания буде равен 600 мА.

«А»: Действительно, VT4 будет работать в допустимом режиме по току.

«Н»: А если снять закоротку?

«С»: Стабилизатор немедленно восстановит нормальный режим работы. Предлагаемая схема в этом отношении является совершенно некапризной.

Кстати, есть прямой смысл заменить в приведенной схеме транзисторы VT3 и VT4 на один составной транзистор Дарлингтона (речь идет о рис. 21.1).

«А»: Я полагаю, это будет составной n-р-n-транзистор типа КТ825?

«С»: Совершенно верно! Помимо того, что у КТ825 сравнительно мало напряжение насыщения составной структуры (около 2 В), его максимальный ток составляет несколько ампер. Поэтому, уменьшив величину Rдат, не прибегая более ни к каким схемным изменениям, можно увеличить допустимый уровень тока нагрузки.

«Н»: А не будете ли вы столь добры представить схему стабилизатора на отрицательное напряжение?

«А»: Если никто не возражает, я сделаю это прямо сейчас (рис. 21.3).

«Н»: В этом стабилизаторе в качестве VT3 и VT4 тоже применяется составной транзистор?

«А»: Да, но типа КТ827. Он комплементарен Дарлингтоновскому транзистору КТ825.

«Н»: А сложно построить подобный стабилизатор?

«С»: Если строго соблюсти условия, которое я вам сейчас сообщу, то стабилизаторы, собранные по приведенным выше схемам, начинают работать сразу.

«А»: Интересно, в чем заключается это условие?

«С»: Обратите еще раз внимание на стабилизатор тока. Его ток стока должен быть установлен равным точно 0,2 мА. Тогда все остальные режимы устанавливаются АВТОМАТИЧЕСКИ!

«Н»: А как проще всего это сделать?

«С»: Обычно поступают следующим образом. Собирают отдельно вот такую элементарную цепь. Для ее питания достаточно обычной батарейки на 9 вольт (рис. 21.4).

«А»: В качестве измерительного прибора лучше всего использовать тестер.

«С»: Да, поставив его на предел 600 микроампер. Rист берется для начала, равным 3,3 кОм. Если ток измерительного прибора превышает требуемые 200 микроампер, то увеличивают Rист, проходя последовательно значения: 3,6 к; 3,9 к; 4,3 к; 4,7 к и т. д. Применяя транзисторы соответственных буквенных индексов, обычно при подборе требуется не более трех попыток.

«Н»: А какие буквенные индексы наиболее предпочтительны для рассматриваемой схемы стабилизатора?

«С»: Для транзисторов с p-каналом это: КП103И; КП103К; 2П103Б и 2П103В. Для n-канала можно выбирать такие транзисторы, как КП303Б, КП303В; КП303А; 2П303А (Б, В). То есть такие, паспортное значение Uотс, которых не превышает 3-х вольт.

«А»: А какого типа следует применять подстроечный резистор?

«С»: Предпочтительнее всего использовать следующие типы многооборотных подстроечных резисторов: СП5-3; СП5-2; СП5-22; СП5-1ВА. Возможно применение и однооборотных СП5-16ВА или СП5-16ВБ. А также подобных им модификаций.

Применение подстроечного резистора дает возможность ТОЧНО установить выходное напряжение. Точно — это значит до единиц милливольт!

«Н»: Но речь шла о ТРЕХ выходных напряжениях, а не о ДВУХ!? Что меняется в стабилизаторе на +7,5 вольт?

«С»: Прежде всего, вполне достаточно иметь на входе не 16, а всего 12 вольт! Схема защиты при этом не претерпевает ровно никаких изменений, кроме одного единственного. В качестве VD1 применяется стабилитрон КС168 или КС175. А вот схема дифференциального усилителя несколько иная. Да вот она (рис. 21.5).

«А»: Здесь в качестве опорного стабилитрона применен ТОЛЬКО один светодиод?

«С»: Этого достаточно вполне.

«Н»: Я хотел еще спросить о том, чего здесь нет!

«А»: Интересный поворот темы! Это не о трансформаторе ли зашла речь?

«Н»: Именно о нем!

«С»: Есть много возможностей! Следует исходить из того, по какому пути проще пойти! Можно, например, взять готовый стандартный трансформатор типа ТПП, имеющий соответствующие вторичные обмотки. Или, скажем, использовать трансформатор одного из следующих типов: ТН-33; ТН-34; ТН-36, и т. п.

Полное наименование: ТН-33-220-50; ТН-34-220-50 и т. д. Очень хорошим решением является изготовление трансформатора-тора. Это, кстати, обойдется в несколько раз дешевле. Можно использовать как самодельный, так и стандартный тороидальный трансформатор.

«А»: Действительно, сейчас можно на радиотолчке приобрести соответствующий по мощности тор с уже намотанной первичной (сетевой) обмоткой. Она обычно содержит 2200 витков. Следовательно, 10 витков на вольт! Намотать три вторичных обмотки на соответствующие выходные напряжения — труда не составит!

«Н»: Ну, это как для кого. А какие нам нужны вторичные напряжения обмоток?

«А»: Исходи из того, что нужны ДВЕ обмотки по 15 вольт и одна на 10 вольт!

«Н»: Но на принципиальной схеме (рис. 21.6) я вижу нечто ИНОЕ? На входах двух стабилизаторов 18 вольт и на входе третьего — 12 вольт?

«А»: Все учтено могучим ураганом! Входные конденсаторы «поднимают» напряжение обмотки, примерно, в 1,3 раза! Но из вновь полученного значения следует вычесть величину несколько превышающую один вольт. Это напряжение теряется на выпрямительных диодах. Как легко убедиться, напряжение на входе первых двух стабилизаторов при этом и будет составлять около 16,5 вольт. А с учетом падения напряжения на активном сопротивлении выходных обмоток — 16 вольт!

«С»: То есть именно то, что и требуется! А теперь следует определиться в токах. Учтите, что максимально допустимая мощность для тора с габаритами 50x20x10 мм составляет 25 ватт!

«А»: А хватит ли этого? Давайте прикинем. Две обмотки по 16 вольт на 0,4 ампера каждая, это 2x15x0,4 = 12 ватт. Одна обмотка на 10 вольт и 0,4 ампера — это 10x0,4 = 4 ватта. Итого: 12 + 4 = 16 ватт!

«С»: Обратите внимание, что тороидальный трансформатор весит в два — три раза меньше, чем адекватный ему по мощности обычного исполнения. И еще одно — КПД тороидального трансформатора обычно не менее 99 процентов! Кроме того, он допускает домотку обмоток, что в трансформаторе обычного типа сделать весьма проблематично!

«Н»: Ну, я для себя вопрос однозначно решил в пользу тора! А вот что относительно количества витков и диаметра провода?

«А»: Поскольку первичная обмотка содержит 10 витков на один вольт, то вторичная — тоже! Откуда следует, что: ВТОРИЧНЫЕ ОБМОТКИ 1 и 2 трансформатора Tp1 содержат по 140 витков. А вторичная обмотка Тр2 содержит 100 витков.

Что касается типа обмоточного провода, то самым подходящим будет являться ПЭВ-2 или ПЭВТЛ-2 диаметром 0,39 мм (во всяком случае не ниже 0,35).

«С»: Я посоветовал бы еще одно. Намотать на челнок, примерно, по ВОСЕМЬ МЕТРОВ этого провода, сложенного вдвое. А затем наматывать тор одновременно. Тогда параметры обмоток 1 и 2 будут одинаковыми. Намотку следует производить аккуратно, равномерно распределяя витки по кольцу.

«Н»: А третью обмотку?

«С»: Ее мы наматываем на другой тор.

«А»: Ну, а как мы поступим с питанием варикапов? Что, мотать на тор еще одну обмотку, но тонким проводом?

«С»: Ни в коем случае! Это не только не нужно, но даже вредно!

«А»: Почему вредно?

«С»: Потому что к напряжению, которое запитывает варикапы, предъявляются совершенно особые требования! Несмотря на смехотворный ток потребления, качество и стабильность напряжения должно быть высочайшим!

«Н»: Стабильность — это я понимаю. А вот что такое КАЧЕСТВО напряжения?

«С»: Этот термин следует понимать таким образом, что АМПЛИТУДА ПУЛЬСАЦИЙ выходного напряжения должна быть ИСЧЕЗАЮЩЕ малой! Так, при напряжении 30 вольт, амплитуда пульсаций не должна превышать десятых долей милливольта!

«А»: А почему так строго?

«С»: Такова суровая правда жизни, о любознательные мои друзья! Это напряжение определяет величину емкости колебательного контура генератора плавного диапазона приемника! И здесь «шутки» просто неуместны! Поэтому поступают следующим образом.

Несколько ранее я уже приводил проверенную и отлично зарекомендовавшую себя ПРАКТИЧЕСКУЮ принципиальную схему получения столь необходимых нам 30 вольт высокого качества из, как говорится, любого источника более низкого напряжения. Вспомните рис. 16.4.

«А»: Схема, я тебя узнал. Именно такую мы применили для той же цели и в первом KB-приемнике! Но мне не совсем ясно, почему генератор низкой частоты для преобразователя вы предложили транзисторный, а не на ОУ?

«С»: Во-первых, потому, что этот генератор имеет ОДНОПОЛЯРНОЕ питание! Что очень удобно!

Во-вторых, схема, при необходимости, имеет резервы использования. Снабжена она и системой автоматической стабилизации амплитуды колебаний!

«Н»: Но лампочка, выступающая элементом системы стабилизации амплитуды, сама светиться не должна?

«С»: Нисколько! Напротив, только исключительно острый глаз, да и то вблизи, в темноте, заметит, что нить лампочки слегка порозовела! Смысл применения этой микролампочки заключается в следующем. Для получения гармонических колебаний с МАЛЫМИ ИСКАЖЕНИЯМИ используют инерционно-нелинейную цепь отрицательной обратной связи. Нужный характер нелинейности обеспечивается тогда, когда с ростом амплитуды сигнала уменьшается сопротивление в цепи эмиттера транзистора задающего генератора.

«А»: То есть получается, что лампочка играет роль терморезистора?

«С»: И с величайшим успехом! На транзисторах VT3,VT4,VT5 и VT6 собран симметричный оконечный каскад генератора. Цепь обратной связи поддерживает высокую стабильность работы генератора в достаточно широком диапазоне температур.

«А»: А какие элементы данной схемы определяют рабочую частоту?

«С»: Прежде всего, это конденсатор С1. В представленном на схеме варианте, генератор выдает частоту около 8 кГц. Каскад, собранный на VT7, посредством повышающего трансформатора (собранного на ферритовом колечке) и высококачественного мостового выпрямителя, в качестве которого применена матрица 2Д906А (Б), позволяет получить напряжение около 35 вольт.

«А»: Которое затем подается на компенсационный стабилизатор, в чем-то подобный уже рассмотренным ранее, а во многом и отличающийся! Например, я не возьму в толк, зачем потребовалась микросхема там, где ранее мы обходились с помощью транзисторов?

«Н»: И что это за непонятное включение ДВУХ из них, а именно VT13 и VT14?

«С»: Во-первых, микросхема здесь использована со смыслом и по причине крайней необходимости! Строго говоря, 198НТ1 — это даже не микросхема, а МИКРОСБОРКА, где на одном кристалле сформированы ПЯТЬ транзисторов. Два из них (по схеме VT11 и VT12) имеют объединенный эмиттер.

Поскольку их параметры настолько ИДЕНТИЧНЫ, что попытаться подобрать подобную пару из дискретных транзисторов — конечно можно! Но я очень не советую! Неблагодарное это занятие!

Во-вторых, мало того, что у VT11 и VT12 одинаковые параметры! Эти транзисторы ВСЕГДА будут находиться в одинаковых температурных режимах! В том случае, если у них приблизительно одинаковы коллекторные токи, естественно! Вот что такое технология изготовления транзисторов на ОДНОМ кристалле!

«А»: То есть самая подобранная пара дискретных транзисторов, именно в силу того, что они собраны в разных корпусах, ВСЕГДА будут проигрывать ИНТЕГРАЛЬНОЙ паре?

«С»: Для подобных приложений — ВСЕГДА! Но температурные условия для остальных трех транзисторов микросборки тоже одинаковы! Это позволяет говорить о существовании глубокой обратной связи по температуре. В результате вышесказанного и нестабильность, и температурный дрейф ВСЕГДА будут в несколько раз лучше, чем у тех же схем, но собранных на дискретных транзисторах! Заметьте, в описываемых стабилизаторах напряжения мы широко используем эти особенности микросборок.

«Н»: А почему же, в таком случае, ранее мы применили подобное решение только для питания варикапов?

«С»: Нужды не было! Поскольку, например, питание гетеродинов будет осуществляться не от общих, а от автономных специализированных СН. А в них основой схемы и будут подобные решения!

«А»: Что касается включения транзисторов VT13 и VT14, то, как я понимаю, с их помощью получают опорное напряжение?

«С»: Да, именно эта схема, или ее модификации, применяется в интегральной электронике. Она позволяет получить высокостабильное опорное напряжение при сквозном токе, равном ВСЕГО 100 микроамперам!

«А»: Да это раз в 50 меньше, чем обычно?

«Н»: Ну, а что все-таки представляет собой сам повышающий трансформатор?

«С»: Колечко из феррита, как я уже говорил. Марки 600НН или 1000НН. Типоразмер: К12,0x6,0x4,5. Или К13,0x5,5x5,0. В любом случае первичная обмотка содержит 80 витков провода ПЭВ-2-0,15 или ПЭВ-2-0,13. Параметры вторичной обмотки: 330 витков, равномерно намотанных по кольцу проводом ПЭВ-2-0,1. Лучше всего количество витков вторичной обмотки — подобрать.

«А»: А конструктивно?

«С»: Рисунок печатной платы будет представлен позднее. Но весь этот узел собирается на основе миниатюрных компонентов, на единой плате. Конструктивно он НЕ входит в состав силового блока стабилизаторов напряжения. И размешается отдельно, поближе к варикапам ГПД.

Более 800 000 книг и аудиокниг! 📚

Получи 2 месяца Литрес Подписки в подарок и наслаждайся неограниченным чтением

ПОЛУЧИТЬ ПОДАРОК