Комментарий профессора Радиоля ПРИЕМ ПЕРЕДАЧ С ЧАСТОТНОЙ МОДУЛЯЦИЕЙ

Принцип приема передач с частотной модуляцией намного сложнее, чем с амплитудной. Во-первых, из-за очень высокой частоты несущих волн и значительной ширины полосы модуляции, а во-вторых, из-за трудности преобразования частотно-модулированных колебаний в колебания, модулированные по амплитуде. Все эти проблемы, а также различные способы их решения рассматриваются здесь.

Хорошо ли ты, Незнайкин, понял, почему передачи с частотной модуляцией ведутся на метровых волнах? Я думаю, что после расчетов, которые ты так хорошо выполнил во время последней беседы с моим дорогим племянником, это представляется тебе очевидным. В принципе несущая частота всегда должна в какое-то количество раз превышать ширину полосы модулирующих ее частот.

Когда ты начнешь изучать телевидение, то узнаешь, что полоса частот, позволяющая передавать так называемые «видеосигналы», достигает 6 МГц. Тогда тебя не удивит сообщение, что некоторые телевизионные передатчики работают на дециметровых волнах, т. е. используют несущие частоты в несколько сотен мегагерц.

Усиление промежуточной частоты

Само собой разумеется, что радиоприемники, рассчитанные на прием передач с ЧМ, представляют собой супергетеродины. Однако, как ты сам хорошо понимаешь, их каскады УПЧ не могут быть настроены на 465 кГц, как это имеет место в приемниках AM колебаний.

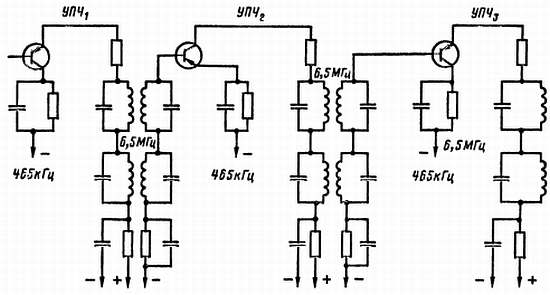
Для того чтобы каскады УПЧ могли пропустить полосу модуляции шириной 300 кГц, их настраивают на частоту 6,5 МГц. Коэффициент усиления этих каскадов небольшой, и поэтому усилитель содержит три каскада.

Не думай, что в радиоприемниках, способных обеспечивать прекрасное воспроизведение передач как AM, так и ЧМ, имеется два отдельных УПЧ. Для усиления ПЧ 465 кГц и 6,5 МГц удается использовать одни и те же лампы или транзисторы.

Как этого достигают? Очень просто, включая последовательно контуры, настроенные на 6,5 МГц, с контурами, настроенными на 465 кГц (рис. 169); первые должны размещаться ближе к усилительным лампам или транзисторам.

Когда в усилитель поступают токи с несущей частотой 465 кГц, они без каких бы то ни было трудностей проходят через контуры, настроенные на 6,5 МГц. Что же касается напряжений этой частоты, то для них контуры, настроенные на 465 кГц, представляют высокое сопротивление.

На рисунке изображена схема УПЧ на трех транзисторах. Как видишь, трансформаторы связи для частоты 465 кГц имеют настроенную первичную обмотку, а для частоты 6,5 МГц — обе настроенные обмотки. Рассмотри эту схему повнимательнее, в ней нет ничего сложного.

Рис. 169. Один и тот же УПЧ служит для приема передач как с AM (контуры ПЧ настроены на 465 кГц), так и с ЧМ (контуры ПЧ настроены на 6,5 МГц).

Преобразователь частоты и УВЧ

По логике, прежде чем говорить тебе о промежуточной частоте, я должен был рассказать об усилении ВЧ и о преобразовании частоты. Для начала запомни, что метровые волны принимаются обычной антенной. Переносные приемники оснащаются так называемой телескопической антенной, которую ятя приема ЧМ передач нужно выдвинуть.

Преобразователю частоты обычно предшествует один каскад усиления ВЧ. В ламповых приемниках в таком каскаде используют триод, так как на ВЧ он обеспечивает лучший, чем пентод, коэффициент усиления. В преобразователе частоты предпочитают иметь отдельный от смесительной лампы местный гетеродин (рис. 170). Для этой цели можно все-таки использовать двойной триод; связь между гетеродином и смесителем в этом случае осуществляется через междуэлектродную емкость, через которую очень высокие частоты легко проходят.

Рис. 170. Преобразователь частоты с отдельным гетеродином, колебания которого подаются на сетку триода-смесителя.

Частотный детектор

Наиболее специфичной и существенно более сложной частью в ЧМ приемнике является устройство, служащее для демодуляции. Какова его роль?

Она прямо противоположна роли, которую модулятор играет в передатчике. Демодулятор получает усиленные напряжения промежуточной частоты, которые, за исключением случаев воздействия помех или явления замирания, имеют постоянную амплитуду, но у которых частота изменяется в весьма широких пределах. Эти колебания частоты надлежит преобразовать в пропорциональные им колебания амплитуды. Таким образом, получают сигналы НЧ.

Существует несколько различных способов демодуляции. Я опишу тебе лишь наиболее распространенные средства, а именно дискриминатор и детектор отношений. В каждой из этих схем используют два диода; это могут быть как вакуумные, так и полупроводниковые диоды.

Демодулирование с помощью дискриминатора

Схема дискриминатора (рис. 171) связана с последним каскадом УПЧ с помощью трансформатора, первичная и вторичная обмотки которого настроены на промежуточную частоту. Кроме того, появляющиеся в первичной обмотке трансформатора усиленные напряжения через конденсатор С подаются на отвод от середины вторичной обмотки. Каждый из диодов Д1 и Д2 выпрямляет напряжения, появляющиеся в одной половине вторичной обмотки.

Рис. 171. Схема дискриминатора служащего дли демодуляции усиленных колебаний промежуточной частоты.

После выпрямления они создают на резисторах R1 и R2 падения напряжений, имеющие противоположную полярность. В отсутствие модуляции усиленные напряжения промежуточной частоты имеют только частоту 6,5 МГц, на которую настроены обе обмотки последнего трансформатора связи. При этом напряжения на обеих половинах вторичной обмотки равны между собой. Поэтому после выпрямления они создают на резисторах R1 и R2 одинаковые постоянные напряжения, а так как они противоположны по фазе, то взаимно аннулируются, и напряжение между точками А и В равно нулю.

В тех же случаях, когда частота отклоняется от 6,5 МГц, равновесие нарушается. Теперь емкостное сопротивление конденсатора, согласующего вторичную обмотку трансформатора связи, уже не равно индуктивному сопротивлению этой обмотки. В результате напряжение на одном из концов обмотки относительно средней точки отличается в большую или меньшую сторону от напряжения на другом конце обмотки. Поэтому и выпрямленные диодами Д1 и Д2 напряжения уже не равны по величине; между точками А и В появляется разность потенциалов, равная разности между этими двумя напряжениями. Это напряжение тем выше, чем больше поступающая из УПЧ частота отличается от частоты 6,5 МГц, на которую настроен трансформатор связи. А величина этого напряжения изменяется в соответствии с изменением частоты усиленных колебаний.

Это означает, что между точками А и В мы получаем то самое напряжение НЧ, которое в передатчике модулировало частоту несущих колебаний. Остается лишь усилить его известными тебе способами, чтобы затем подать на громкоговоритель.

Детектор отношений

Схема другого демодулятора, получившего название детектора отношений, похожа на только что изученную нами схему дискриминатора. Но в этой схеме диоды включены не навстречу, а в одном направлении (рис. 172).

Рис. 172. Демодулятор типа детектора отношений.

Таким образом, все напряжения, наведенные во вторичной обмотке трансформатора, выпрямляются и создают между точками А и X и между точками X и В два напряжения, которые складываются. Их сумма, образованная между точками А и В, заряжает электролитический конденсатор С3, емкость которого несколько микрофарад. Благодаря этой большой емкости напряжение между точками А и В остается неизменным даже в случае быстрых изменений амплитуды, вызываемых атмосферными помехами, и последние не ощущает радиослушатель.

Однако это постоянное напряжение между точками А и В изменяется, если вследствие замирания ослабляется электромагнитное поле принимаемых волн. Вот почему это напряжение можно использовать для АРУ.

Что же касается выпрямленных напряжений, появляющихся на обкладках конденсаторов С1 и С2, то они зависят от величин напряжений, наводимых на каждой из половин вторичной обмотки трансформатора ПЧ. Во время изучения работы дискриминатора мы отметили, что эти напряжения идентичны, когда в отсутствие модуляции промежуточная частота не изменяется и равна 6,5 МГц, и различаются между собой, когда промежуточная частота модулирована. В рассматриваемом сейчас случае потенциал точки X изменяется относительно потенциалов точек А и В в такт с изменениями частоты, а амплитуда этих колебаний пропорциональна отклонению частот. Это означает, что в точке X мы имеем демодулированный сигнал НЧ.

Ты убедился, что ЧМ требует создания приемников более сложных, чем AM. Но эти усложнения заслуживают внимания, так как благодаря им получают такую верность воспроизведения звука, какую AM обеспечить не может.

Более 800 000 книг и аудиокниг! 📚

Получи 2 месяца Литрес Подписки в подарок и наслаждайся неограниченным чтением

ПОЛУЧИТЬ ПОДАРОК