Беседа десятая ТРАНЗИСТОР

Здесь рассматриваются основные вопросы, относящиеся к транзисторам: их конструкция, способ питания, прохождение токов во входной и выходной цепях, схема усилительного каскада, изменение тока коллектора в зависимости от приложенного на вход напряжения, входное сопротивление транзистора и рассеиваемая на нем мощность.

Неподвижность атомов

Незнайкин. — Мне представляется очень сложным строение этих полупроводников, которые вместе со своими трехвалентными и пятивалентными примесями образуют положительные и отрицательные зоны n-р перехода. Необходимо учитывать атомы примесей, ионизированные положительно и отрицательно, атомы самого полупроводника, которые, потеряв электрон, стали положительными дырками, и, наконец, свободные электроны. При приложении напряжения, порождающего электрический ток, начинается сложное движение этих частиц.

Любознайкин. — Успокойся, дорогой друг. В действительности прохождение тока не вызывает практически никакого перемещения атомов. Движутся только электроны, как это происходит в проводниках. Не забывай, что атомы наших полупроводников образуют кристаллическую решетку и поэтому прочно закреплены на своих местах.

Н. — Тогда я не понимаю, что сказал мне твой дядюшка, когда объяснял, как на n-р переходах изменяется плотность ионизированных атомов акцепторов и доноров в зависимости от того, находятся ли они ближе к переходу или дальше от него. Как может изменяться плотность, если эти атомы не движутся?

Л. — Очень просто, благодаря перемещению электронов, которые покидают большее или меньшее количество атомов-доноров, расположенных в одном месте, чтобы занять место на внешней оболочке атомов-акцепторов, расположенных в другом месте. И когда мы говорим, что дырка (т. е. атом, ставший положительным из-за недостатка одного электрона) перемещается от положительного полюса к отрицательному, то на самом деле речь идет не о перемещении атома, а о последовательной цепочке перемещений электронов от одного атома к другому, расположенному ближе к положительному полюсу.

Таким образом, дырка образуется на одном атоме, затем на соседнем с ним, расположенном ближе к отрицательному полюсу, затем на соседнем уже с этим и т. д. в направлении к отрицательному полюсу.

Н. — Ты меня успокоил, Любознайкин. Значит, действительно перемещаются только электроны. И благодаря движению электронов изменяются заряды некоторых атомов, которые перестают быть нейтральными и становятся положительными, если они теряют электрон, или отрицательными, если они получают лишний электрон.

Переход + переход = транзистор

Л. — С удовольствием отмечаю, что ты хорошо усвоил, что происходит на переходе. Это позволяет мне соединить два перехода, чтобы получить транзистор.

Н. — Я не очень хорошо представляю, как ты соединишь два перехода.

Л. — Это несложно. Возьми два противоположно направленных перехода, например р-n переход и n-р переход, и сделай общей их зону n. Таким образом получишь транзистор типа р-n-р. Средняя часть, в данном случае зона n, должна быть очень тонкой. Она называется базой. Одна из крайних зон р называется эмиттером, а другая — коллектором.

Н. — Очень красивые названия. Однако, на мой взгляд, конструкция лишена какого бы то ни было смысла. Твой транзистор представляет превосходное препятствие для прохождения тока. Ты установил два диода, включив их в противоположных направлениях. Каждый из них пропускает ток только в одном направлении. А при таком расположении направления проводимости диодов ориентированы в разные стороны (рис. 124). Ты можешь сколько угодно прилагать между своими эмиттером и коллектором отрицательно-положительный или положительно-отрицательный потенциал, все равно тока не будет.

Рис. 124. Распределение электронов, дырок и ионизированных атомов во всех трех зонах транзистора до приложения к нему напряжения.

Транзистор р-n-р

Л. — Совершенно с тобой согласен. Но посмотрим, что произойдет, если одновременно приложить еще одно напряжение между базой и эмиттером. Подключим батарею напряжением в несколько вольт положительным полюсом к эмиттеру, а отрицательным — к коллектору. Возьмем другую батарею с еще более низким напряжением и подключим ее между эмиттером, с которым соединим положительный полюс, и базой, с которой соединим отрицательный полюс (рис. 125). Что же теперь произойдет, Незнайкин?

Рис. 125. Движение носителей зарядов в транзисторе типа р-n-р под воздействием напряжений.

Н. — Ток потечет от эмиттера к базе, так как вторая батарея включена так, что электроны могут проходить через р-n переход. Но я не вижу, что может дать батарея, включенная между эмиттером и коллектором.

Л. — Будучи заряженной отрицательно, база притянет из эмиттера немалое количество положительных дырок. Небольшая часть этих дырок пойдет к отрицательному полюсу батареи, пройдет через нее и через другой полюс вернется в эмиттер, тогда как в противоположном направлении будут двигаться электроны. Это образует небольшой ток Iб (эмиттер — база). Но не забывай, что база очень тонкая. Поэтому основная часть положительных дырок, которые проникли в базу из эмиттера, продолжит свой путь и войдет в коллектор. А эта зона, будучи заряженной отрицательно, как раз и притянет эти дырки, которые, как ты, вероятно, помнишь, представляют собой положительные заряды.

Н. — Теперь я понимаю, что небольшой ток Iб порождает больший ток, протекающий от эмиттера через базу к коллектору.

Л. — Действительно, ток базы Iб обычно не превышает нескольких десятков или сотен микроампер, тогда как ток коллектора Iк достигает нескольких миллиампер или даже нескольких десятков миллиампер. А в мощных транзисторах он еще больше. Но прежде чем рассматривать его цифровые значения, я хотел бы посмотреть, не сможешь ли ты сам проанализировать работу транзистора n-р-n, имеющего обратные полярности по сравнению с только что изученным нами транзистором р-n-р.

Транзистор n-р-n

Н. — Попытаюсь. В отсутствие напряжения эмиттер из полупроводника типа и будет иметь больше свободных электронов на своем свободном конце, тогда как на стороне перехода с базой выше будет плотность положительных ионов. Поэтому в самой базе поблизости от этого перехода будут преобладать отрицательные ионы. На переходе между базой и коллектором заряды будут располагаться симметрично. В середине же базы будут преобладать дырки, так как у расположенных там атомов электроны сорваны атомами, находящимися около обоих переходов (рис. 126).

Рис. 126. Транзистор типа n-р-n.

Л. — Все это совершенно верно. Я вижу, что ты хорошо знаешь распределение различных зарядов на переходах. А теперь доставь мне удовольствие, приложив напряжения на все три электрода транзистора.

Н. — Отрицательный полюс батареи я соединяю с эмиттером, а положительный — с коллектором. Еще меньшее напряжение другой батареи я прилагаю положительным полюсом к базе, а отрицательным — к эмиттеру (рис. 127).

Рис. 127. Притягивая электроны от эмиттера к базе, напряжение источника Eэ. б открывает им путь в коллектор.

Л. — Что же произойдет?

Н. — Напряжение между эмиттером и базой и в этом случае приложено в проводящем направлении. Значит, свободные электроны устремятся от эмиттера к базе. Некоторые из них пойдут к положительному полюсу источника питания, пройдут через него и вернутся к эмиттеру. Они определяют ток базы. Но и здесь он будет малым. Вследствие исключительно малой толщины базы основная часть электронов, устремляющихся от эмиттера в базу, преодолеет и второй переход; это облегчается тем, что они притягиваются положительным потенциалом, приложенным к коллектору. Они войдут в коллектор, покинут его и направятся к положительному полюсу батареи Еэ. к, чтобы, пройдя через нее, вернуться, наконец, к эмиттеру.

Л. — Браво, Незнайкин! Ты мог бы еще добавить, что в это же время положительные дырки, которые до приложения напряжения находились в середине базы, устремятся к эмиттеру, притягиваемые его отрицательным потенциалом.

Аналогия транзистор — триод

Н. — Как изменяется ток коллектора в зависимости от изменения тока базы?

Л. — Можно сказать, что Iк практически пропорционален Iб. Кривая, которую я тебе показываю, представляет собой почти прямую линию (рис. 128).

Рис. 128. Кривая напряжения тока коллектора Iк в зависимости от изменения тока базы Iб.

Как видишь, когда ток базы увеличивается на 100 мкА, ток коллектора возрастает на 3 мА, т. е. в 30 раз больше. Однако еще большее впечатление производят кривые, показывающие изменение тока коллектора Iк в зависимости от изменения напряжения эмиттер — база Uэ. б (рис. 129).

Рис. 129. Изменение тока коллектора Iк в зависимости от изменения напряжения Uэ. б, приложенного между эмиттером и базой.

На кривой, которую я для тебя начертил, видно, что, когда напряжение Uэ. к увеличивается со 100 до 150 мВ, ток Iк повышается с 4 до 10 мА. Иначе говоря, при изменении напряжения базы на 50 мВ ток возрастает на 6 мА.

Н. — Для расчета крутизны надо 6 мА разделить на 50 мВ, или 1/20 В; получим 120 мА/В — это просто колоссально!

Л. — Не очень, так как имеются транзисторы с крутизной 300 мА/В и даже больше.

Н. — Что меня сейчас больше всего поражает, так это глубокая аналогия между транзистором и лампой-триодом. Эмиттер соответствует катоду, сетка — базе, а коллектор — аноду.

Л. — Действительно, если в лампе малые изменения потенциала сетки вызывают значительные изменения анодного тока, то и здесь, немного изменяя потенциал базы, можно сильно изменять ток коллектора.

Ты догадываешься, что вход транзистора образуется базой и эмиттером. Между этими двумя электродами прилагают подлежащие усилению переменные токи. Выход же транзистора образуется между коллектором и эмиттером, так как между ними протекает усиленный ток.

Условные обозначения

Н. — Не мог бы ты показать мне схему усилительного каскада на транзисторе? Прежде покажи условное графическое обозначение транзистора.

Л. — В связи с существованием двух типов транзисторов должно быть и два условных обозначения. База изображается вертикальной линией; эмиттер обозначается в виде стрелки, направленной к базе в транзисторе типа р-n-р и направленной от базы в транзисторе типа n-р-n (рис. 130).

Рис. 130. Условные графические обозначения транзисторов.

Н. — Эта стрелка, если я правильно понимаю, показывает условное направление электрического тока, т. е. от положительного полюса к отрицательному.

Л. — Совершенно верно. Коллектор же обозначается прямой линией, подходящей, как и стрелка эмиттера, к базе. Принятое условное обозначение верно отражает историческую действительность. Самые первые транзисторы, сделанные в 1948 г., не имели настоящих переходов. Эмиттер и коллектор этих транзисторов представляли собой металлические острия, опиравшиеся на кристалл германия (базу).

Усилительный каскад

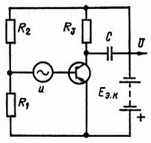
Л. — А вот общая схема усилительного каскада (рис. 131).

Рис. 131. Общая схема усилительного каскада на транзисторе.

В этой схеме переменное напряжение на входе обозначено буквой u. Усиленное напряжение, получаемое на выходе при прохождении коллекторного тока по нагрузочному резистору R3, обозначено буквой U. Его пропускают через конденсатор связи С.

Н. — А для чего служат резисторы R1 и R2, которые соединены последовательно и подключены к обоим полюсам батареи Еэ. к?

Л. — Эти два резистора образуют делитель напряжения. Следовательно, их общая точка обладает меньшим потенциалом, чем вся батарея. Таким образом, база транзистора, соединенная с этой общей точкой (через источник переменного напряжения), оказывается заряженной отрицательно по отношению к эмиттеру, который непосредственно соединен с положительным полюсом батареи.

Н. — Совсем не глупо! Так можно обойтись без батареи, служившей для подачи смещения на базу. А какое сопротивление должны иметь резисторы, образующие делитель напряжения?

Л. — Необходимо получить смещение, достаточное для того, чтобы рабочая точка на характеристике, показывающей изменение тока коллектора Iк в зависимости от потенциала базы Uэ. б, находилась в правой части и достаточно далеко от нижнего изгиба, чтобы изменения напряжения, приложенного между эмиттером и базой, не достигали этого участка кривой. Таким образом предотвращают возникновение искажений.

На практике смещение должно представлять собой небольшую часть напряжения батареи. Поэтому резистор R1 имеет сопротивление всего несколько ом, тогда как резистор R2 должен иметь сопротивление, в 30–50 раз большее.

Входное и выходное сопротивления

Н. — Сходство между транзистором и лампой-триодом еще большее, нежели я думал. В лампе-триоде смещение на сетке осуществляется падением напряжения на резисторе. Здесь смещение на базе также получается благодаря падению напряжения на резисторе R1.

Л. — Мне надлежит предостеречь тебя от некоторого преувеличений в отношении их сходства. Между вакуумной лампой и транзистором есть и немало очень важных различий. Прежде всего вспомни о существовании тока, идущего от эмиттера к базе внутри транзистора и возвращающегося по внешней цепи к эмиттеру, как это происходит в транзисторах типа n-р-n, или идущего в обратном направлении в транзисторах типа р-n-р. В обоих случаях ток базы не превышает несколько сотен микроампер. Это означает, что…

Н. — …этим транзистор отличается от лампы-триода, в которой не должно быть сеточного тока. Смещение на сетку подается как раз для того, чтобы предотвратить полностью возникновение этого тока.

Л. — Пойми, Незнайкин, что для порождения тока базы приложенный на вход переменный ток должен израсходовать некоторую мощность. А она, как ты помнишь, есть произведение напряжения на ток.

Н. — Я думаю о другом аспекте этого явления. Раз напряжение, приложенное между базой и эмиттером, порождает ток, значит, с помощью закона Ома можно рассчитать сопротивление входа транзистора.

Л. — Действительно. И таким способом можно убедиться, что входное сопротивление составляет всего лишь несколько сотен ом. Ты видишь, насколько транзистор отличается от вакуумного триода и других усилительных ламп, где вход имеет бесконечно большое сопротивление, в связи с чем сеточный ток отсутствует.

Н. — А какое сопротивление имеет транзистор между эмиттером и коллектором?

Л. — Это сопротивление следует рассматривать как выходное. Оно составляет несколько килоом.

Н. — Я думаю, что сопротивление нагрузочного резистора, включенного в цепь коллектора, определяется с учетом выходного сопротивления транзистора.

Л. — Само собой разумеется. Его не следует делать слишком высоким, чтобы переменное напряжение, возникающее между его выводами, своими пиками не изменяло на обратную полярность потенциала, приложенного к коллектору.

Н. — Я начинаю спрашивать себя, Любознайкин, не сложнее ли использовать транзисторы, чем лампы?

Л. — Нет, успокойся. Об этом мы поговорим во время нашей следующей встречи. На сегодня, мне кажется, я уже достаточно насытил твой мозг. Поэтому давай прервем нашу беседу.

Более 800 000 книг и аудиокниг! 📚

Получи 2 месяца Литрес Подписки в подарок и наслаждайся неограниченным чтением

ПОЛУЧИТЬ ПОДАРОК