Беседа седьмая УСИЛЕНИЕ КОЛЕБАНИЙ НЧ

Объяснив, как усилительной триод может одновременно служить детектором, Любознайкин рассказывает о различных схемах НЧ. Затем он рассматривает трансформаторную и резистивно-емкостную связи, служащие для передачи усиливаемого напряжения от одного каскада к другому. И в заключение он приводит различные варианты двухтактной схемы.

Детектирование с одновременным усилением

Незнайкин. — Я с большим интересом прослушал объяснения твоего дядюшки о триоде и его использовании для усиления колебаний ВЧ. Теперь мне хотелось бы перейти к низким частотам, перешагнув на этом пути через детектирование, потому что мы хорошо знаем, как оно осуществляется диодом.

Любознайкин. — А знаешь ли ты, что детектировать можно также с помощью триода?

Н. — Не следует ли для этой цели превратить его в диод, например, соединив сетку с анодом?

Л. — Это возможный путь, но им совершенно не пользуются, так как он не дает никаких преимуществ по сравнению с использованием обычного диода. Тогда как схема на рис. 77 одновременно обеспечивает детектирование и усиление. На нагрузке Z, включенной в анодную цепь, выделяется напряжение НЧ более высокое, чем в случае использования диода.

Рис. 77. Благодаря сопротивлению резистора R лампа не только усиливает, но и детектирует поступающие на сетку колебания высокой частоты.

Н. — Ты что, Любознайкин, смеешься надо мною? Нарисованная тобою схема представляет собой всего лишь каскад усиления высокой частоты, который описал мне твой дядюшка.

Л. — Это действительно так, но здесь резистор смещения R выбирают с достаточно большим сопротивлением, чтобы рабочая точка соответствовала самой малой величине анодного тока. Эта точка располагается у подножья кривой анодного тока. При этом положительные полупериоды напряжения высокой частоты, приложенного к сетке, вызывают усиленные колебания анодного тока. А отрицательные полупериоды лишь незначительно снижают величину анодного тока, так как еще до приложения этого напряжения ток был почти равен нулю (рис. 78).

Рис. 78. Детектирование на изгибе анодной характеристики в рабочей точке М.

Как ты видишь, напряжение, возникающее на нагрузке Z, состоит почти из одних положительных полупериодов приложенного к сетке напряжения ВЧ. Стало быть, это одновременно усиленное и продетектированное напряжение.

Н. — Я должен отметить, что триод обладает поистине универсальными качествами. Не можешь ли ты теперь объяснить, как в нем происходит усиление напряжения НЧ? Ведь, как я предполагаю, усиление напряжения ВЧ в основном служит для повышения чувствительности приемника, тогда как, усиливая колебания НЧ, мы повышаем громкость звучания.

Усиление колебаний НЧ

Л. — Ты забываешь, что УВЧ благодаря наличию настроенных контуров служит также и для обеспечения хорошей избирательности. Кроме того, детектирование оказывается намного эффективнее, если детектируемое напряжение имеет достаточно большую амплитуду.

Но ты прав, когда утверждаешь, что усиление колебаний НЧ преследует цель увеличить громкость звука. Для домашнего приемника вполне достаточно нескольких ватт мощности. В тех же случаях, когда требуется воспроизвести звук в большом зале или на открытом воздухе, громкоговорители должны получать несколько десятков и даже сотен ватт. Обычно необходимую громкоговорителям мощность дает выходной каскад. Роль же предшествующих ему каскадов УНЧ заключается в усилении напряжения, полученного после детектирования.

Н. — А каким образом напряжение НЧ передается от одного каскада к другому?

Л. — Существует несколько способов связи между каскадами. Для этой цели можно использовать трансформатор НЧ (рис. 79), первичная обмотка которого включена в анодную цепь первой лампы, а вторичная — между сеткой и катодом следующей лампы (последовательно с резистором смещения, зашунтированным конденсатором).

Рис. 79. Два усилительных каскада НЧ с трансформаторной связью между ними.

Н. — A как сделан такой трансформатор? По схеме я вижу, что он снабжен магнитным сердечником или магнитопроводом.

Л. — На НЧ сердечник крайне необходим. А чтобы в нем не возникло даже самых малых токов Фуко, сердечник собран из изолированных друг от друга пластин из мягкой стали.

Н. — В итоге, если я правильно понял, протекающий по первичной обмотке анодный ток порождает во вторичной обмотке переменное напряжение. Это напряжение полается на вход следующего каскада.

Резистивно-емкостная связь

Л. — Именно это и происходит. Я лишь добавлю, что следует использовать трансформаторы высокого качества, способные одинаково передавать всю полосу звуковых частот, а это далеко не просто сделать и к тому же дорого будет стоить.

Для осуществления связи между двумя каскадами можно обойтись двумя резисторами и одним конденсатором. Это тебе обойдется дешевле. Один резистор включается в анодную цепь лампы предшествующего каскада (рис. 80).

Рис. 80. Резистивно-емкостная связь между двумя каскадами УНЧ.

Переменное напряжение, возникающее на этом резисторе, через конденсатор передается на сетку следующей лампы. Однако конденсатор не позволяет обеспечить постоянный потенциал, необходимый для установления рабочей точки лампы. Поэтому сетку соединяют с отрицательным полюсом источника напряжения через резистор с высоким сопротивлением; этот резистор иногда называют резистором утечки сетки. Добавлю, что резистор, включенный в цепь анода, можно заменить катушкой индуктивности с магнитным сердечником (рис. 81).

Рис. 81. Индуктивно-емкостная связь между двумя каскадами УНЧ.

Н. — А нельзя ли использовать резисторно-емкостную связь в схемах УВЧ?

Л. — В принципе можно, так как резистивно-емкостная связь не зависит от частоты. Но на ВЧ нужно обеспечить высокую избирательность. А избирательность можно повысить лишь при наличии колебательных контуров.

Двухтактная схема

Н. — Сколько НЧ каскадов должен иметь радиоприемник?

Л. — Чаще всего два. Основная задача первого заключается в усилении напряжения НЧ. Второй же каскад должен обеспечивать громкоговорителю необходимую мощность.

Н. — Нельзя ли для этой цели использовать два соединенных параллельно триода? Я имею в виду схему, в которой оба катода соединены вместе, и то же самое сделано с сетками и анодами ламп.

Л. — Это возможно; такая схема позволяет удвоить выходную мощность. Но лучшие результаты дает двухтактная схема, которую иногда называют «пушпульной».

Н. — Что ты так называешь? По-английски «пуш-пул» означает «толкай-тяни». Что здесь толкают, а потом тянут?

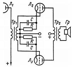
Л. — Речь идет о магнитных полях, возникающих в трансформаторе. Посмотри на схему, которую я для тебя нарисовал.

Как ты видишь, лампа предварительного усилителя Л1 соединена с выходным каскадом, содержащим две лампы (Л2 и Л3), с помощью трансформатора НЧ, вторичная обмотка которого имеет средний вывод. Этот вывод подключен к отрицательному полюсу источника высокого напряжения (рис. 82). Каждый из концов вторичной обмотки соединен с сеткой соответствующего выходного триода. Догадываешься ли ты, как они работают?

Рис. 82. Двухтактная схема усилительного каскада.

Н. — Я думаю, что они работают попеременно. В самом деле, колебания, которые со вторичной обмотки трансформатора Tp1 подаются на их сетки, находятся в противофазе. Когда наведенный в этой обмотке ток протекает сверху вниз (по схеме), верхняя часть обмотки становится отрицательной, а нижняя — положительной. При следующем полупериоде все происходит наоборот.

Л. — Я полностью с тобой согласен… Как ты видишь, изменения потенциалов, приложенных к сеткам обеих выходных ламп, направлены в противоположные стороны.

Н. — Это напомнило мне двух спортсменов, которых я видел в цирке. Они стояли на концах доски, качавшейся на опоре, расположенной посередине доски. Когда один из них подпрыгивал и затем опускался на доску, она подбрасывала в воздух второго спортсмена. Последний, опустившись на доску, перекидывал ее в обратном направлении. И все это повторялось вновь и вновь…

Л. — Две наши выходные лампы ведут себя таким же образом. В один из полупериодов анодный ток в одной из ламп повышается, а в другой — снижается. Во время следующего полупериода наблюдается противоположная картина.

Н. — Это очень забавно, но, как я вижу, анодные токи обеих ламп проходят по первичной обмотке трансформатора Тр2. Однако, изменяя направления на противоположные, они взаимно уничтожатся, и наша схема ничего не даст.

Л. — Ты глубоко заблуждаешься, Незнайкин! Анодные токи текут по обмотке в противоположных направлениях. А так как их изменения направлены противоположно, во вторичной обмотке возникнут токи индукции, текущие в одном направлении и, следовательно, складывающиеся.

Н. — Подожди, Любознайкин. Дай мне возможность более детально проанализировать схему. Начнем с полупериода напряжения, которое делает сетку лампы Л2 положительной, что вызывает увеличение ее анодного тока. Одновременно сетка лампы Л3 становится отрицательной, что снижает ее анодный ток. Ток с анода лампы Л2 протекает сверху вниз (по схеме) по верхней половине первичной обмотки выходного трансформатора Тр2. Ток с анода лампы Л3 протекает снизу вверх (по схеме) по нижней половине обмотки.

Предположим, что первый из этих токов наводит во вторичной обмотке ток, тоже идущий сверху вниз (по схеме). О, ты прав, мой дорогой друг! Ток лампы Л3, идущий в противоположном направлении с током лампы Л2, наводит во вторичной обмотке ток, который тоже идет сверху вниз (по схеме). Следовательно, эти токи складываются.

Л. — Мне доставляет большое удовольствие видеть, что ты это очень хорошо понял. Добавлю, что двухтактная схема обладает одним очень важным достоинством: постоянные составляющие анодных токов ламп Л2 и Л3 протекают в первичной обмотке трансформатора Тр2 в противоположных направлениях и поэтому уничтожаются. Они не намагничивают сердечник выходного трансформатора, что значительно повышает его магнитную проницаемость и улучшает индуктирование токов во вторичной обмотке. Кроме того, благодаря исключительной симметричности схемы искажения, которые могут возникнуть из-за нелинейности характеристик обеих выходных ламп, исчезают вследствие противоположного направления анодных токов.

Сдвиг фазы с помощью лампы

Н. — Теперь я стал сторонником двухтактной схемы. Но я опасаюсь, что ее создание повлечет довольно высокие затраты, ведь два трансформатора НЧ со средними выводами должны стоить довольно дорого.

Л. — Если ты пожелаешь, можно обойтись без первого трансформатора. В частности, его можно заменить ламповым фазоинвертором. Ты знаешь, что переменное напряжение, снимаемое с анодной нагрузки, находится в противофазе с переменным напряжением на сетке. Значит, мы можем использовать фазовращающий триод, чтобы приложить к одному из выходных триодов напряжение НЧ, находящееся в противофазе с напряжением, приложенным к другой выходной лампе.

Boт в этой схеме переменное напряжение на резисторе R1, по которому протекает анодный ток лампы предварительного усилителя, подается через конденсатор C1 на сетку одной из двух ламп двухтактного каскада (рис. 83).

Рис. 83. Двухтактная схема, в которой входной трансформатор заменен на лампой-фазоинвертором.

Часть этого напряжения, снимаемая со среднего вывода резистора R1, подастся через конденсатор связи С3 на сетку лампы фазоинвертора. Напряжение со сдвинутой фазой возникает на резисторе R2, включенном в анодную цепь этой лампы; через конденсатор С2 оно подается на вторую лампу двухтактного каскада.

Н. — А почему на сетку лампы фазоинвертора подается лишь часть напряжения, выделяющегося на резисторе R1?

Л. — Потому что эта лампа усиливает напряжение, подаваемое на ее вход. А ведь нам требуется, чтобы напряжения, приложенные к сеткам обеих ламп выходного каскада, находились в противофазе, но в то же время были равны между собой. Вот почему приходится уменьшать напряжение на входе лампы фазоинвертора.

Например, если она усиливает напряжение в 5 раз, нужно снимать с резистора R1 только 1/5 часть всего напряжения. Лучше всего установить на резисторе подвижный контакт, позволяющий снимать большую или меньшую часть напряжения. Такой резистор, снабженный подвижным выводом, называется потенциометром. Обычно его делают из проволоки с высоким сопротивлением, которую наматывают на полоску изоляционного материала, изогнутую по окружности. Подвижный контакт укрепляют на свободно вращающейся оси, проходящей через центр окружности. Вращая ось с помощью ручки, можно перемещать подвижный контакт в любую точку резистора, произвольно изменяя таким образом его сопротивление.

Катодный повторитель

Н. — Идея фазоинвертора совсем не глупа!

Л. — Сдвиг фазы можно осуществить также с помощью лампы, включенной по схеме катодного повторителя. Это стало возможным после появления ламп с косвенным накалом. Идея очень проста. Кроме резистора, включенного между анодом и положительным полюсом источника напряжения, в анодную цепь вводят еще один резистор; его включают между отрицательным полюсом источника и катодом (рис. 84).

Рис. 84. Двухтактная схема, в которой сдвиг входных напряжений по фазе осуществляется катодным повторителем. Напряжения, прилагаемые на лампы Л1 и Л2, поступают с анода и катода лампы катодного повторителя.

Ты легко можешь догадаться, что когда на сетке возрастает положительный потенциал и вследствие этого увеличивается анодный ток, потенциал на выводе резистора, соединенном с анодом, уменьшается, тогда как на выводе другого резистора, соединенного с катодом, увеличивается. Стало быть, на аноде и на катоде лампы катодного повторителя колебания находятся в противофазе. И нам остается с помощью конденсаторов связи подать их на сетки обеих ламп двухтактного каскада.

Н. — Дает ли катодный повторитель одновременно и усиление?

Л. — Нет. Потому что на катоде появляется напряжение, находящееся в противофазе с напряжением, приложенным на сетку, в результате чего входное напряжение катодного повторителя оказывается уменьшенным. Нельзя же, Незнайкин, требовать от одного триода слишком многого. Достаточно того, что триод способен детектировать и усиливать как ВЧ, так и НЧ колебания, причем на этом его возможности не ограничиваются.

Триод служит также для генерирования колебаний. Но сегодня вечером уже слишком поздно приступать к объяснению устройства и работы схемы генератора. Я думаю, что мой дядюшка с удовольствием объяснит это тебе.

Более 800 000 книг и аудиокниг! 📚

Получи 2 месяца Литрес Подписки в подарок и наслаждайся неограниченным чтением

ПОЛУЧИТЬ ПОДАРОК