ГЛАВА 9 Правильное питание — залог здоровья

О питании электронных устройств

Мы ежедневно просовываем ему через отдушину хлеб на вилах, а когда он требует, то и мясо, но — увы! — не хлеб и не мясо составляют главную его пищу.

А. Дюма. Три мушкетера

О том, что трансформаторы вкупе с фильтрующими конденсаторами зачастую составляют основную часть массы и габаритов современных электронных устройств, известно всем. Реальных альтернатив обычным линейным трансформаторным источникам питания всего, в сущности, две (экзотику вроде солнечных батарей мы рассматривать не будем). Самую распространенную составляют электрохимические источники тока (батареи и аккумуляторы), с которых мы и начнем. Об импульсных источниках питания, получающих все большее распространение, мы кратко поговорим в конце главы.

Электрохимические элементы

Главное преимущество электрохимических (гальванических) элементов — мобильность, в чем им замены нет. Главный недостаток — они не обеспечивают долговременной эксплуатации для подавляющего большинства электронных устройств, за исключением специально спроектированных малопотребляющих либо редко используемых — таких, как наручные часы, пульты управления бытовой техникой или наши любимые мультиметры. В любом случае правильный выбор типа электрохимического источника — довольно важное дело.

Из всех электрохимических элементов для наших целей актуальнее всего щелочные пальчиковые батарейки. Вообще говоря, батарейками их называть неправильно — батарея, по определению, есть несколько элементов, соединенных в единый источник: так, батарейка типоразмера «Крона» — это действительно батарейка, а пальчиковая АА-типа — всего лишь элемент (о типоразмерах и характеристиках различных гальванических элементов см. приложение 2). Но в быту их принято называть именно так, и мы тоже будем следовать традиции, употребляя вперемешку слова «элемент» и «батарейка».

Номинальное напряжение щелочных (alkaline) элементов — 1,5 В (у свежих элементов без нагрузки — 1,62 В). Для некоторых целей (например, в качестве резервных источников питания) в радиолюбительской практике используются литиевые батарейки-«монетки» с номинальным напряжением 3 В, но в качестве основных, кроме очень малопотребляющих устройств, их применять не рекомендуется из-за более высокой стоимости. Литиевые аналоги мощных щелочных элементов типоразмеров С или D на массовом рынке отсутствуют, а появившиеся в последнее время литиевые элементы типоразмера АА и ААА весьма неплохи, хотя пока и довольно дороги.

Основное отличие литиевых элементов от щелочных заключается в характере снижения напряжения по мере истощения — литиевые держат напряжение практически на номинальном уровне до последнего момента, после чего оно быстро падает до нуля (рис. 9.1).

Рис. 9.1. Сравнительные разрядные характеристики литиевых и щелочных ААА-элементов при малых токах

(по данным фирмы Energizer)

Литиевые элементы имеют исключительно низкий саморазряд (срок хранения в 12–15 лет для них типичен), высокую морозоустойчивость и могут быть рекомендованы для малопотребляющих или относительно редко включающихся устройств в жестких условиях эксплуатации. Следует также учесть, что из-за низкого внутреннего сопротивления литиевые лучше всего себя проявляют при работе на мощную или импульсную нагрузку. В таком режиме они покажут гораздо большее время работы, чем щелочные, и практически сравняются с последними по стоимости в расчете на каждый ватт-час, в то время как в низкопотребляющих приборах щелочные по емкости от них почти не отличаются, зато гораздо дешевле.

Важнейшей характеристикой электрохимических элементов является их энергоемкость. Для электрохимических источников ее традиционно измеряют в миллиампер-часах (мА·ч). Эта величина, умноженная на напряжение элемента или батареи, даст энергию элемента в милливатт-часах, т. е. абсолютное количество энергии, запасенное в элементе (если дополнительно умножить на коэффициент 3,6, то получится энергия в привычных джоулях). Но в джоулях, милливатт-часах или ватт-часах для наших нужд энергию измерять неудобно, т. к. само напряжение элемента в процессе разряда меняется, и существенно (см. графики на рис. 9.2 и 9.3, представляющие процесс разряда во времени). Зато выраженная в миллиампер-часах энергоемкость легко поддается измерению и расчету — достаточно поделить эту величину на средний потребляемый устройством ток, и получится допустимое время работы устройства.

Рис. 9.2. Типовые разрядные кривые щелочного элемента типоразмера D при 20 °C и различных сопротивлениях нагрузки

(по данным Duracell/Procter & Gamble)

Рис. 9.3. Типовые разрядные кривые щелочного элемента типоразмера АА при 20 °C и различных сопротивлениях нагрузки

(по данным Duracell/Procter & Gamble)

Некоторые типовые разрядные кривые для различных элементов и режимов показаны на рис. 9.1–9.3. Такие графики приводятся в документации, которую можно разыскать на сайтах производителей, и с их помощью уточнить энергоемкость. При необходимости подобные данные несложно получить и самостоятельно, замкнув элемент на нужное сопротивление в требуемых условиях и периодически отмечая напряжение. Для того чтобы получить из этих данных энергоемкость в миллиампер-часах (мА-ч), следует поделить среднее за время разряда значение напряжения на нагрузку в омах и умножить на время. Так, для элемента АА при разряде до 0,9 В и нагрузке 43 Ом время разряда равно 100 часам, среднее значение напряжения составит примерно 1,25 В, т. е. средний ток разряда будет около 30 мА. Итого энергоемкость при этих условиях приблизительно равна 3000 мА-ч. А вот при нагрузке 3,9 Ом (средний ток — примерно 320 мА) энергоемкость будет всего около 2200 мА-ч.

Ориентировочная удельная энергоемкость щелочных элементов — примерно 300 мА-ч на см3. Таким образом, энергоемкость батареек типоразмера АА — около 2200–2500 мА-ч, типоразмера ААА — 1000–1200 мА-ч, примерно столько же дают пальчиковые (NiMH) аккумуляторы тех же размеров (о них далее). Для щелочного элемента типоразмера D энергоемкость составит 15–18 А-ч, для типоразмера С — вполовину меньше. Для аналогичных «обычных» батареек (их еще называют солевыми) — энергоемкость в три раза меньше, чем у щелочных. Для щелочных 9-вольтовых батареек типоразмера «Крона» энергоемкость составляет приблизительно 500–600 мА-ч, зато литиевый аналог (1604LC) имеет вдвое большую энергоемкость и, несмотря на дороговизну, может быть всячески рекомендован для устройств вроде тестеров, которые в основном хранятся без дела.

Однако эти ориентировочные цифры очень приблизительные вследствие того, что энергоемкость элемента сильно зависит от условий разряда, — так, если при разрядном токе 0,1 А считать емкость щелочного элемента за номинальную, то при разряде вдесятеро большим током (1 А) она может упасть в полтора-два, а то и в три раза (в зависимости от типа элемента), а при снижении тока до 1 мА, наоборот, возрастает на 30–50 %. Самый выгодный режим разряда для щелочных элементов — прерывистый: если батарейке периодически давать «отдохнуть», то даже при больших токах ее емкость почти не снижается. Кроме того, многое зависит от допустимого конечного напряжения. Например, если схема допускает минимальное напряжение питания 2,7 В, что при питании от трех щелочных элементов означает конечное напряжение 0,9 В на каждый элемент, то емкость окажется почти на четверть выше, чем при допустимом конечном напряжении 3,3 В (по 1,1 В на элемент). Надо также учитывать, что при снижении температуры до 0 °C энергоемкость щелочных элементов падает на величину от 25 до 50 % (а вот литиевые тот же результат показывают только при -20°).

При этом для щелочных элементов напряжение в начале разряда при постоянной нагрузке очень быстро падает с начальных 1,5–1,6 В до 1,3–1,4 В, а затем снижается уже более плавно (для литиевых падение в процессе разряда меньше, зато в конце они разряжаются до нуля почти скачком). Для батареек типоразмера «Крона» напряжение в конце разряда составляет приблизительно 5–6 В. Внутреннее сопротивление щелочных батареек составляет вначале порядка 0,12-0,17 Ом (для «Кроны» — до 1,7 Ом) и быстро растет по мере разряда.

По этим сведениям вы можете прикинуть необходимый тип питающих элементов для вашей схемы. Следует добавить, что при включении электрохимических элементов последовательно их энергоемкости, выраженные в миллиампер-часах, естественно, не складываются, а остаются теми же (при этом их энергии, выраженные в ватт-часах, суммируются). А параллельное включение электрохимических элементов практикуется только в исключительных случаях, если нет другого выхода. Из-за разброса параметров по технологическим причинам в этом случае они заметную часть времени будут работать друг на друга, особенно в конце разряда. У полностью разряженных щелочных элементов даже возможна переполюсовка выводов (и такой режим опасен для сохранности устройства). Энергоемкость параллельно включенных элементов (естественно, одного типа и из одной партии) будет на четверть-треть меньше суммарной емкости тех же элементов по отдельности. Развязка таких элементов через диоды помогает обезопасить устройство от протечек электролита и деформации элементов при глубоком разряде, но зато вы будете терять драгоценные доли вольта падения на диодах (даже диоды Шоттки «съедают» не менее 0,3–0,4 В). В результате выигрыш окажется не настолько большим, чтобы отказаться от идеи просто поставить элемент побольше размером.

Аккумуляторы

У любых типов аккумуляторов, в отличие от одноразовых элементов, намного выше саморазряд при хранении, а в остальном характеристики современных пальчиковых (NiMH) аккумуляторов практически такие же, как у щелочных одноразовых батареек, разве что номинальное напряжение несколько ниже — 1,3 В против 1,5 В у щелочных. Но давайте немного разберемся, какие вообще бывают аккумуляторы, ибо они существенно различаются по свойствам, и каждый тип оптимален для применения в своей области.

Аккумуляторы встречаются кислотные, щелочные, никель-кадмиевые (NiCd), никель-металлгидридные (NiMH), литий-ионные (Li-ion), и еще попадаются литий-полимерные (Li-pol). Кроме перечисленных, существует еще море разновидностей аккумуляторов (в теории любая электрохимическая реакция обратима и может использоваться как для выработки электрического тока, так и для откладывания его «про запас»), но на рынке доминируют именно эти типы.

Кислотные аккумуляторы правильнее называть свинцово-кислотными (Lead-Acid, СКА), но других кислотных, кроме как на основе свинца, в быту вы не встретите. Это, вероятно, самая древняя разновидность аккумуляторов — первый работоспособный СКА был создан аж в 1859 году. В начале XX века выяснилось, что именно этот тип аккумуляторов неплохо подходит для того, чтобы крутить стартер автомобиля, и с тех пор их производят десятками миллионов.

Еще лет двадцать назад автомобильные аккумуляторы были весьма капризными и даже несколько опасными для здоровья — конструкторы никак не могли справиться с выделением газов, сопровождающим процесс заряда. Из-за этого СКА приходилось делать негерметичными, а электролитом в них, между прочим, служит серная кислота, которую периодически требовалось доводить до нужной плотности дистиллированной водой — занятие, мягко говоря, небезопасное. С тех пор СКА значительно облагородились, стали герметичными и необслуживаемыми, но в основе они все те же, что тридцать и пятьдесят лет назад. У них низкая удельная энергоемкость (30–50 Вт-ч/кг в самых лучших образцах), и они боятся глубокого разряда, отчего в процессе хранения их надо все время подзаряжать.

Зато у СКА высокая перегрузочная способность — стартерная батарея даже на морозе без особых усилий отдает ток в несколько сотен ампер, необходимый для того, чтобы прокрутить холодный двигатель. При этом СКА дешевы и относительно неплохо держат заряд — хороший автомобильный аккумулятор разряжается в среднем на 5 % в месяц или на 50 % за год. Именно этот тип аккумуляторов традиционно используется в источниках бесперебойного питания (ИБП). Так как там батареи пребывают в тепличных условиях (постоянно подзаряжаются), то срок службы аккумуляторов в ИБП может достигать 5–7 лет.

СКА заряжать довольно просто (они не очень боятся перезаряда), автоматические зарядники для автомобильных СКА доступны каждому. В радиолюбительской практике герметизированные СКА можно рекомендовать для питания мощных устройств (например, содержащих электродвигатели).

Для никель-кадмиевых (NiCd) аккумуляторов также характерна высокая нагрузочная способность (хотя и поменьше, чем для СКА), но есть у них и три капитальных недостатка. Первый: относительно малая удельная энергоемкость (хотя й несколько большая, чем у СКА) — 45–60 Вт-ч/кг. Второй: нелюбовь к зарядке не «с нуля» — так называемый эффект памяти. Третий: высокий саморазряд — до 10 % в первые сутки, потом около 10 % в месяц.

Правильный режим зарядки NiCd-аккумуляторов — сначала полная разрядка (формально — до напряжения 1 В на элемент), а потом уже полная зарядка. Потому для NiCd-аккумуляторов рекомендуется вырабатывать заряд до полного «умирания» устройства — редкие зарядные устройства позволяют себе тратить время на предварительную разрядку. «Фирменная» зарядка производится до достижения определенного напряжения с дополнительным контролем по температуре (так работают зарядники, например, к дорогому электроинструменту). Более простой способ — заряжать определенным током в течение конкретного времени. Это лишний аргумент для того, чтобы предварительно разряжать батарею, потому что иначе определить необходимое время затруднительно. Правда, и умеренной перезарядки NiCd-аккумуляторы боятся меньше, чем рассматриваемые далее NiMH.

NiCd-аккумуляторы традиционно используются там, где требуется высокая нагрузочная способность и большой кратковременный ток. В первую очередь это электроинструмент, снабжаются такими аккумуляторами и профессиональные ТВ-камеры, шахтерские фонари или мобильные радиостанции. Одно из крупных преимуществ NiCd — это единственный тип, который без последствий может храниться полностью разряженным.

Никель-металлгидридные (NiMH) — это все пальчиковые аккумуляторы, которые продаются в киосках. Номинальная емкость для элементов одного размера различается, и обычно написана на ник большими буквами. Когда-то эту нишу занимали NiCd (они еще выпускались с этикетками на белом фоне, чтобы отличить от батареек), но «зеленые» настояли, и теперь NiCd можно приобрести лишь в специализированных точках продаж. Конечно, дело не только в загрязнении окружающей среды — NiMH-аккумуляторы имеют большую, чем NiCd, удельную емкость (60-120 Вт-ч/кг) и не склонны к «эффекту памяти», потому заряжать их можно не обязательно «с нуля». Зато они боятся глубокого разряда (хотя и не в такой степени, как СКА), и хранить их надо хотя бы частично заряженными. При этом они имеют самый высокий из всех типов саморазряд (вдвое больше, чем у NiCd) и страшно не любят перезарядки, потому что сильно нагреваются в конце процесса заряда (это, кстати, может служить одним из признаков того, что зарядку пора заканчивать). Типичные кривые зависимости напряжения от времени работы для таких аккумуляторов показаны на рис. 9.4.

Рис. 9.4. Типовые разрядные кривые NiMH-аккумулятора типоразмера АА емкостью 2200 мА-ч при 20 °C

(по данным Energizer Holdings, Inc.)

Как ни старались, но заставить NiMH отдавать большой импульсный ток при перегрузках не удалось. Тем не менее, NiMH-элементы сейчас наиболее распространены среди универсальных аккумуляторов для бытовой электронной аппаратуры, исключая только такую, где зарядное устройство целесообразно встроить в сам прибор или «бесплатно» прикладывать к нему. Дело в том, что Li-ion-разновидность, о которой пойдет речь далее, абы как заряжать решительно не рекомендуется, и лишь «фирменный» зарядник гарантирует, что все будет как надо.

Прежде всего отметим главную, и очень удобную черту литий-ионных (Li-ion) аккумуляторов — никакого «эффекта памяти» они не имеют, и вообще никакой профилактики (в виде специальной «тренировки» при хранении) не требуют. Но это мало помогает — Li-ion отличаются еще и тем, что портятся просто при хранении практически так же, как и во время эксплуатации. А вот будете ли вы их разряжать до конца или подзаряжать каждые полчаса — от этого почти ничего не зависит (допустимое число циклов заряд-разряд превышает 1000), причем частая дозарядка для этого типа даже предпочтительнее, т. к. хранить их полагается в заряженном виде.

Li-ion-аккумуляторы отличаются большой энергоемкостью (110–160 Вт-ч/кг) и малым саморазрядом — менее 10 % в месяц, причем около трети этой величины обусловлено потреблением встроенных схем защиты. Схемы защиты нужны потому, что эти аккумуляторы совершенно не выносят перезаряда и при нарушении режима просто взрываются без предупреждения. Li-ion также плохо относятся к низким температурам. Все эти качества в совокупности и обусловили область применения Li-ion — для мобильных устройств с собственным зарядным устройством (сотовые телефоны, ноутбуки и т. п., в последнее время ими также стал снабжаться электроинструмент).

Литий-полимерные (Li-pol) аккумуляторы — разновидность Li-ion, которая отличается в худшую сторону тем, что совершенно не выносит низких температур (ниже 0 °C они отказываются работать) и имеет меньшую долговечность (100–200 циклов заряд-разряд). Зато они имеют «твердый» электролит, похожий на обычную пластиковую пленку, что позволяет делать батареи очень тонкими (до 1 мм), гибкими или имеющими произвольную форму. В силу этого обстоятельства аккумуляторы Li-pol нашли широкое применение, например, в планшетах. Использования литий-ионных аккумуляторов в радиолюбительской практике мы здесь не будем касаться — это совершенно отдельная тема.

* * *

Зарядка аккумуляторов

В радиолюбительской практике и в быту обычно приходится самостоятельно заряжать универсальные аккумуляторы: пальчиковые NiMH или, изредка, NiCd-разновидности Самому сооружать для них зарядные устройства бессмысленно, проще и дешевле их приобрести. В любом случае лучше не использовать дешевый блок зарядки без автоматики, внутри которого всего только и есть, что диод да ограничивающий ток резистор. Взрываться такие аккумуляторы, скорее всего, не станут, а вот перезаряда они не любят и быстро от этого портятся (NiCd, в частности, имеют привычку при регулярной перезарядке вздуваться). Если все же вам жаль потратиться на приличный «интеллектуальный» зарядник фирмы AcmePower или Sony, то покупайте хотя бы такой, который имеет таймер для своевременного выключения. Правда, таймер обычно рассчитывается на «среднепотолочную» емкость, но в описании к заряднику должно быть указано, на какую емкость номинально он рассчитан.

Как правильно рассчитать время заряда, если у вас нет «умного» зарядника или емкость отличается от номинальной? Просто поделите энергоемкость аккумулятора (в мА-ч) на зарядный ток, который выдает ваше устройство (в мА), и вы получите время в часах, которое нужно умножить примерно на 1,3–1,4. Если величина тока не указана, то в инструкции обычно приводится таблица времени зарядки в зависимости от емкости, тогда ток можно ориентировочно подсчитать самостоятельно, можно и попытаться померить его мультиметром. Обычный «универсальный» режим заряда, который не может повредить никакому аккумулятору (кроме, конечно, литиевых), предполагает зарядку током в одну десятую от емкости — например, АА-тип емкостью 2000 мА-ч надо заряжать 13–14 часов током 200 мА. Разумеется, этот расчет относится к полностью разряженному аккумулятору, т. к. точный расчет времени при частичном разряде — задача практически нерешаемая.

Вторичные линейные источники питания

Остальные варианты источников питания мобильными не являются и носят общее название вторичных источников питания (ИВЭП — источники вторичного электропитания), потому что они преобразуют энергию бытовой электросети в нужное напряжение постоянного тока. Для малопотребляющих конструкций, вроде рассматриваемых в этой книге, используются обычные трансформаторные («линейные») источники в силу их простоты, надежности и дешевизны, к рассмотрению которых мы сейчас и перейдем.

Но перед этим упомянем еще об одной альтернативе, которая была весьма модной в радиолюбительских кругах в советские времена — бестрансформаторные источники питания от сети. Вы можете наткнуться на нечто подобное, если перелистаете старые журналы «Радио». В связи с этим следует сказать только одно:

Никогда не стройте прибора, работающего от сети переменного тока без трансформатора!

Это опасно для жизни — ваша схема будет всегда находиться под высоким напряжением относительно земли (земли без кавычек — т. е. водопроводных труб, батарей отопления и т. п.). Если схема предназначена для управления мощной сетевой нагрузкой, то это управление следует обязательно осуществлять через гальванически развязывающие элементы: реле, оптроны, электронные реле, трансформаторы и т. п.

Единственное исключение вы встретите в следующей главе, где будет идти речь об управлении мощной нагрузкой — там безопасность должна обеспечиваться конструктивными методами (изоляцией корпуса, элементов управления и пр.).

Трансформаторы

Основой трансформаторных источников служит сетевой трансформатор. Независимо от конкретной конструкции, трансформаторы всегда устроены по одному принципу — на замкнутом каркасе из металлических пластин или ленты находятся несколько обмоток. Две самые распространенные разновидности трансформаторов — с Ш-образным и тороидальным сердечником — схематично показаны на рис. 9.5.

Рис. 9.5. Трансформаторы с Ш-образным и тороидальным сердечником:

1 — сердечник, 2 — обмотки; 3 — выводы обмоток

Если есть выбор, то лучше предпочесть тороидальный трансформатор — у него меньшее магнитное поле рассеяния и, главное, в случае чего на него легко домотать недостающие обмотки или добавить витков к имеющимся. При выборе трансформатора следует предпочесть те, которые залиты компаундом (в старинных конструкциях употреблялся просто парафин). Или, по крайней мере, у трансформаторов с Ш-образным сердечником катушка с обмотками должна прочно, без люфта, держаться на стержне, а сами пластины должны быть обязательно плотно сжаты специальной скобой. Иначе трансформатор неизбежно будет во время работы гудеть.

Одна из обмоток называется первичной — т. к. мы рассматриваем сетевые трансформаторы, то она всегда рассчитана на сетевое напряжение. Найти ее, если характеристики обмоток неизвестны, не очень сложно — она всегда имеет наибольшее сопротивление из всех, причем для малогабаритных трансформаторов это сопротивление может достигать сотен ом или даже нескольких килоом. Иногда она поделена на две, которые перед включением нужно соединить, а также может иметь отводы для более точной подгонки напряжений или для обеспечения возможности переключения 220/120 В. Сравнивая сопротивления выводов между собой, можно найти эти отводы. Другой способ нахождения первичной обмотки — она всегда намотана наиболее тонким проводом (вообще — чем толще провод, тем меньше напряжение на обмотке, как мы увидим далее). Исключение из этого правила представляют трансформаторы от старинной ламповой техники (там самым тонким проводом наматывают обмотку анодного напряжения), но для современных схем они не годятся (и хранить их «на всякий случай» не стоит даже завзятым барахольщикам).

Остальные обмотки — вторичные, их можно соединять между собой в любой комбинации. Обмотки имеют начало и конец. Для суммирования напряжений обмоток надо соединять конец одной обмотки с началом другой. Смысл понятий начала и конца обмоток прост — где начинали мотать обмотку, там и начало. Если намотать следующую обмотку в том же направлении (а так всегда и поступают), то у нее начало будет с той же стороны, что и у первой. Если это фабричный трансформатор, и выводы у него нумерованы, то нечетные выводы принимаются за начала обмоток, а четные — за концы, т. е. при соединении двух обмоток с нумерацией выводов 1–2 и 5–6 для сложения напряжений нужно соединить вывод 2 первой обмотки с выводом 5 второй (или вывод 1 первой с выводом 6 второй), а оставшиеся выводы 1–6 (или 5–2) будут, соответственно, началом и концом объединенной обмотки. Для серийно выпускающихся трансформаторов в торгующих ими организациях имеются справочники по типовым разновидностям с указанием характеристик обмоток и нумерации их выводов.

Расчет сетевого трансформатора

Я надеюсь, что вам никогда не придется самим мотать сетевые трансформаторы, но все же приведу полуэмпирическую, но проверенную практикой, методику для их расчета, т. к. некоторые из формул могут вам пригодиться для доработки серийных трансформаторов и определения характеристик трансформаторов, имеющихся в наличии. Кроме того, знание закономерностей расчета способствует правильному выбору при их приобретении.

Главное соотношение (можно назвать это законом трансформатора):

U1/U2 = n1/n2 (1)

где:

 U1 — напряжение первичной обмотки;

□ U2 — напряжение вторичной обмотки;

n1 — число витков первичной обмотки;

n2 — число витков вторичной обмотки.

Как видите, все необычайно просто. Если, скажем, первичная обмотка имеет 220 витков (это должен быть довольно мощный трансформатор, у маломощных число витков может составлять несколько тысяч), а вторичная — 22 витка, то при подключении к сети 220 В на вторичной обмотке будет 22 В. Токи находятся в обратном соотношении — если ток вторичной обмотки составляет 1 А, то первичная обмотка будет потреблять от сети 100 мА. Если вторичных обмоток несколько, то для определения потребления тока от сети их токи нужно пересчитать на первичную обмотку в отдельности (количество витков при этом знать необязательно, достаточно только напряжения), а затем сложить. Можно пойти и другим путем — суммировать мощности, потребляемые вторичными обмотками (которые равны произведениям токов на напряжения), а затем поделить полученную сумму на 220 — получим ток в первичной обмотке.

Кстати, из этого закона вытекает простой метод определения количества витков в обмотках готового трансформатора, если это зачем-то нужно — намотайте поверх имеющихся обмоток несколько витков любого провода, включите трансформатор и измерьте напряжение на этой импровизированной обмотке. Поделив количество намотанных витков на полученное значение напряжения, вы получите величину количества витков на один вольт, которая едина для всех обмоток, а далее пересчитать полученный результат уже не составляет трудностей.

При выборе напряжений вторичных обмоток учтите, что их нужно выбирать с запасом (это относится и к покупным трансформаторам) — под нагрузкой напряжение садится, и это просаживание тем больше, чем меньше мощность трансформатора. Поэтому, если вам задано минимально допустимое напряжение 7 В — выбирайте трансформатор с 9-10-вольтовой обмоткой, не ошибетесь.

Итак, сформулируем задачу: допустим, необходимо иметь трансформатор с двумя вторичными обмотками, рассчитанными на напряжение 27 В и ток 200 мА каждая, и еще одной обмоткой, рассчитанной на напряжение 9 В и ток до 3 А. Подсчитаем суммарную мощность: 27·0,2–2 + 9·3 = 37,8 Вт, округляем до 40 Вт. Ток в первичной обмотке составит 40/220 = 0,18 А, округляем до 0,2 А. Теперь у нас есть все исходные данные.

Сначала определяем сечение магнитопровода в см2 (для Ш-образных трансформаторов это есть сечение центрального стержня, на котором находится катушка с обмотками, для тороидального — просто поперечное сечение тора). Это делается по формуле:

S = 1,15·√P, (2)

где S — сечение в см2; Р — мощность в Вт. Получаем 7,3 см2 — уже можно выбирать магнитопровод. Они стандартизированы, так что выбираем из справочника подходящий с округлением в большую сторону. По этой формуле также всегда можно определить неизвестную мощность имеющегося в наличии трансформатора — достаточно измерить сечение его магнитопровода.

Затем нужно подсчитать требующееся при такой мощности количество витков первичной обмотки:

n1 = 50·U1/S, (3)

где n1 — число витков, U1 — напряжение (220 В), S— рассчитанное ранее сечение в см2. Получаем 275 витков. Рассчитать теперь количество витков вторичных обмоток — дело техники, только не забывайте всегда округлять в большую сторону.

И, наконец, рассчитываем необходимый диаметр провода в мм2 для каждой обмотки:

di = 0,8·√Ii, (4)

где di — диаметр провода в i-й обмотке, а Ii — ток в этой обмотке. Получаем для первичной обмотки диаметр 0,36, для 27-вольтовых также 0,36, а для 9-вольтовой — 1,4 мм.

Все, расчет закончен. Формулу (4) стоит запомнить, т. к. она может пригодиться, если придется доматывать витки к имеющимся в наличии трансформаторам — сначала по приведенной ранее методике определяется количество витков на вольт, из чего определяется необходимое количество витков, а затем по формуле (4) — нужный диаметр провода.

Учтите, что закон трансформации (1) справедлив для всех видов трансформаторов, а вот все остальные соотношения, за исключением разве что (4), годятся только для расчета сетевых трансформаторов, работающих на частоте 50 Гц. Ни для каких других трансформаторов (согласующих с ферритовыми сердечниками) эта методика не действует.

Ну, а теперь перейдем к более интересным вещам.

Простейший нестабилизированный однополярный источник питания

Схема простейшего источника питания приведена на рис. 9.6. Именно по такой схеме устроены почти все распространенные ныне блоки питания, встроенные в сетевую вилку. Иногда в них вторичная обмотка имеет несколько отводов и присутствует ползунковый переключатель, который коммутирует эти отводы, меняя выходное напряжение. Так как эти блоки весьма дешевы, то в случае, когда вам не требуется большой мощности, спокойно можно покупать такой блок, разбирать его и встраивать в вашу аппаратуру (или даже не встраивать — хотя, на мой вкус, громоздкие надолбы на розетках отнюдь не украшают интерьер, все время хотят вывалиться и к тому же не во всякую розетку влезают). Нужно только обратить внимание на допустимый ток нагрузки, который указан на корпусе блока. Что касается номинального напряжения, то этот вопрос мы сейчас рассмотрим.

Рис. 9.6. Простейший нестабилизированный однополярный источник питания

Как работает эта схема? Здесь переменный синусоидальный ток со вторичной обмотки трансформатора (II) подается на конструкцию из четырех диодов, которая называется диодным мостом и представляет собой простейший двухполупериодный выпрямитель (есть и другие способы двухполупериодного выпрямления — см; далее рис. 9.14 и пояснения к нему). В мосте могут быть использованы любые типы выпрямительных диодов, лишь бы их предельно допустимый ток был не меньше необходимого (для указанных на схеме диодов 1N4001 это 1 А), а предельно допустимое напряжение — не меньше половины амплитудного значения входного переменного напряжения (т. к. в данном случае это всего 7 В, то здесь этому требованию удовлетворяют вообще все выпрямительные диоды на свете). Такие мосты выпускаются уже в сборе, в одном корпусе, на котором иногда даже нарисовано, куда подключать переменное и откуда снимать постоянное напряжения. Их, конечно, тоже можно и нужно использовать.

Проследим за работой моста. Предположим, что на верхнем по схеме выводе вторичной обмотки в данный момент переменное напряжение, поступающее с обмотки, больше, чем на нижнем. Тогда ток в нагрузку (она обозначена пунктиром) потечет через правый верхний диод моста, а возвратится в обмотку через левый нижний. Полярность на нагрузке, как видим, соблюдается. В следующем полупериоде, когда на верхнем выводе обмотки напряжение меньше, чем на нижнем, ток через нагрузку потечет, наоборот, через левый верхний диод и возвратится через правый нижний. Как видим, полярность опять соблюдается.

Отсюда и название такого выпрямителя — двухполупериодный, т. е. он работает во время обоих полупериодов переменного тока. Форма напряжения на выходе такого моста (в отсутствие конденсатора) соответствует пульсирующему напряжению, показанному на рис. 4.5, а. Естественно, такое пульсирующее напряжение нас не устраивает — мы хотим иметь настоящее постоянное напряжение без пульсаций, потому в схеме присутствует сглаживающий (фильтрующий) конденсатор, который вместе с выходным активным сопротивлением трансформатора и сопротивлением диодов представляет собой не что иное, как известный нам по главе 5 интегрирующий фильтр низкой частоты. Все высокие частоты отфильтровываются, а на выходе получается ровное постоянное напряжение. К сожалению, такая идиллия имеет место только в отсутствие нагрузки, к чему мы вернемся чуть далее, а пока попробуем определить, какова величина этого постоянного напряжения на выходе фильтра.

В отсутствие нагрузки конденсатор с первых же полупериодов после включения питания заряжается до амплитудного значения пульсирующего напряжения, которое равно амплитудному значению напряжения на вторичной обмотке за вычетом падения напряжения на двух диодах, стоящих на пути тока. Так как в установившемся режиме через эти диоды ток весьма мал (только для подпитки собственных токов утечки конденсатора), то и падение напряжения на них мало и в сумме составляет менее 1 В. Амплитудное значение напряжения на вторичной обмотке равно 10√2 = 14,1 В, так что на холостом ходу напряжение на выходе источника составит чуть более 13 В.

При подключении нагрузки происходит сразу много событий. Во-первых, снижается напряжение на вторичной обмотке — трансформатор имеет конечную мощность. Во-вторых, увеличивается падение напряжения на диодах, которое может при максимально допустимом для них токе достигнуть 1В на каждом. В-третьих, и в-главных, во время «провалов» пульсирующего напряжения нагрузка питается только за счет того, что через нее разряжается конденсатор. Естественно, напряжение на нем при этом каждый раз немного снижается. Поэтому график выходного напряжения при подключенной нагрузке представляет собой уже не ровную постоянную линию, а выглядит примерно так, как показано на рис. 9.7 (причем снижение входного напряжения за счет «просаживания» трансформатора здесь не учитывается). То есть выходное напряжение немного пульсирует — тем больше, чем больше ток в нагрузке, и тем меньше, чем больше емкость конденсатора. Именно поэтому в источниках применяют электролитические конденсаторы столь большой емкости. Наличие пульсаций также снижает постоянную составляющую выходного напряжения.

Рис. 9.7. Вид пульсаций на выходе нестабилизированного источника:

1 — исходное пульсирующее напряжение в отсутствие фильтрующего конденсатора;

2 — выходное напряжение при наличии фильтрующего конденсатора и нагрузки

В данной схеме избавиться от этих пульсаций полностью невозможно, как бы вы ни увеличивали емкость. Кстати, а как подсчитать нужную емкость? В принципе, это возможно, если задаться необходимым уровнем пульсаций, но мы здесь приведем только эмпирическое и весьма приблизительное правило — на каждый ампер нагрузки достаточно конденсатора от 1000 до 2200 мкФ. Первая величина ближе к тому случаю, когда на выходе такого источника предполагается поставить стабилизатор напряжения, вторая — если такого стабилизатора не предполагается.

Все указанные причины совместно приводят к тому, что под нагрузкой сверхмаломощные источники (вроде тех, что со встроенной вилкой) могут выдавать в полтора-два раза меньшее напряжение, чем на холостом ходу. Поэтому не удивляйтесь, если вы приобрели такой блочок с указанным на шильдике номинальным напряжением 12 В, а мультиметр на холостом ходу показывает аж все 18!

Чтобы покончить с темой простейшего источника, нужно сказать пару слов об указанном на схеме предохранителе Пр1. В упомянутых блоках со встроенной вилкой предохранитель часто отсутствует, и это вызвано, кроме стремления к удешевлению блока, очевидно, тем обстоятельством, что маломощный трансформатор сам служит неплохим предохранителем — провод первичной обмотки у него настолько тонок и сопротивление его настолько велико, что при превышении допустимого тока обмотка довольно быстро сгорает, отключая весь блок (после чего его, естественно, остается только выбросить). Но в стационарных устройствах и, тем более, в устройствах большей мощности предохранитель должен быть обязательно. Обычно его выбирают на ток в два-четыре раза больший, чем расчетный максимальный ток первичной обмотки.

Приведем еще одну полезную схему нестабилизированного источника, на этот раз двуполярного, т. е. выдающего два одинаковых напряжения относительно средней точки — «земли» (рис. 9.8). Пояснений она не требует, потому что очень пбхожа на однополярную, только возврат тока в обмотки от обеих нагрузок происходит непосредственно через общую «землю», минуя диодный мост.

Рис. 9.8. Нестабилизированный двуполярный источник питания

В качестве упражнения предлагаю вам самостоятельно разобраться, как она работает. Вторичные обмотки (II и III) здесь, в сущности, представляют собой две одинаковые половины одной обмотки. Жирными точками около вторичных обмоток обозначены их начала, чтобы не перепутать порядок их соединения.

Стабилизаторы

Простейший стабилизатор — это стабилитрон, который мы рассматривали в главе 7. Если параллельно ему подключить нагрузку Rн (рис. 9.9, а), то напряжение на ней останется стабилизированным до тех пор, пока ток через нее не будет слишком велик. Рассчитывается схема так, чтобы в отсутствие стабилитрона напряжение в средней точке делителя из Rc, и Rн было не ниже номинального напряжения стабилизации стабилитрона Uст, иначе при его подключении ток через него не пойдет, и стабилитрон не откроется. В результате максимальный ток, который мы можем получить в такой схеме, не превышает нескольких десятков миллиампер — в зависимости от мощности стабилитрона. Такой стабилизатор называют еще параметрическим.

Вы зададите вопрос — а зачем здесь конденсатор? Ведь в нестабилизированном источнике, который мы рассмотрели ранее, и откуда поступает напряжение на этот стабилизатор, один фильтрующий конденсатор уже имеется, не так ли? Ответ простой: на выходе всех типов стабилизаторов всегда ставится конденсатор, как и до них. Он позволяет сгладить наличие остаточных пульсаций, которые все равно просочатся на выход, потому что стабилитрон имеет свое дифференциальное сопротивление, и при изменении входного напряжения или тока в нагрузке напряжение на нем также будет меняться, хоть и в небольшой степени. Величина емкости здесь может быть значительно меньше, чем на выходе выпрямительного моста, но не жадничайте — стоимость конденсаторов нынче такова, что поставить здесь конденсатор емкостью, к примеру, 470 мкФ ничто вам помешать не может, а по размерам и стоимости он будет мало отличаться от такого же, но емкостью 47 мкФ. Для интегральных стабилизаторов, которые мы будем рассматривать далее, конденсатор на выходе положен по рекомендациям производителя, но он может быть меньше, — обычно рекомендуется ставить керамический, емкостью 0,1–1 мкФ.

Значительно интересней схема на рис. 9.9, б. Здесь транзистор включен эмиттерным повторителем, который, во-первых, имеет высокое входное сопротивление (поэтому ток через стабилитрон мало зависит от изменений тока в нагрузке), во-вторых, служит усилителем тока (подробности см. в главе 6). То есть мощностные возможности здесь определяются только транзистором. Конденсатора здесь целых два: первый помогает сглаживать пульсации на стабилитроне, второй — оставшиеся пульсации на выходе транзистора.

При указанных на схеме параметрах она выдаст нам около 1 А. Статический коэффициент передачи тока для транзистора КТ815А равен (по справочнику) 40, поэтому базовый ток при 1 А на выходе должен составить не менее 25 мА, а ток через стабилитрон КС156А ни при каких условиях не должен быть меньше 3 мА (минимальное допустимое значение). Из этих соображений выбирается величина сопротивления R = 200 Ом.

Рис. 9.9. Два стабилизатора для источников питания:

а — самый простой на стабилитроне; б — с эмиттерным повторителем

Да, кстати, а какая мощность выделится на «проходном» транзисторе VT1? Не такая уж и маленькая: (12 В — 5 В)·1 А = целых 7Вт! То есть его явно надо ставить на радиатор, методику расчета которых мы будем рассматривать далее. Отсюда виден главный недостаток подобных аналоговых стабилизаторов — низкий КПД.

В данном случае он всего около сорока процентов (проверьте!), остальное рассеивается в пространстве. Мы можем его несколько повысить, снижая входное напряжение, но только до определенного предела — здесь он равен примерно 8 В, иначе эта схема не справится. Помните, однако, что 8 В — это действительно нижний предел, а не среднее значение пульсирующего напряжения на выходе конденсатора фильтра, которое показывает вольтметр — если вы еще раз взглянете на рис. 9.7, то поймете, о чем я. В противном случае стабилизатор просто перестанет стабилизировать. Потому всегда следует иметь запас, и не слишком маленький. Заменой n-p-n-транзистора на p-n-р с соответствующим изменением всех полярностей (в том числе переворотом конденсаторов и стабилитрона) на обратные, мы получим стабилизатор отрицательного напряжения. А для получения большего тока на выходе вместо обычного транзистора можно поставить транзистор с «супербетой». Если мы заменим КТ815 на «дарлингтоновский» КТ829, то можем «выжать» уже до 10 А, только для сохранения значения выходного напряжения вместо КС156А придется использовать КС162А. И не забудьте, что и нестабилизированный источник тоже должен обеспечить такой ток, да и радиатор придется ставить существенно больший!

Идя по этому пути, мы можем построить недорогой двуполярный источник питания для нашего усилителя из главы 8. Если вы ее внимательно перечтете, то сообразите, что номинальная мощность источника для такого усилителя должна составлять не менее 100 Вт (пиковый ток в нагрузке может достигать 3,3 А при максимальной выходной мощности усилителя) или по 50 Вт на каждом из двуполярных напряжений по 15 В. Соответствующая этим условиям схема источника питания для усилителя, описанного в главе 8, приведена на рис. 9.10. Я привожу ее без пояснений, потому что всеми необходимыми сведениями, чтобы в ней разобраться, вы уже обладаете. Стабилитрон 1N4745A — достаточно мощный (ток стабилизации — до 57 мА), с напряжением стабилизации 16 В. Светодиоды (VD7, VD8) сигнализируют о наличии напряжения по обоим каналам.

Рис. 9.10. Мощный двуполярный стабилизатор на ±15 В, 4 А (для усилителя из главы 8)

Интегральные стабилизаторы

Совершенно естественным ходом было бы упаковать типовой узел, состоящий из стабилитрона, транзистора и резистора в одну микросхему. Однако выдающийся схемотехник и разработчик аналоговых микроэлектронных устройств Р. Видлар, о котором мы еще вспомним в связи с изобретением интегрального операционного усилителя, рассудил несколько иначе.

Действительно, такая простейшая схема, как на рис. 9.9, б, обладает целым рядом недостатков, главным из которых является низкий коэффициент стабилизации. В зависимости от входного напряжения и от выходного тока напряжение на выходе может довольно сильно меняться и медленно отрабатывать быстрые изменения в нагрузке. Поэтому наилучшим выходом было бы использовать в стабилизаторах принцип отрицательной обратной связи, с которым мы уже отчасти познакомились, изучая работу звукового усилителя в главе 8. Далее мы более подробно рассмотрим стабилизатор с обратной связью, а пока заметим, что такую схему не особенно трудно построить и на дискретных транзисторах, но с повышением качества ее сложность и, соответственно, стоимость резко возрастают. А вот в производстве микросхем безразлично — три транзистора они содержат или тридцать. Кроме того, все транзисторы находятся на одном кристалле и имеют одинаковую температуру и близкие характеристики, что недостижимо в дискретных схемах. Видлар этим воспользовался и сконструировал микросхему μА723, которая и положила основу современным семействам интегральных стабилизаторов.

Наиболее широко распространена и доступна серия стабилизаторов LM78/79xx. Имейте в виду, что семейство LM содержит и другие типы микросхем, и это название не должно вас смущать. Выпускаются они очень многими производителями, вследствие чего буквы могут отличаться, но цифры остаются теми же. Цифры означают вот что: первые две — наименование серии (78 — стабилизатор положительного напряжения, 79 — отрицательного), вторые две — напряжение стабилизации (напр. 7805 — пятивольтовый стабилизатор положительного напряжения).

Выпускаются аналоги этой серии и в России, однако принцип наименования у нас другой — это серия 142ЕНхх и др. Напряжения стабилизации в серии LM78/79 фиксированы, однако имеются и регулируемые типы (LM317, КР142ЕН12).

На рис. 9.11 приведена типовая схема включения такого стабилизатора и показано, как он может выглядеть внешне.

Рис. 9.11. Схема включения интегрального стабилизатора

В корпусе ТО-220, как на рисунке, такой стабилизатор может выдать ток до 2,4 А, если рассеиваемая мощность не превышает 20 Вт (с радиатором, естественно). Но есть большой выбор и других корпусов, включая корпуса для поверхностного монтажа. Особенно удобен маленький корпус ТО-92 (тогда в название вклинивается буква L, напр. 78L05) — он позволяет стабилизировать питание отдельных узлов независимо друг от друга, избежав таким образом их взаимного влияния. Выходной ток стабилизаторов LM78L/79L в корпусе ТО-92 — до 100 мА. Их, вообще-то, можно использовать и вместо стабилитронов в схемах по типу рис. 9.9, б, но выходное напряжение будет тогда ниже стандартного на величину падения напряжения Uбэ.

Разумеется, серия 78/79хх — не единственная в своем роде, есть и множество других, аналогичных по функциональности. Так, стабилизаторы серий LM2931 (5-вольтовый) или LP2950 (на напряжение 5 В, 3,3 В и 3 В) с выходным током до 100 мА отличаются сверхмалым собственным потреблением (несколько десятков микроампер) и сверхнизкой разницей напряжений на входе и выходе, при которой стабилизатор еще выполняет свои функции (достаточно перепада в несколько сотен милливольт, только не забывайте про пульсации!).

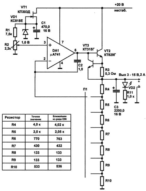
Однополярный регулируемый источник питания

Схема на рис. 9.12 представляет собой лабораторный источник питания, который, как я обещал вам еще в главе 2, можно изготовить самим. Взглянув на эту схему, вы можете сначала слегка растеряться — настолько вам покажется все незнакомо. На самом деле там есть только одна вещь, которую мы еще «не проходили», — микросхема операционного усилителя (ОУ) DA1. Подробно с ОУ мы будем знакомиться в главе 12, а сейчас нам важно только вот что: ОУ всегда стремится сделать так, чтобы потенциалы входов, обозначенных «плюс» и «минус», были равны. Эти входы эквивалентны входам дифференциального усилителя, у которого, как вы помните, потенциалы входов тоже связаны между собой (на самом деле внутри микросхемы на входе ОУ действительно стоит дифференциальный каскад).

Рис. 9.12. Схема лабораторного источника питания

Для того чтобы это осуществлялось на практике, ОУ включают с отрицательной обратной связью с выхода на тот вход, который обозначен знаком «минус». В схеме, показанной на рис. 9.12, такая связь осуществляется весьма заковыристым способом, и для того чтобы понять, как это происходит, давайте посмотрим на рис. 9.13, на котором изображена та же самая схема, но в предельно упрощенном варианте.

Рис. 9.13. Упрощенная схема лабораторного источника питания

Предположим, что R1 и R2 на рис. 9.13 равны между собой. Какое напряжение будет на выходе, т. е. на эмиттере транзистора VT1? Определить это очень просто. Если на «плюсовом» входе ОУ напряжение 1 В, как обозначено на схеме, то на минусовом тоже должен быть 1 В, как мы только что узнали. При каком условии это возможно? Только если на верхнем выводе R1, т. е. на выходе всей системы, будет 2 В — ведь R1 и R2 делят это напряжение пополам. То есть ОУ автоматически установит на базе транзистора VT1 такое напряжение, чтобы на его эмиттере было ровно 2 В (можно даже догадаться, какое именно — на 0,6 В больше, чем на выходе, т. е. 2,6 В, но на самом деле это нас мало интересует). А если предположить, что R1 в два раза больше, чем R2? Повторив предыдущие рассуждения, мы обнаружим, что на выходе должно быть 3 В. Отсюда можно вывести некоторую закономерность: система, показанная на рис. 9.13, усиливает напряжение, поданное на «плюсовой» вход, ровно в (R1/R2 +1) раз.

Именно так и работает схема источника на рис. 9.12. Переключатель П1 имеет 6 положений, в каждом из которых он изменяет соотношение делителя в обратной связи таким образом, чтобы при напряжении 1 В на «плюсовом» входе на выходе получался некий ряд фиксированных напряжений. При указанных в таблице номиналах резисторов R4-R10 этот ряд будет следующим: 3; 5; 7,5; 10; 12 и 15 В, чего достаточно для большинства наших нужд.

Конечно, можно не возиться с переключателем и подбором сопротивлений, а просто поставить вместо цепочки R5-R9 переменный резистор, равный сумме этих сопротивлений, по схеме потенциометра — эффект будет таким же, только напряжение станет меняться плавно: от 3 до 15 В. Однако иметь набор фиксированных напряжений намного удобнее — тут вы получите точно известное напряжение, а при плавной регулировке его каждый раз придется подгонять по вольтметру. Разумеется, бывают изредка ситуации, когда нужно получить напряжение, скажем, 4,75 вольта, но на этот случай лучше завести отдельный плавно регулируемый источник.

Делитель можно устроить совершенно по-разному — возьмите переключатель на 12 положений — получите переключение через 1 В. Пересчитать номиналы резисторов из описанного ранее общего соотношения несложно: так, если хочется вместо 10 В в приведенном ряду иметь 9 В, то номинал R8 следует увеличить до 224 Ом, a R7 — уменьшить до 205 Ом (при этом сумма сохранится, и остальные напряжения не изменятся). Можно добавить переменный резистор и плавно регулировать напряжение внутри каждого фиксированного диапазона. (Подумайте, как это сделать? Подсказка: переключатель должен быть на два направления.) Отметим, что в этой схеме применять прецизионные резисторы С2-29В совершенно необязательно — не те точности требуются. Поэтому можно требуемые номиналы просто подобрать из набора обычных, стараясь выдержать их как можно ближе к расчетным. Допускается также весь расчетный ряд умножить или поделить на любое число, лишь бы все значения изменились в одинаковой степени. Границы, которыми следует при этом руководствоваться, — это нижний предел суммы всех резисторов в 1–2 кОм, а верхний — в пару десятков килоом.

Теперь перейдем к подробному рассмотрению остальных, вспомогательных узлов схемы. Монструозная конструкция с полевым транзистором наверху на самом деле всего лишь узел, который позволяет получить стабильное опорное напряжение ровно 1В — от его стабильности точность шкалы выходных напряжений зависит напрямую.

В педагогических целях рассмотрим подробнее, как работает такая древняя схема. Полевой n-канальный транзистор VT1 включен источником тока, известным нам из главы 6 — когда потенциалы затвора и истока равны, то ток сток-исток мало зависит от напряжения на стоке. Этот ток питает прецизионный стабилитрон VD1 типа КС818Е, напряжение которого мало зависит от температуры (но очень даже зависит от тока). Если будете искать замену транзистору VT1, то в первую очередь надо смотреть на параметр, который называется начальный ток стока — именно такой ток будет протекать через стабилитрон в этой схеме, а стабилитрон Д818Е хорошо работает довольно в узком диапазоне токов: не менее 5 и не более 15 мА. Напряжение стабилизации стабилитрона равно 9 В, поэтому оно подается на делитель, составленный из большего постоянного (R1) и меньшего подстроечного (R2) резистора «под отвертку», с движка которого и снимается напряжение, равное 1 В.

Вместо всей этой конструкции, конечно, можно поставить небольшую микросхему — источник опорного напряжения или просто любой стабилизатор из серии LM, только сопротивление R1 придется пересчитать так, чтобы в среднем положении движка R2 на нем сохранилось около 1 В. Потенциометром этим можно плавно менять всю шкалу напряжений на выходе (но до определенного предела, ограниченного как снизу, так и сверху). Разумеется, эту цепочку вполне можно заменить двумя постоянными резисторами.

Теперь перейдем к транзистору VT3 вкупе с резистором R3. Эта простая и остроумная конструкция выполняет важнейшую функцию — она ограничивает выходной ток. Как это происходит? Обратите внимание, что весь выходной ток протекает через резистор R3, номинальное значение которого всего 0,3 Ом. В нормальном состоянии (например, на холостом ходу) падение напряжения на этом резисторе мало, поэтому транзистор VT3 закрыт, и весь этот фрагмент не оказывает никакого влияния на работу схемы. Когда же выходной ток достигает значения примерно 2 А, падение напряжения на нем достигает сакраментальных 0,6 В, транзистор VT3 приоткрывается и начинает шунтировать переход база-эмиттер силового транзистора VT2, призакрывая его. В результате схема приходит в равновесие — если бы VT3 приоткрылся еще больше, закрывая силовой транзистор, выходной ток бы упал, падение напряжения на R3 бы уменьшилось, VT3 бы призакрылся, ну и т. д. — и все застывает на уровне 2 А выходного тока, даже при коротком замыкании на выходе! Как только избыточная нагрузка на выходе будет снята, схема автоматически вернется в нормальный режим. Если вместо резистора R3 поставить переключатель с набором сопротивлений, то можно регулировать уровень стабилизации выходного тока. Так, набор резисторов 0,3; 0,6; 1,2; 2,4; 6 и 62 Ом дадут ряд ограничений тока на уровне 2; 1; 0,5, 0,25 А, 100 и 10 мА.

Кстати, к следящему транзистору VT3 никаких требований не предъявляется — т. е., вообще никаких — можно взять любой кремниевый транзистор, только он должен быть маломощным (чтобы не шунтировать силовой транзистор токами утечки) и не составным по схеме Дарлингтона. А вот силовой транзистор, наоборот, должен быть именно дарлингтоновский, с «супербетой».

В этой схеме есть одно, однако большое НО. Заключается оно в том, что при коротком замыкании на выходе все напряжение питания будет падать на переходе коллектор-эмиттер транзистора VT2 — ему больше просто некуда деваться. То есть, выделяющаяся мощность на VT2 составит аж целых 40 Вт! И в нормальном режиме при маленьких установленных выходных напряжениях (3 или 5 В) и максимальной нагрузке эта мощность будет практически такой же. В этом и заключается главный недостаток рассматриваемой схемы, общий для всех линейных стабилизаторов — крайне низкий КПД.

Есть, впрочем, немало способов этот КПД повысить. Продаю идею простейшего из них, который годится именно для стабилизатора с дискретным набором выходных напряжений: надо взять трансформатор нестабилизированного источника, от которого питается вся эта схема, с несколькими обмотками на разное напряжение, а к переключателю делителя добавить еще одно направление переключения так, чтобы при снижении напряжения на выходе напряжение питания стабилизатора также снижалось (с учетом того, что минимальный перепад между входом и выходом здесь должен составить не менее 4–5 В, а если используется стабилитрон, как на рис. 9.12, то напряжение на входе должно быть не меньше 12 В). Есть и более изощренные способы — скажем, регулировать действующее значение выпрямленного пульсирующего напряжения перед фильтром с помощью тиристорного моста. Но в таком случае схема настолько усложняется, что проще просто взять и построить импульсный источник.

И, наконец, несколько слов про основного нашего героя — операционный усилитель. Здесь указан классический ОУ типа μА741, который выпускается уже много десятков лет, и приведена нумерация выводов (цоколевка) для него. У него есть и отечественный аналог — КР140УД7 (учтите на будущее, что отечественные аналоги западных микросхем не всегда имеют ту же цоколевку, так что это на всякий случай надо проверять). Вообще же можно взять почти любой ОУ широкого применения с надлежащим допустимым питанием — но эти подробности мы будем рассматривать уже в главе 12.

В заключение этой темы — еще два слова о регулируемом двухполярном лабораторном источнике. Нет никакого смысла изобретать его специально — надо просто взять два одинаковых однополярных источника, разместить их в одном корпусе (и даже запитать их от одного трансформатора, но обязательно от разных вторичных обмоток), и вывести наружу все четыре выходные клеммы по отдельности. Соединяя «плюс» одного источника с «минусом» другого перемычкой, вы получаете общую «землю» двухполярного источника, убирая перемычку — имеете два раздельных однополярных.

Рассеивание тепла

Сразу скажем — теоретической методики для расчета охлаждающих радиаторов не существует. По этому поводу можно написать не одну диссертацию или монографию (и написаны, и много), но стоит изменить конфигурацию охлаждающих ребер или стержней, расположить радиатор не вертикально, а горизонтально, приблизить к нему любую другую поверхность снизу, сверху или сбоку — все изменится, и иногда кардинально. Именно поэтому производители микропроцессоров или процессоров для видеокарт предпочитают не рисковать, а снабжать свои изделия радиаторами с вентилятором — принудительный обдув, даже слабенький, повышает эффективность теплоотвода в десятки раз, хотя нередко это совершенно не требуется (но они поступают по закону «лучше перебдеть, чем недобдеть», и это правильно). Здесь мы приведем только пару эмпирических способов, которые оправдали себя на практике и годятся для того, чтобы рассчитывать пассивные (т. е. без обдува) радиаторы для усилителя из главы 8 или для линейных источников питания из этой главы.

Сначала посмотрим, как рассчитывать площадь радиаторов, исходя из их геометрии. На рис. 9.14 схематично показан типичный пластинчатый радиатор.

Рис. 9.14. Типичный пластинчатый радиатор

Для расчета его площади нужно к площади его основания прибавить суммарную площадь его ребер (также с каждой стороны). Если нижней стороной радиатор прижимается к плате, то лучше считать рабочей только одну сторону основания, но мы предположим, что радиатор «висит в воздухе» (как часто и бывает) и поэтому площадь основания удваивается: Sосн = 2L1·L2. Площадь одного ребра (тоже с двух сторон): Sр = 2·L1·h, но к этой величине нужно еще прибавить боковые поверхности ребра, площадь которых равна Sбок = 2·h·δ. Ребер всего 6, поэтому общая площадь радиатора равна: S = Sосн + 6·Sр + 6·Sбок. Пусть L1 = 3 см, L2 = 5 см, h = 3 см, S = 0,2 см, тогда общая площадь такого радиатора 145 см2. Разумеется, это приближенный расчет (мы не учли, скажем, боковую поверхность основания), но для наших целей высокая точность и не требуется.

Вот два эмпирических способа для расчета рассеиваемой мощности в зависимости от площади поверхности, и пусть меня не слишком строго осудят за то, что никаких особенных научных выкладок вы здесь не увидите.

Способ первый и наипростейший — площадь охлаждающего радиатора должна составлять 10 см2 на каждый ватт выделяющейся мощности. Так что радиатор с приведенными на рис. 9.14 размерами, согласно этому правилу, может рассеять 14,5 Вт мощности — как раз под наш усилитель с некоторым запасом. И если вас не жмут размеры корпуса, то вы вполне можете ограничиться этим прикидочным расчетом.

Если же хотите подсчитать поточнее, то вот один из более сложных способов, который годится для радиаторов средних размеров (L1 = 20-180 мм, L2 = 40-125 мм).

Рис. 9.15. Эффективный коэффициент теплоотдачи ребристого радиатора в условиях свободной конвекции при различной длине ребра:

1 h = 32 мм;2 h = 20 мм; 3 h = 12,5 мм

Для оценки тепловой мощности радиатора можно использовать формулу

W= αэфф·θ·S, где:

□ W — мощность, рассеиваемая радиатором, Вт;

□ αэфф — эффективный коэффициент теплоотдачи, Вт/м2·°С (см. график на рис. 9.15);

□ θ — величина перегрева теплоотдающей поверхности, °С, θ = ТсТос (Тс — средняя температура поверхности радиатора, Тос — температура окружающей среды);

S — полная площадь теплоотдающей поверхности радиатора, м2.

Обратите внимание, что площадь в эту формулу подставляется в квадратных метрах, а не сантиметрах.

Итак, приступим: сначала зададимся желательным перегревом поверхности, выбрав не слишком большую величину, равную 30 °C. Грубо говоря, можно считать, что при температуре окружающей среды 30 °C, температура поверхности радиатора составит 60 °C. Если учесть, что разница между температурой радиатора и температурой кристалла транзистора или микросхемы при хорошем тепловом контакте (о котором далее) может составить примерно 5 °C, то это приемлемо для практически всех полупроводниковых приборов. Высота ребер h у нас составляет 30 мм, поэтому смотрим на верхнюю кривую из графика на рис. 9.15, откуда узнаем, что величина коэффициента теплоотдачи составит примерно 50 Вт/м2·°С. После вычислений получим, что W = 22 Вт. По простейшему правилу ранее мы получили 14,5 Вт, а сейчас, проведя более точные расчеты, мы можем несколько уменьшить площадь, тем самым сэкономив место в корпусе. Однако повторим, если место нас не жмет, то лучше всегда иметь запас.

Радиатор следует располагать вертикально, и ребра также должны располагаться вертикально (как на рисунке), а поверхность его нужно покрасить в черный цвет.

Я еще раз хочу напомнить, что все эти расчеты очень приблизительны, и даже сама методика может измениться, если вы поставите радиатор не вертикально, а горизонтально, или ребра у него будут игольчатые вместо пластинчатых. К тому же мы никак не учитываем здесь тепловое сопротивление переходов кристалл-корпус и корпус-радиатор (просто предположив, что разница температур составит 5 °C). Тем не менее, указанные методы дают хорошее приближение к истине, но если мы не обеспечим хороший тепловой контакт, все наши расчеты могут пойти насмарку. Просто плотно прижать винтом транзистор к радиатору, конечно, можно, но эффективно это будет только в том случае, если поверхность радиатора в месте прижима идеально плоская и хорошо отшлифована. Практически так никогда не бывает, поэтому радиатор в месте прижима покрывают специальной теплопроводящей пастой. Ее можно купить в магазинах, а иногда тюбик с такой пастой прикладывают к «кулерам» для микропроцессоров. Наносить пасту надо тонким, но равномерным слоем, не перебарщивать в количестве. Если на один радиатор ставятся два прибора, у которых коллекторы находятся под разным напряжением[12], то под корпус нужно проложить изолирующую прокладку, под крепежные винты — изолирующие пластиковые шайбы, а на сами винты надеть отрезок изолирующей кембриковой трубки длиной, равной толщине радиатора в месте отверстия (рис. 9.16).

Рис. 9.16. Крепление транзистора в корпусе ТО-220 к радиатору при необходимости его изоляции:

1 — радиатор; 2 — отверстие в радиаторе; 3 — изолирующие шайбы; 4 — стягивающий винт; 5 — гайка; 6 — изолирующая трубка; 7 — слюдяная прокладка; 8 — пластмассовая часть корпуса транзистора; 9 — металлическая часть корпуса транзистора; 10 — выводы транзистора

Самые удобные изолирующие прокладки — слюдяные, очень хороши прокладки из анодированного алюминия (но за ними надо внимательно следить, чтобы не процарапать тонкий слой изолирующего окисла) и из керамики (которые, впрочем, довольно хрупки и могут треснуть при слишком сильном нажиме). Кстати, за неимением фирменных прокладок можно использовать тонкую фторопластовую (но не полиэтиленовую, разумеется!) пленку, следя за тем, чтобы ее не прорвать. При установке на прокладку теплопроводящая паста наносится тонким слоем на обе поверхности: и на транзистор, и на радиатор.

Принудительное охлаждение и элементы Пельтье

Тема принудительного охлаждения слишком обширна, чтобы ее можно было сколько-нибудь подробно осветить в этой книге — тем более, что в радиолюбительской практике интенсивное охлаждение требуется редко. Потому мы опустим темы про обдув, про использование тепловых трубок и прочую экзотику, остановимся кратко лишь на применении элементов Пельтье. Эта тема заслуживает нашего внимания хотя бы просто как иллюстрация к принципу действия одного из самых интересных электронных приборов. Кстати, элементы Пельтье могут использоваться не только для охлаждения, но и для подогрева (простым изменением направления тока), т. е. с их помощью можно построить идеальный термостат, пригодный для любых условий внешней среды. И, что самое интересное, — они пригодны для выработки электроэнергии в небольших количествах, о чем несколько слов далее.

Эффект поглощения и выделения тепла в контакте из разнородных металлов при прохождении электрического тока был открыт в 1834 году французским часовщиком Жаном Пельтье. Интересно, что противоположный эффект (Зеебека, возникновения ЭДС в замкнутой цепи при контакте разнородных металлов, находящихся при различных температурах) был открыт на 13 лет раньше, но тогда еще физики не знали, что любой подобный эффект обратим, и предсказать эффект Пельтье не смогли. Как это было почти со всеми такими физическими явлениями (тензоэффект, пьезоэффект), вторую жизнь эффект Пельтье обрел с появлением полупроводников, где он проявляется гораздо сильнее. Современные элементы Пельтье изготавливаются из теллурида висмута с дозированными присадками селена и сурьмы.

Для того, чтобы правильно применять элементы Пельтье в системах охлаждения (или, неважно, подогрева), надо хорошо представлять себе, как они работают и каковы их ключевые характеристики. Потому давайте для начала проведем небольшой ликбез на эту тему.

Для тепловых насосов (к которым относится и домашний холодильник, и элемент Пельтье) понятие КПД неприменимо — отношение полезной работы к затраченной для них зависит от условий работы. Если кому будет понятней, можно провести такую аналогию — возьмите АА-батарейку и замкните контакты накоротко. Какой КПД у батарейки в таких экстремальных условиях? Очевидно, он равен нулю — потенциалы контактов равны, вся энергия расходуется на подогрев самой батарейки. Будет он равен нулю и в противоположном случае — когда батарейка просто лежит на столе, и тока в цепи нет (ну, или почти нет — какая-то часть энергии всегда уходит на саморазряд).

Для элементов Пельтье картина аналогичная, только в роли напряжения на контактах выступает разность температур, а в роли тока — количество переданного тепла. Если замкнуть между собой пластины элемента массивным куском меди, то разница температур будет равна нулю, а количество поглощаемого тепла — максимально. Это максимальное количество тепла (максимальная холодопроизводительность) обозначается Qмaкс и служит одной из характеристик элемента. Если сделать наоборот — максимально изолировать пластины друг от друга и от внешней среды (например, поместив их в безвоздушное пространство), то количество переданного тепла будет равно нулю, а разность температур максимальна. Эта величина — тоже одна из главных характеристик элемента, и обозначается Тмакс.

Типичный график в координатах температура-холодопроизводительность для реального элемента Пельтье размером 40x40 мм, поступающего в продажу под названием FROST-72, показан на рис. 9.17. Там же приведены максимальные значения электрических параметров этого элемента (для которых составлен верхний график). Как показывает нижняя линия, при меньших величинах напряжения питания прямая сдвинется вниз, т. е. тепловые показатели упадут. Из этих параметров можно подсчитать максимальную эффективность элемента (не путать с холодильным коэффициентом и, тем более, с КПД[13]): потребляемая электрическая мощность составит 16,3x6,2 ~= 100 ватт, т. е. максимальная эффективность будет численно равна максимальной холодопроизводительности и составит 62 %.

Из этих данных легко рассчитать охладитель с элементом Пельтье, скажем, для компьютерного процессора. Если процессор в максимуме производительности выделяет, например, 50 ватт тепла, то единичный элемент типа FROST-72 с ним просто не справится, — при 12 вольтах питания он окажется близок к нулевому перепаду температур. В этом случае придется ставить два элемента, причем если их поставить параллельно рядом (теплораспределительная прокладка должна быть очень хорошей!), то на два следует умножать максимальное количество тепла, а если последовательно друг над другом, то удвоится максимальный перепад температур.

Построив соответствующую прямую аналогично рис. 9.17, можно прикинуть, в каком режиме будут работать элементы и какой перепад температур они примерно обеспечат.

Рис. 9.17. Зависимость холодопроизводительности Qx от разности температур пластин для элемента FROST-72

При этом стоит учитывать, что ошибиться в холодную сторону тоже не слишком хорошо — вспомните, что современные процессоры могут самостоятельно менять потребление в зависимости от нагрузки. И если вы рассчитали элемент на перепад температур, допустим, в 40 градусов при 40 ваттах отводимого тепла, то при снижении до 10 ватт температура у вас запросто залезет в минусовые значения. Кстати, это и необязательно — точка росы при среднемосковской влажности летом на улице в 70 % достигается уже при 12° тепла. И вы имеете большой шанс залить материнскую плату конденсатом из воздуха в совершенно нормальном режиме работы. Потому обязательным компонентом охлаждающей системы с элементом Пельтье будет отдельный контроллер, который следит за температурой и регулирует мощность, подводимую к элементу, — т. е. даже в таком простейшем случае мы приходим к конструкции термостата.

Заставить элемент Пельтье вырабатывать электричество теоретически тоже несложно — для этого надо обеспечить нужный перепад температур (как можно больший и как можно более стабильный). На практике это условие, однако, может вырасти в серьезную проблему. Эксперименты показывают, что реальная выходная мощность, которую можно получить от подобной конструкции незапредельных габаритов и стоимости, составляет несколько ватт. Так что ноутбук запитать таким образом не получится, а вот подзарядить мобильник вполне реально.

Импульсные источники питания

Главное преимущество импульсных источников — экономичность и значительно лучшие массогабаритные характеристики по сравнению с трансформаторными источниками. Поэтому практически все стационарные современные бытовые приборы снабжаются именно такими источниками: компьютеры, телевизоры, музыкальные центры и т. д. Главным же недостатком их является сложность конструкции и вытекающая отсюда высокая стоимость, из-за чего импульсные источники целесообразно применять для относительно мощных приборов, с энергопотреблением 50-100 Вт и выше. Если вы попробуете создать импульсный источник, рассчитанный на 10 Вт, то в габаритах вы, скорее всего, даже проиграете, а уж о стоимости и говорить нечего.

Базовая схема промышленного импульсного стабилизатора, подобного тем, что используются в источниках питания бытовой техники, приведена на рис. 9.18.

Рис. 9.18. Устройство промышленного импульсного стабилизатора

Она слишком громоздка для того, чтобы воспроизводить ее в деталях, а для повторения «на коленке» не годится — неоправданно трудоемка. Однако в компьютерном блоке питания рано или поздно приходится ковыряться, наверное, каждому радиолюбителю, и для того, чтобы вы понимали, как это работает, опишем устройство этой схемы.

Здесь сетевое напряжение 220 В выпрямляется стандартным мостом, а затем делится пополам с помощью конденсаторов С1 и С2. Ключевые транзисторы VT1 и VT2 попеременно подключают обмотку высокочастотного трансформатора Т1 на ферритовом сердечнике то к плюсу входного напряжения, то к минусу. Все эти элементы должны быть рассчитаны как минимум на половину амплитудного значения сетевого напряжения (т. е. на 160–170 В, если с некоторым запасом). Напряжение со вторичной обмотки выпрямляется по стандартной схеме двухполупериодного выпрямителя на двух диодах (сравните со схемой на рис. 9.8). Выходное напряжение сглаживается LC-фильтром. Оно поступает на устройство управления, где сравнивается с заданным. Устройство это управляет включением генератора импульсов, который, в свою очередь, управляет ключевыми транзисторами. В качестве гальванической развязки обычно используют малогабаритные трансформаторы. Входной фильтр из двух дросселей Lf и конденсатора Cf служит для защиты внешней сети от помех.

Обычная частота работы таких устройств — 10–30 кГц (малогабаритные импульсные источники могут работать и на более высокой частоте). При такой частоте трансформатор на небольшом ферритовом кольце (30–40 мм в диаметре) может передать десятки ватт мощности. КПД таких источников может достигать 60–80 %, вход и выход гальванически изолированы. Основные потери обусловлены рассеиванием тепла на ключевых транзисторах из-за их недостаточного быстродействия, а при малых выходных напряжениях еще и потерями за счет прямого падения напряжения на диодах VD1 и VD2.

На рис. 9.19 приведена схема импульсного преобразователя с гальванической развязкой входа и выхода, более пригодная для самостоятельного повторения. Он преобразует входное напряжение +9 В в два высоких напряжения ±165 В. Я специально рассмотрел такой крайний случай — и далее покажу, как изменением всего нескольких параметров схемы получить на выходе практически любую пару симметричных напряжений. Общая максимальная мощность схемы — приблизительно 4 Вт (при данном выходном напряжении максимальный нагрузочный ток до 12 мА по каждому из выходов). Она может быть повышена, если малогабаритные MOSFET-транзисторы IRFD110 заменить более мощными (например, IRFZ44) и установить их на радиаторы.

Рассмотрим работу схемы. Единственный компонент, который мы еще не «проходили», — это логическая КМОП-микрохема 564ЛА7 в планарном корпусе, ее можно заменить на аналог в DIP-корпусе (К561ЛА7). О них пойдет речь в главе 15: При напряжениях питания, не превышающих 7 В, вместо К561/564ЛА7 лучше использовать более быстродействующую 74НС00, только разводка выводов будет немного иная (см. главу 15).

Генератор прямоугольных импульсов, который на этой микросхеме построен, будет рассмотрен в главе 16. На выходе элементов DD1/3 и DD1/4 образуются противофазные прямоугольные импульсы, которые поочередно с частотой примерно 30 кГц открывают транзисторные ключи. В результате на вторичных обмотках трансформатора образуется высоковольтное напряжение, которое дополнительно умножается вдвое на системе из диодов КД258, конденсаторов 4,7 мкФ и индуктивностей (дросселей) 390 мкГ.

Стабилизирующая часть схемы построена на оптроне 6N139, который имеет внутри довольно сложную конструкцию, но практически представляет собой транзисторный оптрон, — подавая на вход (выводы 2, 3) напряжение, мы открываем гальванически развязанный от входа транзистор, и тогда на выходе (вывод 6) получаем напряжение, практически равное нулю.

Рис. 9.19. Схема импульсного преобразователя с гальванической развязкой входа и выхода

В результате все вместе работает так: если выходное напряжение схемы недопустимо повысилось, то ключ на транзисторе КТ605АМ открывается, на выходе оптрона появляется близкое к нулю напряжение, логические элементы DD1/3 и DD1/4 при этом запираются, и на ключи ничего не подается. Напряжение на выходе снижается, ключ КТ605АМ запирается, напряжение на выходе оптрона становится близким к напряжению питания, и импульсы опять поступают на трансформатор. Вместо 6N139 без изменений в схеме можно использовать 6N135, 6N136 (эти даже лучше — они более быстродействующие) или 6N138.

Трансформатор намотан на ферритовом кольце с характеристиками, указанными на схеме. Мотаются обмотки медным обмоточным проводом ПЭВ-2 парами совместно, причем обратите внимание, что у входной пары обмоток соединен конец одной с началом другой, а у выходной — начала обеих обмоток. С помощью подбора дополнительного резистора 2 кОм (на схеме он помечен звездочкой и соединен пунктиром) выходное напряжение устанавливается более точно. Дроссель по питанию +9 В (390 мкГ) служит для защиты внешних сетей от помех. Учтите, что схема довольно заметно «фонит» в радиодиапазоне, потому ее надо заключать в металлический экран, который должен быть соединен со входной (обозначенной на схеме, как «Общ. Вх») «землей» в одной точке, вблизи входного контакта на плате.

К сожалению, сильно снижать входное напряжение в такой схеме нельзя (не будут работать транзисторные MOSFET-ключи), а вот повышать можно, особенно при установке более мощных транзисторов. Реально это устройство при указанных на схеме элементах работает приблизительно от 7 до 12 В входного напряжения (при этом выходное остается равным номинальному с точностью примерно 2,5 %). Что же касается возможности работы схемы при более низком напряжении питания, то, к сожалению, подобрать достаточно мощные полевые ключи с низким напряжением управления непросто (их выпускает, например, Diodes Inc., но они труднодоступны). Однако за счет увеличения потерь можно в этой схеме установить маломощные IGBT-транзисторы (так, ключи HGT1S14N36G3VLS фирмы Fairchild Semiconductor обеспечат работу схемы при снижении питания до 3,5 В, но около 1 В будет падать на промежутке коллектор-эмиттер). Можно также снизить входное напряжение до 4–5 В, если вместо MOSFET-транзисторов использовать обычные биполярные транзисторы (лучше включенные по схеме Дарлингтона), однако КПД при этом также снизится. При таких модификациях схемы не забудьте пересчитать витки первичной обмотки пропорционально снижению питания.

Для того чтобы изменить выходное напряжение, следует, прежде всего, изменить коэффициент резистивного делителя в базе ключа на КТ605АМ. При этом, конечно, надо снижать номинал верхнего по схеме резистора (680 кОм), а не повышать — нижнего (15 кОм). Например, при выходном напряжении ±24 В номинал верхнего резистора должен составлять примерно 75–82 кОм. Но для хорошей работы преобразователя этого изменения недостаточно — для получения максимального КПД следует также изменить число витков во вторичных обмотках и, насколько возможно, увеличить толщину провода, из которого они наматываются. Рассчитывать обмотки следует так: желаемое выходное напряжение умножить на коэффициент 1,3, затем полученную величину поделить на 9 (входное напряжение) и умножить на 10 (число витков в первичной обмотке). Например, при ±24 В выходного напряжения, число витков в каждой из вторичных обмоток должно быть равно 35.

При пониженном выходном напряжении можно упростить схему, убрав умножитель напряжения (удалить последовательно включенные конденсаторы 4,7 мкФ, подключив диоды аналогично VD1 и VD2 на схеме рис. 9.13 и увеличив вдвое число витков вторичной обмотки), при этом КПД повысится. Ток при выходном напряжении ±24 В может составить до 120–150 мА, при ±7,5 В — до 500 мА по каждому из напряжений.

* * *

Подробности

Зачем в схеме обсуждаемого преобразователя вообще умножитель напряжения? Если вы проанализируете процессы, происходящие в трансформаторе, то обнаружите, что действующее значение напряжения на первичной обмотке равно напряжению питания — т. е. 9 В. Соответственно, чтобы получить после выпрямления и фильтрации значение напряжения 165 В, нам понадобилось бы как минимум 10-165/9 ~= 180 витков в каждой вторичной обмотке, а с запасом на потери и регулирование примерно на 20–30 % больше — около 240. Такое количество витков (в сумме около 500) намотать на кольце диаметром 20 мм физически сложно. А когда мы снижаем требования к напряжению, число витков уменьшается, и умножитель, который отрицательно сказывается на КПД устройства, можно убрать.

* * *

Главным недостатком рассматриваемой схемы с точки зрения КПД, однако, является не умножитель, а форма сигнала на первичных обмотках. Так как включение одного ключа и выключение другого совпадают во времени, существует момент, когда через обе обмотки течет сквозной ток. Это очень плохо сказывается на КПД и ведет к излишним потерям на нагревание транзисторов. Для небольших мощностей, как здесь, этим эффектом можно пренебречь, но для больших его приходится учитывать и разносить моменты включения одного ключа и выключения другого во времени. Это делается обычно с помощью специализированных микросхем для управления ключами, хотя несложно сымитировать их на любом микроконтроллере.

Добавим, что по схеме, аналогичной рис. 9.19, построены многие фирменные усилители — преобразователи напряжения с развязкой входа и выхода. Такие готовые модули на самые различные напряжения (в том числе и с гальванической развязкой между входом и выходом), например, выпускает фирма TRACO. Фирмой RECOM выпускаются импульсные преобразователи-стабилизаторы напряжения — аналоги 78-й серии под названием R-78. Их КПД достигает 96 % при входном напряжении до 34 В, а единственный недостаток — рекомендованное минимальное потребление 10 мА, ниже этого значения стабилизатор может отказывать.

Как правильно питаться?

Мы уже слегка коснулись темы правильной разводки питания в главе 8, когда рассказывали об усилителе звуковой частоты. Сейчас мы сформулируем несколько общих принципов.

Стандартная схема грамотной разводки питания между источниками и потребителями в электронных устройствах приведена на рис. 9.20.

Рис. 9.20. Схема разводки питания между источниками и потребителями

На практике, если источник расположен в отдельном корпусе, то указанной на блок-схеме общей точкой соединения «земли» служит выходная клемма «минус» этого корпуса (кстати, поэтому лучше делать выходные клеммы источника не по одной, а, например, парами, чтобы можно было подключить как минимум две нагрузки к одной точке). Если же вся конструкция — и источники, и нагрузки — представляет собой набор плат в едином корпусе, то за общую точку удобно выбрать минусовой вывод основного фильтрующего конденсатора.

Смысл такой разводки заключается в том, чтобы токи от разных потребителей не протекали по одному и тому же проводу — это может вызвать их взаимное влияние и всякие другие нежелательные явления. Характерное подобное явление под названием захват частоты можно наблюдать, если на двух разных, но с общим питанием, платах имеются генераторы, работающие на близких или кратных частотах, — вдруг по непонятным причинам они начинают работать на одной и той же частоте! Иногда от этого очень трудно избавиться, поэтому лучше сразу делать все правильно.

Обычно по каким-то причинам идеала по образцу рис. 9.20 достичь не получается. В этом случае помогут установленные как можно ближе к выводу питания так называемые развязывающие конденсаторы (они как раз и показаны на рис. 9.20). Причем если это отдельная плата, то их ставят на ней прямо около входного разъема, ни в коем случае не в дальнем конце платы! Кроме того, во всех случаях провода и проводники питания на плате должны быть как можно толще — если провод тонкий, то на нем самом за счет протекающего тока происходит падение напряжения, и разные потребители оказываются под разными потенциалами — как по «земле», так и по питанию.

* * *

Заметки на полях

Кстати, о «земле» — почему я ее все время заключаю в кавычки? Схемотехническую «землю» самое правильное называть общим проводом, просто термин прижился, да и звучит короче. Дело в том, что в электротехнике существует совершенно определенное понятие «земли» — когда нечто находится под потенциалом земной поверхности, который принимается за истинный ноль напряжения. Под таким потенциалом по понятным причинам находятся, например, металлические водопроводные трубы или батареи отопления. Есть еще понятие нулевого провода (один из проводов в вашей домашней розетке всегда нулевой, второй называется фазным) — он теоретически находится тоже под потенциалом земли, но практически соединяется (возможно) с истинной землей только где-то на электростанции, а за счет несбалансированности протекающего по различным фазам тока потенциал его может «гулять», и довольно сильно. Поэтому правильно организованная бытовая электросеть всегда должна включать в себя третий провод, который есть истинное заземление. Если у вас такого третьего провода нет (печально, но в нашей стране до сих пор строили именно так, и только в последние годы положение начинает выправляться), то его можно организовать путем присоединения к металлической водопроводной трубе (СНиПы это допускают). Но это не только неудобно (представляете, сколько проводов придется растаскивать по всей квартире?), но иногда и опасно — в случае попадания фазного напряжения на такое заземление, до тех пор, пока сработает предохранитель, сопротивления между трубой и землей вполне может хватить, чтобы основательно тряхнуть кого-нибудь, кто будет в соседней квартире в этот момент мыть руки под краном.

* * *

На рис. 9.21, а показана схема развязывающего фильтра для маломощной нагрузки в пределах одного электронного узла. Это может быть входной каскад усиления микрофонного усилителя, который особо чувствителен к качеству питания, и его требуется развязать от следующих более мощных каскадов. На рис. 9.21, б показана правильная организация питания с такими фильтрами для быстродействующих или прецизионных измерительных усилителей — в частности, в измерительных схемах, о которых мы будем говорить в следующих главах.

Рис. 9.21. Разводка питания:

а — схема разделения нагрузок с помощью развязывающего фильтра;

б — организация питания для быстродействующих и прецизионных усилителей

Более 800 000 книг и аудиокниг! 📚

Получи 2 месяца Литрес Подписки в подарок и наслаждайся неограниченным чтением

ПОЛУЧИТЬ ПОДАРОК