8.1. Емкостное реле

Нечаев И. [26]

Емкостным реле называют устройство, реагирующее на изменение емкости датчика. Приближение человека к датчику изменяет его емкость, и электронная часть устройства реагирует выработкой соответствующего сигнала.

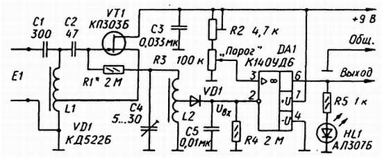
Принцип действия описываемого емкостного реле (рис. 36) основан на изменении частоты LC-генератора при внешнем воздействии на его элементы. Генератор данного реле содержит катушку L1, емкость датчика Е1, конденсаторы C1, С2, полевой транзистор VT1 и емкость датчика E1. При неизменной емкости датчика частота генератора стабильна и равна примерно 100 кГц. Но стоит приблизиться к датчику, его емкость увеличится, а частота генератора уменьшится.

Рис. 36. Принципиальная схема емкостного реле

Измерительный контур образован элементами L2, С4 и слабо связан с генератором резистором R1. Используется зависимость напряжения на резонансном контуре от частоты колебаний поступающего сигнала. Выделенное контуром напряжение сигнала выпрямляется диодом VD1, фильтруется конденсатором С5 и подается на инвертирующий вход (вывод 2) операционного усилителя(ОУ) DA1, выполняющего функцию компаратора.

Конденсатором С4 измерительный контур настраивают на частоту генератора. При этом на инвертирующем входе ОУ действует максимальное постоянное напряжение Uвх. мах.Резисторами R3 и R2 устанавливают на неинвертирующем входе (вывод 3) пороговое напряжение Uпор несколько меньшее, чем Uвх. мах. В этом случае напряжение на выходе ОУ мало и светодиод HL1, подключенный к нему через ограничительный резистор R5, не горит.

Если изменение частоты генератора будет таким, что напряжение Uвx станет меньше Uпор, компаратор сработает и включит светодиод. Но стоит удалиться от датчика — и частота генератора станет исходной, напряжение Uвх увеличится, компаратор переключится в первоначальное состояние и светодиод погаснет.

Все детали такого емкостного реле, кроме датчика, можно смонтировать на печатной плате из фольгированного материала (см. рис. 37).

Рис. 37. Печатная плата емкостного реле

Для повышения стабильности устройства катушки L1 и L2 идентичны по конструкции, намотаны на кольцах из феррита 2000НМ с внешним диаметром 20 мм и содержат по 100 витков провода ПЭВ-2 0,2. Намотка — виток к витку в один слой. Отвод катушки L1 сделан от 20-го витка, считая от вывода, соединенного с общим проводом, L2 — от середины.

После сборки проводят регулировку реле (R5 и HL1 пока не подключают). Для датчика можно использовать два параллельных провода диаметром 1 мм длиной по 1 м, на расстоянии 15–20 см один от другого. К конденсатору С5 подключают вольтметр постоянного тока с входным сопротивлением не менее 10 кОм/В и конденсатором С4 добиваются максимального показания вольтметра 2,5–5 В. Если оно меньше, подбирают сопротивление резистора R1, но не менее 500 кОм.

После каждой замены резистора подстройку повторяют. Затем к выходу DA1 подключают резистор R5 и светодиод HL1. Движок резистора R3 устанавливают в нижнее по схеме положение, а резистора R2 — в среднее. При этом светодиод должен гореть. Медленно перемещая движок резистора R3, добиваются погасания светодиода. Если теперь к датчику, соединенному с конденсатором С1, поднести руку, светодиод должен загореться. На этом регулировка емкостного реле заканчивается.

Более 800 000 книг и аудиокниг! 📚

Получи 2 месяца Литрес Подписки в подарок и наслаждайся неограниченным чтением

ПОЛУЧИТЬ ПОДАРОК