8.5. Акустический выключатель

Кашкаров А. [30]

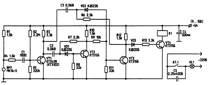
Принципиальная схема акустического выключателя приведена на рис. 43.

Звуковой сигнал воспринимается угольным микрофоном ВМ1 и проходит через фильтр R4, С1, который пропускает только сигнал высших частот, соответствующих хлопку в ладоши. Далее он усиливается транзистором VT1, с коллекторной нагрузки которого R3 поступает на вход триггера, собранного на транзисторах VT2 и VT3. Положительная обратная связь осуществляется через резистор R6. С коллектора транзистора VT3 напряжение высокого уровня через диод VD3 и ограничительный резистор R13 включает оконечный каскад на транзисторе VT4 с электромагнитным реле К1 в цепи коллектора, которое контактами К1.1 коммутирует исполнительное устройство (лампу HL1).

Микрофон взят от телефонного аппарата. Реле - типа РЭС9, паспорт РС4.524.204.

Рис. 43. Принципиальная схема акустического выключателя

Более 800 000 книг и аудиокниг! 📚

Получи 2 месяца Литрес Подписки в подарок и наслаждайся неограниченным чтением

ПОЛУЧИТЬ ПОДАРОК