5.3. Трели вместо звонка
Кашкаров А. [16]
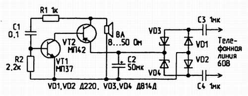
В телефонном аппарате отключается электромагнитный звонок и вместо него устанавливается предлагаемое устройство (см. рис. 23), которое по звучанию напоминает соловьиную трель. Благодаря наличию конденсаторов С3, С4 от линии поступает только сигнал вызова, при котором напряжение на выходе моста составляет около 14 В. Тон трели определяется параметрами цепи C1, R1. Излучателем ВА может служить телефонный капсюль.
Транзистор МП37 можно заменить на КТ315, а МП42 — на КТ361 (оба — с любым буквенным индексом)
Рис. 23. Принципиальная схема устройства
Более 800 000 книг и аудиокниг! 📚
Получи 2 месяца Литрес Подписки в подарок и наслаждайся неограниченным чтением
ПОЛУЧИТЬ ПОДАРОК
Содержание
История
История
Loading ...
Failed to load data.
{{name}} | {{author}}