3.8. Простой импульсный металлоискатель
В последнее время сравнительно широкое распространение получили импульсные металлоискатели типа PI (Puis Induction), в которых для оценки наличия металлических предметов в зоне поиска используется явление возникновения вихревых поверхностных токов в металлическом предмете под воздействием внешнего электромагнитного поля.
В металлодетекторах типа PI импульсный сигнал подается на передающую катушку, в которой инициируется переменное электромагнитное поле. При появлении в зоне действия этого поля металлического предмета на его поверхности периодически, под воздействием импульсного сигнала, возникают вихревые токи. Эти токи и являются источником вторичного сигнала, который принимается приемной катушкой. Благодаря явлению самоиндукции форма вторичного сигнала будет отличаться от формы излученного передающей катушкой импульса. При этом отличия в параметрах вторичного импульсного сигнала и используются для анализа с последующим формированием данных для блока индикации. Во всех известных автору импульсных металлодетекторах оценивается изменение формы заднего фронта вторичного импульса. О достоинствах и недостатках импульсных детекторов металлических предметов коротко было рассказано в первой главе предлагаемой книги.
Следует признать, что с каждым годом количество различных схемотехнических решений металлоискателей типа PI значительно увеличивается. Однако ограниченный объем данного издания не позволяет подробно рассмотреть даже самые интересные конструкции. Поэтому автор решил ознакомить читателей лишь с несколькими приборами этого типа.
В рассматриваемом в этом разделе устройстве используется микропроцессор с соответствующим программным обеспечением. К сожалению, к моменту издания этой книги опубликовать на 100 % работоспособную версию его прошивки не представилось возможным. Поэтому заинтересованные и подготовленные читатели имеют возможность проверить свои силы в создании прошивки для микроконтроллера. Автор ни секунды не сомневается в том, что российские умельцы с честью справятся с этой задачей.
Тем не менее, по мнению автора, конструкция предлагаемого металлоискателя достаточно сложна для повторения начинающими радиолюбителями. Также следует упомянуть и о сложностях, возникающих при регулировке этого устройства. Необходимо особо обратить внимание на то, что ошибки при монтаже и некорректная настройка прибора могут привести к выходу из строя дорогостоящих элементов.
Принципиальная схема
Принципиальную схему предлагаемого простого импульсного металлоискателя условно можно разделить на две части, а именно: на блок передатчика и блок приемника. К сожалению, ограниченный объем данной книги не позволяет подробно остановиться на всех особенностях схемотехнических решений, использованных при создании данного прибора. Поэтому далее будут рассмотрены основы функционирования лишь наиболее важных узлов и каскадов.
В состав блока передатчика (рис. 3.14) входят модуль формирования импульсов и синхронизации, сам передатчик, а также преобразователь напряжения.

Рис. 3.14. Принципиальная схема блока передатчика простого импульсного металлоискателя
Главной составной частью всей конструкции является модуль формирования импульсов и синхронизации, выполненный на микропроцессоре IC1 типа АТ89С2051 фирмы ATMEL и обеспечивающий формирование импульсов для передатчика, а также сигналов, управляющих работой всех остальных блоков. Рабочая частота микроконтроллера IC1 стабилизирована кварцевым резонатором (3,5 МГц). При указанном значении рабочей частоты микропроцессор формирует периодическую последовательность управляющих импульсов для различных каскадов металлодетектора. Эта последовательность состоит из 250 тактов длительностью по 9 мкс каждый.
Первоначально на выводе IC1/14 микропроцессора формируется управляющий импульс для транзистора Т6, после окончания которого на выводе IC1/15 формируется аналогичный импульс для транзистора Т7. Затем этот процесс повторяется еще один раз. В результате происходит запуск преобразователя напряжения.
Далее, последовательно на выводах IC1/8, IC1/7, IC1/6, IC1/16, IC1/17, IC1/19 и IC1/18 формируются импульсы запуска передатчика. При этом указанные импульсы имеют одинаковую длительность, но каждый последующий импульс задержан относительно предыдущего на несколько тактов. Начало первого импульса, сформированного на выводе IC1/8, совпадает с окончанием второго импульса на выводе IC1/15. С помощью переключателя Р1 можно выбрать время задержки импульса запуска передатчика по отношению к стартовому импульсу.
Через несколько тактов после окончания импульса на выводе IC1/18 короткий стробирующий импульс для одного из каналов анализатора формируется на выводе IC1/3. Затем аналогичный импульс, предназначенный для второго канала анализатора, формируется на выводе IC1/9. После этого на выводе IC1/11 формируется управляющий сигнал для транзистора Т10 схемы акустической сигнализации блока приемника.
Затем, после небольшой паузы, последовательность управляющих импульсов на соответствующих выходах микроконтроллера формируется вновь.
Питающее напряжение +5 В, предварительно стабилизированное микросхемой IC2, подается на вывод IC1/20 микроконтроллера.
Преобразователь напряжения, выполненный на транзисторах Т6-Т8 и стабилизаторе IC3, обеспечивает формирование двуполярного питающего напряжения 12 В, необходимого для питания каскадов приемной части. Управляющие сигналы для транзисторов Т7 и Т8 формируются на соответствующих выводах микроконтроллера IC1. При этом на транзистор Т8 этот сигнал подается через преобразователь уровня, собранный на транзисторе Т6. Далее сформированное питающее напряжение стабилизируется микросхемой IC3, с выхода которой напряжение +12 В поступает на каскады приемной части.
Выходные каскады передатчика выполнены на мощных транзисторах Т1, Т2 и Т3, работающих на общую нагрузку, в качестве которой выступает катушка L1, шунтированная цепочкой резисторов R1-R6. Работой транзисторов выходного каскада управляет транзистор Т4. Управляющий сигнал на базу транзистора Т4 подается с соответствующего выхода процессора IC1 через транзистор Т5.
Импульс, формируемый микропроцессором IC1 в соответствии с заложенной в его памяти программой, через переключатель подается на вход транзистора Т5 и далее, через транзистор Т4, на выходные каскады передатчика, выполненные на транзисторах Т1-Т3, а затем – на приемопередающую катушку L1. При появлении в зоне действия катушки L1 металлического предмета на его поверхности под воздействием внешнего электромагнитного поля, инициированного импульсом передатчика, возбуждаются вихревые поверхностные токи. Время существования этих токов зависит от длительности импульса, излучаемого катушкой L1.
В свою очередь поверхностные токи являются источником вторичного импульсного сигнала, который с соответствующей задержкой принимается катушкой L1, усиливается и подается на схему анализа. Необходимо отметить, что благодаря явлению самоиндукции длительность вторичного сигнала будет больше, чем длительность излученного передающей катушкой импульса. При этом форма вторичного импульса зависит от свойств металла, из которого изготовлен обнаруженный предмет. Обработка информации об отличиях параметров импульсов, излученных и принятых катушкой L1, обеспечивает формирование данных для блока индикации о наличии металлического предмета. В рассматриваемом металлоискателе для анализа используются параметры заднего фронта вторичного импульсного сигнала.
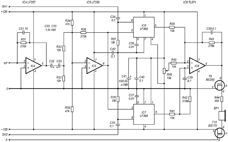
В состав блока приемника (рис. 3.15) входят двухкаскадный усилитель входного сигнала, анализатор и схема звуковой индикации.

Рис. 3.15. Принципиальная схема блока приемника простого импульсного металлоискателя
Сигнал от металлического предмета принимается катушкой L1 и через схему защиты, выполненную на диодах D1 и D2, подается на входной двухкаскадный усилитель с емкостной обратной связью, выполненный на операционных усилителях IC4 и IC5. С выхода микросхемы IC5 (вывод IC5/6) усиленный импульсный сигнал подается на схему анализатора, выполненную на микросхемах IC6-IC8.
Усилители IC6 и IC7 в процессе работы прибора постоянно выключены, и напряжение питания подается на них лишь при поступлении на соответствующие входы (выводы IC6/8 и IC7/8) стробирующих импульсов, длительность каждого из которых составляет 9 мкс (один такт). При этом на усилитель IC6 подается стробирующий импульс, задержанный по отношению к окончанию выбранного импульса запуска передатчика на 30-100 мкс, а на усилитель IC7 – задержанный по отношению к окончанию первого стробирующего импульса на 200 мкс. Необходимость такой задержки объясняется тем, что форма принятого сигнала зависит от влияния многих посторонних факторов, поэтому полезный сигнал можно наблюдать лишь в промежутке примерно 400 мкс после окончания импульса. В данном случае полезным сигналом является возрастание положительного напряжения при приближении катушки L1 к металлическому предмету в результате увеличения длительности заднего фронта вторичного импульса в сравнении с излученным импульсом.
По окончании подачи напряжения питания на выходах каждого усилителя (микросхемы IC6 и IC7) в течение нескольких секунд сохраняется уровень принятого сигнала, зафиксированный во время воздействия стробирующих импульсов.
Таким образом на один из входов соответствующего усилителя (выводы IC6/3 и IC7/3) подается принятый импульсный сигнал, а на второй вход этого же усилителя (выводы IC6/8 и IC7/8) через конденсаторы С34 и С35 поступает соответствующий стробирующий импульс от модуля формирования импульсов и синхронизации (выводы IC1/3 и IC1/9).
Сигналы, сформированные на выходах микросхем IC6 и IC7 (выводы IC6/5 и IC7/5), далее подаются на соответствующие входы дифференциального усилителя, выполненного на микросхеме IC8. При этом сигнал с выхода усилителя IC6 проходит через переменный резистор R45, с помощью которого регулируется чувствительность прибора. При наличии в зоне действия металлодетектора металлического предмета уровни сигналов на соответствующих входах дифференциального усилителя (выводы IC8/2 и IC8/3) будут одинаковыми. В результате выходной сигнал этого усилителя (вывод IC8/6) будет низким.
Падение напряжения на выходе усилителя IC8 приводит к открытию транзистора Т9 и подключению к общему проводу головных телефонов BF1. При поступлении с соответствующего выхода микроконтроллера (вывод IC1/11) на транзистор Т10 управляющего сигнала в телефонах будет прослушиваться сигнал звуковой частоты. Резистор R44 ограничивает ток, протекающий через головные телефоны BF1. Его подбором можно регулировать громкость акустического сигнала.
Питание данного металлодетектора осуществляется от источника В1 напряжением 12 В.
Детали и конструкция
Все детали рассматриваемого прибора (за исключением поисковой катушки L1, резистора R45, переключателя Р1, а также выключателя S1) расположены на печатной плате размерами 105х65 мм (рис. 3.16), изготовленной из двустороннего фольгированного гетинакса или текстолита.

Рис. 3.16. Печатная плата простого импульсного металлоискателя
К деталям, применяемым в данном устройстве, не предъявляются какие-либо особые требования. Рекомендуется использовать любые малогабаритные конденсаторы и резисторы, которые без проблем можно разместить на печатной плате (рис. 3.17).

Рис. 3.17. Расположение элементов простого импульсного металлоискателя
Микросхему типа LF357 (IC4) можно заменить на LM318 или NE5534, однако в результате такой замены могут возникнуть проблемы с налаживанием. В качестве усилителя IC5 помимо указанной на схеме микросхемы типа LF356 можно использовать микросхему CA3140. Микросхемы типа LF398 (IC6, IC7) без проблем заменяются на MAC198. Вместо усилителя CA3140 (IC8) можно применить микросхему TL071.
В качестве транзисторов Т1-Т3, помимо указанных на принципиальной схеме, можно использовать транзисторы типа BU2508, BU2515 или ST2408.
Рабочая частота кварцевого резонатора должна составлять 3,5 МГц. Однако можно использовать любой другой кварцевый элемент с частотой резонанса от 2 до 6 МГц.
Для монтажа микропроцессора IC1 следует использовать специальную панельку. При этом микроконтроллер устанавливается на плату только после окончания всех монтажных работ. Данное условие необходимо соблюдать и при проведении регулировочных работ, связанных с выполнением пайки при подборе величин отдельных элементов.
Особое внимание следует уделить изготовлению катушки L1, индуктивность которой должна составлять 500 мкГ. Катушка L1 выполнена в виде кольца диаметром 250 мм и содержит 30 витков провода диаметром не более 0,5 мм. При использовании провода большего диаметра ток в катушке возрастет, однако еще быстрее будут расти значения паразитных вихревых токов, что приведет к ухудшению чувствительности прибора.
Для изготовления катушки не рекомендуется использовать лакированный провод, поскольку разность потенциалов между соседними витками при излучении импульса достигает 20 В. Если в процессе намотки витков катушки рядом окажутся проводники, например первого и пятого витков, пробой изоляции практически обеспечен. Это может привести к выходу из строя транзисторов передатчика и других элементов. Поэтому провод, используемый при изготовлении катушки L1, должен быть хотя бы в полихлорвиниловой изоляции. Готовую катушку также рекомендуется хорошо изолировать. Для этого можно воспользоваться эпоксидной смолой или различными пенными наполнителями.
Катушку L1 следует подключать к плате с помощью двужильного хорошо изолированного провода, диаметр каждой жилы которого должен быть не меньше диаметра провода, из которого изготовлена сама катушка. Не рекомендуется использовать коаксиальный кабель из-за его значительной собственной емкости.
Источником звуковых сигналов могут служить либо головные телефоны с сопротивлением от 8 до 32 Ом, либо малогабаритный громкоговоритель с аналогичным сопротивлением катушки.
В качестве источника питания В1 рекомендуется использовать аккумуляторную батарею емкостью около 2 А/ч, поскольку величина тока, потребляемого данным металлоискателем, – не менее 200 мА.
Печатная плата с расположенными на ней элементами и источник питания размещаются в любом подходящем корпусе. На крышке корпуса устанавливаются переменный резистор R45, переключатель P1, разъемы для подключения головных телефонов BF1 и катушки L1, а также выключатель S1.
Налаживание
Данный прибор следует настраивать в условиях, когда любые металлические предметы удалены от поисковой катушки L1 на расстояние не менее 1,5 м.
Особенность настройки и регулировки рассматриваемого металлоискателя заключается в том, что его отдельные блоки и каскады подключаются постепенно. При этом каждая операция подключения (пайка) выполняется при отключенном источнике питания.
В первую очередь требуется проверить наличие и величину питающего напряжения на соответствующих контактах панельки микросхемы IC1 в отсутствие микроконтроллера. Если напряжение питания в норме, то далее следует установить на плату микропроцессор и с помощью частотомера или осциллографа проверить сигнал на выводах IC1/4 и IC1/5. Частота пилот-сигнала на указанных выводах должна соответствовать рабочей частоте используемого кварцевого резонатора.
После подключения транзисторов преобразователя напряжения (без нагрузки) потребляемый ток должен возрасти на 50 мА. Напряжение на конденсаторе С10 в отсутствие нагрузки должно составлять около 20 В.
Затем следует подключить каскады передатчика. Режимы работы транзисторов Т1-Т4 должны быть одинаковыми и устанавливаются подбором величин резисторов R13-R16.
Сопротивление катушки L1, зашунтированной резисторами R1-R3, должно составлять примерно 500 Ом. При этом выводы катушки и резисторов должны быть хорошо пропаяны, поскольку нарушение контакта в этой цепи влечет за собой выход из строя выходных транзисторов передатчика.
Для проверки работоспособности каскадов передатчика можно придержать катушку L1 возле уха и включить питание металлоискателя. Примерно через полсекунды (после обнуления микроконтроллера) можно будет услышать сигнал низкого тона, возникновение которого обусловлено микровибрацией отдельных витков катушки. При этом на коллекторах транзисторов Т1-Т3 будет сформирован немодулированный остроконечный импульс длительностью около 10–20 мкс, форму которого можно проконтролировать с помощью осциллографа. Увеличение сопротивления резисторов R1-R3 приводит к возрастанию амплитуды выходного импульса с уменьшением его длительности. Для подбора величины сопротивления шунта катушки L1 не рекомендуется использовать переменный резистор, поскольку даже кратковременное нарушение контакта движка с токопроводящей дорожкой может привести к выходу из строя выходных транзисторов передатчика. Поэтому желательно постепенно изменять величину шунта с шагом 50 Ом. Перед заменой деталей напряжение питания прибора нужно обязательно выключать.
Далее можно приступать к налаживанию приемной части. Если все детали исправны, а монтаж выполнен безошибочно, то после включения металлодетектора (примерно через 20 мкс после окончания стартового импульса) на выходе микросхемы IC4 (вывод IC4/6) с помощью осциллографа можно будет наблюдать экспоненциально возрастающий сигнал, переходящий в сигнал постоянного уровня. Искажения фронта этого сигнала устраняются подбором резисторов R1-R3, шунтирущих катушку L1. После этого следует проконтролировать форму и амплитуду сигнала на выходе микросхемы IC5 (вывод IC5/6). Максимальная амплитуда этого сигнала устанавливается подбором величины резистора R36.
На выходе микросхемы IC6 (вывод IC6/5) должен формироваться постоянный сигнал, зависящий от импульса, выбранного с помощью переключателя P1, а также от наличия в зоне действия катушки L1 металлических предметов. В идеальном варианте этот сигнал должен быть близким к нулю при всех положениях переключателя P1.
В заключение остается правильно установить положение образцового измерительного импульса по отношению к стартовому импульсу. Для этого достаточно подбором кварцевого резонатора Q1 выбрать подходящую рабочую частоту.
Порядок работы
Перед практическим использованием данного металлоискателя следует переключателем P1 установить минимальную задержку импульса, а резистором R45 – максимальную чувствительность. Если в процессе работы в зоне действия поисковой катушки L1 окажется металлический предмет, то в головных телефонах появится акустический сигнал.
Необходимо отметить, что переход в режим работы с большей задержкой импульса обеспечит исключение влияния не только магнитных свойств грунта, но и избавит от реакции прибора на всевозможные посторонние предметы (ржавые гвозди, фольга от сигаретных пачек и т. п.) и последующих напрасных поисков.
Более 800 000 книг и аудиокниг! 📚
Получи 2 месяца Литрес Подписки в подарок и наслаждайся неограниченным чтением
ПОЛУЧИТЬ ПОДАРОК