3.7. Металлоискатель с кварцевой стабилизацией
В последнее время на прилавках радиорынков можно найти всевозможные конструкторы или наборы комплектующих деталей, приобретя которые любой желающий без особых усилий быстро соберет простейший металлодетектор. В процессе работы над данной книгой автор имел удовольствие ознакомиться с несколькими детско-юношескими конструкторами, которые можно рекомендовать и взрослым.
Основой для одного из таких наборов послужила схема металлодетектора, впервые опубликованная в конце 80-х годов прошлого столетия и после этого с различными изменениями и дополнениями не раз публиковавшаяся в различных отечественных и зарубежных изданиях.
Принципиальная схема
Рассматриваемый металлодетектор представляет собой один из многочисленных вариантов прибора типа BFO (Beat Frequency Oscillator), то есть является устройством, в основу которого положен принцип анализа биений двух частот. При этом в данной конструкции оценка изменения частоты осуществляется на слух.
Как известно, в определенной степени повысить чувствительность металлоискателя типа BF0 можно, если выбрать значение частоты опорного генератора в 5-10 раз больше, чем значение частоты измерительного генератора. В этом случае оценивается изменение частоты биений, которые возникают между колебаниями основной частоты опорного генератора и ближайшей по частоте гармоникой частоты измерительного генератора. В результате изменение частоты измерительного генератора под влиянием внешних воздействий всего на 10 Гц приводит к увеличению частоты разностных колебаний на 50-100 Гц.
Таким образом, при выборе частоты измерительного генератора в пределах 100–200 кГц частота опорного генератора должна составлять 500-2 000 кГц. Необходимо отметить, что частота опорного генератора должна быть стабилизирована.
Основу схемы этого прибора (рис. 3.12) составляют измерительный и опорный генераторы, буферные каскады, смеситель и схема акустической индикации.

Рис. 3.12. Принципиальная схема металлоискателя с кварцевой стабилизацией
Опорный генератор выполнен на элементах IC1.1 и IC1.2 микросхемы IC1, его рабочая частота стабилизирована кварцевым резонатором Q1 (1 МГц). Измерительный или перестраиваемый генератор выполнен на элементах IC2.1 и IC2.2 микросхемы IC2. Рабочая частота этого генератора определяется параметрами элементов, образующих его колебательный контур, то есть емкостями конденсаторов С2, С3 и варикапа D1, а также индуктивностью катушки L1. При этом изменение емкости варикапа D1 осуществляется с помощью переменного резистора R2. Рабочая частота измерительного генератора находится в пределах 200–500 кГц.
Катушка L1 колебательного контура перестраиваемого генератора является поисковой катушкой. При приближении к металлическому предмету индуктивность катушки изменяется, что приводит к изменению рабочей частоты генератора и соответственно к изменению частоты биений.
Каскады, выполненные на элементах IC1.3 и IC2.3, обеспечивают развязку между генераторами по переменному напряжению, а также ослабляют влияние смесителя на генераторы. С выходов буферных каскадов сигналы ВЧ подаются на смеситель, выполненный на элементе IC1.4. Далее сигнал биений поступает на головные телефоны BF1. При этом конденсатор С10 обеспечивает фильтрацию высокочастотной составляющей сигнала.
Питание на схему подается от источника В1 напряжением 9 В через фильтр, образованный конденсаторами С8 и С9.
Детали и конструкция
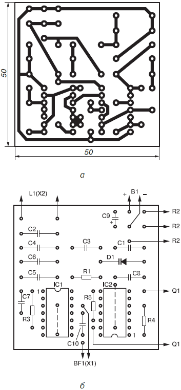
Все детали рассматриваемого прибора (за исключением поисковой катушки L1, резистора R2, разъемов Х1 и Х2, а также выключателя S1) расположены на печатной плате размерами 50х50 мм (рис. 3.13), изготовленной из одностороннего фольгированного гетинакса или текстолита.

Рис. 3.13. Печатная плата (а) и расположение элементов (б) металлоискателя с кварцевой стабилизацией
К деталям, применяемым в данном устройстве, не предъявляются какие-либо особые требования. Рекомендуется использовать любые малогабаритные конденсаторы и резисторы, которые без проблем можно разместить на печатной плате. При этом плата рассчитана на установку постоянных резисторов типа МЛТ-0,125 или других малогабаритных (например МЛТ-0,25 или ВС-0,125). Конденсаторы С2, С3, С5 и С7 могут быть типа КТ-1, конденсаторы С4, С7, С8 и С10 – типа КМ-4 или К10-7В, а конденсатор С9 – типа К50-6.
Переменный резистор R2 может быть любым малогабаритным, однако в качестве такого регулятора не рекомендуется использовать резисторы, механически соединенные с выключателем питания S1.
Кварцевый резонатор Q1 смонтирован на отдельной плате из стеклотекстолита, закрепленной параллельно основной со стороны деталей. Его частота может быть любой в пределах 0,5–1,8 МГц. Однако в том случае, если будет использоваться кварц с частотой резонанса больше 1 МГц, в некоторых источниках рекомендуется между выходом буферного элемента IC2.3 (вывод IC2/10) и соответствующим входом смесителя на элементе IC1.4 (вывод IC1/13) включить делитель частоты, понижающий образцовую частоту до 0,5–1 МГц. Такой делитель можно выполнить на микросхеме серии К176 или К561.
Поисковая катушка L1 содержит 50 витков провода ПЭЛШО диаметром 0,27 мм и выполнена в виде кольца диаметром 180–220 мм. Эту катушку проще изготовить на жестком каркасе, однако можно обойтись и без него. В таком случае в качестве временного каркаса можно использовать любой подходящий по размерам круглый предмет. Витки катушки наматываются внавал, после чего снимаются с каркаса и с целью повышения механической прочности пропитываются эпоксидным клеем. Затем катушка L1 экранируется электростатическим экраном, представляющим незамкнутую ленту из алюминиевой фольги, намотанную поверх жгута витков. Щель между началом и концом намотки ленты (зазор между концами экрана) должна составлять не менее 15–20 мм. При изготовлении катушки L1 нужно особенно следить за тем, чтобы не произошло замыкание концов экранирующей ленты, поскольку в этом случае образуется короткозамкнутый виток. Для защиты от повреждений фольгу можно обмотать одним-двумя слоями изоляционной ленты.
Источником звуковых сигналов могут служить высокоомные головные телефоны типа ТОН-2, ТА-4 или аналогичные.
В качестве источника питания В1 можно использовать, например, батарейку «Крона» или две батарейки типа 3336Л, соединенные последовательно.
Печатная плата с расположенными на ней элементами и источник питания размещаются в любом подходящем металлическом корпусе. На крышке корпуса устанавливаются переменный резистор R2, разъем Х1 для подключения головных телефонов BF1, разъем Х2 для подключения поисковой катушки L1 и выключатель S1.
Налаживание
Данный прибор следует настраивать в условиях, когда металлические предметы удалены от поисковой катушки L1 на расстояние не менее 1,5 м.
Процесс настройки металлоискателя заключается в настройке измерительного генератора на частоту 100–200 кГц, что осуществляется подбором величины емкости конденсатора С2. При этом движок переменного резистора R2 должен находиться в среднем положении. Частота измерительного генератора контролируется частотомером на выходе элемента IC1.3 (вывод IC1/10). Контроль правильности выбранного значения частоты измерительного генератора осуществляется прослушиванием сигнала разностной частоты в головных телефонах. Этот сигнал должен быть достаточно громким при возможно большем соотношении частот опорного и измерительного генераторов. При необходимости для оценки амплитуды сигнала биений можно использовать осциллограф.
Порядок работы
При практическом использовании данного прибора следует переменным резистором С1 поддерживать необходимую частоту сигнала биений, которая может изменяться под влиянием различных факторов (например при изменении магнитных свойств грунта, температуры окружающей среды или разряде батареи).
Если в процессе работы в зоне действия поисковой катушки L1 окажется какой-либо металлический предмет, то частота сигнала в телефонах изменится. При приближении к одним металлам частота сигнала биений будет увеличиваться, при приближении к другим – уменьшаться. По изменению тона сигнала биений, имея определенный опыт, можно легко определить, из какого металла, магнитного или немагнитного, изготовлен обнаруженный предмет.
С помощью данного прибора мелкие предметы (например монету средних размеров) можно обнаружить на глубине до 80-100 мм, а крышку канализационного люка – на глубине до 55–65 см.
Более 800 000 книг и аудиокниг! 📚
Получи 2 месяца Литрес Подписки в подарок и наслаждайся неограниченным чтением
ПОЛУЧИТЬ ПОДАРОК