2.4. Металлоискатель со светодиодной индикацией
Много лет назад в журнале «Funkamateur» (1980, № 1), издававшемся в существовавшей тогда ГДР, была опубликована схема оригинального прибора, предназначенного для обнаружения в стенах скрытой электропроводки или водопроводных труб. После незначительных изменений, внесенных в схему и конструкцию этого устройства, его вполне можно использовать в качестве простого металлоискателя со светодиодной индикацией.
Следует отметить, что данный прибор, к сожалению, не позволяет определять примерные габариты и глубину залегания обнаруженного предмета, а также вид металла, из которого он изготовлен.
Принципиальная схема
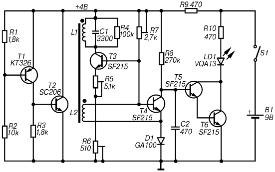
Предлагаемая вниманию читателей конструкция представляет собой один из вариантов металлодетекторов типа FM (Frequency Meter), то есть является устройством, в основу которого положен принцип анализа девиации частоты опорного генератора под влиянием металлических предметов, попавших в зону действия поисковой катушки. При этом решение о наличии металлического предмета принимается по срыву колебаний ВЧ-генератора, регистрируемому специальным приемником и фиксируемому визуально. Главными отличительными особенностями данного прибора можно считать интересное схемотехническое решение анализатора, а также использование светодиода в качестве индикатора (рис. 2.9).

Рис. 2.9. Принципиальная схема металлоискателя со светодиодной индикацией
Основу схемы предлагаемого металлодетектора составляют ВЧ-генератор, детектор ВЧ колебаний, усилитель постоянного тока с индикатором на светодиоде и стабилизатор питающего напряжения. Генератор высокой частоты выполнен на транзисторе Т3, в коллекторную цепь которого включен колебательный контур, состоящий из катушки L1 и конденсатора С1, зашунтированных резистором R4. Рабочая частота ВЧ-генератора составляет около 100 кГц и определяется индуктивностью катушки L1, которая одновременно является поисковой катушкой, и емкостью конденсатора С1.
При отсутствии в зоне действия катушки L1 металлических предметов ВЧ-сигнал, возбуждаемый в катушке связи L2, детектируется специальным детектором, в качестве которого используется эмиттерный переход транзистора Т4. При этом транзистор Т4 открывается. В результате, транзисторы Т5 и Т6, на которых собран усилитель постоянного тока, будут закрыты, а светодиод LD1 не светится.
После того как вблизи поисковой катушки L1 окажется металлический предмет, ее индуктивность изменится. Это приведет к срыву колебаний ВЧ-генератора, что будет сразу зарегистрировано транзистором Т4, который закроется. При этом транзисторы Т5 и Т6 откроются, а светодиод LD1 начнет светиться.
Питание металлоискателя со светодиодной индикацией осуществляется от источника В1 напряжением 9 В. При этом питающее напряжение стабилизируется специальной схемой, выполненной на транзисторах Т1 и Т2, которая представляет собой параллельный стабилизатор напряжения.
Детали и конструкция
Как и в предыдущей конструкции, для изготовления рассматриваемого металлоискателя можно использовать любую макетную плату. Поэтому к используемым деталям не предъявляются какие-либо ограничения, связанные с габаритными размерами. Монтаж может быть как навесной, так и печатный.
Катушки L1 и L2 наматываются виток к витку на круглом ферритовом сердечнике от магнитной антенны транзисторного радиоприемника. При этом катушка L1 содержит 120 витков, а катушка L2 – 45 витков провода ПЭВ-2 диаметром 0,3 мм. Необходимо отметить, что чувствительность металлоискателя зависит от длины применяемого ферритового стержня. Чем длиннее ферритовый сердечник, тем выше чувствительность устройства.
Вместо транзисторов типа SF215, указанных на схеме (рис. 2.9), в данной конструкции можно использовать практически любые отечественные кремниевые маломощные транзисторы с коэффициентом усиления не менее 100. Вместо диода типа GA100 рекомендуется применять любой германиевый диод серий Д2 или Д9, а светодиод типа VQA13 без проблем можно заменить, например, светодиодом АЛ102.
Схему предлагаемого металлодетектора можно значительно упростить, если вместо параллельного стабилизатора напряжения, выполненного на элементах Т1, Т2 и Rl—R3, установить стабилитрон КС139 или любой интегральный стабилизатор на напряжение 4 В.
В качестве источника питания В1 можно использовать, например, батарейку «Крона» или две батарейки 3336Л, соединенные последовательно.
Плата с расположенными на ней элементами и источник питания размещаются в любом подходящем пластмассовом или деревянном корпусе. На крышке корпуса размещаются светодиод LD1 и выключатель питания S1. Эти элементы соединяются с платой гибким многожильным проводом. Корпус прибора можно расположить на конце любой удобной ручки.
К нижней части корпуса с внутренней стороны прикрепляется ферритовый стержень с установленными на нем поисковой катушкой L1 и катушкой связи L2. При этом провода, идущие от катушек к плате, должны быть как можно короче. Ферритовый стержень с катушками можно расположить и в специальном чехле, изготовленном из изоляционного материала. В качестве такого чехла автор много лет назад использовал пластмассовый футляр для зубной щетки, который был приклеен с внешней стороны к нижней части корпуса металлоискателя.
Налаживание
Главным условием, обеспечивающим качественную настройку данного прибора, является отсутствие крупногабаритных металлических предметов на расстоянии не менее одного метра от поисковой катушки L1.
Налаживание металлодетектора следует начать с установки такого режима работы ВЧ-генератора, при котором возбуждаемые колебания были бы на грани срыва. Для этого сначала подстройкой резисторов R5 и R7 следует добиться возбуждения колебаний ВЧ, при которых светодиод начнет светиться. Предварительно движок подстроечного резистора R6 надо установить в среднее положение. Затем, медленно вращая движок резистора R6, необходимо добиться, чтобы светодиод погас.
Если теперь к ферритовому стержню приблизить металлический предмет, светодиод вспыхнет вновь. Регулировку желательно повторить несколько раз, стараясь найти такие положения движков подстроечных резисторов R5 и R7, при которых достигается максимальная чувствительность прибора.
Порядок работы
Порядок работы с рассматриваемым устройством прост и не нуждается в дополнительных пояснениях. При приближении поисковой катушки L1 к металлическому предмету светодиод должен начать светиться.
В соответствии с данными, приведенными в первоисточнике, этот металлоискатель должен обладать следующей чувствительностью: крупные металлические предметы, например батареи центрального отопления, можно обнаружить на расстоянии 200 мм, мелкие металлические предметы (ножницы) – на расстоянии 50 мм, а медный силовой кабель – на расстоянии 40 мм. Помимо этого на маленькую отвертку прибор должен начинать реагировать с расстояния 30 мм, на маленький гвоздь, вбитый в стену, – с расстояния 20 мм, а на медный телефонный провод – с расстояния 10 мм.
Необходимо отметить, что параметры образца, изготовленного по приведенной схеме, были меньше указанных примерно на 25–30 %.
Более 800 000 книг и аудиокниг! 📚
Получи 2 месяца Литрес Подписки в подарок и наслаждайся неограниченным чтением
ПОЛУЧИТЬ ПОДАРОК