3.6. Металлоискатель на трех микросхемах
В предыдущих разделах данной главы, при рассмотрении конструкций металлодетекторов типа BFO (Beat Frequency Oscillator), в которых опорный и измерительный генераторы были собраны на элементах одной микросхемы, уже отмечались недостатки, свойственные подобным схемотехническим решениям. В первую очередь к ним относится возникновение паразитных связей между отдельными элементами внутри кристалла микросхемы, устранить которые практически невозможно. Именно поэтому в таких металлоискателях приходится выбирать частоту биений более 100–300 Гц, что неизбежно приводит к снижению чувствительности прибора. Поэтому все более популярными становятся устройства, работающие на основе анализа сигнала биений, в которых опорный и измерительный генераторы собраны на отдельных микросхемах.
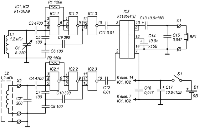
Принципиальная схема
Предлагаемый прибор представляет собой один из вариантов металлодетекторов типа BFO (Beat Frequency Oscillator), то есть является устройством, в основу которого положен принцип анализа биений двух сигналов, близких по частоте. При этом в данной конструкции оценка изменения частоты биений осуществляется на слух.
Основу данного устройства (рис. 3.10) составляют опорный и измерительный генераторы, согласующие каскады, смеситель и схема акустической индикации.

Рис. 3.10. Принципиальная схема металлоискателя на трех микросхемах
В рассматриваемой конструкции в качестве опорного и измерительного генераторов использованы два простых LC-генератора. Схемотехнические решения этих генераторов практически идентичны. При этом опорный генератор собран на элементах IC1.1 и IC1.2 микросхемы IC1, а второй, измерительный или перестраиваемый, генератор выполнен на элементах IC2.1 и IC2.2 микросхемы IC2. Рабочая частота опорного генератора определяется параметрами элементов, образующих его колебательный контур, то есть емкостями конденсаторов С1, С3, С5 и С6, а также индуктивностью катушки L1. В контуре измерительного генератора используются конденсаторы С2, С4, С7, С8 и поисковая катушка L2. При этом оба генератора настроены на рабочую частоту примерно 300 кГц.
Каскады, выполненные на элементах IC1.3 и IC2.3, обеспечивают развязку между генераторами по переменному напряжению, а также ослабляют влияние смесителя на генераторы.
С выходов буферных каскадов сигналы ВЧ через конденсаторы С11 и С12 подаются на смеситель и далее на усилитель колебаний разностной частоты, которые выполнены на микросхеме IC3.
Затем сигнал биений поступает на головные телефоны BF1. При этом конденсатор С15 обеспечивает фильтрацию высокочастотной составляющей сигнала.
Питание на микросхемы подается от источника В1 напряжением 9 В через фильтр, образованный конденсаторами С16 и С17.
При приближении поисковой катушки L2 колебательного контура перестраиваемого генератора к металлическому предмету ее индуктивность изменяется, что вызывает изменение рабочей частоты генератора. Если вблизи катушки L2 находится предмет из магнитного металла, ее индуктивность увеличивается, что приводит к уменьшению частоты генератора. Цветной металл уменьшает индуктивность катушки L2, а рабочая частота генератора возрастает. По изменению частоты сигнала биений в головных телефонах можно сделать вывод о появлении в зоне действия поисковой катушки металлического предмета, а по увеличению или понижению тона – из какого металла изготовлен обнаруженный предмет.
Детали и конструкция
Все детали рассматриваемого металлоискателя (за исключением поисковой катушки L2, разъемов Х1 и Х2, а также выключателя S1) расположены на печатной плате размерами 60х50 мм (рис. 3.11), изготовленной из одностороннего фольгированного гетинакса или текстолита.

Рис. 3.11. Печатная плата (а) и расположение элементов (б) металлоискателя на трех микросхемах
К деталям, применяемым в данном устройстве, не предъявляются какие-либо особые требования. Рекомендуется использовать любые малогабаритные конденсаторы и резисторы, которые без проблем можно разместить на печатной плате. При этом плата рассчитана на установку постоянных резисторов типа МЛТ-0,125 или других малогабаритных (например МЛТ-0,25 или ВС-0,125). Конденсаторы С2, С5-С7 и С8 могут быть типа КТ-1, конденсаторы С3, С4, С9-С12, С15 и С16 – типа КМ-4 или К10-7В, а конденсаторы С13 и С17 – типа К50-6.
В качестве конденсатора С1 рекомендуется использовать любой конденсатор переменной емкости от малогабаритного радиоприемника (например, от транзисторного приемника «Планета»). Можно использовать и подстроечные конденсаторы типа КПК-3 емкостью 25-150 пФ. Максимальная емкость конденсатора С1 должна быть не менее 200 пФ.
Катушка L1 контура опорного генератора выполнена на каркасе из кольцевого магнитопровода типа 600НН К8х6х2 и содержит 50 витков провода ПЭЛШО диаметром 0,2 мм, которые равномерно наматываются по всему периметру магнитопровода.
Поисковая катушка L2 содержит 50 витков провода ПЭЛШО диаметром 0,27 мм и выполнена в виде кольца диаметром 180–220 мм. Эту катушку проще изготовить на жестком каркасе, однако можно обойтись и без него. В таком случае в качестве временного каркаса можно использовать любой подходящий по размерам круглый предмет.
Витки катушки наматываются внавал, после чего снимаются с каркаса и с целью повышения механической прочности пропитываются эпоксидным клеем. Затем катушка L2 экранируется электростатическим экраном, представляющим незамкнутую ленту из алюминиевой фольги, намотанную поверх жгута витков. Щель между началом и концом намотки ленты (зазор между концами экрана) должна составлять не менее 15–20 мм.
При изготовлении катушки L2 нужно особенно следить за тем, чтобы не произошло замыкание концов экранирующей ленты, поскольку в этом случае образуется короткозамкнутый виток. Для защиты от повреждений фольгу можно обмотать одним-двумя слоями изоляционной ленты.
Источником звуковых сигналов могут служить высокоомные головные телефоны типа ТОН-2, ТА-4 или аналогичные.
В качестве источника питания В1 можно использовать, например, батарейку «Крона» или две батарейки типа 3336Л, соединенные последовательно.
Печатная плата с расположенными на ней элементами и источник питания размещаются в любом подходящем металлическом корпусе. На крышке корпуса устанавливаются: разъем Х1 для подключения головных телефонов BF1, разъем Х2 для подключения поисковой катушки L2 и выключатель S1.
Налаживание
Данный металлоискатель следует настраивать в условиях, когда металлические предметы удалены от поисковой катушки L2 на расстояние не менее 1,5 м.
Непосредственная настройка прибора заключается в выборе нужной частоты биений. Для этого рекомендуется воспользоваться осциллографом или цифровым частотомером. В первую очередь следует установить частоту опорного генератора, контролируя ее значение на выводе 10 микросхемы IC1. Частота опорного генератора устанавливается равной примерно 300 кГц подбором емкостей конденсаторов С5 и С6, а также, при необходимости, регулировкой сердечника катушки L1. Предварительно ротор конденсатора С1 следует установить примерно в среднее положение. Далее, подбирая емкость конденсатора С2, следует установить частоту измерительного генератора, контролируя ее значение на выводе 10 микросхемы IC2. При этом частота измерительного генератора выбирается так, чтобы ее значение отличалось от частоты опорного генератора примерно на 500-1000 Гц.
На этом процесс настройки прибора заканчивается.
Порядок работы
Практическое использование рассматриваемого металлодетектора не имеет существенных отличий от порядка работы с другими устройствами BFO, в которых оценка наличия металлического предмета в зоне действия поисковой катушки осуществляется на слух.
Если в процессе работы в зоне действия поисковой катушки L2 окажется какой-либо металлический предмет, то частота сигнала биений в головных телефонах изменится. При приближении к одним металлам частота сигнала будет увеличиваться, при приближении к другим – уменьшаться. По изменению тона сигнала биений, имея определенный опыт, можно легко определить, из какого металла, магнитного или немагнитного, изготовлен обнаруженный предмет.
Переменным конденсатором С1 поддерживается необходимая частота сигнала биений, которая может изменяться под влиянием различных факторов (например при изменении магнитных свойств грунта, температуры окружающей среды или разряде батареи).
С помощью данного прибора мелкие предметы (например монету средних размеров) можно обнаружить на глубине до 60–70 мм, а крышку канализационного люка – на глубине до 0,5 м.
Более 800 000 книг и аудиокниг! 📚
Получи 2 месяца Литрес Подписки в подарок и наслаждайся неограниченным чтением
ПОЛУЧИТЬ ПОДАРОК