Глава 27. Источники питания

ЦЕЛИ

После изучения этой главы студент должен быть в состоянии:

• Объяснить назначение источника питания.

• Начертить блок-схему цепей и частей источника питания.

• Описать три различных схемы выпрямителей.

• Объяснить назначение фильтра.

• Описать два основных типа регуляторов напряжения и объяснить их работу.

• Объяснить назначение умножителя напряжения.

• Перечислить устройства защиты от превышения напряжения и тока.

Блоки питания используются для подачи напряжения на различные цепи. Принципы работы всех блоков питания одинаковы.

Главной функцией блока питания является преобразование переменного тока в постоянный. Блок питания может увеличивать или уменьшать величину входного переменного напряжения с помощью трансформатора.

Переменное напряжение требуемой величины преобразуется в постоянное напряжение с помощью процесса, который называется выпрямлением. Выпрямленное напряжение еще содержит переменную составляющую, которая называется пульсацией. От пульсаций избавляются с помощью фильтра.

Для обеспечения неизменной величины выходного напряжения используется стабилизатор напряжения. Он удерживает выходное напряжение на постоянном уровне.

27-1. ТРАНСФОРМАТОРЫ

Трансформаторы используются в блоках питания для изоляции блока питания от источника переменного напряжения. Они также применяются для повышения напряжения, если требуется более высокое напряжение, и для понижения напряжения, если требуется более низкое.

Если трансформаторы используются в блоках питания, то источник переменного напряжения подсоединяется только к первичной обмотке трансформатора. Таким образом электрические цепи изолируются от сети переменного тока.

При выборе трансформатора сначала надо определить напряжение первичной обмотки. Первичные обмотки у большинства трансформаторов рассчитаны на напряжения от 110 до 120 вольт или от 220 до 240 вольт. Потом надо уточнить частоту, на которой будет работать трансформатор. Рабочими частотами трансформатора могут быть 50 или 60 герц, 400 герц и 10 000 герц. Затем следует определить напряжение вторичной обмотки и ток, на который она рассчитана. И наконец, надо определить общую расчетную мощность трансформатора в вольт-амперах, что позволит оценить мощность, которая может быть передана во вторичную обмотку трансформатора. Она измеряется в вольт-амперах, так как ко вторичной обмотке может быть подсоединена нагрузка любого типа.

27-1. Вопросы

1. Почему в блоках питания используются трансформаторы?

2. Как подсоединяется трансформатор в блоке питания?

3. Какие важные соображения необходимо принять во внимание при выборе трансформатора для блока питания?

4. Как оценивается мощность трансформатора?

27-2. ВЫПРЯМИТЕЛИ

Выпрямитель — это сердце блока питания. Его функция — преобразование входного переменного напряжения в постоянное напряжение. В блоках питания применяются три основные схемы выпрямителей: однополупериодная, двухполупериодная и мостовая.

На рис. 27-1 изображена схема однополупериодного выпрямителя. Диод размещен последовательно с нагрузкой. Из-за наличия диода ток в цепи течет только в одном направлении.

Рис. 27-1. Основная схема однополупериодного выпрямителя.

На рис. 27-2 показан результат работы однополупериодного выпрямителя в течение положительного полупериода синусоиды. Диод смещен в прямом направлении, что позволяет току течь через нагрузку. При этом в течение положительного полупериода на нагрузке выделяется мощность.

Рис. 27-2. Однополупериодный выпрямитель в течение положительного полупериода.

На рис. 27-3 представлен результат работы однополупериодного выпрямителя в течение отрицательного полупериода синусоиды. Диод теперь смещен в обратном направлении и не проводит ток. Так как через нагрузку не течет ток, то на ней нет и падения напряжения.

Рис. 27-3. Однополупериодный выпрямитель в течение отрицательного полупериода.

Однополупериодный выпрямитель работает только в течение одной половины периода. Выходное напряжение представляет собой последовательность положительных или отрицательных импульсов, в зависимости от того, как диод включен в цепь. Частота импульсов такая же, как и частота входного напряжения. Частота импульсов называется частотой пульсаций.

Полярность выходного напряжения зависит от того, каким способом диод включен в цепь (рис. 27-4).

Рис. 27-4. Диод определяет направление тока.

Ток электронов течет через диод от катода к аноду. Когда ток течет через диод, на выводе катода возникает дефицит электронов, делая этот вывод диода положительным. Полярность выходного напряжения блока питания может быть изменена путем изменения способа включения диода.

Однополупериодный выпрямитель имеет серьезный недостаток, так как ток через него течет только в течение половины каждого периода. Чтобы избавиться от этого недостатка, используется двухполупериодный выпрямитель.

На рис. 27-5 изображена схема двухполупериодного выпрямителя. Для этой схемы требуются два диода и трансформатор с выводом от середины вторичной обмотки. Этот вывод от середины обмотки заземлен. Напряжение на каждом выводе вторичной обмотки трансформатора сдвинуто по фазе на 180 градусов относительно друг друга.

Рис. 27-5. Основная схема двухполупериодного выпрямителя.

На рис. 27-6 изображено, как двухполупериодный выпрямитель работает в течение положительного полупериода входного напряжения. На аноде диода D1 положительный потенциал, а на аноде диода D2 — отрицательный.

Рис. 27-6. Двухполупериодный выпрямитель в течение положительного полупериода.

Диод D1 смещен в прямом направлении и проводит ток. Диод D2 смещен в обратном направлении и не проводит ток.

Ток течет от центрального вывода трансформатора через нагрузку и диод D1 к верхнему выводу вторичной обмотки трансформатора. Это позволяет ему во время положительного полупериода проходить на нагрузку.

На рис. 27-7 тот же двухполупериодный выпрямитель работает в течение отрицательного полупериода синусоиды.

Рис. 27-7. Двухполупериодный выпрямитель в течение отрицательного полупериода.

На аноде диода D2 появился положительный потенциал, а на аноде диода D1 — отрицательный. Теперь диод D2 смещен в прямом направлении и проводит ток. Диод D1 смещен в обратном направлении и не проводит ток. Ток течет от центрального вывода трансформатора через нагрузку и диод D2 к нижнему выводу вторичной обмотки трансформатора.

Таким образом, в двухполупериодном выпрямителе ток течет в течение обоих полупериодов. Это означает, что частота пульсаций в два раза больше частоты входного переменного тока.

Недостатком двух полу периодного выпрямителя является то, что его выходное напряжение в два раза меньше выходного напряжения однополупериодного выпрямителя, использующего такой же трансформатор. Этот недостаток преодолевается при использовании мостовой схемы выпрямителя.

На рис. 27-8 изображена мостовая схема выпрямителя. Четыре диода включены таким образом, что ток через нагрузку течет только в одном направлении.

Рис. 27-8. Схема мостового выпрямителя

На рис. 27-9 показано прохождение тока в течение положительного полупериода входного сигнала. Ток течет от нижнего вывода вторичной обмотки трансформатора через диод D4, через нагрузку, через диод D2 к верхнему выводу вторичной обмотки трансформатора. Все напряжение падает на нагрузке.

Рис. 27-9. Мостовой выпрямитель в течение положительного полупериода.

На рис. 27–10 показано прохождение тока в течение отрицательного полупериода входного сигнала. На верхнем выводе вторичной обмотки отрицательный потенциал, а на нижнем — положительный. Ток течет от верхнего вывода вторичной обмотки через диод через нагрузку, через диод D3 к нижнему выводу вторичной обмотки. Заметим, что ток течет через нагрузку в том же направлении, что и в течение положительного полупериода. И опять все напряжение падает на нагрузке.

Рис. 27–10. Мостовой выпрямитель в течение отрицательного полупериода.

Мостовой выпрямитель является двухполупериодным выпрямителем, так как он работает в течение обоих полупериодов входного синусоидального напряжения. Преимуществом мостового выпрямителя является то, что он не требует трансформатора с выводом от середины вторичной обмотки. Эта цепь также не требует для своей работы трансформатора. Трансформатор используется только для повышения или понижения напряжения или для обеспечения изоляции от источника переменного напряжения.

Перечислим различия выпрямителей. Преимуществом однополупериодного выпрямителя является его простота и низкая стоимость. Для него требуется один диод и трансформатор. Он не очень эффективен, так как использует только половину входного сигнала. Кроме того, его применение ограничено цепями с малыми токами.

Двухполупериодный выпрямитель более эффективен, чем однополупериодный. Он работает в течение обоих полупериодов синусоиды. Более высокая частота пульсаций двухполупериодного выпрямителя облегчает фильтрацию.

Недостатком его является то, что для него требуется трансформатор с отводом от середины вторичной обмотки. Его выходное напряжение ниже, чем у однополупериодного выпрямителя при использовании такого же трансформатора, так как в течение каждого полупериода работает только половина обмотки.

Мостовой выпрямитель может работать без трансформатора. Однако трансформатор бывает необходим для повышения или понижения напряжения. Выходное напряжение у него выше, чем у однополупериодного или двухполупериодного выпрямителей. Недостатком является то, что для него требуются четыре диода. Однако диоды дешевле трансформатора с выводом от середины вторичной обмотки.

27-2. Вопросы

1. Каково назначение выпрямителя в блоке питания?

2. Каковы три схемы выпрямителей, используемых в блоках питания?

3. В чем отличия в работе этих трех схем?

4. Каковы преимущества одного выпрямителя перед другим?

5. Какая схема выпрямителя является лучшей? Почему?

27-3. ЦЕПИ ФИЛЬТРАЦИИ

Выпрямитель выдает пульсирующее напряжение постоянного тока, которое не годится для питания большинства электронных цепей, поэтому в блоках питания, как правило, после выпрямителя стоит фильтр. Фильтр преобразует пульсирующее напряжение в гладкое напряжение постоянного тока.

Простейшим фильтром является конденсатор, включенный параллельно выходу выпрямителя (рис. 27–11). На рис. 27–12 сравнивается выходное напряжение выпрямителя без фильтра и с фильтрующим конденсатором.

Рис. 27–11. Однополупериодный выпрямитель с емкостным фильтром.

Рис. 27–12. Выходное напряжение однополупериодного выпрямителя без фильтра и с фильтрующим конденсатором.

Конденсатор работает в такой цепи следующим образом.

Когда на аноде диода положительный потенциал, по цепи течет ток. В это время фильтрующий конденсатор заряжается в полярности, показанной на рис. 27–11. За четверть периода входного сигнала конденсатор заряжается до максимального потенциала цепи.

Когда напряжение входного сигнала начинает падать, конденсатор разряжается через нагрузку. Скорость разряда конденсатора зависит от постоянной времени RC, а, следовательно, от сопротивления нагрузки. Постоянная времени разряда велика по сравнению с периодом переменного тока. Следовательно, период заканчивается раньше, чем конденсатор может разрядиться. Поэтому после первой четверти периода ток через нагрузку поддерживается разряжающимся конденсатором. Как только конденсатор начинает разряжаться, напряжение на нем уменьшается. Однако до того, как конденсатор полностью разрядится, начнется следующий период синусоиды. На аноде диода опять появится положительный потенциал, что позволит ему проводить ток. Конденсатор зарядится снова, и цикл повторится. В результате, пульсации напряжения сгладятся, и выходное напряжение фактически повысится (рис. 27–13).

Рис. 27–13. Влияние фильтрующих конденсаторов различной емкости на выходное напряжение однополупериодного выпрямителя.

Чем больше емкость конденсатора, тем больше постоянная времени RC. Это приводит к более медленному разряду конденсатора, что повышает выходное напряжение.

Наличие конденсатора позволяет диоду в цепи проводить ток в течение короткого периода времени. Когда диод не проводит, конденсатор обеспечивает нагрузку током. Если нагрузка потребляет большой ток, то должен использоваться конденсатор большой емкости.

Емкостной фильтр в двухполупериодном или мостовом выпрямителе ведет себя точно так же, как и описанные емкостной фильтр в однополупериодном выпрямителе. На рис. 27–14 показано выходное напряжение двухполупериодного или мостового выпрямителя. Частота пульсаций этого напряжения вдвое больше, чем у однополупериодного выпрямителя.

Рис. 27–14. Влияние фильтрующих конденсаторов различной емкости на выходное напряжение двухполупериодного или мостового выпрямителя.

Когда к выходу выпрямителя подсоединяется емкостной фильтр, конденсатор не успевает сильно разрядиться до начала следующего импульса.

Выходное напряжение достаточно высокое. Если используется конденсатор большой емкости, то выходное напряжение равно максимальному напряжению входного сигнала. Следовательно, конденсатор лучше фильтрует напряжение в двухполупериодной цепи, чем в однополупериодной.

Назначение фильтрующего конденсатора — сглаживание пульсаций постоянного напряжения выпрямителя. Качество работы фильтра определяется величиной пульсаций, остающихся в постоянном напряжении. Величину пульсаций можно уменьшить путем использования конденсатора большей емкости или-путем увеличения сопротивления нагрузки. Обычно сопротивление нагрузки определяется при расчете цепи. Следовательно, емкость фильтрующего конденсатора диктуется допустимой величиной пульсаций.

Необходимо отметить, что фильтрующий конденсатор создает дополнительную нагрузку на диоды, используемые в выпрямителе. На рис. 27–15 изображены однополупериодный и двухполупериодный выпрямители с фильтрующим конденсатором.

Рис. 27–15. Однополупериодный выпрямитель (А) и двухполупериодный выпрямитель (В) с фильтрующим конденсатором.

Конденсатор заряжается до максимального значения напряжения вторичной обмотки и удерживает это значение в течение всего цикла входного напряжения. Когда диод становится смещенным в обратном напряжении, он запирается, и максимальное отрицательное напряжение попадает на анод диода. Фильтрующий конденсатор удерживает максимальное положительное напряжение на катоде диода. Разность потенциалов на диоде в два раза превышает максимальное значение напряжения вторичной обмотки. Для выпрямителя должен быть выбран диод, выдерживающий такое напряжение.

Максимальное напряжение, которое может выдержать диод, будучи смещенным в обратном направлении, называется импульсным обратным напряжением диода. Импульсное обратное напряжение диода, выбранного для выпрямителя, должно быть выше, чем удвоенное максимальное напряжение вторичной обмотки. В идеале диод должен работать при 80 % номинального значения обратного напряжения для того, чтобы выдержать изменения входного напряжения. Это касается как однополупериодного, так и двухполупериодного выпрямителя. Но это не так для мостового выпрямителя.

К диодам в мостовом выпрямителе никогда не прикладывается напряжение, большее чем максимальное напряжение вторичной обмотки. На рис. 27–16 ни к одному из диодов не приложено напряжение, превышающее максимальное значение входного сигнала. Использование диодов с более низкими значениями импульсного обратного напряжения является еще одним преимуществом мостового выпрямителя.

Рис. 27–16. Мостовой выпрямитель с фильтрующим конденсатором.

27-3. Вопросы

1. Каково назначение фильтра в блоке питания?

2. Какова простейшая конфигурация фильтра?

3. Что такое частота пульсаций?

4. Как выбирается конденсатор для фильтра?

5. Какие неблагоприятные эффекты возникают при подключении фильтра?

27-4. РЕГУЛЯТОРЫ И СТАБИЛИЗАТОРЫ НАПРЯЖЕНИЯ

Выходное напряжение блока питания может изменяться по двум причинам. Во-первых, может изменяться входное напряжение блока питания, что приводит к увеличению или уменьшению выходного напряжения. Во-вторых, сопротивление нагрузки, что приводит к изменению потребляемого тока.

Многие цепи рассчитаны на работу при определенном напряжении. Если напряжение меняется, это может влиять на работу цепи. Следовательно, блок питания должен обеспечивать выходное напряжение постоянной величины, независимо от изменения нагрузки или входного напряжения. Для того, чтобы этого добиться, после фильтра ставят регулятор или стабилизатор напряжения.

Существует два основных типа регуляторов напряжения: параллельные регуляторы и последовательные регуляторы. Их названия соответствуют методу их соединения с нагрузкой. Параллельный регулятор подключается к нагрузке параллельно. Последовательный регулятор подсоединяется к нагрузке последовательно. Последовательные регуляторы более популярны, чем параллельные, так как они более эффективны и рассеивают меньшую мощность. Параллельный регулятор также работает в качестве управляющего устройства, защищая регулятор от короткого замыкания в нагрузке.

На рис. 27–17 показана регулирующая цепь на основе стабилитрона. Это параллельный регулятор.

Рис. 27–17. Стабилизирующая цепь на основе стабилитрона.

Стабилитрон соединен последовательно с резистором. Входное постоянное напряжение прикладывается к стабилитрону и резистору и смещает стабилитрон в обратном направлении. Резистор позволяет протекать малому току и поддерживать стабилитрон в области пробоя. Входное напряжение должно быть выше, чем напряжение стабилизации стабилитрона. Падение напряжения на стабилитроне равно напряжению стабилизации стабилитрона. Падение напряжения на резисторе равно разности между входным напряжением и напряжением стабилизации стабилитрона.

Цепь, изображенная на рис. 27–17, обеспечивает постоянное выходное напряжение при изменениях входного напряжения. Любое изменение напряжения проявляется в виде изменения падения напряжения на резисторе. Сумма падений напряжения должна равняться входному напряжению. Выходное напряжение может быть увеличено или уменьшено путем замены стабилитрона и последовательно включенного резистора.

Ток через нагрузку определяется сопротивлением нагрузки и выходным напряжением. Через последовательно включенный резистор течет суммарный ток, состоящий из тока нагрузки и тока стабилитрона. Этот резистор должен быть тщательно подобран таким образом, чтобы ток через стабилитрон удерживал его в области стабилизации.

Когда ток через нагрузку увеличивается, ток через стабилитрон уменьшается, и сумма этих токов поддерживает напряжение постоянным. Это позволяет цепи поддерживать постоянное выходное напряжение при изменениях выходного тока так же, как и при изменениях входного напряжения.

На рис. 27–18 изображена параллельная регулирующая цепь, использующая транзистор. Заметим, что транзистор Q1 включен параллельно нагрузке. Это защищает регулятор в случае короткого замыкания в нагрузке. Существуют более сложные параллельные регуляторы, которые используют больше одного транзистора.

Рис. 27–18. Параллельный стабилизатор, использующий транзистор.

Последовательный регулятор популярнее чем параллельный регулятор. Простейшим последовательным регулятором является переменный резистор, включенный последовательно с нагрузкой (рис. 27–19).

Рис. 27–19. Последовательный регулятор напряжения, использующий переменный резистор.

Сопротивление регулируется непрерывно для поддержания постоянного напряжения на нагрузке. При увеличении постоянного напряжения сопротивление увеличивают, чтобы на нем падало излишнее напряжение. Это сохраняет постоянное падение напряжения на нагрузке, так как избыточное напряжение падает на последовательно включенном резисторе.

Переменный резистор может компенсировать и изменения тока нагрузки. При увеличении тока нагрузки падение напряжения на переменном резисторе увеличивается.

Это приводит к уменьшению падения напряжения на нагрузке. Если в момент увеличения тока уменьшить сопротивление, то падение напряжения на переменном резисторе останется постоянным. В результате постоянным окажется и выходное напряжение, несмотря на изменения тока нагрузки.

На практике достаточно трудно вручную изменять сопротивление резистора для компенсации изменений напряжения и тока. Более эффективно заменить переменный резистор транзистором (рис. 27–20).

Рис. 27–20. Транзисторный последовательный регулятор напряжения, использующий переменный резистор, регулируемый вручную.

Транзистор включен таким образом, что через него течет ток нагрузки. Путем изменения тока базы транзистора можно управлять величиной тока, текущего через транзистор. Для того, чтобы сделать эту цепь саморегулирующейся, требуются дополнительные компоненты (рис. 27–21).

Рис. 27–21. Саморегулирующийся последовательный стабилизатор.

Эти компоненты позволяют транзистору автоматически компенсировать изменения входного напряжения и тока нагрузки.

На рис. 27–22 изображен простой последовательный стабилизатор.

Рис. 27–22. Последовательный стабилизатор.

На его вход подается нестабилизированное постоянное напряжение, а на его выходе получается стабилизированное постоянное напряжение меньшее по величине. Транзистор включен как эмиттерный повторитель, и поэтому здесь отсутствует обращение фазы между базой и эмиттером. Напряжение на эмиттере повторяет напряжение на базе. Нагрузка подключена между эмиттером транзистора и землей. Напряжение на базе транзистора устанавливается с помощью стабилитрона. Следовательно, выходное напряжение равно напряжению стабилизации стабилитрона за вычетом 0,7 вольта падения напряжения на переходе база-эмиттер.

Когда входное напряжение на транзисторе увеличивается, выходное напряжение также пытается увеличиться. Напряжение на базе транзистора установлено с помощью стабилитрона. Если на эмиттере появляется положительный потенциал больший, чем на базе, проводимость транзистора уменьшается. Когда транзистор уменьшает свою проводимость, это действует так же, как включение между входом и выходом большого резистора. Большая часть добавившегося входного напряжения падает на транзисторе и только малая его часть увеличит выходное напряжение.

Недостатком стабилизатора с эмиттерным повторителем является то, что стабилитрон должен быть рассчитан на достаточно высокую мощность, а стабилитроны большой мощности стоят дорого.

Наиболее популярным типом последовательных стабилизаторов является стабилизатор с обратной связью. Он содержит цепь обратной связи, контролирующую выходное напряжение. При изменениях выходного напряжения появляется управляющий сигнал. Этот сигнал управляет проводимостью транзистора. На рис. 27–23 изображена блок-схема стабилизатора с обратной связью.

Рис. 27–23. Блок-схема последовательного стабилизатора с обратной связью.

Нестабилизированное напряжение постоянного тока подается на вход стабилизатора. Более низкое стабилизированное постоянное напряжение появляется на выходе стабилизатора.

К выходу стабилизатора подключена цепь выбора напряжения. Цепь выбора напряжения — это делитель напряжения, который подает выходное напряжение для сравнения на цепь регистрации ошибок. Это напряжение изменяется при изменениях выходного напряжения.

Цепь регистрации ошибок сравнивает выходное напряжение с опорным напряжением. Для получения опорного напряжения используется стабилитрон. Разность между выходным и опорным напряжением называется напряжением ошибки. Напряжение ошибки усиливается усилителем ошибки. Усилитель ошибки управляет проводимостью последовательно включенного транзистора. Проводимость транзистора меняется в ту или иную сторону для компенсации изменений выходного напряжения.

На рис. 27–24 изображена схема стабилизатора напряжения с обратной связью. Резисторы R3, R4 и R5 — цепь выбора напряжения. Транзистор Q2 работает в качестве и регистратора, и усилителя ошибки. Стабилитрон D1 и резистор R1 задают опорное напряжение. Транзистор Q1 — последовательно включенный регулирующий транзистор. Резистор R2 является коллекторной нагрузкой транзистора Q2 и подает смещение на базу транзистора Q1.

Рис. 27–24. Последовательный стабилизатор с обратной связью.

Если выходное напряжение начинает увеличиваться, то увеличится и напряжение, передаваемое для сравнения. Это увеличит напряжение смещения на базе транзистора Q2. Напряжение на эмиттере транзистора Q2 удерживает постоянным стабилитрон Это приводит к увеличению проводимости транзистора Q2 и увеличению тока через резистор R2. Это, в свою очередь, приведет к уменьшению напряжения на коллекторе транзистора Q2 и на базе транзистора Q1. Теперь уменьшатся прямое смещение транзистора Q1 и его проводимость. Когда проводимость транзистора убывает, через него течет меньший ток. Это снижает падение напряжения на нагрузке и компенсирует увеличение напряжения.

Выходное напряжение может быть точно установлено с помощью потенциометра R4. Для увеличения выходного напряжения стабилизатора движок потенциометра R4 вращают в отрицательном направлении, что уменьшает напряжение выбора на базе транзистора Q2, снижая его прямое смещение. Это приводит к уменьшению проводимости транзистора и к увеличению напряжения на коллекторе транзистора Q2 и на базе транзистора Q1. Последнее увеличивает прямое смещение транзистора Q1 и его проводимость. Через нагрузку теперь будет течь больший ток, что увеличит выходное напряжение.

Серьезным недостатком последовательного стабилизатора является то, что транзистор включен последовательно с нагрузкой. Короткое замыкание в нагрузке приведет к большому току через транзистор, а это может вывести его из строя. Необходима цепь, поддерживающая ток, проходящий через транзистор, на безопасном уровне.

На рис. 27–25 изображена цепь, которая ограничивает ток через транзистор последовательного стабилизатора.

Рис. 27–25. Последовательный стабилизатор с обратной связью с цепью ограничения тока.

Как видно из рисунка, в цепь обратной связи добавлен последовательный регулятор напряжения. Транзистор Q3 и резистор R6 образуют цепь ограничения тока. Для того чтобы транзистор Q3 проводил, переход база-эмиттер должен быть смещен в прямом направлении напряжением не менее 0,7 вольта. Когда между базой и эмиттером приложено напряжение 0,7 вольта, транзистор начинает проводить.

Если R6 равно 1 ому, то ток, необходимый для получения на базе транзистора Q3 0,7 вольта, равен:

I = E/R = 0,7/1

I = 0,7 А или 700 мА.

Когда через нагрузку протекает ток, меньший 700 мА, напряжение база-эмиттер транзистора Q3 меньше, чем 0,7 В, и он закрыт. Когда транзистор Q3 закрыт, цепь работает так, как будто ее не существует. Когда ток превышает 700 мА, падение напряжения на резисторе R6 превышает 0,7 В. Это приводит к тому, что транзистор Q3 начинает проводить ток через резистор R2. Это уменьшает напряжение на базе транзистора Q1, и его проводимость уменьшается. Ток не может превышать 700 мА. Величина предельного тока может быть изменена путем изменения величины резистора R6. Увеличение R6 уменьшает величину предельного тока.

Последовательный стабилизатор с обратной связью имеет еще один недостаток — значительное количество компонентов. Эта проблема может быть решена путем использования стабилизатора на интегральной микросхеме.

Современные стабилизаторы на интегральных микросхемах дешевы и просты в применении. Большинство стабилизаторов на интегральных микросхемах имеют только три вывода (вход, выход и земля) и могут быть подсоединены непосредственно к выходу фильтра выпрямителя (рис. 27–26).

Рис. 27–26. Микросхема стабилизатора с тремя выводами.

Стабилизаторы на интегральных микросхемах обеспечивают широкий диапазон выходных напряжений как положительной, так и отрицательной полярности. Если стабилизатора с нужным напряжением нет среди стандартных микросхем, то существуют микросхемы стабилизаторов с регулируемым напряжением.

При выборе микросхемы стабилизатора необходимо знать напряжение и ток нагрузки, а также электрические характеристики нестабилизированного блока питания. Микросхемы стабилизаторов классифицируются по их выходному напряжению. Микросхемы стабилизаторов с фиксированным выходным напряжением имеют три вывода и обеспечивают только одно выходное напряжение. Существуют микросхемы стабилизаторов напряжения как положительной, так и отрицательной полярности. Двухполярные стабилизаторы напряжения обеспечивают и положительное и отрицательное напряжения. Микросхемы стабилизаторов с регулируемым напряжением существуют как в однополярном, так и в двухполярном вариантах. При использовании любых микросхем стабилизаторов напряжения обращайтесь к данным, предоставляемым производителем.

27-4. Вопросы

1. Каково назначение стабилизатора напряжения в блоке питания?

2. Каковы два основных типа стабилизаторов напряжения?

3. Стабилизаторы напряжения какого типа используются чаще?

4. Нарисуйте схему простого стабилизатора напряжения на стабилитроне и объясните, как она работает.

5. Нарисуйте блок-схему последовательного стабилизатора с обратной связью и объясните, как он работает.

27-5. УМНОЖИТЕЛИ НАПРЯЖЕНИЯ

Во всех случаях напряжение постоянного тока ограничено амплитудным значением входного синусоидального напряжения. Когда требуются более высокие постоянные напряжения, используется повышающий трансформатор. Однако более высокие постоянные напряжения могут быть получены и без повышающего трансформатора. Цепи, которые способны создавать высокие постоянные напряжения без помощи трансформатора, называются умножителями напряжения. Умножителями напряжения являются удвоитель напряжения и утроитель напряжения.

На рис. 27–27 изображен однополупериодный удвоитель напряжения. Он создает выходное постоянное напряжение, которое в два раза больше максимального значения входного сигнала.

Рис. 27–27. Однополупериодный удвоитель напряжения.

На рис. 27–28 изображена работа этой цепи в течение отрицательного полупериода входного сигнала. Диод D1 проводит, и ток течет по указанному пути. Конденсатор C1 заряжается до максимального напряжения входного сигнала. Поскольку путь разряда отсутствует, то конденсатор С1 остается заряженным.

Рис. 27–28. Однополупериодный удвоитель напряжения в течение отрицательного полупериода входного сигнала.

На рис. 27–29 изображен положительный полупериод входного сигнала. В этот момент конденсатор C1 заряжен до отрицательного максимального значения. Это запирает диод D1 и открывает диод D2, что позволяет диоду D2 проводить, заряжая конденсатор С2. Поскольку конденсатор С1, заряжен до максимального отрицательного значения, конденсатор С2 заряжается до удвоенного максимального значения входного сигнала.

Рис. 27–29. Однополупериодный удвоитель напряжения в течение положительного полупериода входного сигнала.

Как только синусоида меняет знак с положительного на отрицательный, диод D2 отсекается. Это обусловлено тем, что конденсатор С2 удерживает диод D2 смещенным в обратном направлении. Конденсатор С2 разряжается через нагрузку, удерживая напряжение на нагрузке постоянным. Следовательно, он работает также и в качестве фильтрующего конденсатора.

Конденсатор С2 разряжается только в течение положительного полупериода входного сигнала, обеспечивая частоту пульсаций 60 герц (и название однополупериодного удвоителя напряжения). Напряжение, полученное от однополупериодного удвоителя напряжения трудно фильтруется, так как оно имеет частоту пульсаций 60 герц. Другим недостатком этого удвоителя является то, что конденсатор С2 должен быть рассчитан на напряжение, которое, по крайней мере, вдвое превышает максимальное значение входного сигнала переменного тока.

Двухполупериодный удвоитель напряжения свободен от некоторых недостатков однополупериодного удвоителя напряжения. На рис. 27–30 изображена схема цепи, которая работает как двухполупериодный удвоитель напряжения.

Рис. 27–30. Двухполупериодный удвоитель напряжения.

На рис. 27–31 показано, что в течение положительного полупериода входного сигнала конденсатор C1 заряжается через диод D1 до максимального значения входного сигнала переменного тока.

Рис. 27–31. Однополупериодный удвоитель напряжения в течение положительного полупериода входного сигнала.

На рис. 27–32 показано, что в течение отрицательного полупериода конденсатор С2 заряжается через диод D2 до максимального значения входного сигнала.

Рис. 27–32. Двухполупериодный удвоитель напряжения в течение отрицательного полупериода входного сигнала.

Когда входной сигнал переменного тока меняет знак, конденсаторы C1 и С2 последовательно разряжаются через нагрузку. Поскольку каждый конденсатор заряжен до максимального значения входного сигнала, полное напряжение на нагрузке будет в два раза больше максимального значения входного сигнала.

Конденсаторы C1 и С2 заряжаются до достижения максимумов входного сигнала. Так как оба конденсатора заряжаются в течение обоих полупериодов, то частота пульсаций полученного напряжения будет 120 герц. Конденсаторы C1 и С2 суммируют свое напряжение на нагрузке.

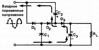
Рис. 27–33 представляет схему утроителя напряжения.

Рис. 27–33. Утроитель напряжения.

На рис. 27–34 показано, как положительный полупериод открывает диод D1, и он начинает проводить. В результате конденсатор C1 заряжается до максимального значения входного сигнала и создает положительный потенциал на диоде D2.

Рис. 27–34. Утроитель напряжения в течение первого положительного полупериода входного сигнала.

На рис. 27–35 изображено действие отрицательного полупериода входного сигнала. Так как диод D2 теперь смещен в прямом направлении, через него течет ток к конденсатору C1 через конденсатор С2. Поскольку на конденсаторе C1 сохранилось напряжение, конденсатор С2 заряжается до удвоенного максимального значения.

Рис. 27–35. Утроитель напряжения в течение отрицательного полупериода входного сигнала.

На рис. 27–36 показан следующий положительный полупериод.

Рис. 27–36. Утроитель напряжения в течение второго положительного полупериода входного сигнала.

В течение этого полупериода на конденсаторе С2 создается разность потенциалов, которая в три раза больше максимального входного значения. Верхняя обкладка конденсатора С2 заряжена положительно до удвоенного максимального значения напряжения. Анод диода D2 имеет положительный потенциал, равный утроенному значению максимального значения напряжения по отношению к земле, следовательно, конденсатор С3 заряжен до утроенного значения максимального значения напряжения. Это напряжение и прикладывается к нагрузке.

27-5. Вопросы

1. Для чего предназначен умножитель напряжения?

2. Нарисуйте схему однополупериодного удвоителя напряжения и объясните, как он работает.

3. Нарисуйте схему двухполупериодного удвоителя напряжения.

4. Нарисуйте схему утроителя напряжения.

5. Какие требования должны предъявляться к конденсаторам, используемым в цепях удвоения и утроения напряжения?

27-6. УСТРОЙСТВА ЗАЩИТЫ ЦЕПЕЙ

Для защиты нагрузки от неисправности в блоке питания используется цепь защиты от превышения напряжения. На рис. 27–37 изображена схема защиты от превышения напряжения. КУВ, подключенный параллельно нагрузке, в нормальном состоянии закрыт (не проводит).

Рис. 27–37. Цепь защиты от превышения напряжения на основе КУВ.

Если выходное напряжение превышает установленный уровень, КУВ открывается и закорачивает нагрузку. Когда нагрузка закорочена, через нее течет очень маленький ток. Это полностью защищает нагрузку. Однако закорачивание нагрузки не защищает блок питания, так как при этом закорачивается выход блока питания. Это пережигает предохранитель в блоке питания.

Стабилитрон устанавливает уровень напряжения, при котором КУВ открывается. Он защищает нагрузку от напряжений, превышающих напряжение стабилизации. До тех пор, пока приложенное напряжение меньше, чем напряжение стабилизации стабилитрона, он не проводит ток. Это удерживает КУВ в запертом состоянии.

Если приложенное напряжение превышает напряжение стабилизации вследствие неправильной работы блока питания, стабилитрон начинает проводить. Это создает ток управляющего электрода КУВ, он открывается и закорачивает нагрузку. Необходимо заметить, что КУВ должен быть достаточно мощным для работы при большом токе короткого замыкания.

Другим устройством защиты является плавкий предохранитель (рис. 27–38).

Рис. 27–38. Плавкие предохранители, используемые для защиты электронных цепей.

Плавкий предохранитель — устройство, которое выходит из строя при перегрузке. Плавкий предохранитель — это просто кусочек проволоки, соединяющий два металлических вывода. Полый стеклянный цилиндр отделяет выводы друг от друга и защищает проволоку. Обычно плавкий предохранитель включают последовательно с первичной обмоткой трансформатора блока питания. Если через блок питания течет большой ток, то проволока предохранителя перегревается и плавится. Цепь размыкается, и ток прерывается. Стеклянный цилиндр предохранителя позволяет визуально проверить пригодность предохранителя.

Предохранители делятся на обычные и с замедлением.

Обычные предохранители перегорают сразу же при превышении тока. В некоторых цепях это является преимуществом, так как быстро устраняется перегрузка. Предохранитель с замедлением может выдерживать короткий период перегрузки перед тем, как расплавиться. Это происходит потому, что в таком предохранителе проволока нагревается медленнее. Если перегрузка имеет место в течение более чем нескольких секунд, она расплавляет предохранитель. Предохранитель с замедлением может содержать спираль в состоянии оттягивания момента расплавления.

Некоторые цепи могут противостоять току перегрузки. В таких цепях использование предохранителя с замедлением предпочтительнее обычного.

Предохранитель всегда устанавливается после выключателя на «горячем» выводе (фазе) источника переменного тока. В результате трансформатор отсоединяется от источника переменного тока при перегорании предохранителя. При установке предохранителя после выключателя сеть может быть отключена от держателя предохранителя для обеспечения безопасности при замене предохранителя.

Плавкий предохранитель не следует заменять до тех пор, пока неисправность не будет обнаружена и исправлена.

Недостатком плавкого предохранителя является то, что после каждого перегорания его необходимо заменять. Размыкатель цепи выполняет такую же работу, но не требует замены после каждой перегрузки. Вместо этого размыкатель цепи может быть вручную установлен в исходное положение после перегрузки (рис. 27–39). Размыкатели цепи включаются в цепь так же, как и предохранители.

Рис. 27–39. Размыкатели цепи, используемые для защиты электронных цепей.

27-6. Вопросы

1. Как работает схема защиты от превышения напряжения на основе КУВ?

2. Как работает плавкий предохранитель, когда он используется в цепи?

3. Какие бывают типы предохранителей?

4. В каком месте цепи устанавливается предохранитель?

5. В чем преимущество размыкателя цепи перед предохранителем?

РЕЗЮМЕ

• Основным назначением блока питания является преобразование переменного тока в постоянный.

• Трансформаторы используются в блоках питания для изоляции и для повышения или понижения напряжения.

• Выпрямитель преобразует входное переменное напряжение в пульсирующее постоянное напряжение.

• Основными выпрямительными цепями являются: однополупериодная, двухполупериодная и мостовая.

• Однополупериодные выпрямители проще и дешевле, чем двухполупериодные и мостовые.

• Двухполупериодный выпрямитель более эффективен, чем однополупериодный.

• Мостовой выпрямитель может работать без трансформатора.

• Для преобразования пульсирующего постоянного напряжения в сглаженное постоянное напряжение после выпрямителя должен использоваться фильтр.

• Конденсатор, подсоединенный параллельно нагрузке является эффективным фильтром.

• Стабилизатор напряжения обеспечивает постоянное выходное напряжение, несмотря на изменения входного напряжения и тока нагрузки.

• Стабилизатор напряжения устанавливается в цепи после фильтра.

• Основными типами стабилизаторов являются параллельный и последовательный.

• Последовательный стабилизатор более эффективен и, следовательно, более популярен, чем параллельный.

• Умножители напряжения — это цепи, которые способны обеспечить более высокие, чем входные, напряжения постоянного тока без использования трансформатора.

• Для защиты от превышения напряжения используется цепь на основе КУВ.

• Плавкий предохранитель защищает цепь от перегрузки по току.

• Предохранители делятся на обычные и с замедлением.

• Размыкатели цепи выполняет такую же работу, что и предохранители, но не требуют замены после каждой перегрузки.

Глава 27. САМОПРОВЕРКА

1. Какие четыре параметра надо учитывать при выборе трансформатора для блока питания?

2. Каково назначение трансформатора в блоке питания?

3. Для каких целей служит выпрямитель в блоке питания?

4. Каковы достоинства и недостатки двухполупериодного и мостового выпрямителей?

5. Опишите процесс, с помощью которого фильтрующий конденсатор преобразует пульсирующее постоянное напряжение в сглаженное.

6. На основе каких соображений выбирается величина фильтрующего конденсатора?

7. Как последовательный стабилизатор поддерживает выходное напряжение на постоянном уровне?

8. Какие характеристики цепи должны быть известны при выборе стабилизирующей цепи?

9. Для каких целей служат умножители напряжения?

10. Каковы преимущества двухполупериодного удвоителя напряжения по сравнению с однополупериодным удвоителем напряжения?

11. Какие устройства используются для защиты от превышения напряжения?

12. Какие устройства используются для защиты от превышения тока?

Более 800 000 книг и аудиокниг! 📚

Получи 2 месяца Литрес Подписки в подарок и наслаждайся неограниченным чтением

ПОЛУЧИТЬ ПОДАРОК