Глава 28. Усилители

ЦЕЛИ

После изучения этой главы студент должен быть в состоянии:

• Описать назначение усилителя.

• Перечислить три основных типа транзисторных усилительных цепей.

• Перечислить классы усилителей.

• Описать работу усилителей с непосредственной связью, усилителей звуковой частоты, видеоусилителей, усилителей радиочастоты, усилителей промежуточной частоты и операционных усилителей.

• Нарисовать принципиальные схемы усилителей различных типов.

Усилители — это электронные цепи, используемые для увеличения амплитуды электрического сигнала. Цепь, рассчитанная на преобразование низкого напряжения в высокое, называется усилителем напряжения. Цепь, рассчитанная на преобразование слабого тока в большой по величине, называется усилителем тока.

28-1. ТИПЫ УСИЛИТЕЛЕЙ

Для обеспечения усиления транзистор должен принять входной сигнал и выдать выходной, значительно больший, чем входной.

Входной сигнал управляет током, текущим через транзистор. Этот ток, в свою очередь, управляет напряжением на нагрузке. Транзисторная цепь рассчитана таким образом, чтобы брать напряжение от внешнего источника питания (VCC) и подавать его на резистор нагрузки (RL) в виде выходного напряжения.

Транзистор используется, главным образом, как усилительное устройство. Существует несколько способов включения в цепь транзистора: схема с общей базой, схема с общим эмиттером и схема с общим коллектором. В каждой из этих схем один из выводов транзистора служит общей точкой, а два других являются входом и выходом.

Каждая схема может быть собрана как с р-n-р, так и с n-р-n транзистором. В каждом случае на переход эмиттер-база подается напряжение смещения в прямом направлении, а на переход коллектор-база — в обратном. Каждая схема имеет преимущества и недостатки.

В схеме с общей базой (рис. 28-1) входной сигнал подается в цепь эмиттер-база, а выходной наблюдается в цепи коллектор-база. База является общим элементом для входа и выхода.

Рис. 28-1. Схема усилителя с общей базой.

В схеме с общим эмиттером (рис. 28-2) входной сигнал подается в цепь эмиттер-база, а выходной сигнал снимается с нагрузки в цепи коллектор-эмиттер. Эмиттер является общим для входа и выхода. Этот способ включения транзистора используется наиболее широко.

Рис. 28-2. Схема усилителя с общим эмиттером

Третий тип соединения (рис. 28-3) — это схема с общим коллектором. В этой схеме входной сигнал подается в цепь база-коллектор, а выходной сигнал снимается с цепи эмиттер-коллектор. Здесь коллектор является общим для входа и выхода. Эта схема используется для согласования импедансов.

Рис. 28-3. Схема усилителя с общим коллектором.

В таблице, изображенной на рис. 28-4, приведены входные и выходные сопротивления, а также величина усиления по напряжению, току и мощности для трех схем включения транзистора.

Рис. 28-4. Характеристики усилительных цепей.

На рис. 28-5 показаны фазовые соотношения входного и выходного сигналов для трех схем включения транзистора. Заметим, что схема с общим эмиттером обеспечивает изменение фазы выходного сигнала на 180° по отношению к фазе входного.

Рис. 28-5. Фазовые соотношения между входным и выходным сигналами усилительных цепей.

28-1. Вопросы

1. Нарисуйте схемы трех основных конфигураций транзисторных усилительных цепей.

2. Перечислите характеристики:

а. Цепи с общей базой;

б. Цепи с общим эмиттером;

в. Цепи с общим коллектором.

3. Составьте таблицу, показывающую фазовые соотношения входного и выходного сигналов для трех схем включения транзистора.

4. Составьте таблицу, показывающую входные и выходные сопротивления для трех схем включения транзистора.

5. Составьте таблицу, показывающую усиление по напряжению, току и мощности для трех схем включения транзистора.

28-2. ЦЕПИ СМЕЩЕНИЯ УСИЛИТЕЛЯ

Основными конфигурациями транзисторных усилительных цепей являются схемы с общей базой, с общим эмиттером и с общим коллектором. Для подачи правильного напряжения смещения на n-р-n или р-n-р переходы все они требуют двух источников тока. На переход база-эмиттер должно быть подано смещение в прямом направлении, а на переход база-коллектор — в обратном направлении. Однако оба напряжения смещения могут быть обеспечены с помощью одного источника тока.

Поскольку цепи с общим эмиттером используются наиболее часто, они детально описываются. Те же принципы применимы и к цепям с общей базой и общим коллектором.

На рис. 28-6 изображен транзисторный усилитель с общим эмиттером, использующий один источник питания. Эта же цепь схематически изображена на рис. 28-7.

Рис. 28-6. Усилитель с общим эмиттером и одним источником питания.

Рис. 28-7. Схематическое представление усилителя с общим эмиттером и одним источником питания.

Источник питания обозначен +VCC. Символ заземления является отрицательным выводом источника питания VCC. Один источник питания обеспечивает подачу правильного напряжения смещения для переходов база-эмиттер и база-коллектор. Два резистора (RB и RL) используются для распределения напряжения, обеспечивающего правильную работу транзистора. Резистор RL, сопротивление нагрузки коллектора, соединен последовательно с коллектором. Когда через коллектор течет ток, на резисторе RL появляется падение напряжения. Падение напряжения на резисторе RL и падение напряжения на переходе коллектор-эмиттер транзистора должны в сумме равняться приложенному напряжению.

Резистор RB, соединяющий базу с источником питания, управляет величиной тока базы. Ток базы, текущий через резистор RB, создает на нем падение напряжения, составляющего большую часть напряжения источника питания. Меньшая часть этого напряжения падает на переходе база-эмиттер транзистора, обеспечивая правильное прямое смещение.

Один источник питания может обеспечить необходимые напряжения прямого и обратного смещения. В случае n-р-n транзистора потенциал на базе и коллекторе транзистора должен быть положительным по отношению к эмиттеру.

Следовательно, источник питания может быть связан с базой и коллектором через резисторы RB и RL. Эту цепь часто называют цепью смещения базы, так как ток базы управляется величиной резистора RB и напряжением источника питания. Входной сигнал подключается между базой транзистора и его эмиттером или между выводом входа и землей.

Значение входного сигнала либо складывается с прямым смещением на эмиттерном переходе, либо вычитается из него. Это служит причиной изменения коллекторного тока, что, в свою очередь, приводит к изменению падения напряжения на резисторе RL. Выходной сигнал появляется между выводом выхода и землей.

Цепь, изображенная на рис. 28-6, является нестабильной, так как она не может компенсировать изменения тока смещения при отсутствии сигнала. Изменения температуры приводят к изменению внутреннего сопротивления транзистора, что заставляет изменяться ток смещения и сдвигает рабочую точку транзистора, уменьшая его усиление. Этот процесс называется температурной нестабильностью.

Существует возможность компенсации температурных изменений в схеме транзисторного усилителя посредством организации отрицательной обратной связи в нем. Если часть нежелательного выходного сигнала подать на вход цепи, этот сигнал будет противодействовать изменениям в транзисторе. Такой процесс называется отрицательной обратной связью (рис. 28-8).

Рис. 28-8. Усилитель с общим эмиттером и коллекторной обратной связью.

В цепи, использующей отрицательную обратную связь, базовый резистор RB соединен непосредственно с коллектором транзистора. Если температура увеличивается, то ток коллектора и падение напряжения на резисторе RL тоже увеличиваются. Напряжение коллектор-эмиттер уменьшается, уменьшая также напряжение приложенное, к RB. Это уменьшает ток базы, что служит причиной уменьшения тока коллектора. Таким образом действует коллекторная цепь обратной связи.

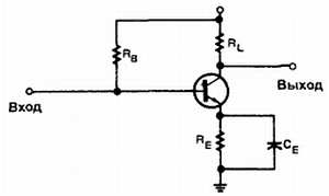
На рис. 28-9 показан другой тип обратной связи. Эта цепь похожа на цепь, изображенную на рис. 28-7, за исключением того, что последовательно с выводом эмиттера включен резистор RE. Резисторы RB и RE и переход транзистора эмиттер-база соединены последовательно с источником питания VCC.

Рис. 28-9. Усилитель с общим эмиттером и эмиттерной обратной связью.

Увеличение температуры служит причиной увеличения коллекторного тока. Ток эмиттера также увеличивается, увеличивая падение напряжения на резисторе RE и уменьшая падение напряжения на резисторе RB. Ток базы уменьшается, что уменьшает как ток коллектора, так и ток эмиттера. Поскольку сигнал обратной связи создается на эмиттере транзистора, эта цепь называется цепью эмиттерной обратной связи.

В цепи этого типа происходит уменьшение общего усиления цепи, связанное с тем, что входной сигнал переменного тока появляется как на резисторе RL, так и на резисторе RE и на транзисторе. При подсоединении конденсатора параллельно резистору RE (рис. 28–10), сигнал переменного тока обходит резистор RE, так как сопротивление конденсатора существенно меньше RE. Этот конденсатор часто называют блокировочным конденсатором.

Рис. 28–10. Эмиттерная обратная связь с блокировочным конденсатором.

Блокировочный конденсатор устраняет любые быстрые изменения напряжения на резисторе RE, благодаря тому, что он обладает низким импедансом для переменного тока. Блокировочный конденсатор удерживает напряжение на резисторе RE неизменным, в то же самое время не мешая работе цепи обратной связи, обеспечиваемой RE.

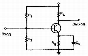
Цепь обратной связи с делителем напряжения обеспечивает большую стабильность транзистора (рис. 28–11). Эта цепь используется наиболее широко. Резистор RB заменяется двумя резисторами, R1 и R2. Эти соединенные последовательно резисторы подключены параллельно источнику питания VСС. Резисторы делят напряжение питания на два напряжения, образуя делитель напряжения.

Рис. 28–11. Усилитель с общим эмиттером и обратной связью на основе делителя напряжения.

На резисторе R2 падает меньшее напряжение, чем на резисторе R1. Напряжение на базе по отношению к земле равно падению напряжения на резисторе R2. Цель делителя напряжения — установить постоянное напряжение на базе транзистора по отношению к земле. Ток, текущий через резистор R2, направлен к базе. Следовательно, подсоединенный к базе конец резистора R2, имеет положительный потенциал по отношению к земле.

Так как через резистор RE течет ток эмиттера, то на конце резистора RE, подсоединенном к эмиттеру, положительный потенциал по отношению к земле. Напряжение на переходе эмиттер-база является разностью двух положительных напряжений — напряжения на резисторе R2 и напряжения на резисторе RE. Для того, чтобы на транзисторе имело место правильно приложенное прямое смещение, положительный потенциал базы должен быть немного выше положительного потенциала эмиттера.

При увеличении температуры токи коллектора и эмиттера также увеличиваются. Увеличение тока эмиттера приводит к увеличению падения напряжения на резисторе RE. Это приводит к тому, что положительный потенциал эмиттера по отношению к земле увеличивается. Тогда прямое смещение перехода эмиттер-база уменьшается, что приводит к уменьшению тока базы. Уменьшение тока базы уменьшает токи коллектора и эмиттера. Противодействие также имеет место и при понижении температуры: ток базы увеличивается, что приводит к увеличению токов эмиттера и коллектора.

Усилители, обсуждавшиеся до сих пор, имели такое напряжение смещения, что выходной сигнал был таким же, как и входной сигнал в течение всего периода, только величина его была больше. Усилитель, смещение которого такое, что ток через него течет и усиливается во время всего периода сигнала, называется усилителем, работающим в классе А (рис. 28–12).

Рис. 28–12. Выходное напряжение усилителя класса А.

Усилитель, смещение которого таково, что выходной ток через него течет и усиливается в течение времени меньшем, чем полный период, но большем половины периода, называется усилителем, работающим в классе АВ (рис. 28–13).

Рис. 28–13. Выходное напряжение усилителя класса АВ.

Усилитель, смещение которого такое, что выходной ток через него течет только половину периода входного сигнала — это усилитель, работающий в классе В. Только во время половины периода входной сигнал переменного тока усиливается в режиме класса В (рис. 28–14).

Рис. 28–14. Выходное напряжение усилителя класса В.

Усилитель, смещение которого такое, что выходной ток через него течет меньше, чем половину периода входного сигнала переменного тока — это усилитель, работающий в классе С. Меньше, чем половина периода входного сигнала усиливается в режиме класса С (рис. 28–15).

Рис. 28–15. Выходное напряжение усилителя класса С.

Усилители класса А создают наименьшие искажения и называются линейными. Они также имеют самую низкую выходную мощность и наименее эффективны. Усилители класса А находят широкое применение в тех случаях, когда требуется точное сохранение входного сигнала, как, например, при усилении сигналов звуковой частоты в радиоприемниках и телевизорах. Однако из-за высоких требований по мощности, транзисторы обычно работают в режиме класса АВ или класса В.

Усилители классов АВ, В и С вносят значительные искажения. Это обусловлено тем, что они усиливают только часть входного сигнала. Для усиления полного входного сигнала переменного тока необходимы два транзистора, соединенные в двухтактную схему (рис. 28–16).

Рис. 28–16. Схема двухтактного усилителя.

Усилители класса В используются в качестве выходных каскадов в стереосистемах и мощных концертных усилителях, а также в промышленности. Усилители класса С используются в качестве усилителей высокой мощности в передатчиках, где необходимо усиление только одной частоты, например в радио и телевизионных передатчиках.

28-2. Вопросы

1. Нарисуйте схему транзисторного усилителя с общим эмиттером, использующего один источник питания.

2. Как компенсируются изменения температуры в транзисторном усилителе?

3. Нарисуйте схему цепи обратной связи с делителем напряжения.

4. Перечислите классы усилителей и укажите их выходные мощности.

5. Перечислите применения усилителей каждого класса.

28-3. СОЕДИНЕНИЕ УСИЛИТЕЛЕЙ

Для получения большого усиления, транзисторные усилители могут быть соединены вместе. Однако для избежания влияния смещения одного усилителя на работу другого, они должны соединяться специальным образом.

Используемый метод соединения усилителей не должен нарушать работу какой-либо цепи. Возможны следующие методы соединения усилителей: посредством резистивно-емкостной, импедансной, трансформаторной и непосредственной (гальванической) связей.

Резистивно-емкостная связь или RC связь состоит из двух резисторов и конденсатора, соединенных как показано на рис. 28–17.

Рис. 28–17. RC связь.

Резистор R3 является коллекторной нагрузкой первого каскада. Конденсатор C1 является блокирующим для постоянного тока и конденсатором связи для переменного тока. Резистор R4 является входной нагрузкой, а также замыкает по постоянному току цепь перехода база-эмиттер второго каскада. Резистивно-емкостная связь используется, главным образом, в усилителях низкой частоты.

Конденсатор связи C1 должен иметь низкое реактивное сопротивление для минимизации ослабления сигнала на низких частотах. Обычно используется емкость в пределах от 10 до 100 микрофарад. Конденсатор связи обычно бывает электролитическим.

Реактивное сопротивление конденсатора связи увеличивается при уменьшении частоты. Низкочастотная граница определяется величиной емкости конденсатора связи. Высокочастотная граница определяется типом использованного транзистора.

Импедансная связь подобна RC связи, только вместо резистора в качестве нагрузки коллектора первого каскада усиления используется катушка индуктивности (рис. 28–18).

Рис. 28–18. Импедансная связь.

Импедансная связь работает совершенно аналогично RC связи. Ее преимуществом является то, что катушка индуктивности имеет очень низкое сопротивление постоянному току. Выходной сигнал переменного тока на катушке индуктивности такой же, как и на нагрузочном резисторе. Однако катушка индуктивности потребляет меньшую мощность, чем резистор, что увеличивает общую эффективность цепи.

Недостатком импедансной связи является то, что индуктивное сопротивление увеличивается при увеличении частоты. Поэтому коэффициент усиления по напряжению изменяется при изменении частоты. Этот тип связи идеален для одночастотного усиления, то есть при усилении очень узкой полосы частот.

В цепи с трансформаторной связью два усилительных каскада связаны между собой через трансформатор (рис. 28–19).

Рис. 28–19. Трансформаторная связь.

Трансформатор может эффективно согласовать высокоимпедансный источник с низкоимпедансной нагрузкой. Недостатком этого метода является то, что трансформаторы громоздки и дороги. Кроме того, как и усилитель с импедансной связью, усилитель с трансформаторной связью может использоваться только в узком диапазоне частот.

Когда необходимо усилить очень низкие частоты или сигнал постоянного тока, следует использовать усилитель с непосредственной (гальванической) связью (рис. 28–20).

Рис. 28–20. Гальваническая связь.

Усилители с гальванической связью обеспечивают равномерное усиление по току и напряжению в широком диапазоне частот. Усилители этого типа могут усиливать частоты от нуля герц (постоянный ток) до многих тысяч герц. Однако усилители с гальванической связью преимущественно применяются на низких частотах.

Недостатком усилителей с гальванической связью является то, что они нестабильны. Любые изменения выходного тока первого каскада усиливаются вторым каскадом. Это происходит потому, что смещение второго каскада непосредственно связано с первым каскадом. Для повышения стабильности требуется использование дорогих прецизионных компонентов.

28-3. Вопросы

1. Каковы четыре основных метода соединения транзисторных усилителей?

2. Где, в основном, используется резистивно-емкостная связь?

3. В чем разница между резистивно-емкостной связью и импедансной связью?

4. В чем недостаток трансформаторной связи?

5. Какой метод связи используется при усилении низкочастотных сигналов и сигналов постоянного тока?

28-4. УСИЛИТЕЛИ С ГАЛЬВАНИЧЕСКОЙ СВЯЗЬЮ

Усилители с гальванической связью или усилители постоянного тока используются для усиления низкочастотных сигналов или для усиления сигналов постоянного тока. Усилитель постоянного тока также используется для устранения индуктивных потерь в цепях связи. Усилители постоянного тока применяются в компьютерах, измерительном и тестирующем оборудовании и в промышленной аппаратуре для управления производственными процессами.

Простейший усилитель постоянного тока изображен на рис. 28–21.

Рис. 28–21. Простой усилитель постоянного тока.

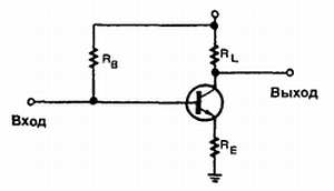
Чаще всего используется усилитель с общим эмиттером. Изображенная схема содержит цепь смещения на основе делителя напряжения и эмиттерную цепь обратной связи. В цепях этого типа не используется конденсатор связи. Входной сигнал подается прямо на базу транзистора. Выходной сигнал снимается с коллектора.

Усилитель постоянного тока может обеспечивать усиление как по току, так и по напряжению. Однако, он применяется, главным образом, в качестве усилителя напряжения. Усиление по напряжению одинаково для сигналов постоянного и переменного токов.

В большинстве случаев одного каскада усиления недостаточно. Для получения более высокого усиления требуются два или более каскадов. Соединенные вместе два или более каскадов называются многокаскадным усилителем.

На рис. 28–22 изображен двухкаскадный усилитель.

Рис. 28–22. Двухкаскадный усилитель постоянного тока.

Входной сигнал усиливается первым каскадом. После этого усиленный сигнал поступает на базу транзистора второго каскада. Общее усиление цепи равно произведению коэффициентов усиления по напряжению двух каскадов. Например, если и первый, и второй каскады имеют коэффициент усиления по напряжению равный 10, то общий коэффициент усиления цепи равен 100.

На рис. 28–23 изображен усилитель постоянного тока другого типа. В нем используются транзисторы типов n-р-n и р-n-р. Цепь такого типа называется комплементарным усилителем. Функции этой цепи такие же, как и у цепи, изображенной на рис. 28–22. Разница только в том, что транзистор второго каскада р-n-р типа, р-n-р транзистор, перевернут, так что на эмиттер и коллектор подается напряжение смещения правильно.

Рис. 28–23. Комплементарный усилитель постоянного тока.

На рис. 28–24 изображены два соединенных вместе транзистора, работающих, как одно целое. Эта цепь называется схемой Дарлингтона. Транзистор Q1 используется для управления проводимостью транзистора Q2. Входной сигнал, поданный на базу транзистора Q1, управляет током базы транзистора Q2. Схема Дарлингтона может быть изготовлена в одном корпусе с тремя выводами: эмиттер (Э), база (Б) и коллектор (К). Она используется как простой усилитель постоянного тока с высоким коэффициентом усиления по напряжению.

Рис. 28–24. Схема Дарлингтона.

Основным недостатком многокаскадных усилителей является их высокая температурная нестабильность. В цепях, требующих три или четыре каскада усиления постоянного тока, оконечный каскад может не усиливать исходный сигнал постоянного или переменного тока, так как он будет сильно искажен. Та же самая проблема существует и со схемой Дарлингтона.

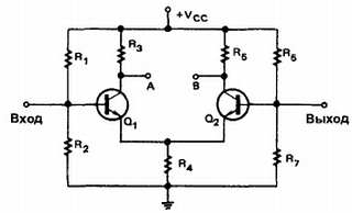
В случаях, когда требуется и высокий коэффициент усиления, и высокая температурная стабильность, необходим усилитель другого типа. Это — дифференциальный усилитель (рис. 28–25).

Рис. 28–25. Дифференциальный усилитель.

Его особенность в том, что он имеет два отдельных входа и может обеспечить либо один, либо два выходных сигнала. Если сигнал подан на вход транзистора Q1, усиленный сигнал появится между выходом А и землей, как в обычном усилителе. Однако малый сигнал появится также на резисторе R4 и на эмиттере транзистора Q2. Транзистор Q2 работает, как усилитель с общей базой. Усиленный выходной сигнал появится между выходом В и землей. Выходной сигнал с выхода В сдвинут по фазе на 180 градусов по отношению к сигналу на выходе А. Это делает дифференциальный усилитель более универсальным, чем обычный.

Обычно дифференциальный усилитель не используется для получения выходного напряжения между одним из выходов и землей. Выходной сигнал получают между выходом А и выходом В. Поскольку два выходных сигнала сдвинуты относительно друг друга на 180 градусов по фазе, то между этими точками существует значительное выходное напряжение. Входной сигнал может быть подан на любой вход.

Дифференциальный усилитель обладает высокой температурной стабильностью, так как транзисторы Q1 и Q2 расположены близко друг к другу и испытывают одинаковое влияние температуры. Кроме того, коллекторные токи транзисторов Q1 и Q2 испытывают одинаковые тенденции к увеличению и уменьшению, так что выходное напряжение остается постоянным.

Дифференциальный усилитель широко используется в интегральных микросхемах и в электронном оборудовании. Он используется для усиления и(или) сравнения амплитуд сигналов как постоянного, так и переменного токов. Дифференциальные усилители можно соединять последовательно для получения более высокого усиления. В некоторых случаях дифференциальный усилитель используется в качестве первого каскада в многокаскадных обычных усилителях. Дифференциальные усилители, благодаря их универсальности и температурной стабильности, являются наиболее важным типом усилителей с гальванической связью.

28-4. Вопросы

1. В каких случаях используют усилители с гальванической связью?

2. Какую конфигурацию усилителя обычно используют в усилителях с гальванической связью?

3. Нарисуйте схемы следующих цепей:

а. Комплементарный усилитель.

б. Схему Дарлингтона.

в. Дифференциальный усилитель.

4. Как дифференциальный усилитель отличить от обычного?

5. Где, в основном, используются дифференциальные усилители?

28-5. УСИЛИТЕЛИ ЗВУКОВОЙ ЧАСТОТЫ

Усилители звуковой частоты усиливают сигналы переменного тока в диапазоне частот примерно от 20 до 20000 герц. Они могут усиливать весь диапазон звуковых частот или только небольшую часть его.

Усилители звуковой частоты делятся на две категории: усилители напряжения и усилители мощности. Усилители напряжения применяются, главным образом, для получения высокого усиления по напряжению. Усилители мощности используются для передачи большой мощности в нагрузку. Например, усилитель напряжения применяется, главным образом, для повышения напряжения выходного сигнала до уровня, достаточного для раскачки усилителя мощности. После этого используется усилитель мощности для получения высокой мощности, необходимой для передачи сигнала на усилительные колонки или другое устройство высокой мощности. Обычно усилители напряжения работают как усилители класса А, а усилители мощности — как усилители класса В.

На рис. 28–26 изображен простой усилитель напряжения.

Рис. 28–26. Усилитель напряжения

Изображенная цепь является цепью с общим эмиттером. Смещение транзистора выбрано для работы в классе А, чтобы обеспечить минимальные искажения. Усилитель может обеспечить заметное усиление по напряжению в широком диапазоне частот. Наличие конденсатора связи не позволяет цепи усиливать сигнал постоянного тока.

Два или более усилителя напряжения могут быть соединены последовательно для получения большего усиления. Каскады могут быть соединены с помощью RC связи или трансформаторной связи. Трансформаторная связь более эффективна. Трансформатор используется для согласования входного и выходного импеданса двух каскадов. Это предохраняет второй каскад от перегрузки первым каскадом. Перегрузка возникает, когда устройство создает большую нагрузку и сильно влияет на выход, потребляя слишком большой ток. Трансформатор, используемый для связи двух каскадов, называется меж каскадным трансформатором.

Когда достаточный уровень выходного напряжения достигнут, используется усилитель мощности для раскачки нагрузки. Усилители мощности рассчитаны для раскачки определенных нагрузок и характеризуются мощностью в ваттах. Обычно сопротивление нагрузки лежит в пределах от 4 до 16 Ом.

На рис. 28–27 изображена схема усилителя мощности на двух транзисторах, которая называется двухтактной.

Рис. 28–27. Двухтактный усилитель мощности.

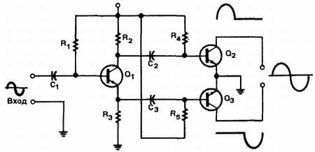
Верхняя половина цепи является зеркальным отображением нижней. Каждая половина представляет собой усилитель на одном транзисторе. Выходное напряжение снимается с первичной обмотки трансформатора в течение чередующихся полупериодов входного сигнала. Оба транзистора работают как усилители класса АВ или В. Вход двухтактного усилителя требует сдвинутых по фазе на 180° входных сигналов. Это означает, что один сигнал должен быть инвертирован по отношению к другому. Однако оба сигнала должны иметь одинаковую амплитуду и частоту. Цепь, создающая такой фазовый сдвиг сигнала, называется фазовращателем. Фазовращатель на одном транзисторе изображен на рис. 28–28. Выходы взяты с коллектора и эмиттера транзистора.

Рис. 28–28. Фазовращатель.

Фазовращатель работает, как усилитель класса А, обеспечивая наименьшие искажения выходного сигнала. Конденсаторы связи необходимы для компенсации разницы между коллекторным и эмиттерным напряжениями постоянного тока.

Двухтактный усилитель, не требующий фазовращателя, называется комплементарным двухтактным усилителем.

Для работы двухтактного каскада в нем используются транзисторы n-р-n и р-n-р (рис. 28–29).

Рис. 28–29. Комплементарный двухтактный усилитель мощности.

Два транзистора соединены последовательно, эмиттерами друг к другу. Когда на каждый транзистор подается напряжение смещения в прямом направлении, между его базой и эмиттером возникает напряжение 0,7 вольт или 1,4 вольт между двумя базами. Два диода помогают поддерживать разность потенциалов 1,4 вольт постоянной. Выходное напряжение берется из точки соединения эмиттеров через конденсатор связи.

Для усилителей мощностью более 10 ватт, трудно и дорого подобрать пару n-р-n и р-n-р транзисторов с одинаковыми характеристиками. На рис. 28–30 изображена цепь, использующая два n-р-n транзистора в качестве мощного выходного транзистора. Мощные транзисторы раскачиваются двумя транзисторами n-р-n и р-n-р меньшей мощности. Верхний набор транзисторов образует схему Дарлингтона.

Рис. 28–30. Квазикомплементарный усилитель мощности.

Нижний набор транзисторов использует транзисторы n-р-n и р-n-р. Работая как одно устройство, они соответствуют р-n-р транзистору. Усилитель этого типа называется квазикомплементарным усилителем. Он работает так же, как и комплементарный усилитель, но не требует комплементарных выходных транзисторов высокой мощности.

Так как усилители мощности развивают высокую мощность, некоторые его детали сильно нагреваются. Для отвода накопленного тепла используются радиаторы. Радиатор — это устройство, имеющее большую площадь, которая может излучать тепло. На рис. 28–31 изображены различные типы радиаторов для транзисторов.

Рис. 28–31. Типы радиаторов

28-5. Вопросы

1. В каком диапазоне частот используются усилители звуковой частоты?

2. Каковы два типа усилителей звуковой частоты?

3. Что такое межкаскадный трансформатор?

4. Нарисуйте схемы следующих устройств:

а. Двухтактного усилителя.

б. Комплементарного двухтактного усилителя.

в. Квазикомплементарного двухтактного усилителя.

28-6. ВИДЕОУСИЛИТЕЛИ

Видеоусилители — это широкополосные усилители, используемые для усиления видеоинформации. Диапазон частот видеоусилителя значительно шире, чем диапазон частот усилителя звуковой частоты. Он занимает полосу частот от нескольких герц до 5 или 6 мегагерц. Например, для передачи телевизионного сигнала требуется полоса частот от 60 герц до 4 мегагерц. Радиолокаторы используют полосу частот от 30 герц до 2 мегагерц. В цепях, использующих пилообразное или импульсное напряжение, необходим частотный диапазон от одной десятой наименьшей частоты сигнала до десятикратно увеличенной наибольшей частоты.

Такой широкий диапазон частот необходим потому, что несинусоидальное напряжение содержит в своем составе много гармоник и все они должны быть одинаково усилены.

Так как видеоусилители должны иметь однородную амплитудно-частотную характеристику, в них используется только гальваническая или RC связь между каскадами.

Гальваническая связь обеспечивает наилучшую амплитудно-частотную характеристику, тогда как RC связь имеет экономические преимущества. Усилитель с RC связями имеет плоскую амплитудно-частотную характеристику в области средних частот диапазона, подходящую для видеоусилителей. Плоская амплитудно-частотная характеристика — это термин, показывающий, что усиление усилителя только незначительно меняется в пределах заданного частотного диапазона. Амплитудно-частотная характеристика такого усилителя представляет собой почти прямую линию; отсюда и термин — плоская амплитудно-частотная характеристика.

Фактор, ограничивающий усиление транзисторного усилителя на высоких частотах — это шунтирование транзистора паразитной емкостью цепи. Между переходами транзистора существует небольшая емкость, ее величина определяется размером перехода и расстоянием между выводами транзистора, а также смещением, приложенным к переходу. Переход база-эмиттер, смещенный в прямом направлении имеет большую емкость, чем переход коллектор-база, смещенный в обратном направлении.

Для того, чтобы уменьшить влияние шунтирующей емкости и увеличить усиление на высоких частотах, в транзисторных видеоусилителях используются корректирующие катушки индуктивности. На рис. 28–32 изображен метод параллельной коррекции.

Рис. 28–32. Параллельная коррекция.

Небольшая индуктивность включается последовательно с резистором нагрузки. В диапазоне низких и средних частот корректирующая индуктивность почти не влияет на амплитудно-частотную характеристику. На высоких частотах катушка индуктивности резонирует с емкостью цепи, что приводит к увеличению выходного импеданса и поднимает усиление.

Другим методом является включение небольшой индуктивности последовательно с конденсатором межкаскадной связи. Этот метод называется последовательной коррекцией (рис. 28–33).

Рис. 28–33. Последовательная коррекция.

Корректирующая индуктивность эффективно отделяет входные и выходные емкости двух каскадов. Часто параллельная и последовательная коррекции комбинируются для того, чтобы усилить преимущества обоих методов (рис. 28–34). Это комбинирование может расширить полосу пропускания усилителя до частот, превышающих 5 мегагерц.

Рис. 28–34. Последовательно-параллельная коррекция.

Чаще всего видеоусилители используются в телевизионных приемниках (рис. 28–35).

Рис. 28–35. Видеоусилитель телевизионного приемника.

Транзистор Q1 включен, как эмиттерный повторитель. Сигнал на транзистор Q1 подается с видеодетектора. Видеодетектор получает видеосигнал с усилителя промежуточной частоты. В цепи коллектора Q2 транзистора включена параллельная корректирующая индуктивность (L1). На пути выходного сигнала включена последовательная корректирующая индуктивность (L2). После этого видеосигнал подается на электронно-лучевую трубку через конденсатор связи С5.

28-6. Вопросы

1. Что такое видеоусилитель?

2. Каков диапазон частот видеоусилителя?

3. Какими способами соединяются каскады видеоусилителей?

4. Дайте определения следующих понятий:

а. Параллельная коррекция.

б. Последовательная коррекция.

5. Где используются видеоусилители?

28-7. УСИЛИТЕЛИ РАДИОЧАСТОТЫ И ПРОМЕЖУТОЧНОЙ ЧАСТОТЫ

Усилители радиочастоты похожи на другие усилители. Они отличаются, главным образом, диапазоном рабочих частот, занимающим область от 10 до 30 мегагерц. Существуют два класса усилителей радиочастоты: перестраиваемые и неперестраиваемые. Основной функцией неперестраиваемого усилителя является усиление, а его амплитудно-частотная характеристика должна занимать как можно более широкий диапазон радиочастот. В перестраиваемом усилителе высокое усиление должно достигаться в узкой области частот или на отдельной частоте. Обычно, когда говорят об усилителях радиочастоты, подразумевают, что они являются перестраиваемыми, если не оговорено другое.

В радиоприемных устройствах усилители радиочастоты служат для усиления сигнала и выделения сигнала, соответствующей частоты. В передающих устройствах усилители радиочастоты служат для усиления сигнала на определенной частоте перед его подачей в антенну. В основном, приемные усилители радиочастоты являются усилителями напряжения, а передающие усилители радиочастоты являются усилителями мощности.

В приемных цепях усилитель радиочастоты должен обеспечивать достаточное усиление приемного сигнала, обладать низким собственным шумом, обеспечивать хорошую избирательность и иметь плоскую амплитудно-частотную характеристику на выбранных частотах.

На рис. 28–36 изображен усилитель радиочастоты, используемый в радиоприемнике с амплитудной модуляцией.

Рис. 28–36. Усилитель радиочастоты в радиоприемнике сигналов с амплитудной модуляцией.

Конденсаторы C1 и С4 настраивают антенну и выходной трансформатор T1 на одну и ту же частоту. Входной сигнал с помощью индуктивной связи подается на базу транзистора Q1. Транзистор работает, как усилитель класса А. Конденсатор С4 и трансформатор T1 обеспечивают высокое усиление по напряжению на резонансной частоте для цепи коллекторной нагрузки. Трансформатор T1 имеет отвод для обеспечения хорошего согласования импедансов с транзистором.

На рис. 28–37 изображен усилитель радиочастоты, используемый в телевизионном высокочастотном тюнере.

Рис. 28–37. Усилитель радиочастоты в телевизионном высокочастотном тюнере.

Цепь настраивается катушками индуктивности L1A; L1B и L1C. При повороте ручки переключателя каналов в цепь включается новый набор катушек. Это обеспечивает усиление в необходимой полосе частот для каждого канала. Входной сигнал попадает в перестраиваемую цепь, состоящую из L1A, C1 и С2. Транзистор Q1 работает, как усилитель класса А. Выходная коллекторная цепь представляет собой двойной перестраиваемый трансформатор. Катушка L1B настраивается конденсатором С4, а катушка — L1C конденсатором С7. Резистор R2 и конденсатор С6 образуют развязывающий фильтр, предотвращающий попадание радиочастот в блок питания и их взаимодействие с другими цепями.

В радиоприемниках с амплитудной модуляцией входной радиосигнал преобразуется в сигнал постоянной промежуточной частоты. После этого используется усилитель промежуточной частоты с фиксированной настройкой для увеличения уровня сигнала до необходимой величины.

Усилитель промежуточной частоты — это одночастотный (узкополосный) усилитель. Обычно для усиления сигнала до необходимого уровня используются два или три каскада усиления промежуточной частоты. Чувствительность приемника определяется усилением усилителя промежуточной частоты. Чем выше усиление, тем выше чувствительность. На рис. 28–38 показан типичный усилитель промежуточной частоты радиоприемника амплитудно-модулированных сигналов. Промежуточная частота равна 455000 герц. На рис. 28–39 изображен усилитель промежуточной частоты телевизионного приемника.

Рис. 28–38. Усилитель промежуточной частоты в радиоприемнике сигналов с амплитудной модуляцией.

Рис. 28–39. Усилитель промежуточной частоты в телевизионном приемнике.

На рис. 28–40 приведена таблица, в которой сравниваются частоты радио и телевизионных приемников.

Рис. 28–40. Сравнение радио и телевизионных частот.

28-7. Вопросы

1. Чем усилители радиочастоты отличаются от других усилителей?

2. Какие два типа усилителей радиочастоты вы знаете?

3. Где используются усилители радиочастоты?

4. Что такое усилитель промежуточной частоты?

5. Что самое главное в усилителе промежуточной частоты?

28-8. ОПЕРАЦИОННЫЕ УСИЛИТЕЛИ

Операционный усилитель — это усилитель постоянного тока с очень высоким усилением. Обычно операционные усилители имеют коэффициент усиления от 20 000 до 1000000.

На рис. 28–41 изображено схематическое обозначение операционного усилителя. Вход, помеченный знаком (-), называется инвертирующим входом, а вход, помеченный знаком (+) — неинвертирующим входом.

Рис. 28–41. Схематическое обозначение операционного усилителя.

На рис. 28–42 изображена блок-схема операционного усилителя.

Рис. 28–42. Блок-схема операционного усилителя.

Операционный усилитель состоит из трех каскадов. Каждый каскад является усилителем со своими характерными особенностями.

Входной каскад — это дифференциальный усилитель. Он позволяет операционному усилителю реагировать только на разность входных сигналов. Кроме того, дифференциальный усилитель усиливает сигнал, пропорциональный разности входных напряжений, и не реагирует на одинаковые сигналы на обоих входах. Это называется ослаблением синфазного сигнала. Ослабление синфазного сигнала полезно при измерении слабых сигналов на фоне шума с частотой 60 герц. Шум с частотой 60 герц является общим для обоих входов и поэтому он ослабляется, а операционный усилитель усиливает только малую разность сигналов на обоих входах. Амплитудно-частотная характеристика дифференциального усилителя обеспечивает усиление от области низких частот до постоянного тока. Это означает, что дифференциальный усилитель может усиливать не только низкочастотные сигналы переменного тока, но и сигналы постоянного тока.

Второй каскад — это усилитель напряжения с высоким коэффициентом усиления. Этот каскад состоит из нескольких пар транзисторов, соединенных по схеме Дарлингтона, достигает усиления по напряжению в 200000 раз и более, обеспечивая большую часть усиления операционного усилителя.

Последний каскад — это выходной усилитель. Обычно это эмиттерный повторитель на комплементарных транзисторах. Он используется для того, чтобы операционный усилитель имел низкий выходной импеданс. Операционный усилитель может обеспечить несколько миллиампер тока нагрузки.

Операционные усилители рассчитаны на питание от двухполярного источника напряжения от ±5 до ±15 вольт. Положительный вывод источника питания должен обеспечивать от +5 до +15 вольт по отношению к земле, а отрицательный от -5 до -15 вольт по отношению к земле. Это позволяет выходному напряжению изменяться в сторону положительных и отрицательных значений по отношению к земле. Однако в некоторых случаях операционные усилители могут работать и от однополярного источника питания.

Принципиальная схема типичного операционного усилителя изображена на рис. 28–43.

Рис. 28–43. Схема операционного усилителя.

Изображенный усилитель называется LM741 (отечественный аналог К140УД7). Этот операционный усилитель не требует частотной коррекции, защищен от короткого замыкания, не имеет проблем с запиранием. Хорошие эксплуатационные качества при низкой цене обеспечивают его широкое использование.

Устройство, содержащее в одном корпусе два операционных усилителя LM741, называется LM747 (наш аналог КР140УД20). Благодаря отсутствию конденсаторов связи эти операционные усилители могут усиливать сигналы переменного и постоянного токов.

Нормальный режим работы операционного усилителя — это режим работы с обратной связью. В нем используется отрицательная обратная связь, что уменьшает общее усиление операционного усилителя, но обеспечивает лучшую стабильность.

При работе операционного усилителя с обратной связью, выходной сигнал подается на один из входов в качестве сигнала обратной связи. Этот сигнал обратной связи противодействует входному сигналу, так как находится в противофазе. Существуют две основные цепи с обратной связью: инвертирующая и неинвертирующая. Инвертирующая конфигурация более популярна.

На рис. 28–44 изображен операционный усилитель с инвертирующей обратной связью: входной сигнал подается на инвертирующий вход (-) через резистор R1. Обратная связь обеспечивается с помощью резистора R2.

Рис. 28–44. Операционный усилитель в качестве инвертирующего усилителя.

Величина сигнала на инвертирующем входе определяется как входным, так и выходным напряжением. Знак минус указывает на то, что выходной сигнал отрицателен, когда входной сигнал положителен. Знак плюс указывает на то, что выходной сигнал положителен, когда входной сигнал отрицателен. Выходной сигнал сдвинут по фазе на 180 градусов по отношению ко входному. В зависимости от отношения резисторов R2 и R1 усиление инвертирующего усилителя может быть меньше, равно или больше 1. Когда усиление равно 1, его называют усилителем с единичным усилением, и используют для инвертирования полярности входного сигнала.

На рис. 28–45 изображен операционный усилитель с неинвертирующей обратной связью: выходной сигнал находится в фазе со входным.

Рис. 28–45. Операционный усилитель в качестве неинвертирующего усилителя.

Входной сигнал подается на неинвертирующий вход операционного усилителя. Выходное напряжение делится с помощью резисторов R2 и R1 для того, чтобы подать напряжение обратной связи на инвертирующий (-) вход. Усиление по напряжению по неинвертирующему входу всегда больше 1.

Коэффициент усиления операционного усилителя зависит от частоты. Обычно усиление, указываемое в справочных данных — это усиление по постоянному току. При увеличении частоты усиление уменьшается. Без использования методов увеличения полосы пропускания, операционный усилитель хорош только для усиления сигналов постоянного тока. Для расширения полосы пропускания используется обратная связь, уменьшающая усиление. Насколько уменьшается усиление, настолько увеличивается полоса пропускания. С помощью этого способа полоса пропускания операционного усилителя 741 может быть увеличена до 1 мегагерца.

Операционные усилители применяются для сравнения, инвертирования или неинвертирования сигналов, они также могут использоваться для сложения сигналов, как показано на рис. 28–46. Такой усилитель называется суммирующим усилителем.

Рис. 28–46. Операционный усилитель в качестве суммирующего усилителя.

Отрицательная обратная связь удерживает потенциал инвертирующего входа близким к потенциалу земли. Следовательно, все входные сигналы электрически изолированы друг от друга. На выходе усилителя получается инвертированная сумма входных сигналов.

В суммирующем усилителе резистор, соединяющий неинвертирующий вход с землей, выбран равным полному сопротивлению параллельно включенных входному сопротивлению и сопротивлению обратной связи. Если сопротивление обратной связи увеличить, то цепь может обеспечить и усиление. Если используются различные входные сопротивления, сигналы могут быть сложены с различным усилением.

Суммирующие усилители используются при смешивании сигналов звуковой частоты. В качестве входных сопротивлений используются потенциометры для регулирования уровня каждого из входных сигналов.

Операционные усилители также могут использоваться в качестве активных фильтров. Фильтры, использующие резисторы, катушки индуктивности и конденсаторы, называются пассивными. Активные фильтры — это безындуктивные фильтры, использующие интегральные микросхемы. Преимущество активных фильтров в отсутствии катушек индуктивности, имеющих большие размеры.

При использовании операционных усилителей в качестве активных фильтров недостатком является то, что они требуют источника питания, могут создавать шум и превращаться в генератор (возбуждаться) вследствие температурного дрейфа или старения компонентов.

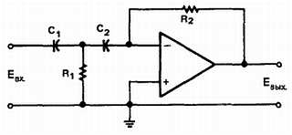
На рис. 28–47 изображен фильтр верхних частот, использующий операционный усилитель. Фильтр верхних частот подавляет низкие частоты и пропускает частоты, расположенные выше частоты среза.

Рис. 28–47. Операционный усилитель в качестве фильтра верхних частот.

На рис. 28–48 изображен фильтр нижних частот, использующий операционный усилитель. Фильтр нижних частот пропускает низкие частоты и не пропускает частоты, расположенные выше частоты среза.

Рис. 28–48. Операционный усилитель в качестве фильтра нижних частот.

На рис. 28–49 изображен полосовой фильтр, использующий операционный усилитель. Полосовой фильтр пропускает частоты, расположенные вблизи некоторой центральной частоты, и ослабляет более высокие и более низкие частоты.

Рис. 28–49. Операционный усилитель в качестве полосового фильтра.

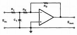
Разностный усилитель вычитает один сигнал из другого. На рис. 28–50 изображен стандартный разностный усилитель. Эта цепь называется вычитающим устройством, поскольку она вычитает значение Е2 из значения E1.

Рис. 28–50. Операционный усилитель в качестве разностного усилителя.

28-8. Вопросы

1. Что такое операционный усилитель?

2. Нарисуйте блок-схему операционного усилителя.

3. Кратко объясните, как работает операционный усилитель.

4. Что такое нормальный режим работы операционного усилителя?

5. Какое усиление может быть получено с помощью операционного усилителя?

6. Нарисуйте схемы следующих цепей:

а. Инвертирующий усилитель;

б. Суммирующий усилитель;

в. Фильтр верхних частот;

г. Фильтр нижних частот;

д. Разностный усилитель.

РЕЗЮМЕ

• Усилители — это электронные цепи, используемые для увеличения амплитуды электрического сигнала.

• Транзистор используется, главным образом, в качестве усилительного устройства.

• Транзисторные усилители могут быть трех типов: усилитель с общей базой, с общим коллектором и с общим эмиттером.

• Усилители с общим коллектором используются для согласования импедансов.

• Усилители с общим эмиттером обеспечивают обращение фазы выходного сигнала по отношению к входному.

• Все транзисторные усилители требуют двух напряжений для правильной подачи напряжения смещения.

• Один источник питания может обеспечить необходимые напряжения прямого и обратного смещения с помощью делителя напряжения.

• Цепь обратной связи с делителем напряжения является наиболее широко используемой цепью для напряжения смещения.

• Транзисторный усилитель может быть смещен таким образом, что на выходе будет усиливаться весь период входного сигнала или только его часть.

• Усилители класса А смещены таким образом, что выходной ток течет в течение всего периода.

• Усилители класса АВ смещены таким образом, что выходной ток течет в течение промежутка времени, большего, чем половина периода входного сигнала, но меньшего, чем период.

• Усилители класса В смещены таким образом, что выходной ток течет в течение только половины периода входного сигнала.

• Усилители класса С смещены таким образом, что выходной ток течет в течение промежутка меньшего половины периода входного сигнала.

• Для соединения одного транзистора с другим используют резистивно-емкостную, импедансную, трансформаторную и непосредственную (гальваническую) связи.

• Усилители с гальванической связью используются для получения высокого усиления на низких частотах или для усиления сигнала постояннного тока.

• Усилители с гальванической связью используются, главным образом, в качестве усилителей напряжения.

• Дифференциальный усилитель имеет два отдельных входа и может обеспечивать или один, или два выхода.

• Усилители звуковой частоты усиливают сигналы переменного тока в диапазоне частот от 20 до 20000 герц.

• Усилители звуковой частоты делятся на усилители напряжения и усилители мощности.

• Видеоусилители — это широкополосные усилители, используемые для усиления видеосигналов.

• Видеочастоты занимают полосу от нескольких герц до 5 или б мегагерц.

• Усилители радиочастоты работают в диапазоне от 10 до 30 мегагерц.

• Усилители радиочастоты делятся на перестраиваемые и неперестраиваемые.

• Операционные усилители — это усилители с гальванической связью и очень высоким коэффициентом усиления.

• Операционные усилители могут иметь коэффициент усиления от 20000 до 1000000.

• Операционные усилители обычно работают в режиме с обратной связью.

• Существуют два режима работы с обратной связью — инвертирующий и неинвертирующий.

Глава 28. САМОПРОВЕРКА

1. Кратко опишите, как используется транзистор для усиления сигналов.

2. Почему схема усилителя с общим эмиттером применяется наиболее широко?

3. Какие факторы влияют на усиление транзистора, и что может быть сделано для их компенсации?

4. Как поданное напряжение смещения влияет на класс работы усилителя?

5. Какой фактор необходимо учесть при соединении одного усилителя с другим?

6. Как метод связи, используемый для соединения усилителей, влияет на его рабочий диапазон частот?

7. При каких условиях могут использоваться усилители постоянного тока?

8. Как решается проблема температурной стабильности в усилителях постоянного тока с большим коэффициентом усиления?

9. В чем основные отличия между усилителями напряжения звуковой частоты и усилителями мощности звуковой частоты?

10. Каковы практические преимущества использования квазикомплементарного усилителя мощности перед комплементарным двухтактным усилителем?

11. Чем видеоусилитель отличается от усилителя звуковой частоты?

12. Какой фактор ограничивает усиление видеоусилителя на высоких частотах?

13. Для чего предназначен усилитель радиочастоты?

14. Для чего используются усилители промежуточной частоты?

15. Перечислите три каскада операционного усилителя и опишите их функции.

16. Где используются операционные усилители?

Более 800 000 книг и аудиокниг! 📚

Получи 2 месяца Литрес Подписки в подарок и наслаждайся неограниченным чтением

ПОЛУЧИТЬ ПОДАРОК